Найти запчасти на подвесной двигатель SUZUKI - Starter - Стартер
вконтакте

Контактный телефон: +7 (981) 121-46-93, +7 (800) 200-90-76 , Email: parts-katalog@yandex.ru, где купить

 
 

  Логин:

Пароль:

Регистрация

www.partskatalog.ru Все каталоги Запчасти Mercury Запчасти Suzuki Запчасти Tohatsu Запчасти Honda Контакты



УВАЖАЕМЫЕ КЛИЕНТЫ!
C 19 ДЕКАБРЯ 2025 ПО 02 МАРТА 2026 ГОДА ОТДЕЛ ЗАПЧАСТЕЙ И СЕРВИС РАБОТАТЬ НЕ БУДУТ
ПРОДАЖА ЛОДОЧНЫХ МОТОРОВ В ШТАТНОМ РЕЖИМЕ
ОБ ИЗМЕНЕНИЯХ В ГРАФИКЕ РАБОТЫ ЧИТАЙТЕ НА САЙТА



назад Раздел:   вперёд

Вернуться к выбору узлов мотора


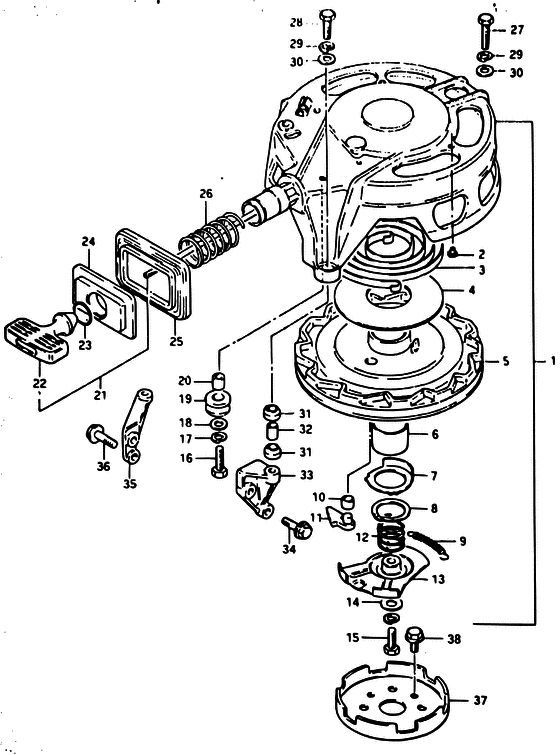
ДЕТАЛИРОВКА ДЛЯ МОДЕЛИ: SUZUKI DT50M G

Стартер


Год выпуска двигателя: 1980

Номер на
рисунке
АртикулНаименованиеQTYКол-во
на складе
Цена
118100-95200-01J

Запчасть снята с производства - The Spare Part Is Laid Off (MODEL G) (The Spare Part Is Laid Off)

под заказ0 руб.
118100-95203-000

   (актуальный код замены) Запчасть снята с производства - The Spare Part Is Laid Off

под заказ0 руб.
118100-95201-01J

Запчасть снята с производства - The Spare Part Is Laid Off (MODEL J/VZ FROM 18100-95200-01J) (The Spare Part Is Laid Off)

под заказ0 руб.
118100-95203-000

   (актуальный код замены) Запчасть снята с производства - The Spare Part Is Laid Off

под заказ0 руб.
218123-95210-000

Запчасть снята с производства - The Spare Part Is Laid Off (FROM 18124-95200) (The Spare Part Is Laid Off)

под заказ0 руб.
318142-95210-000

Пружина - Spring (FROM 18141-95200 ) (Spring)

под заказ9510 руб.
418144-95200-000

Запчасть снята с производства - The Spare Part Is Laid Off (FROM 18142-95200) (The Spare Part Is Laid Off)

под заказ0 руб.
518121-95200-000

Запчасть снята с производства - The Spare Part Is Laid Off (The Spare Part Is Laid Off)

под заказ0 руб.
618124-95210-000

Запчасть снята с производства - The Spare Part Is Laid Off (FROM 18112-95200) (The Spare Part Is Laid Off)

под заказ0 руб.
718157-95200-000

Запчасть снята с производства - The Spare Part Is Laid Off (FROM 18122-95200) (The Spare Part Is Laid Off)

под заказ0 руб.
818127-95200-000

Запчасть снята с производства - The Spare Part Is Laid Off (FROM 18123-95200) (The Spare Part Is Laid Off)

под заказ0 руб.
918155-95200-000

Запчасть снята с производства - The Spare Part Is Laid Off (FROM 18132-95200) (The Spare Part Is Laid Off)

под заказ0 руб.
918155-95203-000

   (актуальный код замены) Запчасть снята с производства - The Spare Part Is Laid Off

под заказ0 руб.
1018133-95210-000

Запчасть снята с производства - The Spare Part Is Laid Off (FROM 18133-95200) (The Spare Part Is Laid Off)

под заказ0 руб.
1118130-95200-000

Запчасть снята с производства - The Spare Part Is Laid Off (FROM 18131-95200) (The Spare Part Is Laid Off)

под заказ0 руб.
1218153-95200-000

Фрикционная пружина - Spring, Friction (Spring, friction ) (Spring, Friction)

под заказ0 руб.
1318151-95200-000

под заказ0 руб.
1318150-95200-000

Пластина трения - Plate, Friction (Plate, Friction)

под заказ0 руб.
1418335-93000-000

Запчасть снята с производства - The Spare Part Is Laid Off (FROM 18152-95200) (The Spare Part Is Laid Off)

под заказ0 руб.
1501107-06168-000

Болт - Bolt (Bolt)

под заказ150 руб.
1501500-06167-000

   (актуальный код замены) Болт - Bolt

под заказ150 руб.
1501500-06167-000

Болт - Bolt (Bolt, fuel cooler ) (Bolt)

под заказ150 руб.
1601107-06208-000

Болт - Bolt (Bolt)

под заказ150 руб.
1601500-06207-000

   (актуальный код замены) Болт - Bolt

под заказ150 руб.
1601500-06207-000

Болт - Bolt (Bolt)

под заказ150 руб.
1708321-31068-000

Шайба с блокировкой - Washer, Lock (Washer, Lock)

под заказ140 руб.
1708321-01067-000

   (актуальный код замены) Шайба с блокировкой - Washer, Lock

под заказ140 руб.
1708321-01067-000

Шайба с блокировкой - Washer, Lock (Washer, Lock)

под заказ140 руб.
1818335-95200-000

Запчасть снята с производства - The Spare Part Is Laid Off (FROM 18175-95200) (The Spare Part Is Laid Off)

под заказ0 руб.
1918187-95200-000

Запчасть снята с производства - The Spare Part Is Laid Off (FROM 18173-95200) (The Spare Part Is Laid Off)

под заказ0 руб.
2018188-95200-000

Запчасть снята с производства - The Spare Part Is Laid Off (FROM 18174-95200) (The Spare Part Is Laid Off)

под заказ0 руб.
2118200-95202-000

(FROM 18170-95202)

под заказ0 руб.
2118210-93002-000

Рукоятка в сборе - Grip Assy (Grip Assy)

1 шт1150 руб.
2218210-93001-000

Рукоятка в сборе - Grip Assy (FROM 18172-95200) (Grip Assy)

под заказ1150 руб.
2218210-93002-000

   (актуальный код замены) Рукоятка в сборе - Grip Assy

1 шт1150 руб.
2218210-93002-000

Рукоятка в сборе - Grip Assy (Grip Assy)

1 шт1150 руб.
2318195-95200-000

Кольцо - Ring (Ring # FROM 18184-95200 ) (Ring)

под заказ0 руб.
2418191-95201-000

Пластина - Plate (FROM 18181-95201) (Plate)

под заказ1580 руб.
2418191-95202-000

   (актуальный код замены) Пластина - Plate

под заказ1580 руб.
2418191-95202-000

Пластина - Plate (Plate)

под заказ1580 руб.
2518192-95201-000

Rubber, Стартер Направляющая пластина - Rubber, Starter Guide Plate (FROM 18182-95201) (Rubber, Starter Guide Plate)

под заказ0 руб.
2518192-95204-000

   (актуальный код замены) Запчасть снята с производства - The Spare Part Is Laid Off

под заказ0 руб.
2518192-95204-000

Rubber, Стартер Направляющая пластина - Rubber, Starter Guide Plate (Rubber, difence ) (Rubber, Starter Guide Plate)

под заказ0 руб.
2618196-95200-000

Запчасть снята с производства - The Spare Part Is Laid Off (FROM 18183-95200) (The Spare Part Is Laid Off)

под заказ0 руб.
2618196-93000-000

   (актуальный код замены) Запчасть снята с производства - The Spare Part Is Laid Off

под заказ0 руб.
2701907-08408-000

Болт - Bolt (MODEL VZ) (Bolt)

под заказ190 руб.
2701500-0840A-000

   (актуальный код замены) Болт - Bolt

под заказ190 руб.
2701500-0840A-000

Болт - Bolt (Bolt)

под заказ190 руб.
2701107-08408-000

Болт - Bolt (Bolt)

под заказ190 руб.
2701500-0840A-000

   (актуальный код замены) Болт - Bolt

под заказ190 руб.
2701500-0840A-000

Болт - Bolt (Bolt)

под заказ190 руб.
2801907-08358-000

Болт - Bolt (MODEL VZ) (Bolt)

под заказ230 руб.
2801500-0835B-000

   (актуальный код замены) Болт - Bolt

под заказ230 руб.
2801500-0835B-000

Болт - Bolt (Bolt, muffler support ) (Bolt)

под заказ230 руб.
2801107-08358-000

Болт - Bolt (Bolt)

под заказ230 руб.
2801500-0835B-000

   (актуальный код замены) Болт - Bolt

под заказ230 руб.
2801500-0835B-000

Болт - Bolt (Bolt, muffler support ) (Bolt)

под заказ230 руб.
2908321-21088-000

Шайба с блокировкой - Washer, Lock (MODEL VZ) (Washer, Lock)

под заказ140 руб.
2908321-01087-000

   (актуальный код замены) Шайба с блокировкой - Washer, Lock

под заказ140 руб.
2908321-01087-000

Шайба с блокировкой - Washer, Lock (Washer, lock ) (Washer, Lock)

под заказ140 руб.
2908321-31088-000

Шайба с блокировкой - Washer, Lock (Washer, Lock)

под заказ140 руб.
2908321-01087-000

   (актуальный код замены) Шайба с блокировкой - Washer, Lock

под заказ140 руб.
2908321-01087-000

Шайба с блокировкой - Washer, Lock (Washer, lock ) (Washer, Lock)

под заказ140 руб.
3008322-21088-000

Шайба - Washer (Washer)

под заказ140 руб.
3008322-01087-000

   (актуальный код замены) Шайба - Washer

под заказ140 руб.
3008322-01087-000

Шайба - Washer (Lock washer ) (Washer)

под заказ140 руб.
3109320-14011-000

Подушка - Cushion (Cushion)

под заказ0 руб.
3109320-14028-000

   (актуальный код замены) Запчасть снята с производства - The Spare Part Is Laid Off

под заказ0 руб.
3209180-08085-000

Запчасть снята с производства - The Spare Part Is Laid Off (The Spare Part Is Laid Off)

под заказ0 руб.
3209180-08203-000

   (актуальный код замены) Запчасть снята с производства - The Spare Part Is Laid Off

под заказ0 руб.
3209180-08203-000

Запчасть снята с производства - The Spare Part Is Laid Off (The Spare Part Is Laid Off)

под заказ0 руб.
3318711-95200-01J

Запчасть снята с производства - The Spare Part Is Laid Off (The Spare Part Is Laid Off)

под заказ0 руб.
3318711-95200-02M

   (актуальный код замены) Запчасть снята с производства - The Spare Part Is Laid Off

под заказ0 руб.
3401517-08308-000

Болт - Bolt (Bolt)

под заказ260 руб.
3401550-08307-000

   (актуальный код замены) Болт - Bolt

21 шт320 руб.
3401550-08307-000

Болт - Bolt (Bolt)

21 шт320 руб.
3518721-95200-01J

Запчасть снята с производства - The Spare Part Is Laid Off (The Spare Part Is Laid Off)

под заказ0 руб.
3518721-95200-02M

   (актуальный код замены) Запчасть снята с производства - The Spare Part Is Laid Off

под заказ0 руб.
3601517-08308-000

Болт - Bolt (Bolt)

под заказ260 руб.
3601550-08307-000

   (актуальный код замены) Болт - Bolt

21 шт320 руб.
3601550-08307-000

Болт - Bolt (Bolt)

21 шт320 руб.
3718411-95200-000

Запчасть снята с производства - The Spare Part Is Laid Off (The Spare Part Is Laid Off)

под заказ0 руб.
3801517-08168-000

Болт - Bolt (Bolt)

под заказ210 руб.
3801550-08167-000

   (актуальный код замены) Болт - Bolt

8 шт210 руб.
3801550-08167-000

Болт - Bolt (Bolt (8x16) ) (Bolt)

8 шт210 руб.


Время выполнения запроса 4.9072608947754 сек.

 
 

данный сайт носит информационный характер и не является публичной офертой

склад запчастей для водомоторной техники