| |
 |
|
 |
Вернуться к выбору узлов мотора
ДЕТАЛИРОВКА ДЛЯ МОДЕЛИ: SUZUKI DT50 J
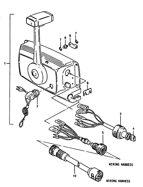
Дистанционное управление
Код модели двигателя: DT50S/L/LL/UL
Год выпуска двигателя: 1981
Цвет: Francois Whte №2Arctic Silver
Номер на рисунке | Артикул | Наименование | QTY | Кол-во на складе | Цена |
| 1 | 67200-95302-000 | Запчасть снята с производства - The Spare Part Is Laid Off (T.S.K MODEL TG TO 67200-95303) (The Spare Part Is Laid Off) | | под заказ | 0 руб. |
| 1 | 67200-95303-000 | (актуальный код замены) Запчасть снята с производства - The Spare Part Is Laid Off | | под заказ | 0 руб. |
| 1 | 67200-95303-000 | Запчасть снята с производства - The Spare Part Is Laid Off (T.S.K MODEL TG) (The Spare Part Is Laid Off) | | под заказ | 0 руб. |
| 2 | 37820-95200-000 | Аварийный выключатель, в сборе - Switch Assy, Emergency (Switch Assy, Emergency) | | под заказ | 4710 руб. |
| 2 | 37820-92E05-000 | (актуальный код замены) Аварийный выключатель, в сборе - Switch Assy, Emergency | | 1 шт | 4710 руб. |
| 2 | 37820-92E04-000 | Аварийный выключатель, в сборе - Switch Assy, Emergency (Switch Assy, Emergency) | | под заказ | 4710 руб. |
| 2 | 37820-92E05-000 | (актуальный код замены) Аварийный выключатель, в сборе - Switch Assy, Emergency | | 1 шт | 4710 руб. |
| 2 | 37820-95201-000 | Аварийный выключатель, в сборе - Switch Assy, Emergency (FROM 37820-95200) (Switch Assy, Emergency) | | под заказ | 4710 руб. |
| 2 | 37820-92E05-000 | (актуальный код замены) Аварийный выключатель, в сборе - Switch Assy, Emergency | | 1 шт | 4710 руб. |
| 3 | 37110-95351-000 | Выключатель зажигания - Switch Assy, Ignition (FROM 37110-95350) (Switch Assy, Ignition) | | под заказ | 0 руб. |
| 3 | 37110-95551-000 | (актуальный код замены) Запчасть снята с производства - The Spare Part Is Laid Off | | под заказ | 0 руб. |
| 3 | 37110-95551-000 | Выключатель зажигания - Switch Assy, Ignition (Switch, ignition ) (Switch Assy, Ignition) | | под заказ | 0 руб. |
| 4 | 37141-93300-000 | Ключ, Spare (8511) - Key, Spare (8511) (Key, spare 8511 # OPT ) (Key, Spare (8511)) | | под заказ | 0 руб. |
| 4 | 37141-93310-000 | Ключ, Spare (8512) - Key, Spare (8512) (Key, spare 8512 # OPT ) (Key, Spare (8512)) | | под заказ | 0 руб. |
| 4 | 37141-93320-000 | Ключ, Spare (8513) - Key, Spare (8513) (Key, spare 8513 # OPT ) (Key, Spare (8513)) | | под заказ | 0 руб. |
| 4 | 37141-93330-000 | Ключ, Spare (8611) - Key, Spare (8611) (Key, spare 8611 # OPT ) (Key, Spare (8611)) | | под заказ | 0 руб. |
| 4 | 37141-93340-000 | Ключ, Spare (8612) - Key, Spare (8612) (Key, spare 8612 # OPT ) (Key, Spare (8612)) | | под заказ | 0 руб. |
| 4 | 37141-93350-000 | Ключ, Spare (8613) - Key, Spare (8613) (Key, spare 8613 # OPT ) (Key, Spare (8613)) | | под заказ | 0 руб. |
| 5 | 36630-95302-000 | Запчасть снята с производства - The Spare Part Is Laid Off (The Spare Part Is Laid Off) | | под заказ | 0 руб. |
| 6 | 67272-95300-000 | Запчасть снята с производства - The Spare Part Is Laid Off (The Spare Part Is Laid Off) | | под заказ | 0 руб. |
| 7 | 67268-95300-000 | Запчасть снята с производства - The Spare Part Is Laid Off (The Spare Part Is Laid Off) | | под заказ | 0 руб. |
| 8 | 67271-95300-000 | Iend, Управляющие кабели - Iend, Control Cable (Eyeend, control cable ) (Iend, Control Cable) | | под заказ | 0 руб. |
| 9 | 67274-95300-000 | Запчасть снята с производства - The Spare Part Is Laid Off (The Spare Part Is Laid Off) | | под заказ | 0 руб. |
Время выполнения запроса 1.4721620082855 сек. |
|