| |
 |
|
 |
Вернуться к выбору узлов мотора
ДЕТАЛИРОВКА ДЛЯ МОДЕЛИ: SUZUKI DT50MVZ(M/T) Z
Электрика
Код модели двигателя: DT50S/L/LL/UL
Год выпуска двигателя: 1982
Регион: General Export No.1 ,Код региона: P01
Цвет: Francois Whte №2Arctic Silver
Номер на рисунке | Артикул | Наименование | QTY | Кол-во на складе | Цена |
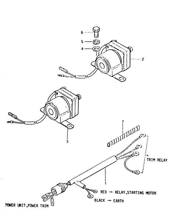
| 1 | 33830-95202-000 | Запчасть снята с производства - The Spare Part Is Laid Off (The Spare Part Is Laid Off) | | под заказ | 0 руб. |
| 1 | 33830-95204-000 | (актуальный код замены) Запчасть снята с производства - The Spare Part Is Laid Off | | под заказ | 0 руб. |
| 2 | 38410-95540-000 | | | под заказ | 0 руб. |
| 2 | 38410-94540-000 | Реле трима, в сборе - Relay Assy, Trim (Trim relay assy ) (Relay Assy, Trim) | | под заказ | 0 руб. |
| 3 | 38420-95540-000 | | | под заказ | 0 руб. |
| 3 | 38410-94540-000 | Реле трима, в сборе - Relay Assy, Trim (Trim relay assy ) (Relay Assy, Trim) | | под заказ | 0 руб. |
| 4 | 09160-06015-000 | Шайба (6.5x13x1.0) - Washer (65x13x10) (Washer (6.5x13x1.0)) | | под заказ | 120 руб. |
| 4 | 09160-06082-000 | (актуальный код замены) Шайба (6.5x13x1.0) - Washer (6.5x13x1.0) | | 7 шт | 150 руб. |
| 4 | 09160-06082-000 | Шайба (6.5x13x1.0) - Washer (65x13x10) (Washer (6.5x13x1.0)) | | 7 шт | 150 руб. |
| 5 | 09162-06001-000 | Шайба с блокировкой - Washer, Lock (Washer, Lock) | | под заказ | 160 руб. |
| 5 | 09162-06006-000 | (актуальный код замены) Шайба с блокировкой - Washer, Lock | | под заказ | 160 руб. |
| 5 | 09162-06006-000 | Шайба с блокировкой - Washer, Lock (Lock washer ) (Washer, Lock) | | под заказ | 160 руб. |
| 6 | 09100-06019-000 | Болт - Bolt (Bolt) | | под заказ | 180 руб. |
| 6 | 01550-06167-000 | (актуальный код замены) Болт - Bolt | | 9 шт | 210 руб. |
| 6 | 01550-06167-000 | Болт - Bolt (Bolt) | | 9 шт | 210 руб. |
| 7 | 38423-95501-000 | Трубка провода переключателя (l: 250) - Tube, Switch Lead (l:250) (L:150 2pcs, l:150->100) (Tube, Switch Lead (l:250)) | | под заказ | 610 руб. |
| 7 | 33833-91J00-000 | (актуальный код замены) Трубка провода переключателя (l: 250) - Tube, Switch Lead (l:250) | | под заказ | 610 руб. |
| 7 | 33833-91J00-000 | Трубка провода переключателя (l: 250) - Tube, Switch Lead (l:250) (Tube, Switch Lead (l:250)) | | под заказ | 610 руб. |
Время выполнения запроса 0.83188486099243 сек. |
|