Купить оригинальные запчасти на лодочный мотор Suzuki DT50S/L/LL/UL модель 1982 года - Топливный бак
вконтакте

Контактный телефон: +7 (981) 121-46-93, +7 (800) 200-90-76 , Email: parts-katalog@yandex.ru, где купить

 
 

  Логин:

Пароль:

Регистрация

www.partskatalog.ru Все каталоги Запчасти Mercury Запчасти Suzuki Запчасти Tohatsu Запчасти Honda Контакты



УВАЖАЕМЫЕ КЛИЕНТЫ!
C 19 ДЕКАБРЯ 2025 ПО 02 МАРТА 2026 ГОДА ОТДЕЛ ЗАПЧАСТЕЙ И СЕРВИС РАБОТАТЬ НЕ БУДУТ
ПРОДАЖА ЛОДОЧНЫХ МОТОРОВ В ШТАТНОМ РЕЖИМЕ
ОБ ИЗМЕНЕНИЯХ В ГРАФИКЕ РАБОТЫ ЧИТАЙТЕ НА САЙТА



назад Раздел:   вперёд

Вернуться к выбору узлов мотора


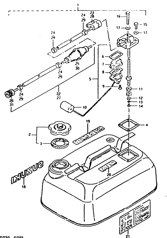
ДЕТАЛИРОВКА ДЛЯ МОДЕЛИ: SUZUKI DT50MVZ(M/T) Z

Топливный бак


Код модели двигателя: DT50S/L/LL/UL

Год выпуска двигателя: 1982

Регион: General Export No.1 ,Код региона: P01

Цвет: Francois Whte №2Arctic Silver

Номер на
рисунке
АртикулНаименованиеQTYКол-во
на складе
Цена
265510-98504-000

Крышка горловины топливного бака, в сборе - Cap Assy, Fuel Tank (To 65510-98505) (Cap Assy, Fuel Tank)

под заказ0 руб.
265510-92D00-000

   (актуальный код замены) Запчасть снята с производства - The Spare Part Is Laid Off

под заказ0 руб.
265510-92D00-000

Крышка горловины топливного бака, в сборе - Cap Assy, Fuel Tank (Cap assy, separate tank ) (Cap Assy, Fuel Tank)

под заказ0 руб.
465871-93001-000

Прокладка, Fuel Gauge - Gasket, Fuel Gauge (Gasket, Fuel Gauge)

под заказ240 руб.
465871-93010-000

   (актуальный код замены) Прокладка, Fuel Gauge - Gasket, Fuel Gauge

под заказ240 руб.
465871-93010-000

Прокладка, Fuel Gauge - Gasket, Fuel Gauge (Gasket, fuel gauge ) (Gasket, Fuel Gauge)

под заказ240 руб.
565850-95201-000

Запчасть снята с производства - The Spare Part Is Laid Off (The Spare Part Is Laid Off)

под заказ0 руб.
565850-95202-000

   (актуальный код замены) Запчасть снята с производства - The Spare Part Is Laid Off

под заказ0 руб.
865862-93000-000

Запчасть снята с производства - The Spare Part Is Laid Off (The Spare Part Is Laid Off)

под заказ0 руб.
865862-93060-000

   (актуальный код замены) Запчасть снята с производства - The Spare Part Is Laid Off

под заказ0 руб.
902112-04108-000

Винт - Screw (Screw)

под заказ120 руб.
902112-04107-000

   (актуальный код замены) Винт - Screw

под заказ120 руб.
902112-04107-000

Винт - Screw (Screw)

под заказ120 руб.
1065864-93000-000

Запчасть снята с производства - The Spare Part Is Laid Off (The Spare Part Is Laid Off)

под заказ0 руб.
1208322-21058-000

Шайба - Washer (Washer)

под заказ140 руб.
1208322-01057-000

   (актуальный код замены) Шайба - Washer

под заказ140 руб.
1208322-01057-000

Шайба - Washer (Washer, front hook holder ) (Washer)

под заказ140 руб.
1308321-21058-000

Шайба с блокировкой - Washer, Lock (Washer, Lock)

под заказ140 руб.
1308321-0105A-000

   (актуальный код замены) Шайба с блокировкой - Washer, Lock

под заказ140 руб.
1308321-0105A-000

Шайба с блокировкой - Washer, Lock (Washer, Lock)

под заказ140 руб.
1402112-05088-000

Винт - Screw (Screw)

под заказ120 руб.
1402112-05087-000

   (актуальный код замены) Винт - Screw

под заказ120 руб.
1402112-05087-000

Винт - Screw (Screw)

под заказ120 руб.
1501107-06168-000

Болт - Bolt (Bolt)

под заказ150 руб.
1501500-06167-000

   (актуальный код замены) Болт - Bolt

под заказ150 руб.
1501500-06167-000

Болт - Bolt (Bolt, fuel cooler ) (Bolt)

под заказ150 руб.
1601107-06408-000

Болт - Bolt (Bolt)

под заказ190 руб.
1601500-0640B-000

   (актуальный код замены) Болт - Bolt

под заказ190 руб.
1601500-0640B-000

Болт - Bolt (Bolt)

под заказ190 руб.
1708322-21068-000

Шайба - Washer (Washer)

под заказ140 руб.
1708322-01067-000

   (актуальный код замены) Шайба - Washer

10 шт160 руб.
1708322-01067-000

Шайба - Washer (Washer)

10 шт160 руб.
1861441-98500-000

Маркировка, Ornament - Mark, Ornament (Mark, Ornament)

под заказ0 руб.
1965317-95200-000

Запчасть снята с производства - The Spare Part Is Laid Off (The Spare Part Is Laid Off)

под заказ0 руб.
1965317-95220-000

   (актуальный код замены) Запчасть снята с производства - The Spare Part Is Laid Off

под заказ0 руб.
2065319-95200-000

Запчасть снята с производства - The Spare Part Is Laid Off (mark, fuel tank model;) (The Spare Part Is Laid Off)

под заказ0 руб.
2165316-93303-000

Запчасть снята с производства - The Spare Part Is Laid Off (The Spare Part Is Laid Off)

под заказ0 руб.
2165316-93320-000

   (актуальный код замены) Запчасть снята с производства - The Spare Part Is Laid Off

под заказ0 руб.
2265700-98513-000

(Model g)

под заказ0 руб.
2265700-98526-000

Топливный шланг (от бака до коннектораector) - Hose, Fuel (tank To Connector) (Hose, Fuel (tank To Connector))

под заказ0 руб.
2265700-98527-000

   (актуальный код замены) Запчасть снята с производства - The Spare Part Is Laid Off

под заказ0 руб.
2265750-99700-000

Разъём топливного шланга - Socket, Fuel Hose (Socket, fuel hose ) (Socket, Fuel Hose)

под заказ0 руб.
2265781-98500-000

Зажим топливного шланга - Clip, Fuel Hose (Clip, Fuel Hose)

9 шт350 руб.
2365750-99700-000

Разъём топливного шланга - Socket, Fuel Hose (Socket, fuel hose # socket, fuel hose; Model g ) (Socket, Fuel Hose)

под заказ0 руб.
2409401-13402-000

Зажим топливного шланга - Clip, Fuel Hose (Model g) (Clip, Fuel Hose)

под заказ290 руб.
2465781-98500-000

   (актуальный код замены) Зажим топливного шланга - Clip, Fuel Hose

9 шт350 руб.
2465781-98500-000

Зажим топливного шланга - Clip, Fuel Hose (Clip, Fuel Hose)

9 шт350 руб.
2565770-99701-000

Запчасть снята с производства - The Spare Part Is Laid Off (Model g to 65770-99702) (The Spare Part Is Laid Off)

под заказ0 руб.
2565770-99704-000

   (актуальный код замены) Запчасть снята с производства - The Spare Part Is Laid Off

под заказ0 руб.
2665750-98502-000

Разъём топливного шланга - Socket, Fuel Hose (Model g) (Socket, Fuel Hose)

под заказ3240 руб.
2665750-98506-000

   (актуальный код замены) Разъём топливного шланга - Socket, Fuel Hose

под заказ3240 руб.
2665750-98505-000

Разъём топливного шланга - Socket, Fuel Hose (Socket, fuel hose (out) ) (Socket, Fuel Hose)

2 шт3240 руб.
2665750-98506-000

   (актуальный код замены) Разъём топливного шланга - Socket, Fuel Hose

под заказ3240 руб.
2765700-98530-000

(Model j/vz)

под заказ0 руб.
2765700-98526-000

Топливный шланг (от бака до коннектораector) - Hose, Fuel (tank To Connector) (Hose, Fuel (tank To Connector))

под заказ0 руб.
2765700-98527-000

   (актуальный код замены) Запчасть снята с производства - The Spare Part Is Laid Off

под заказ0 руб.
2765750-99700-000

Разъём топливного шланга - Socket, Fuel Hose (Socket, fuel hose ) (Socket, Fuel Hose)

под заказ0 руб.
2765781-98500-000

Зажим топливного шланга - Clip, Fuel Hose (Clip, Fuel Hose)

9 шт350 руб.
2865750-99700-000

Разъём топливного шланга - Socket, Fuel Hose (Socket, fuel hose # socket, fuel hose; Model j/vz ) (Socket, Fuel Hose)

под заказ0 руб.
2909401-13402-000

Зажим топливного шланга - Clip, Fuel Hose (Model j/vz) (Clip, Fuel Hose)

под заказ290 руб.
2965781-98500-000

   (актуальный код замены) Зажим топливного шланга - Clip, Fuel Hose

9 шт350 руб.
2965781-98500-000

Зажим топливного шланга - Clip, Fuel Hose (Clip, Fuel Hose)

9 шт350 руб.
3065770-98520-000

Запчасть снята с производства - The Spare Part Is Laid Off (pump, squeeze; Model j/vz) (The Spare Part Is Laid Off)

под заказ0 руб.
3065770-99704-000

   (актуальный код замены) Запчасть снята с производства - The Spare Part Is Laid Off

под заказ0 руб.
3165750-98505-000

Разъём топливного шланга - Socket, Fuel Hose (Socket, fuel hose (out) # socket, fuel hose; Model j/vz ) (Socket, Fuel Hose)

2 шт3240 руб.
3165750-98506-000

   (актуальный код замены) Разъём топливного шланга - Socket, Fuel Hose

под заказ3240 руб.


Время выполнения запроса 2.137237071991 сек.

 
 

данный сайт носит информационный характер и не является публичной офертой

склад запчастей для водомоторной техники