Подобрать оригинальные запчасти на подвесной лодочный двигатель Suzuki DT50S/L/LL/UL - Remote control
вконтакте

Контактный телефон: +7 (981) 121-46-93, +7 (800) 200-90-76 , Email: parts-katalog@yandex.ru, где купить

 
 

  Логин:

Пароль:

Регистрация

www.partskatalog.ru Все каталоги Запчасти Mercury Запчасти Suzuki Запчасти Tohatsu Запчасти Honda Контакты

назад Раздел:   вперёд

Вернуться к выбору узлов мотора


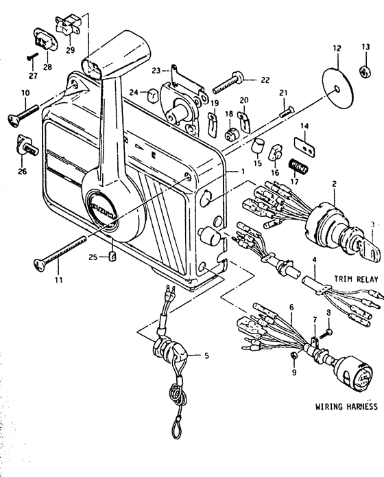
ДЕТАЛИРОВКА ДЛЯ МОДЕЛИ: SUZUKI DT50MVZ(M/T) Z

Дистанционное управление


Код модели двигателя: DT50S/L/LL/UL

Год выпуска двигателя: 1982

Регион: General Export No.1 ,Код региона: P01

Цвет: Francois Whte №2Arctic Silver

Номер на
рисунке
АртикулНаименованиеQTYКол-во
на складе
Цена
237110-95551-000

Выключатель зажигания - Switch Assy, Ignition (Switch, ignition # switch assy, ignition; Model g from 37110-95550 ) (Switch Assy, Ignition)

под заказ0 руб.
436630-95551-000

Запчасть снята с производства - The Spare Part Is Laid Off (Model g) (The Spare Part Is Laid Off)

под заказ0 руб.
436640-95500-000

   (актуальный код замены) Запчасть снята с производства - The Spare Part Is Laid Off

под заказ0 руб.
436630-95552-000

Запчасть снята с производства - The Spare Part Is Laid Off (Model g from 36630-95551) (The Spare Part Is Laid Off)

под заказ0 руб.
436640-95500-000

   (актуальный код замены) Запчасть снята с производства - The Spare Part Is Laid Off

под заказ0 руб.
537820-95252-000

Аварийный выключатель, в сборе - Switch Assy, Emergency (Model g) (Switch Assy, Emergency)

под заказ4710 руб.
537820-92E03-000

   (актуальный код замены) Аварийный выключатель, в сборе - Switch Assy, Emergency

под заказ4710 руб.
537820-92E04-000

Аварийный выключатель, в сборе - Switch Assy, Emergency (Switch Assy, Emergency)

под заказ4710 руб.
537820-92E05-000

   (актуальный код замены) Аварийный выключатель, в сборе - Switch Assy, Emergency

1 шт4710 руб.
537820-95253-000

Аварийный выключатель, в сборе - Switch Assy, Emergency (Model g from 37820-95252) (Switch Assy, Emergency)

под заказ4710 руб.
537820-92E04-000

   (актуальный код замены) Аварийный выключатель, в сборе - Switch Assy, Emergency

под заказ4710 руб.
636620-95550-000

Запчасть снята с производства - The Spare Part Is Laid Off (Model g) (The Spare Part Is Laid Off)

под заказ0 руб.
736632-95500-000

Струбцина (l: 250) - Clamp (l:250) (Clamp (l:250))

под заказ190 руб.
709407-20405-000

   (актуальный код замены) Струбцина (l: 202) - Clamp (l:202)

под заказ190 руб.
709407-25402-000

Струбцина (l: 250) - Clamp (l:250) (Clamp, tilt sw ) (Clamp (l:250))

под заказ350 руб.
709407-25402-000

Струбцина (l: 250) - Clamp (l:250) (Clamp, tilt sw ) (Clamp (l:250))

под заказ350 руб.
709407-25402-000

Струбцина (l: 250) - Clamp (l:250) (Clamp, tilt sw ) (Clamp (l:250))

под заказ350 руб.
736632-95501-000

Струбцина (l: 250) - Clamp (l:250) (Model g from 36632-95500) (Clamp (l:250))

под заказ190 руб.
709407-20405-000

   (актуальный код замены) Струбцина (l: 202) - Clamp (l:202)

под заказ190 руб.
709407-25402-000

Струбцина (l: 250) - Clamp (l:250) (Clamp, tilt sw ) (Clamp (l:250))

под заказ350 руб.
709407-25402-000

Струбцина (l: 250) - Clamp (l:250) (Clamp, tilt sw ) (Clamp (l:250))

под заказ350 руб.
709407-25402-000

Струбцина (l: 250) - Clamp (l:250) (Clamp, tilt sw ) (Clamp (l:250))

под заказ350 руб.
802112-04168-000

Винт - Screw (Screw)

под заказ100 руб.
802112-0416A-000

   (актуальный код замены) Винт - Screw

под заказ100 руб.
802112-0416A-000

Винт - Screw (Screw)

под заказ100 руб.
908310-11048-000

Гайка - Nut (Nut)

под заказ140 руб.
908310-00047-000

   (актуальный код замены) Гайка - Nut

под заказ140 руб.
908310-00047-000

Гайка - Nut (Nut)

под заказ140 руб.
1002132-06408-000

Винт - Screw (screw (l:40); Model g) (Screw)

под заказ200 руб.
1002122-0640B-000

   (актуальный код замены) Винт - Screw

под заказ200 руб.
1002122-0640B-000

Винт - Screw (Screw)

под заказ200 руб.
1102132-06758-000

Винт - Screw (screw (l:75); Model g ) (Screw)

под заказ0 руб.
1209160-06047-000

Шайба (6.5x20x2) - Washer (65x20x2) (Washer, remocon cable stopper # washer (6.5x22x2); Model g ) (Washer (6.5x20x2))

8 шт150 руб.
1308310-11068-000

Гайка - Nut (Model g) (Nut)

под заказ140 руб.
1308310-00067-000

   (актуальный код замены) Гайка - Nut

под заказ140 руб.
1308310-00067-000

Гайка - Nut (Nut)

под заказ140 руб.
1467271-95500-000

Запчасть снята с производства - The Spare Part Is Laid Off (plate; Model g) (The Spare Part Is Laid Off)

под заказ0 руб.
1567253-95500-000

Запчасть снята с производства - The Spare Part Is Laid Off (roller; Model g) (The Spare Part Is Laid Off)

под заказ0 руб.
1667254-95500-000

Запчасть снята с производства - The Spare Part Is Laid Off (bushing; Model g) (The Spare Part Is Laid Off)

под заказ0 руб.
1767255-95500-000

Запчасть снята с производства - The Spare Part Is Laid Off (Model g) (The Spare Part Is Laid Off)

под заказ0 руб.
1867275-95500-000

Запчасть снята с производства - The Spare Part Is Laid Off (trunnion; Model g) (The Spare Part Is Laid Off)

под заказ0 руб.
1967272-95500-000

Запчасть снята с производства - The Spare Part Is Laid Off (retainer, clutch; Model g) (The Spare Part Is Laid Off)

под заказ0 руб.
2067274-95500-000

Запчасть снята с производства - The Spare Part Is Laid Off (retainer, throttle; Model g) (The Spare Part Is Laid Off)

под заказ0 руб.
2102122-04128-000

Винт - Screw (Model g) (Screw)

под заказ170 руб.
2102122-0412B-000

   (актуальный код замены) Винт - Screw

под заказ170 руб.
2102122-0412B-000

Винт - Screw (Screw)

под заказ170 руб.
2202112-06358-000

Винт - Screw (Model g) (Screw)

под заказ130 руб.
2202112-06357-000

   (актуальный код замены) Винт - Screw

под заказ130 руб.
2202112-06357-000

Винт - Screw (Screw)

под заказ130 руб.
2367233-95500-000

Запчасть снята с производства - The Spare Part Is Laid Off (Model g) (The Spare Part Is Laid Off)

под заказ0 руб.
2467234-95500-000

Запчасть снята с производства - The Spare Part Is Laid Off (shoe, friction; Model g) (The Spare Part Is Laid Off)

под заказ0 руб.
2567249-95500-000

Запчасть снята с производства - The Spare Part Is Laid Off (screw; Model g) (The Spare Part Is Laid Off)

под заказ0 руб.
2667232-95500-000

Запчасть снята с производства - The Spare Part Is Laid Off (Model g) (The Spare Part Is Laid Off)

под заказ0 руб.
2709139-02003-000

Винт (2x6) - Screw (2x6) (screw; Model g ) (Screw (2x6))

под заказ120 руб.
2837864-95500-000

Колпачок, Переключатель трима - Cap, Trim Switch (Model g) (Cap, Trim Switch)

под заказ1160 руб.
2837869-95590-000

   (актуальный код замены) Колпачок, Переключатель трима - Cap, Trim Switch

под заказ1160 руб.
2837869-95590-000

Колпачок, Переключатель трима - Cap, Trim Switch (Cap, trim switch ) (Cap, Trim Switch)

под заказ1160 руб.
2937860-95551-000

Запчасть снята с производства - The Spare Part Is Laid Off (Model g to 37860-95552) (The Spare Part Is Laid Off)

под заказ0 руб.
2937860-95501-000

   (актуальный код замены) Запчасть снята с производства - The Spare Part Is Laid Off

под заказ0 руб.


Время выполнения запроса 4.9753460884094 сек.

 
 

данный сайт носит информационный характер и не является публичной офертой

склад запчастей для водомоторной техники