Оригинальные запчасти на подвесной двигатель Suzuki модель 1982 года - Трансмиссия
вконтакте

Контактный телефон: +7 (981) 121-46-93, +7 (800) 200-90-76 , Email: parts-katalog@yandex.ru, где купить

 
 

  Логин:

Пароль:

Регистрация

www.partskatalog.ru Все каталоги Запчасти Mercury Запчасти Suzuki Запчасти Tohatsu Запчасти Honda Контакты



УВАЖАЕМЫЕ КЛИЕНТЫ!
C 19 ДЕКАБРЯ 2025 ПО 02 МАРТА 2026 ГОДА ОТДЕЛ ЗАПЧАСТЕЙ И СЕРВИС РАБОТАТЬ НЕ БУДУТ
ПРОДАЖА ЛОДОЧНЫХ МОТОРОВ В ШТАТНОМ РЕЖИМЕ
ОБ ИЗМЕНЕНИЯХ В ГРАФИКЕ РАБОТЫ ЧИТАЙТЕ НА САЙТА



назад Раздел:   вперёд

Вернуться к выбору узлов мотора


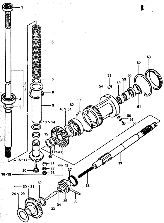
ДЕТАЛИРОВКА ДЛЯ МОДЕЛИ: SUZUKI DT50TVZ(M/T) Z

Трансмиссия


Год выпуска двигателя: 1982

Номер на
рисунке
АртикулНаименованиеQTYКол-во
на складе
Цена
109289-17005-000

Сальник (17x35x9) - Seal, Oil (17x35x9) (Щoil seal, drive shaft # Oil seal, driveshaft; ) (Seal, Oil (17x35x9))

под заказ0 руб.
257100-95820-000

Запчасть снята с производства - The Spare Part Is Laid Off (Shaft set, drive (l type); ~5001-001460 ~6501-002027) (The Spare Part Is Laid Off)

под заказ0 руб.
257100-95850-000

Запчасть снята с производства - The Spare Part Is Laid Off (Shaft set, drive (l type);) (The Spare Part Is Laid Off)

под заказ0 руб.
357100-95830-000

Запчасть снята с производства - The Spare Part Is Laid Off (~5001-001460 ~6501-002027) (The Spare Part Is Laid Off)

под заказ0 руб.
357100-95860-000

Запчасть снята с производства - The Spare Part Is Laid Off (Shaft set, drive (s type);) (The Spare Part Is Laid Off)

под заказ0 руб.
409265-17001-000

Подшипник (17x47x15.25) - Bearing (17x47x1525) (Щbearing, drive shaft # bearing, driveshaft; ) (Bearing (17x47x15.25))

под заказ0 руб.
509166-17004-000

Запчасть снята с производства - The Spare Part Is Laid Off (thrust washer;) (The Spare Part Is Laid Off)

под заказ0 руб.
609440-26002-000

Запчасть снята с производства - The Spare Part Is Laid Off (Spring, driveshaft preload;) (The Spare Part Is Laid Off)

под заказ0 руб.
709167-20017-000

Запчасть снята с производства - The Spare Part Is Laid Off (Lock washer, driveshaft;) (The Spare Part Is Laid Off)

под заказ0 руб.
808331-21479-000

Стопорное кольцо - Circlip (Circlip)

под заказ180 руб.
808331-41479-000

   (актуальный код замены) Стопорное кольцо - Circlip

под заказ180 руб.
808331-41479-000

Стопорное кольцо - Circlip (Circlip)

под заказ180 руб.
957133-95200-000

Воротник, Pre Load Пружина - Collar, Pre Load Spring (Collar, preload spring # Collar, preload spring; ) (Collar, Pre Load Spring)

под заказ0 руб.
1509180-22019-000

Запчасть снята с производства - The Spare Part Is Laid Off (~5001-001460 ~6501-002027) (The Spare Part Is Laid Off)

под заказ0 руб.
1657310-95204-000

Комплект шестерёнок - Pinion & Gear Set (To 57300-95820) (Pinion & Gear Set)

под заказ0 руб.
1657301-95870-000

   (актуальный код замены) Запчасть снята с производства - The Spare Part Is Laid Off

под заказ0 руб.
1657301-95870-000

Комплект шестерёнок - Pinion & Gear Set (Pinion & Gear Set)

под заказ0 руб.
1857300-95820-000

Комплект шестерёнок - Pinion & Gear Set (~5001-001460 ~6501-002027) (Pinion & Gear Set)

под заказ0 руб.
1857301-95870-000

   (актуальный код замены) Запчасть снята с производства - The Spare Part Is Laid Off

под заказ0 руб.
1857301-95870-000

Комплект шестерёнок - Pinion & Gear Set (Pinion & Gear Set)

под заказ0 руб.
1857300-95821-000

Комплект шестерёнок - Pinion & Gear Set (~5001-001460 ~6501-002027 from 57, 300-95820) (Pinion & Gear Set)

под заказ0 руб.
1857301-95870-000

   (актуальный код замены) Запчасть снята с производства - The Spare Part Is Laid Off

под заказ0 руб.
1857301-95870-000

Комплект шестерёнок - Pinion & Gear Set (Pinion & Gear Set)

под заказ0 руб.
1857300-95840-000

Запчасть снята с производства - The Spare Part Is Laid Off (The Spare Part Is Laid Off)

под заказ0 руб.
1857300-95861-000

   (актуальный код замены) Запчасть снята с производства - The Spare Part Is Laid Off

под заказ0 руб.
1857300-95841-000

Запчасть снята с производства - The Spare Part Is Laid Off (From 57300-95840 to 57300-95860) (The Spare Part Is Laid Off)

под заказ0 руб.
1857300-95861-000

   (актуальный код замены) Запчасть снята с производства - The Spare Part Is Laid Off

под заказ0 руб.
1957300-95830-000

Запчасть снята с производства - The Spare Part Is Laid Off (~5001-001460 ~6501-002027 (dt50g, e9, g e13 dt50mg e1, mg e3, mg e9, mg e13, mg e28)) (The Spare Part Is Laid Off)

под заказ0 руб.
1957301-95880-000

   (актуальный код замены) Запчасть снята с производства - The Spare Part Is Laid Off

под заказ0 руб.
1957300-95831-000

Запчасть снята с производства - The Spare Part Is Laid Off (~5001-001460 ~6501-002027 (dt50g, e9, g e13 dt50mg e1, mg e3, mg e9, mg e13, mg e28) from 57300-95830) (The Spare Part Is Laid Off)

под заказ0 руб.
1957301-95880-000

   (актуальный код замены) Запчасть снята с производства - The Spare Part Is Laid Off

под заказ0 руб.
2009111-08030-000

Болт (8x27) - Bolt (8x27) (Bolt (8x27))

под заказ0 руб.
2109180-12087-000

Запчасть снята с производства - The Spare Part Is Laid Off (Spacer (12x16.5x6.5); 5001-001461~ 6501-002028~) (The Spare Part Is Laid Off)

под заказ0 руб.
2208211-10162-000

Регулировочная шайба (10x16x1.5) - Shim (10x16x15) (5001-001461~ 6501-002028~) (Shim (10x16x1.5))

под заказ150 руб.
2209181-10156-000

   (актуальный код замены) Регулировочная шайба (10x16x1.5) - Shim (10x16x1.5)

15 шт190 руб.
2209181-10156-000

Регулировочная шайба (10x16x1.5) - Shim (10x16x15) (Shim (10x16x1.5) ) (Shim (10x16x1.5))

15 шт190 руб.
2309140-10022-000

Гайка - Nut (5001-001461~ 6501-002028~ ) (Nut)

под заказ0 руб.
3057510-95201-000

Комплект шестерёнок - Pinion & Gear Set (To 57300-95820) (Pinion & Gear Set)

под заказ0 руб.
3057301-95870-000

   (актуальный код замены) Запчасть снята с производства - The Spare Part Is Laid Off

под заказ0 руб.
3057301-95870-000

Комплект шестерёнок - Pinion & Gear Set (Pinion & Gear Set)

под заказ0 руб.
3208211-20283-000

Шайба - Washer (Thrust washer (t:2) # Thrust washer (t:2); ) (Washer)

под заказ170 руб.
3357631-95200-000

Тяга толкателя - Rod, Push (Rod, Push)

под заказ830 руб.
3357631-95201-000

   (актуальный код замены) Тяга толкателя - Rod, Push

под заказ830 руб.
3357631-95201-000

Тяга толкателя - Rod, Push (Rod, Push)

под заказ830 руб.
3409209-08016-000

Штифт - Pin (Pin, push # Pin, push; ) (Pin)

20 шт390 руб.
34SK09209-08016

   (не оригинальный аналог) Слайдер переключения передач Skipper для Suzuki DF20-30/DT20-65

0 шт209 руб.
3557621-95203-000

Переключатель собачки сцепления - Shifter, Clutch Dog (Shifter, Clutch Dog)

под заказ0 руб.
3557621-95204-000

   (актуальный код замены) Запчасть снята с производства - The Spare Part Is Laid Off

под заказ0 руб.
3557621-95204-000

Переключатель собачки сцепления - Shifter, Clutch Dog (Shifter, clutch dog ) (Shifter, Clutch Dog)

под заказ0 руб.
3557621-95204-000

Переключатель собачки сцепления - Shifter, Clutch Dog (Shifter, clutch dog # From 57621-95203 ) (Shifter, Clutch Dog)

под заказ0 руб.
3609202-05017-000

Запчасть снята с производства - The Spare Part Is Laid Off (The Spare Part Is Laid Off)

под заказ0 руб.
3709440-41002-000

Пружина - Spring (Spring, dog; ) (Spring)

под заказ0 руб.
3809440-07018-000

Пружина - Spring (Spring)

под заказ160 руб.
3809440-07041-000

   (актуальный код замены) Пружина - Spring

5 шт160 руб.
3809440-07041-000

Пружина - Spring (Spring)

5 шт160 руб.
3957610-95203-000

под заказ0 руб.
3909202-05022-000

Штифт (5.5x38.5) - Pin (55x385) (Pin (5.5x38.5))

35 шт370 руб.
39SK09202-05022

   (не оригинальный аналог) Штифт шестерни переключения передач Skipper для Suzuki DT40-60/DF40-50

0 шт176 руб.
3957621-95206-000

Переключатель собачки сцепления - Shifter, Clutch Dog (Shifter, clutch dog ) (Shifter, Clutch Dog)

под заказ10900 руб.
3957631-95303-000

Тяга толкателя - Rod, Push (Rod, Push)

1 шт1400 руб.
3957634-88L00-000

Штифт толкателя - Pin, Push (Pin, Push)

под заказ850 руб.
3909440-08034-000

Пружина - Spring (Spring, return ) (Spring)

18 шт290 руб.
3957634-88L00-000

Штифт толкателя - Pin, Push (Pin, Push)

под заказ850 руб.
3909440-08034-000

Пружина - Spring (Spring, return ) (Spring)

18 шт290 руб.
3909440-08034-000

Пружина - Spring (Spring, return ) (Spring)

18 шт290 руб.
3957634-88L00-000

Штифт толкателя - Pin, Push (Pin, Push)

под заказ850 руб.
4457521-95201-000

Комплект шестерёнок - Pinion & Gear Set (To 57300-95820) (Pinion & Gear Set)

под заказ0 руб.
4457301-95870-000

   (актуальный код замены) Запчасть снята с производства - The Spare Part Is Laid Off

под заказ0 руб.
4457301-95870-000

Комплект шестерёнок - Pinion & Gear Set (Pinion & Gear Set)

под заказ0 руб.
5208113-60070-000

Подшипник (35x62x14) - Bearing (35x62x14) (Bearing (35x62x14))

под заказ4200 руб.
5209262-35070-000

   (актуальный код замены) Подшипник (35x62x14) - Bearing (35x62x14)

12 шт5080 руб.
52TAB007CV47NTN

   (подбор по маркировке) Подшипник NTN TAB007CV47(35*62*14 мм)

под заказ0
5209262-35070-000

Подшипник (35x62x14) - Bearing (35x62x14) (Bearing (35x62x14))

12 шт5080 руб.
52TAB007CV47NTN

   (подбор по маркировке) Подшипник NTN TAB007CV47(35*62*14 мм)

под заказ0
5309280-71001-000

Уплотнительное кольцо (d: 3.1, Id: 71) - O Ring (d:31, Id:71) (O Ring (d:3.1, Id:71))

под заказ0 руб.
5456121-95204-000

Корпус, Вал гребного винта - Housing, Propeller Shaft (Housing, propeller shaft ) (Housing, Propeller Shaft)

под заказ0 руб.
5509421-05005-000

Запчасть снята с производства - The Spare Part Is Laid Off (The Spare Part Is Laid Off)

под заказ0 руб.
5609140-06004-000

Гайка - Nut (Nut)

под заказ150 руб.
5609140-06020-000

   (актуальный код замены) Гайка - Nut

9 шт150 руб.
5609140-06020-000

Гайка - Nut (Nut)

9 шт150 руб.
5709162-06001-000

Шайба с блокировкой - Washer, Lock (Washer, Lock)

под заказ160 руб.
5709162-06006-000

   (актуальный код замены) Шайба с блокировкой - Washer, Lock

под заказ160 руб.
5709162-06006-000

Шайба с блокировкой - Washer, Lock (Lock washer ) (Washer, Lock)

под заказ160 руб.
5809127-06005-000

Запчасть снята с производства - The Spare Part Is Laid Off (The Spare Part Is Laid Off)

под заказ0 руб.
5909263-22020-000

Подшипник (22.2x28.5x19) - Bearing (222x285x19) (Bearing # Bearing, propeller shaft; ) (Bearing (22.2x28.5x19))

5 шт2090 руб.
59SK09263-22020

   (не оригинальный аналог) Подшипник игольчатый гребного вала Skipper для Suzuki DT40, DF40-50, DF40A-60A

0 шт1850 руб.
59B1412KOYO

   (подбор по маркировке) Подшипник KOYO B1412(22.225x28.575x19.05 мм)

под заказ0
6009289-22006-000

Сальник (22x35x5) - Seal, Oil (22x35x5) (22x35x10.7) (Seal, Oil (22x35x5))

под заказ530 руб.
6009289-22007-000

   (актуальный код замены) Сальник (22x35x5) - Seal, Oil (22x35x5)

151 шт560 руб.
60SC-OL302

   (не оригинальный аналог) Сальник редуктора Suzuki SC-OL302

под заказ230 руб.
6009289-22007-000

Сальник (22x35x5) - Seal, Oil (22x35x5) (Seal, Oil (22x35x5))

151 шт560 руб.
60SK09289-22007

   (не оригинальный аналог) Сальник гребного вала Skipper для Suzuki Модели техники: DT40, DF40-50, DF40A-60A

0 шт95 руб.
6109387-37001-000

Установочное кольцо - Set, Ring (Ring, propeller shaft oil seal # Ring, propeller shaft oil seal; ) (Set, Ring)

под заказ0 руб.
6209381-82001-000

Запчасть снята с производства - The Spare Part Is Laid Off (The Spare Part Is Laid Off)

под заказ0 руб.
6358161-95301-000

Кольцо, Гребной винт Сальник - Ring, Propeller Seal (Seal ring, propeller ) (Ring, Propeller Seal)

под заказ0 руб.


Время выполнения запроса 3.0321290493011 сек.

 
 

данный сайт носит информационный характер и не является публичной офертой

склад запчастей для водомоторной техники