Комплектующие на подвесной двигатель Сузуки модель 1982 года - Carburetor - Карбюратор
вконтакте

Контактный телефон: +7 (981) 121-46-93, +7 (800) 200-90-76 , Email: parts-katalog@yandex.ru, где купить

 
 

  Логин:

Пароль:

Регистрация

www.partskatalog.ru Все каталоги Запчасти Mercury Запчасти Suzuki Запчасти Tohatsu Запчасти Honda Контакты



УВАЖАЕМЫЕ КЛИЕНТЫ!
C 19 ДЕКАБРЯ 2025 ПО 02 МАРТА 2026 ГОДА ОТДЕЛ ЗАПЧАСТЕЙ И СЕРВИС РАБОТАТЬ НЕ БУДУТ
ПРОДАЖА ЛОДОЧНЫХ МОТОРОВ В ШТАТНОМ РЕЖИМЕ
ОБ ИЗМЕНЕНИЯХ В ГРАФИКЕ РАБОТЫ ЧИТАЙТЕ НА САЙТА



назад Раздел:   вперёд

Вернуться к выбору узлов мотора


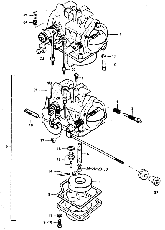
ДЕТАЛИРОВКА ДЛЯ МОДЕЛИ: SUZUKI DT50WVZ(M/T) Z

Карбюратор


Год выпуска двигателя: 1982

Номер на
рисунке
АртикулНаименованиеQTYКол-во
на складе
Цена
113201-95223-000

Запчасть снята с производства - The Spare Part Is Laid Off (Stamp:95223) (The Spare Part Is Laid Off)

под заказ0 руб.
113201-95270-000

   (актуальный код замены) Запчасть снята с производства - The Spare Part Is Laid Off

под заказ0 руб.
213202-95223-000

Запчасть снята с производства - The Spare Part Is Laid Off (Stamp:95223) (The Spare Part Is Laid Off)

под заказ0 руб.
213202-95270-000

   (актуальный код замены) Запчасть снята с производства - The Spare Part Is Laid Off

под заказ0 руб.
309492-85001-000

Контрольная форсунка (85) - Jet, Pilot (85) (Jet, pilot (#85) # jet, pilot (85); ) (Jet, Pilot (85))

под заказ0 руб.
413271-93311-000

Пружина - Spring (Spring, air screw # spring, air screw; ) (Spring)

1 шт350 руб.
513269-95210-000

Винт контроля воздуха - Screw, Pilot Air (Adjustor # adjuster; ) (Screw, Pilot Air)

под заказ810 руб.
613235-95210-000

Nozzle - Nozzle (Nozzle, main # nozzle; ) (Nozzle)

под заказ3240 руб.
713250-93012-000

Поплавок - Float (float; ) (Float)

под заказ1950 руб.
813251-95210-000

Прокладка поплавковой камеры - Gasket, Float Cahmber (Gasket, Float Cahmber)

под заказ840 руб.
813251-95220-000

   (актуальный код замены) Прокладка поплавковой камеры - Gasket, Float Cahmber

под заказ840 руб.
813251-95220-000

Прокладка поплавковой камеры - Gasket, Float Cahmber (Gasket, Float Cahmber)

под заказ840 руб.
913611-95211-000

Запчасть снята с производства - The Spare Part Is Laid Off (The Spare Part Is Laid Off)

под заказ0 руб.
913611-95212-000

   (актуальный код замены) Запчасть снята с производства - The Spare Part Is Laid Off

под заказ0 руб.
1013611-95212-000

Запчасть снята с производства - The Spare Part Is Laid Off (bolt; From 13611-95220) (The Spare Part Is Laid Off)

под заказ0 руб.
1109162-05002-000

Шайба с блокировкой - Washer, Lock (Lock washer # lock washer; ) (Washer, Lock)

под заказ130 руб.
1213577-22600-000

Регулятор, Кабели - Adjuster, Cable (Adjuster, cable # adjuster, cable; ) (Adjuster, Cable)

под заказ510 руб.
1313661-03010-000

Гайка - Nut (Nut, adjuster # nut; ) (Nut)

под заказ350 руб.
1413254-93010-000

Стопор поплавка - Pin, Float (Pin, Float)

под заказ240 руб.
1413254-98300-000

   (актуальный код замены) Стопор поплавка - Pin, Float

под заказ240 руб.
1413254-98300-000

Стопор поплавка - Pin, Float (Pin, float ) (Pin, Float)

под заказ240 руб.
1513370-28110-000

Игольчатый клапан, в сборе - Valve Assy, Needle (Valve assy, needle # needle valve; ) (Valve Assy, Needle)

4 шт4350 руб.
1613392-58600-000

Прокладка седла клапана - Gasket, Valve Seat (Gasket, valve seat # gasket; ) (Gasket, Valve Seat)

1 шт150 руб.
1713582-95216-000

Гайка, Тяга дросселя - Nut, Throttle Rod (Щnut (top carbu) # nut; ) (Nut, Throttle Rod)

под заказ530 руб.
1801411-08208-000

Болт под шпильку - Bolt, Stud (Bolt, Stud)

под заказ170 руб.
1801411-0820B-000

   (актуальный код замены) Болт под шпильку - Bolt, Stud

под заказ170 руб.
1801411-0820B-000

Болт под шпильку - Bolt, Stud (Bolt, Stud)

под заказ170 руб.
1913599-95212-000

Запчасть снята с производства - The Spare Part Is Laid Off (nut;) (The Spare Part Is Laid Off)

под заказ0 руб.
2013599-95211-000

Гайка - Nut (Nut # nut; ) (Nut)

под заказ1490 руб.
2113582-95219-000

Запчасть снята с производства - The Spare Part Is Laid Off (nut;) (The Spare Part Is Laid Off)

под заказ0 руб.
2213599-95210-000

Гайка - Nut (Nut # nut; ) (Nut)

под заказ470 руб.
2313582-95216-000

Гайка, Тяга дросселя - Nut, Throttle Rod (Щnut (top carbu) # nut; ) (Nut, Throttle Rod)

под заказ530 руб.
2413268-96110-000

Пружина, Дроссель Винт - Spring, Throttle Screw (spring;) (Spring, Throttle Screw)

под заказ350 руб.
2413268-96111-000

   (актуальный код замены) Пружина, Дроссель Винт - Spring, Throttle Screw

под заказ350 руб.
2413268-96111-000

Пружина, Дроссель Винт - Spring, Throttle Screw (Spring, throttle screw ) (Spring, Throttle Screw)

под заказ350 руб.
2513267-95211-000

Винт - Screw (Screw)

под заказ320 руб.
2513267-93900-000

   (актуальный код замены) Винт - Screw

под заказ320 руб.
2513267-93900-000

Винт - Screw (Screw, throttle ) (Screw)

под заказ320 руб.
2609491-33001-000

Главная форсунка (165) - Jet, Main (165) (Jet, Main (165))

под заказ880 руб.
2609491-33004-000

   (актуальный код замены) Главная форсунка (165) - Jet, Main (165)

под заказ880 руб.
2609491-33004-000

Главная форсунка (165) - Jet, Main (165) (Jet, main (#165) ) (Jet, Main (165))

под заказ880 руб.
2713631-93500-000

Рукоятка стартера - Knob, Starter (Knob, Starter)

под заказ460 руб.
2713631-93501-000

   (актуальный код замены) Рукоятка стартера - Knob, Starter

2 шт460 руб.
2713631-93501-000

Рукоятка стартера - Knob, Starter (Knob, Starter)

2 шт460 руб.
2809491-31003-000

Контрольная форсунка (155) - Jet, Pilot (155) (Jet, main (155); Opt) (Jet, Pilot (155))

под заказ0 руб.
2809491-31014-000

   (актуальный код замены) Запчасть снята с производства - The Spare Part Is Laid Off

под заказ0 руб.
2809491-31014-000

Контрольная форсунка (155) - Jet, Pilot (155) (Jet, Pilot (155))

под заказ0 руб.
2909491-32006-000

Главная форсунка (160) - Jet, Main (160) (Jet, main (160); Opt) (Jet, Main (160))

под заказ1120 руб.
2909491-32012-000

   (актуальный код замены) Главная форсунка (160) - Jet, Main (160)

2 шт1120 руб.
2909491-32012-000

Главная форсунка (160) - Jet, Main (160) (Jet, main (160) ) (Jet, Main (160))

2 шт1120 руб.
3009491-34004-000

Запчасть снята с производства - The Spare Part Is Laid Off (Opt) (The Spare Part Is Laid Off)

под заказ0 руб.
3009491-34008-000

   (актуальный код замены) Запчасть снята с производства - The Spare Part Is Laid Off

под заказ0 руб.


Время выполнения запроса 2.160896062851 сек.

 
 

данный сайт носит информационный характер и не является публичной офертой

склад запчастей для водомоторной техники