Подобрать оригинальные запчасти на подвесной двигатель Suzuki модель 1982 года - Fuel pump
вконтакте

Контактный телефон: +7 (981) 121-46-93, +7 (800) 200-90-76 , Email: parts-katalog@yandex.ru, где купить

 
 

  Логин:

Пароль:

Регистрация

www.partskatalog.ru Все каталоги Запчасти Mercury Запчасти Suzuki Запчасти Tohatsu Запчасти Honda Контакты



УВАЖАЕМЫЕ КЛИЕНТЫ!
C 19 ДЕКАБРЯ 2025 ПО 02 МАРТА 2026 ГОДА ОТДЕЛ ЗАПЧАСТЕЙ И СЕРВИС РАБОТАТЬ НЕ БУДУТ
ПРОДАЖА ЛОДОЧНЫХ МОТОРОВ В ШТАТНОМ РЕЖИМЕ
ОБ ИЗМЕНЕНИЯХ В ГРАФИКЕ РАБОТЫ ЧИТАЙТЕ НА САЙТА



назад Раздел:   вперёд

Вернуться к выбору узлов мотора


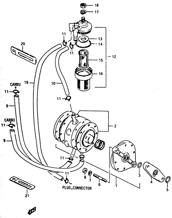
ДЕТАЛИРОВКА ДЛЯ МОДЕЛИ: SUZUKI DT50WVZ(M/T) Z

Топливный насос


Год выпуска двигателя: 1982

Номер на
рисунке
АртикулНаименованиеQTYКол-во
на складе
Цена
115100-95201-000

Запчасть снята с производства - The Spare Part Is Laid Off (Model g) (The Spare Part Is Laid Off)

под заказ0 руб.
115100-9520V-000

   (актуальный код замены) Запчасть снята с производства - The Spare Part Is Laid Off

под заказ0 руб.
115100-95202-000

Запчасть снята с производства - The Spare Part Is Laid Off (Model g from 15100-95201) (The Spare Part Is Laid Off)

под заказ0 руб.
115100-9520V-000

   (актуальный код замены) Запчасть снята с производства - The Spare Part Is Laid Off

под заказ0 руб.
115100-95203-000

Запчасть снята с производства - The Spare Part Is Laid Off (From 15100-95202) (The Spare Part Is Laid Off)

под заказ0 руб.
115100-9520V-000

   (актуальный код замены) Запчасть снята с производства - The Spare Part Is Laid Off

под заказ0 руб.
215170-95500-000

Диафрагма Set - Diaphragm Set (From 15170-95810) (Diaphragm Set)

под заказ4010 руб.
215100-7281V-000

   (актуальный код замены) Диафрагма Set - Diaphragm Set

под заказ4010 руб.
215100-7281V-000

Диафрагма Set - Diaphragm Set (Diaphragm Set)

под заказ4010 руб.
215100-7281V-000

Диафрагма Set - Diaphragm Set (Diaphragm Set)

под заказ4010 руб.
215100-7281V-000

Диафрагма Set - Diaphragm Set (Diaphragm Set)

под заказ4010 руб.
315165-93010-000

Уплотнительное кольцо, Топливный насос - O Ring, Fuel Pump (O ring # o ring; ) (O Ring, Fuel Pump)

под заказ460 руб.
415322-93000-000

Изолятор, Fuel, Помпа - Insulator, Fuel, Pump (Insulator # Insulator, fuel pump; ) (Insulator, Fuel, Pump)

под заказ0 руб.
509280-12002-000

Уплотнительное кольцо, D: 2.4, Id: 11.8 - O Ring, D:24, Id:118 (O ring, fuel pump ) (O Ring, D:2.4, Id:11.8)

под заказ120 руб.
601421-06258-000

Болт под шпильку - Bolt, Stud (Bolt, Stud)

под заказ190 руб.
601421-06257-000

   (актуальный код замены) Болт под шпильку - Bolt, Stud

под заказ190 руб.
601421-06257-000

Болт под шпильку - Bolt, Stud (Stud bolt ) (Bolt, Stud)

под заказ190 руб.
708321-21068-000

Шайба с блокировкой - Washer, Lock (Washer, Lock)

под заказ140 руб.
708321-01067-000

   (актуальный код замены) Шайба с блокировкой - Washer, Lock

под заказ140 руб.
708321-01067-000

Шайба с блокировкой - Washer, Lock (Washer, Lock)

под заказ140 руб.
808310-11068-000

Гайка - Nut (Nut)

под заказ140 руб.
808310-00067-000

   (актуальный код замены) Гайка - Nut

под заказ140 руб.
808310-00067-000

Гайка - Nut (Nut)

под заказ140 руб.
909343-05137-000

Шланг (5x9x600) - Hose (5x9x600) (Hose (5x9x600))

под заказ570 руб.
909352-50006-600

   (актуальный код замены) Шланг (5x9x600) - Hose (5x9x600)

1 шт570 руб.
909352-50903-600

Шланг (5x9x600) - Hose (5x9x600) (Hose (5x9x600))

под заказ570 руб.
909352-50006-600

   (актуальный код замены) Шланг (5x9x600) - Hose (5x9x600)

1 шт570 руб.
1009343-05137-000

Шланг (5x9x600) - Hose (5x9x600) (Model g) (Hose (5x9x600))

под заказ570 руб.
1009352-50006-600

   (актуальный код замены) Шланг (5x9x600) - Hose (5x9x600)

1 шт570 руб.
1009352-50903-600

Шланг (5x9x600) - Hose (5x9x600) (Hose (5x9x600))

под заказ570 руб.
1009352-50006-600

   (актуальный код замены) Шланг (5x9x600) - Hose (5x9x600)

1 шт570 руб.
1109401-09402-000

Зажим - Clip (Clip)

под заказ130 руб.
1109401-08410-000

   (актуальный код замены) Зажим - Clip

под заказ130 руб.
1109401-08410-000

Зажим - Clip (Clip)

под заказ130 руб.
1215410-93400-000

Топливный фильтр в сборе - Filter Assy, Fuel (Filter Assy, Fuel)

под заказ2280 руб.
1215410-94401-000

   (актуальный код замены) Топливный фильтр в сборе - Filter Assy, Fuel

32 шт2280 руб.
1215410-94400-000

Топливный фильтр в сборе - Filter Assy, Fuel (Filter Assy, Fuel)

3 шт2280 руб.
1215410-94401-000

   (актуальный код замены) Топливный фильтр в сборе - Filter Assy, Fuel

32 шт2280 руб.
1315416-93400-000

Запчасть снята с производства - The Spare Part Is Laid Off (The Spare Part Is Laid Off)

под заказ0 руб.
1415415-93400-000

Уплотнительное кольцо - O Ring (O ring # o ring; ) (O Ring)

под заказ290 руб.
1515412-93400-000

Фильтр Set - Filter Set (Filter Set)

под заказ1360 руб.
1515430-93412-000

   (актуальный код замены) Фильтр Set - Filter Set

под заказ1360 руб.
1515430-93410-000

Фильтр Set - Filter Set (Strainer set ) (Filter Set)

под заказ1360 руб.
1515430-93412-000

   (актуальный код замены) Фильтр Set - Filter Set

под заказ1360 руб.
1615413-93400-000

Cвыше - Cup (Cup # cup; ) (Cup)

под заказ0 руб.
1708321-21088-000

Шайба с блокировкой - Washer, Lock (Washer, Lock)

под заказ140 руб.
1708321-01087-000

   (актуальный код замены) Шайба с блокировкой - Washer, Lock

под заказ140 руб.
1708321-01087-000

Шайба с блокировкой - Washer, Lock (Washer, lock ) (Washer, Lock)

под заказ140 руб.
1808310-22088-000

Гайка - Nut (Nut)

под заказ140 руб.
1808310-00087-000

   (актуальный код замены) Гайка - Nut

под заказ140 руб.
1808310-00087-000

Гайка - Nut (Nut)

под заказ140 руб.
2009404-06413-000

Струбцина (l: 65) - Clamp (l:65) (Clamp (l:70);) (Clamp (l:65))

под заказ170 руб.
2009404-06039-000

   (актуальный код замены) Струбцина (l: 65) - Clamp (l:65)

под заказ170 руб.
2009404-06432-000

Струбцина (l: 65) - Clamp (l:65) (Clamp (l:80) ) (Clamp (l:65))

8 шт170 руб.
2009404-06039-000

   (актуальный код замены) Струбцина (l: 65) - Clamp (l:65)

под заказ170 руб.
2109404-06414-000

Струбцина (l: 80) - Clamp (l:80) (Clamp (l:80))

под заказ230 руб.
2109404-06436-000

   (актуальный код замены) Струбцина (l: 80) - Clamp (l:80)

под заказ230 руб.
2109404-06433-000

Струбцина (l: 80) - Clamp (l:80) (Clamp (l:80) ) (Clamp (l:80))

под заказ230 руб.
2109404-06436-000

   (актуальный код замены) Струбцина (l: 80) - Clamp (l:80)

под заказ230 руб.


Время выполнения запроса 2.0775899887085 сек.

 
 

данный сайт носит информационный характер и не является публичной офертой

склад запчастей для водомоторной техники