Купить запчасти на подвесной лодочный двигатель SUZUKI модель 1982 года - Throttle / clutch control - Дроссель / Сцепление Управление
вконтакте

Контактный телефон: +7 (981) 121-46-93, +7 (800) 200-90-76 , Email: parts-katalog@yandex.ru, где купить

 
 

  Логин:

Пароль:

Регистрация

www.partskatalog.ru Все каталоги Запчасти Mercury Запчасти Suzuki Запчасти Tohatsu Запчасти Honda Контакты



УВАЖАЕМЫЕ КЛИЕНТЫ!
C 19 ДЕКАБРЯ 2025 ПО 02 МАРТА 2026 ГОДА ОТДЕЛ ЗАПЧАСТЕЙ И СЕРВИС РАБОТАТЬ НЕ БУДУТ
ПРОДАЖА ЛОДОЧНЫХ МОТОРОВ В ШТАТНОМ РЕЖИМЕ
ОБ ИЗМЕНЕНИЯХ В ГРАФИКЕ РАБОТЫ ЧИТАЙТЕ НА САЙТА



назад Раздел:   вперёд

Вернуться к выбору узлов мотора


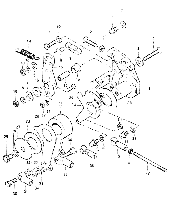
ДЕТАЛИРОВКА ДЛЯ МОДЕЛИ: SUZUKI DT50WVZ(M/T) Z

Дроссель / Сцепление Управление


Год выпуска двигателя: 1982

Номер на
рисунке
АртикулНаименованиеQTYКол-во
на складе
Цена
167461-95302-01J

Запчасть снята с производства - The Spare Part Is Laid Off (The Spare Part Is Laid Off)

под заказ0 руб.
209100-06035-000

Болт (6x40) - Bolt (6x40) (To 09100-06097) (Bolt (6x40))

под заказ320 руб.
209117-06043-000

   (актуальный код замены) Болт (6x40) - Bolt (6x40)

под заказ320 руб.
209117-06043-000

Болт (6x40) - Bolt (6x40) (Bolt (6x40) ) (Bolt (6x40))

под заказ320 руб.
209100-06097-000

Болт (6x40) - Bolt (6x40) (Bolt (6x40))

под заказ320 руб.
209117-06043-000

   (актуальный код замены) Болт (6x40) - Bolt (6x40)

под заказ320 руб.
209117-06043-000

Болт (6x40) - Bolt (6x40) (Bolt (6x40) ) (Bolt (6x40))

под заказ320 руб.
309160-06036-000

Шайба (6.5x18x1.5) - Washer (65x18x15) (Washer, 6.5x18x1.5 # Washer (6.5x18x1.5); ) (Washer (6.5x18x1.5))

под заказ150 руб.
409140-06004-000

Гайка - Nut (Nut)

под заказ150 руб.
409140-06020-000

   (актуальный код замены) Гайка - Nut

9 шт150 руб.
409140-06020-000

Гайка - Nut (Nut)

9 шт150 руб.
509100-06083-000

Болт (6x30) - Bolt (6x30) (Bolt (6*30) ) (Bolt (6x30))

под заказ0 руб.
609119-05010-000

Стержень - Pivot (Pivot, throttle lever ) (Pivot)

под заказ500 руб.
709160-05010-000

Шайба (5.5x12x0.8) - Washer (55x12x08) (Washer (5.5x12x0.8))

под заказ130 руб.
709160-05029-000

   (актуальный код замены) Шайба (5.5x12x0.8) - Washer (5.5x12x0.8)

14 шт130 руб.
709160-05029-000

Шайба (5.5x12x0.8) - Washer (55x12x08) (Washer (5.5x12x0.8))

14 шт130 руб.
867468-95301-000

Коннектор, Spark Advance - Connector, Spark Advance (Connector, spark advance ) (Connector, Spark Advance)

под заказ0 руб.
909119-05011-000

Стержень - Pivot (Pivot)

под заказ500 руб.
909119-05010-000

   (актуальный код замены) Стержень - Pivot

под заказ500 руб.
909119-05010-000

Стержень - Pivot (Pivot, throttle lever ) (Pivot)

под заказ500 руб.
1008321-21068-000

Шайба с блокировкой - Washer, Lock (Washer, Lock)

под заказ140 руб.
1008321-01067-000

   (актуальный код замены) Шайба с блокировкой - Washer, Lock

под заказ140 руб.
1008321-01067-000

Шайба с блокировкой - Washer, Lock (Washer, Lock)

под заказ140 руб.
1101107-06208-000

Болт - Bolt (Bolt)

под заказ150 руб.
1101500-06207-000

   (актуальный код замены) Болт - Bolt

под заказ150 руб.
1101500-06207-000

Болт - Bolt (Bolt)

под заказ150 руб.
1101907-06208-000

Болт - Bolt (Model vz) (Bolt)

под заказ150 руб.
1101500-06207-000

   (актуальный код замены) Болт - Bolt

под заказ150 руб.
1101500-06207-000

Болт - Bolt (Bolt)

под заказ150 руб.
1209162-05002-000

Шайба с блокировкой - Washer, Lock (Lock washer # Lock washer; ) (Washer, Lock)

под заказ130 руб.
1309140-05001-000

Гайка - Nut (Nut)

под заказ220 руб.
1309140-05005-000

   (актуальный код замены) Гайка - Nut

10 шт270 руб.
1309140-05005-000

Гайка - Nut (Nut)

10 шт270 руб.
1409443-09010-000

Запчасть снята с производства - The Spare Part Is Laid Off (The Spare Part Is Laid Off)

под заказ0 руб.
1409443-13010-000

   (актуальный код замены) Запчасть снята с производства - The Spare Part Is Laid Off

под заказ0 руб.
1567475-95300-01J

Запчасть снята с производства - The Spare Part Is Laid Off (The Spare Part Is Laid Off)

под заказ0 руб.
1567475-95302-02M

   (актуальный код замены) Запчасть снята с производства - The Spare Part Is Laid Off

под заказ0 руб.
1609301-09001-000

Запчасть снята с производства - The Spare Part Is Laid Off (The Spare Part Is Laid Off)

под заказ0 руб.
1709180-06077-000

Запчасть снята с производства - The Spare Part Is Laid Off (Spacer (6.1x9x23);) (The Spare Part Is Laid Off)

под заказ0 руб.
1809162-06001-000

Шайба с блокировкой - Washer, Lock (Washer, Lock)

под заказ160 руб.
1809162-06006-000

   (актуальный код замены) Шайба с блокировкой - Washer, Lock

под заказ160 руб.
1809162-06006-000

Шайба с блокировкой - Washer, Lock (Lock washer ) (Washer, Lock)

под заказ160 руб.
1909140-06004-000

Гайка - Nut (Nut)

под заказ150 руб.
1909140-06020-000

   (актуальный код замены) Гайка - Nut

9 шт150 руб.
1909140-06020-000

Гайка - Nut (Nut)

9 шт150 руб.
2009123-05007-000

Запчасть снята с производства - The Spare Part Is Laid Off (Screw (5x15);) (The Spare Part Is Laid Off)

под заказ0 руб.
2109162-05002-000

Шайба с блокировкой - Washer, Lock (Lock washer # Lock washer; ) (Washer, Lock)

под заказ130 руб.
2209140-05001-000

Гайка - Nut (Nut)

под заказ220 руб.
2209140-05005-000

   (актуальный код замены) Гайка - Nut

10 шт270 руб.
2209140-05005-000

Гайка - Nut (Nut)

10 шт270 руб.
2309306-25001-000

Запчасть снята с производства - The Spare Part Is Laid Off (The Spare Part Is Laid Off)

под заказ0 руб.
2467462-95300-000

Запчасть снята с производства - The Spare Part Is Laid Off (The Spare Part Is Laid Off)

под заказ0 руб.
2467462-95301-000

   (актуальный код замены) Запчасть снята с производства - The Spare Part Is Laid Off

под заказ0 руб.
2509180-25058-000

Запчасть снята с производства - The Spare Part Is Laid Off (The Spare Part Is Laid Off)

под заказ0 руб.
2667465-95300-000

Запчасть снята с производства - The Spare Part Is Laid Off (The Spare Part Is Laid Off)

под заказ0 руб.
2667465-95311-000

   (актуальный код замены) Запчасть снята с производства - The Spare Part Is Laid Off

под заказ0 руб.
2709160-08040-000

Запчасть снята с производства - The Spare Part Is Laid Off (Washer (8.5x46x2);) (The Spare Part Is Laid Off)

под заказ0 руб.
2809162-08003-000

Шайба с блокировкой - Washer, Lock (Washer, Lock)

под заказ160 руб.
2809162-08007-000

   (актуальный код замены) Шайба с блокировкой - Washer, Lock

под заказ160 руб.
2809162-08007-000

Шайба с блокировкой - Washer, Lock (Lock washer ) (Washer, Lock)

под заказ160 руб.
2909100-08090-000

Запчасть снята с производства - The Spare Part Is Laid Off (The Spare Part Is Laid Off)

под заказ0 руб.
3009111-06021-000

Болт (6x17) - Bolt (6x17) (Bolt (6x17))

под заказ860 руб.
3009111-06064-000

   (актуальный код замены) Болт (6x17) - Bolt (6x17)

15 шт860 руб.
3009111-06064-000

Болт (6x17) - Bolt (6x17) (Bolt, clutch control arm ) (Bolt (6x17))

15 шт860 руб.
3167467-95200-000

Коннектор, Remote Кабели - Connector, Remote Cable (Black, to 67467-95201) (Connector, Remote Cable)

под заказ0 руб.
3167467-95201-000

   (актуальный код замены) Запчасть снята с производства - The Spare Part Is Laid Off

под заказ0 руб.
3167467-95201-000

Коннектор, Remote Кабели - Connector, Remote Cable (Connector, Remote Cable)

под заказ0 руб.
3167467-95201-000

Коннектор, Remote Кабели - Connector, Remote Cable (Connector, clutch cable; ) (Connector, Remote Cable)

под заказ0 руб.
3209162-06001-000

Шайба с блокировкой - Washer, Lock (Washer, Lock)

под заказ160 руб.
3209162-06006-000

   (актуальный код замены) Шайба с блокировкой - Washer, Lock

под заказ160 руб.
3209162-06006-000

Шайба с блокировкой - Washer, Lock (Lock washer ) (Washer, Lock)

под заказ160 руб.
3309160-06015-000

Шайба (6.5x13x1.0) - Washer (65x13x10) (Washer (6.5x13x1.0))

под заказ120 руб.
3309160-06082-000

   (актуальный код замены) Шайба (6.5x13x1.0) - Washer (6.5x13x1.0)

7 шт150 руб.
3309160-06082-000

Шайба (6.5x13x1.0) - Washer (65x13x10) (Washer (6.5x13x1.0))

7 шт150 руб.
3409140-06004-000

Гайка - Nut (Nut)

под заказ150 руб.
3409140-06020-000

   (актуальный код замены) Гайка - Nut

9 шт150 руб.
3409140-06020-000

Гайка - Nut (Nut)

9 шт150 руб.
3667466-95200-000

Коннектор - Connector (Connector, throttle cable # Connector, remote control; Black ) (Connector)

18 шт560 руб.
3709119-06039-000

Стержень - Pivot (Pivot)

под заказ520 руб.
3709119-06047-000

   (актуальный код замены) Стержень - Pivot

21 шт520 руб.
3709119-06047-000

Стержень - Pivot (Pivot, ball ) (Pivot)

21 шт520 руб.
3709119-06047-000

Стержень - Pivot (Pivot, ball ) (Pivot)

21 шт520 руб.
3809162-06001-000

Шайба с блокировкой - Washer, Lock (Washer, Lock)

под заказ160 руб.
3809162-06006-000

   (актуальный код замены) Шайба с блокировкой - Washer, Lock

под заказ160 руб.
3809162-06006-000

Шайба с блокировкой - Washer, Lock (Lock washer ) (Washer, Lock)

под заказ160 руб.
3908316-26068-000

Гайка - Nut (Nut)

под заказ170 руб.
3908316-2006A-000

   (актуальный код замены) Гайка - Nut

под заказ170 руб.
3908316-2006A-000

Гайка - Nut (Nut)

под заказ170 руб.
4109140-05001-000

Гайка - Nut (Nut)

под заказ220 руб.
4109140-05005-000

   (актуальный код замены) Гайка - Nut

10 шт270 руб.
4109140-05005-000

Гайка - Nut (Nut)

10 шт270 руб.
4108310-11058-000

Гайка - Nut (Nut)

под заказ140 руб.
4108310-00057-000

   (актуальный код замены) Гайка - Nut

под заказ140 руб.
4108310-00057-000

Гайка - Nut (Nut)

под заказ140 руб.
4267464-95201-000

Запчасть снята с производства - The Spare Part Is Laid Off (The Spare Part Is Laid Off)

под заказ0 руб.
4267464-95202-000

   (актуальный код замены) Запчасть снята с производства - The Spare Part Is Laid Off

под заказ0 руб.


Время выполнения запроса 1.8421981334686 сек.

 
 

данный сайт носит информационный характер и не является публичной офертой

склад запчастей для водомоторной техники