Найти запчасти на подвесной мотор SUZUKI модель 1982 года - Электрика
вконтакте

Контактный телефон: +7 (981) 121-46-93, +7 (800) 200-90-76 , Email: parts-katalog@yandex.ru, где купить

 
 

  Логин:

Пароль:

Регистрация

www.partskatalog.ru Все каталоги Запчасти Mercury Запчасти Suzuki Запчасти Tohatsu Запчасти Honda Контакты



УВАЖАЕМЫЕ КЛИЕНТЫ!
C 19 ДЕКАБРЯ 2025 ПО 02 МАРТА 2026 ГОДА ОТДЕЛ ЗАПЧАСТЕЙ И СЕРВИС РАБОТАТЬ НЕ БУДУТ
ПРОДАЖА ЛОДОЧНЫХ МОТОРОВ В ШТАТНОМ РЕЖИМЕ
ОБ ИЗМЕНЕНИЯХ В ГРАФИКЕ РАБОТЫ ЧИТАЙТЕ НА САЙТА



назад Раздел:   вперёд

Вернуться к выбору узлов мотора


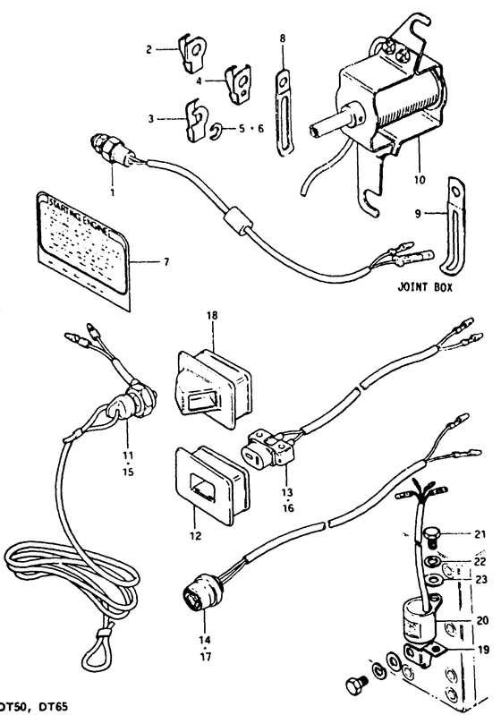
ДЕТАЛИРОВКА ДЛЯ МОДЕЛИ: SUZUKI DT50WVZ(M/T) Z

Электрика


Год выпуска двигателя: 1982

Номер на
рисунке
АртикулНаименованиеQTYКол-во
на складе
Цена
137721-95252-000

Выключатель нейтрали, в сборе - Switch Assy, Neutral (From 37721-95251) (Switch Assy, Neutral)

под заказ0 руб.
137721-95255-000

   (актуальный код замены) Запчасть снята с производства - The Spare Part Is Laid Off

под заказ0 руб.
137721-95255-000

Выключатель нейтрали, в сборе - Switch Assy, Neutral (Switch assy, neutral ) (Switch Assy, Neutral)

под заказ0 руб.
437725-95300-000

Пускатель переключателя нейтрали - Actuator, Neutral Switch (Actuator, neutral sw # Actuator, neutral switch; Model j/vz ) (Actuator, Neutral Switch)

под заказ710 руб.
737149-95300-000

Запчасть снята с производства - The Spare Part Is Laid Off (The Spare Part Is Laid Off)

под заказ0 руб.
809404-06412-000

Струбцина (l: 65) - Clamp (l:65) (Clamp (l:65))

под заказ170 руб.
809404-06039-000

   (актуальный код замены) Струбцина (l: 65) - Clamp (l:65)

под заказ170 руб.
809404-06432-000

Струбцина (l: 65) - Clamp (l:65) (Clamp (l:80) ) (Clamp (l:65))

8 шт170 руб.
809404-06039-000

   (актуальный код замены) Струбцина (l: 65) - Clamp (l:65)

под заказ170 руб.
909404-06412-000

Струбцина (l: 65) - Clamp (l:65) (Clamp (l:65))

под заказ170 руб.
909404-06039-000

   (актуальный код замены) Струбцина (l: 65) - Clamp (l:65)

под заказ170 руб.
909404-06432-000

Струбцина (l: 65) - Clamp (l:65) (Clamp (l:80) ) (Clamp (l:65))

8 шт170 руб.
909404-06039-000

   (актуальный код замены) Струбцина (l: 65) - Clamp (l:65)

под заказ170 руб.
1038600-95251-000

Запчасть снята с производства - The Spare Part Is Laid Off (The Spare Part Is Laid Off)

под заказ0 руб.
1038600-95253-000

   (актуальный код замены) Запчасть снята с производства - The Spare Part Is Laid Off

под заказ0 руб.
1137820-95252-000

Аварийный выключатель, в сборе - Switch Assy, Emergency (Dt50mg (e1, e3, e9, e13, e28)) (Switch Assy, Emergency)

под заказ4710 руб.
1137820-92E03-000

   (актуальный код замены) Аварийный выключатель, в сборе - Switch Assy, Emergency

под заказ4710 руб.
1137820-92E04-000

Аварийный выключатель, в сборе - Switch Assy, Emergency (Switch Assy, Emergency)

под заказ4710 руб.
1137820-92E05-000

   (актуальный код замены) Аварийный выключатель, в сборе - Switch Assy, Emergency

1 шт4710 руб.
1236656-95210-000

Запчасть снята с производства - The Spare Part Is Laid Off (Dt50mg (e1, e3, e9, e13, e28)) (The Spare Part Is Laid Off)

под заказ0 руб.
1339601-96711-000

Запчасть снята с производства - The Spare Part Is Laid Off (Dt50mg (e1, e3, e9, e13, e28)) (The Spare Part Is Laid Off)

под заказ0 руб.
1339601-96712-000

   (актуальный код замены) Запчасть снята с производства - The Spare Part Is Laid Off

под заказ0 руб.
1437800-93150-000

Переключатель в сборе, Stop - Switch Assy, Stop (Dt50mg (e1, e3, e9, e13, e28)) (Switch Assy, Stop)

под заказ0 руб.
1437800-98572-000

   (актуальный код замены) Запчасть снята с производства - The Spare Part Is Laid Off

под заказ0 руб.
1437800-98572-000

Переключатель в сборе, Stop - Switch Assy, Stop (Switch assy, engine stop ) (Switch Assy, Stop)

под заказ0 руб.
1937321-95200-01J

Запчасть снята с производства - The Spare Part Is Laid Off (Dt50mj (e3, e28) dt50mvz (e1, e28)) (The Spare Part Is Laid Off)

под заказ0 руб.
1937321-95200-02M

   (актуальный код замены) Запчасть снята с производства - The Spare Part Is Laid Off

под заказ0 руб.
2037320-94300-000

Запчасть снята с производства - The Spare Part Is Laid Off (Dt50mj (e3, e28) dt50mvz (e1, e28)) (The Spare Part Is Laid Off)

под заказ0 руб.
2037320-94X50-000

   (актуальный код замены) Запчасть снята с производства - The Spare Part Is Laid Off

под заказ0 руб.
2101107-06128-000

Болт - Bolt (Dt50mj (e3, e28) dt50mvz (e1, e28)) (Bolt)

под заказ150 руб.
2101500-06127-000

   (актуальный код замены) Болт - Bolt

под заказ150 руб.
2101500-06127-000

Болт - Bolt (Bolt)

под заказ150 руб.
2208321-21068-000

Шайба с блокировкой - Washer, Lock (Dt50mj (e3, e28) dt50mvz (e1, e28)) (Washer, Lock)

под заказ140 руб.
2208321-01067-000

   (актуальный код замены) Шайба с блокировкой - Washer, Lock

под заказ140 руб.
2208321-01067-000

Шайба с блокировкой - Washer, Lock (Washer, Lock)

под заказ140 руб.
2308322-21068-000

Шайба - Washer (Dt50mj (e3, e28) dt50mvz (e1, e28)) (Washer)

под заказ140 руб.
2308322-01067-000

   (актуальный код замены) Шайба - Washer

10 шт160 руб.
2308322-01067-000

Шайба - Washer (Washer)

10 шт160 руб.


Время выполнения запроса 1.767685174942 сек.

 
 

данный сайт носит информационный характер и не является публичной офертой

склад запчастей для водомоторной техники