Купить оригинальные запчасти на подвесной лодочный двигатель Suzuki модель 1982 года - Основание двигателя / Engine holder
вконтакте

Контактный телефон: +7 (981) 121-46-93, +7 (800) 200-90-76 , Email: parts-katalog@yandex.ru, где купить

 
 

  Логин:

Пароль:

Регистрация

www.partskatalog.ru Все каталоги Запчасти Mercury Запчасти Suzuki Запчасти Tohatsu Запчасти Honda Контакты



УВАЖАЕМЫЕ КЛИЕНТЫ!
C 19 ДЕКАБРЯ 2025 ПО 02 МАРТА 2026 ГОДА ОТДЕЛ ЗАПЧАСТЕЙ И СЕРВИС РАБОТАТЬ НЕ БУДУТ
ПРОДАЖА ЛОДОЧНЫХ МОТОРОВ В ШТАТНОМ РЕЖИМЕ
ОБ ИЗМЕНЕНИЯХ В ГРАФИКЕ РАБОТЫ ЧИТАЙТЕ НА САЙТА



назад Раздел:   вперёд

Вернуться к выбору узлов мотора


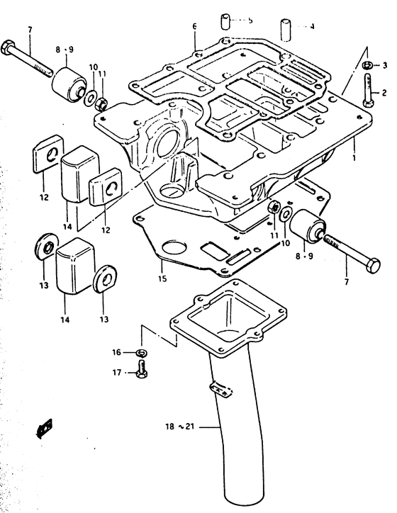
ДЕТАЛИРОВКА ДЛЯ МОДЕЛИ: SUZUKI DT50WVZ(M/T) Z

Основание двигателя


Год выпуска двигателя: 1982

Номер на
рисунке
АртикулНаименованиеQTYКол-во
на складе
Цена
151111-95202-01J

(Model g)

под заказнет сведений
109206-11017-000

Штифт (8.4x11x20) - Pin (84x11x20) (Pin (8.4x11x20) ) (Pin (8.4x11x20))

под заказ540 руб.
109206-11017-000

Штифт (8.4x11x20) - Pin (84x11x20) (Pin (8.4x11x20) ) (Pin (8.4x11x20))

под заказ540 руб.
109206-11017-000

Штифт (8.4x11x20) - Pin (84x11x20) (Pin (8.4x11x20) ) (Pin (8.4x11x20))

под заказ540 руб.
151111-95203-01J

Запчасть снята с производства - The Spare Part Is Laid Off (The Spare Part Is Laid Off)

под заказ0 руб.
151111-95210-0ED

   (актуальный код замены) Запчасть снята с производства - The Spare Part Is Laid Off

под заказ0 руб.
209100-08100-000

Болт (8x35) - Bolt (8x35) (Bolt (8x35))

под заказ470 руб.
209100-08224-XC0

   (актуальный код замены) Болт (8x35) - Bolt (8x35)

40 шт470 руб.
209100-08224-XC0

Болт (8x35) - Bolt (8x35) (Bolt (8x35))

40 шт470 руб.
209100-08163-000

Болт (8x35) - Bolt (8x35) (Bolt (8x35))

под заказ470 руб.
209100-08224-XC0

   (актуальный код замены) Болт (8x35) - Bolt (8x35)

40 шт470 руб.
209100-08224-XC0

Болт (8x35) - Bolt (8x35) (Bolt (8x35))

40 шт470 руб.
309162-08003-000

Шайба с блокировкой - Washer, Lock (Washer, Lock)

под заказ160 руб.
309162-08007-000

   (актуальный код замены) Шайба с блокировкой - Washer, Lock

под заказ160 руб.
309162-08007-000

Шайба с блокировкой - Washer, Lock (Lock washer ) (Washer, Lock)

под заказ160 руб.
409206-11005-000

Штифт (8.4x11x20) - Pin (84x11x20) (Pin (8.4x11x20))

под заказ540 руб.
409206-11017-000

   (актуальный код замены) Штифт (8.4x11x20) - Pin (8.4x11x20)

под заказ540 руб.
409206-11017-000

Штифт (8.4x11x20) - Pin (84x11x20) (Pin (8.4x11x20) ) (Pin (8.4x11x20))

под заказ540 руб.
509205-11001-000

Штифт (8.4x11x14) - Pin (84x11x14) (Pin (8.4x11x14))

под заказ410 руб.
509206-11004-000

   (актуальный код замены) Штифт (8.4x11x14) - Pin (8.4x11x14)

под заказ410 руб.
509206-11004-000

Штифт (8.4x11x14) - Pin (84x11x14) (Pin, gear case no.2 ) (Pin (8.4x11x14))

под заказ410 руб.
651211-95201-000

Прокладка основания двигателя - Gasket, Engine Holder (To 51211-95202) (Gasket, Engine Holder)

под заказ0 руб.
651211-95260-000

Прокладка основания двигателя - Gasket, Engine Holder (Gasket, engine holder ) (Gasket, Engine Holder)

под заказ0 руб.
651211-95202-000

Прокладка основания двигателя - Gasket, Engine Holder (Gasket, Engine Holder)

под заказ0 руб.
651211-95260-000

Прокладка основания двигателя - Gasket, Engine Holder (Gasket, engine holder ) (Gasket, Engine Holder)

под заказ0 руб.
709100-10112-000

Болт (10x70) - Bolt (10x70) (Bolt (10x70))

под заказ1380 руб.
709100-10208-000

   (актуальный код замены) Болт (10x70) - Bolt (10x70)

под заказ1380 руб.
709100-10208-000

Болт (10x70) - Bolt (10x70) (Bolt (10x70))

под заказ1380 руб.
854130-95201-000

Креплениеing, вышеr - Mounting, Upr (Mounting, Upr)

под заказ0 руб.
854130-95500-000

   (актуальный код замены) Запчасть снята с производства - The Spare Part Is Laid Off

под заказ0 руб.
854130-95500-000

Креплениеing, вышеr - Mounting, Upr (Mount, upper ) (Mounting, Upr)

под заказ0 руб.
1009160-10040-000

Шайба (10.5x19x2) - Washer (105x19x2) (Washer (10.5x19x2))

под заказ120 руб.
1009160-10082-000

   (актуальный код замены) Шайба (10.5x19x2) - Washer (10.5x19x2)

19 шт120 руб.
1009160-10082-000

Шайба (10.5x19x2) - Washer (105x19x2) (Washer ) (Washer (10.5x19x2))

19 шт120 руб.
1109140-10015-000

Гайка - Nut (Nut)

под заказ160 руб.
1109140-10031-000

   (актуальный код замены) Гайка - Nut

10 шт160 руб.
1109140-10031-000

Гайка - Nut (Nut)

10 шт160 руб.
1254136-95200-000

Стопор, вышеr Крепление - Stopper, Upr Mount (Stopper, upper mount # Stopper, upper mounting (e7, e13, e40); ) (Stopper, Upr Mount)

под заказ0 руб.
1454135-95200-000

Креплениеing, вышеr Thrust - Mounting, Upr Thrust (Mount, upper thrust # Mounting, upper thrust; ) (Mounting, Upr Thrust)

под заказ0 руб.
1552113-95204-000

Прокладка корпуса вала передачи - Gasket, Drive Shaft Housing (Gasket, Drive Shaft Housing)

под заказ0 руб.
1552113-95260-000

   (актуальный код замены) Запчасть снята с производства - The Spare Part Is Laid Off

под заказ0 руб.
1552113-95260-000

Прокладка корпуса вала передачи - Gasket, Drive Shaft Housing (Gasket, driveshaft housing ) (Gasket, Drive Shaft Housing)

под заказ0 руб.
1609162-06001-000

Шайба с блокировкой - Washer, Lock (Washer, Lock)

под заказ160 руб.
1609162-06006-000

   (актуальный код замены) Шайба с блокировкой - Washer, Lock

под заказ160 руб.
1609162-06006-000

Шайба с блокировкой - Washer, Lock (Lock washer ) (Washer, Lock)

под заказ160 руб.
1709100-06020-000

Болт (6x20) - Bolt (6x20) (Bolt (6x20))

под заказ0 руб.
1709100-06122-000

   (актуальный код замены) Запчасть снята с производства - The Spare Part Is Laid Off

под заказ0 руб.
1709100-06122-000

Болт (6x20) - Bolt (6x20) (Bolt (6x20))

под заказ0 руб.
1814211-95200-000

Запчасть снята с производства - The Spare Part Is Laid Off (The Spare Part Is Laid Off)

под заказ0 руб.
1914211-95210-000

Запчасть снята с производства - The Spare Part Is Laid Off (The Spare Part Is Laid Off)

под заказ0 руб.
2014211-95302-000

Запчасть снята с производства - The Spare Part Is Laid Off (From 14211-95301) (The Spare Part Is Laid Off)

под заказ0 руб.
2114211-95312-000

Запчасть снята с производства - The Spare Part Is Laid Off (From 14211-95311) (The Spare Part Is Laid Off)

под заказ0 руб.


Время выполнения запроса 2.6225001811981 сек.

 
 

данный сайт носит информационный характер и не является публичной офертой

склад запчастей для водомоторной техники