Купить запчасти на подвесной двигатель Suzuki - Поворотный кронштейн
вконтакте

Контактный телефон: +7 (981) 121-46-93, +7 (800) 200-90-76 , Email: parts-katalog@yandex.ru, где купить

 
 

  Логин:

Пароль:

Регистрация

www.partskatalog.ru Все каталоги Запчасти Mercury Запчасти Suzuki Запчасти Tohatsu Запчасти Honda Контакты



УВАЖАЕМЫЕ КЛИЕНТЫ!
C 19 ДЕКАБРЯ 2025 ПО 02 МАРТА 2026 ГОДА ОТДЕЛ ЗАПЧАСТЕЙ И СЕРВИС РАБОТАТЬ НЕ БУДУТ
ПРОДАЖА ЛОДОЧНЫХ МОТОРОВ В ШТАТНОМ РЕЖИМЕ
ОБ ИЗМЕНЕНИЯХ В ГРАФИКЕ РАБОТЫ ЧИТАЙТЕ НА САЙТА



назад Раздел:   вперёд

Вернуться к выбору узлов мотора


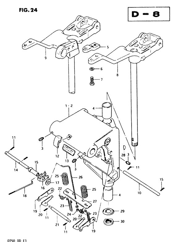
ДЕТАЛИРОВКА ДЛЯ МОДЕЛИ: SUZUKI DT50TQD(M,W,T) D

Поворотный кронштейн


Год выпуска двигателя: 1983

Номер на
рисунке
АртикулНаименованиеQTYКол-во
на складе
Цена
143111-95204-02M

Запчасть снята с производства - The Spare Part Is Laid Off (The Spare Part Is Laid Off)

под заказ0 руб.
143111-95205-02M

   (актуальный код замены) Запчасть снята с производства - The Spare Part Is Laid Off

под заказ0 руб.
243111-95704-02M

Запчасть снята с производства - The Spare Part Is Laid Off (Bracket, swivel (s type);) (The Spare Part Is Laid Off)

под заказ0 руб.
243111-95705-02M

   (актуальный код замены) Запчасть снята с производства - The Spare Part Is Laid Off

под заказ0 руб.
322511-99000-000

Ниппель смазки - Nipple, Grease (Nipple, Grease)

под заказ340 руб.
322511-99011-000

   (актуальный код замены) Ниппель смазки - Nipple, Grease

9 шт400 руб.
322511-99011-000

Ниппель смазки - Nipple, Grease (Nipple, Grease)

9 шт400 руб.
409306-26005-000

Запчасть снята с производства - The Spare Part Is Laid Off (Bushing, steering;) (The Spare Part Is Laid Off)

под заказ0 руб.
409307-26004-000

   (актуальный код замены) Запчасть снята с производства - The Spare Part Is Laid Off

под заказ0 руб.
543755-95220-02M

Запчасть снята с производства - The Spare Part Is Laid Off (E7, we3, we40) (The Spare Part Is Laid Off)

под заказ0 руб.
609160-10040-000

Шайба (10.5x19x2) - Washer (105x19x2) (Washer (10.5x19x2))

под заказ120 руб.
609160-10082-000

   (актуальный код замены) Шайба (10.5x19x2) - Washer (10.5x19x2)

19 шт120 руб.
609160-10082-000

Шайба (10.5x19x2) - Washer (105x19x2) (Washer ) (Washer (10.5x19x2))

19 шт120 руб.
709100-10153-000

Запчасть снята с производства - The Spare Part Is Laid Off (Bolt (10x30);) (The Spare Part Is Laid Off)

под заказ0 руб.
843750-95202-02M

Запчасть снята с производства - The Spare Part Is Laid Off (E7, we3, we40) (The Spare Part Is Laid Off)

под заказ0 руб.
843750-95221-02M

Запчасть снята с производства - The Spare Part Is Laid Off (The Spare Part Is Laid Off)

под заказ0 руб.
843750-95702-02M

Запчасть снята с производства - The Spare Part Is Laid Off (E7, we13, we40) (The Spare Part Is Laid Off)

под заказ0 руб.
843750-95721-02M

Запчасть снята с производства - The Spare Part Is Laid Off (The Spare Part Is Laid Off)

под заказ0 руб.
943750-95211-02M

Запчасть снята с производства - The Spare Part Is Laid Off (Dt50m) (The Spare Part Is Laid Off)

под заказ0 руб.
943750-95711-02M

Запчасть снята с производства - The Spare Part Is Laid Off (Brakcet, steering (s type); Dt50m) (The Spare Part Is Laid Off)

под заказ0 руб.
1045245-95201-000

Вал блокировки задней передачи Рычаг - Shaft, Reverse Lock Arm (Shaft, Reverse Lock Arm)

под заказ0 руб.
1045245-95202-000

   (актуальный код замены) Запчасть снята с производства - The Spare Part Is Laid Off

под заказ0 руб.
1045245-95202-000

Вал блокировки задней передачи Рычаг - Shaft, Reverse Lock Arm (Shaft, reverse lock arm ) (Shaft, Reverse Lock Arm)

под заказ0 руб.
1109204-01001-000

под заказнет сведений
1109204-01002-000

Штифт - Pin (Cotter pin ) (Pin)

24 шт140 руб.
1245261-95201-000

Ручка, Release - Knob, Release (Knob, release ) (Knob, Release)

под заказ0 руб.
1343241-95202-000

Запчасть снята с производства - The Spare Part Is Laid Off (The Spare Part Is Laid Off)

под заказ0 руб.
1445254-95201-000

Запчасть снята с производства - The Spare Part Is Laid Off (The Spare Part Is Laid Off)

под заказ0 руб.
1509180-08082-000

Запчасть снята с производства - The Spare Part Is Laid Off (The Spare Part Is Laid Off)

под заказ0 руб.
1645253-95201-000

Запчасть снята с производства - The Spare Part Is Laid Off (The Spare Part Is Laid Off)

под заказ0 руб.
1709160-08015-000

Шайба (8.5x16x1.2) - Washer (85x16x12) (Washer (8.5x16x1.2))

под заказ120 руб.
1709160-08082-000

   (актуальный код замены) Шайба (8.5x16x1.2) - Washer (8.5x16x1.2)

13 шт120 руб.
1709160-08082-000

Шайба (8.5x16x1.2) - Washer (85x16x12) (Washer (8.5x16x1.2))

13 шт120 руб.
1845251-95200-000

Запчасть снята с производства - The Spare Part Is Laid Off (The Spare Part Is Laid Off)

под заказ0 руб.
1945241-95201-000

Запчасть снята с производства - The Spare Part Is Laid Off (The Spare Part Is Laid Off)

под заказ0 руб.
1945241-95202-000

   (актуальный код замены) Запчасть снята с производства - The Spare Part Is Laid Off

под заказ0 руб.
1945241-95202-000

Запчасть снята с производства - The Spare Part Is Laid Off (The Spare Part Is Laid Off)

под заказ0 руб.
2045231-95200-000

Запчасть снята с производства - The Spare Part Is Laid Off (The Spare Part Is Laid Off)

под заказ0 руб.
2045231-95201-000

   (актуальный код замены) Запчасть снята с производства - The Spare Part Is Laid Off

под заказ0 руб.
2045231-95201-000

Запчасть снята с производства - The Spare Part Is Laid Off (The Spare Part Is Laid Off)

под заказ0 руб.
2145243-95201-000

Штифт - Pin (Pin, reverse lock arm; ) (Pin)

под заказ0 руб.
2209444-12001-000

Пружина - Spring (Spring)

под заказ0 руб.
2209448-12018-000

   (актуальный код замены) Запчасть снята с производства - The Spare Part Is Laid Off

под заказ0 руб.
2209448-12018-000

Пружина - Spring (Spring)

под заказ0 руб.
2345244-95200-000

Запчасть снята с производства - The Spare Part Is Laid Off (Stopper, reverse lock arm;) (The Spare Part Is Laid Off)

под заказ0 руб.
2409140-03002-000

Гайка - Nut (Nut)

под заказ0 руб.
2509440-20007-000

Запчасть снята с производства - The Spare Part Is Laid Off (The Spare Part Is Laid Off)

под заказ0 руб.
2645252-95200-000

Запчасть снята с производства - The Spare Part Is Laid Off (The Spare Part Is Laid Off)

под заказ0 руб.
2745242-95202-000

Запчасть снята с производства - The Spare Part Is Laid Off (The Spare Part Is Laid Off)

под заказ0 руб.
2809420-05003-000

Ключ - Key (Key, pilot shaft; ) (Key)

под заказ600 руб.
2909166-25004-000

Запчасть снята с производства - The Spare Part Is Laid Off (The Spare Part Is Laid Off)

под заказ0 руб.
2909166-25007-000

   (актуальный код замены) Запчасть снята с производства - The Spare Part Is Laid Off

под заказ0 руб.
3009140-24008-000

Гайка - Nut (Nut)

под заказ0 руб.
3009140-24010-000

   (актуальный код замены) Запчасть снята с производства - The Spare Part Is Laid Off

под заказ0 руб.
3009140-24010-000

Гайка - Nut (Nut)

под заказ0 руб.


Время выполнения запроса 3.545734167099 сек.

 
 

данный сайт носит информационный характер и не является публичной офертой

склад запчастей для водомоторной техники