| |
 |
|
 |
Вернуться к выбору узлов мотора
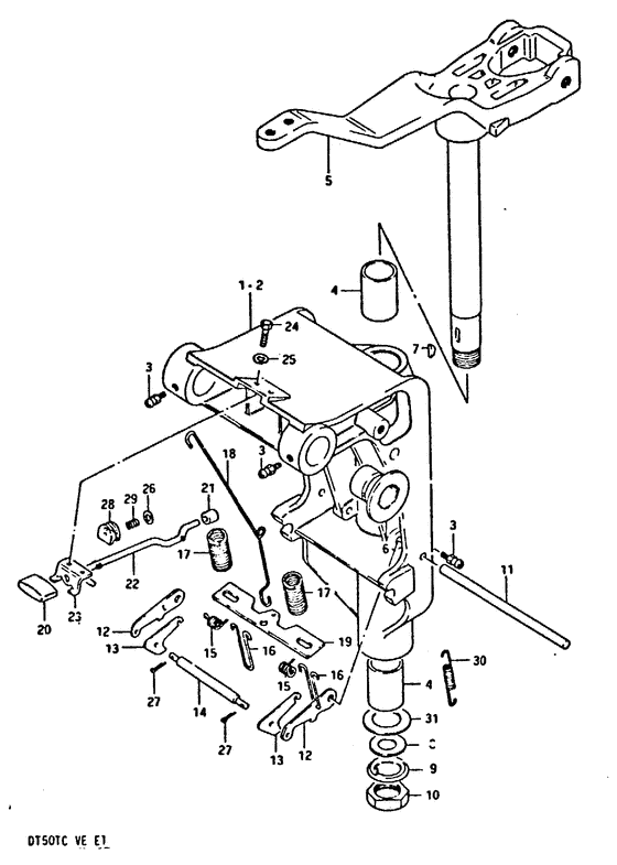
ДЕТАЛИРОВКА ДЛЯ МОДЕЛИ: SUZUKI DT50TVE(E) E
Поворотный кронштейн
Год выпуска двигателя: 1984
Номер на рисунке | Артикул | Наименование | QTY | Кол-во на складе | Цена |
| 1 | 43111-95250-02M | Запчасть снята с производства - The Spare Part Is Laid Off (L/ll/ul type) (The Spare Part Is Laid Off) | | под заказ | 0 руб. |
| 1 | 43111-95252-0ED | (актуальный код замены) Запчасть снята с производства - The Spare Part Is Laid Off | | под заказ | 0 руб. |
| 2 | 43111-95750-02M | Запчасть снята с производства - The Spare Part Is Laid Off (S type) (The Spare Part Is Laid Off) | | под заказ | 0 руб. |
| 2 | 43111-95752-0ED | (актуальный код замены) Запчасть снята с производства - The Spare Part Is Laid Off | | под заказ | 0 руб. |
| 3 | 22511-99000-000 | Ниппель смазки - Nipple, Grease (Nipple, Grease) | | под заказ | 340 руб. |
| 3 | 22511-99011-000 | (актуальный код замены) Ниппель смазки - Nipple, Grease | | 9 шт | 400 руб. |
| 3 | 22511-99011-000 | Ниппель смазки - Nipple, Grease (Nipple, Grease) | | 9 шт | 400 руб. |
| 4 | 09306-26005-000 | Запчасть снята с производства - The Spare Part Is Laid Off (The Spare Part Is Laid Off) | | под заказ | 0 руб. |
| 4 | 09307-26004-000 | (актуальный код замены) Запчасть снята с производства - The Spare Part Is Laid Off | | под заказ | 0 руб. |
| 5 | 43750-95250-02M | Кронштейн рулевого управления (gray) - Bracket, Steering (gray) (L/ll/ul type) (Bracket, Steering (gray)) | | под заказ | 0 руб. |
| 5 | 43750-95254-0ED | (актуальный код замены) Запчасть снята с производства - The Spare Part Is Laid Off | | под заказ | 0 руб. |
| 5 | 43750-95254-0ED | Кронштейн рулевого управления (gray) - Bracket, Steering (gray) (Bracket, steering (l/ll) ) (Bracket, Steering (gray)) | | под заказ | 0 руб. |
| 5 | 43750-95750-02M | Кронштейн рулевого управления (gray) - Bracket, Steering (gray) (S type) (Bracket, Steering (gray)) | | под заказ | 0 руб. |
| 5 | 43750-95754-0ED | (актуальный код замены) Запчасть снята с производства - The Spare Part Is Laid Off | | под заказ | 0 руб. |
| 5 | 43750-95754-0ED | Кронштейн рулевого управления (gray) - Bracket, Steering (gray) (Bracket, steering (s) ) (Bracket, Steering (gray)) | | под заказ | 0 руб. |
| 6 | 09306-22002-000 | Втулка струбцины поворотного вала - Bush, Clamp Shaft Swivel (Bush, Clamp Shaft Swivel) | | под заказ | 0 руб. |
| 6 | 43211-95250-000 | (актуальный код замены) Запчасть снята с производства - The Spare Part Is Laid Off | | под заказ | 0 руб. |
| 6 | 43211-95250-000 | Втулка струбцины поворотного вала - Bush, Clamp Shaft Swivel (Bush, swivel ) (Bush, Clamp Shaft Swivel) | | под заказ | 0 руб. |
| 7 | 09420-05003-000 | Ключ - Key (Key) | | под заказ | 600 руб. |
| 8 | 09160-25052-000 | Запчасть снята с производства - The Spare Part Is Laid Off (The Spare Part Is Laid Off) | | под заказ | 0 руб. |
| 9 | 09166-25007-000 | Запчасть снята с производства - The Spare Part Is Laid Off (The Spare Part Is Laid Off) | | под заказ | 0 руб. |
| 10 | 09140-24010-000 | Гайка - Nut (E7, e13, e40, ce1, ce17, ce28 ) (Nut) | | под заказ | 0 руб. |
| 11 | 45245-95201-000 | Вал блокировки задней передачи Рычаг - Shaft, Reverse Lock Arm (E7, e13, e40, ce1, ce17, ce28) (Shaft, Reverse Lock Arm) | | под заказ | 0 руб. |
| 11 | 45245-95202-000 | (актуальный код замены) Запчасть снята с производства - The Spare Part Is Laid Off | | под заказ | 0 руб. |
| 11 | 45245-95202-000 | Вал блокировки задней передачи Рычаг - Shaft, Reverse Lock Arm (Shaft, reverse lock arm ) (Shaft, Reverse Lock Arm) | | под заказ | 0 руб. |
| 12 | 45241-95202-000 | Запчасть снята с производства - The Spare Part Is Laid Off (E7, e13, e40, ce1, ce17, ce28) (The Spare Part Is Laid Off) | | под заказ | 0 руб. |
| 13 | 45231-95201-000 | Запчасть снята с производства - The Spare Part Is Laid Off (E7, e13, e40, ce1, ce17, ce28) (The Spare Part Is Laid Off) | | под заказ | 0 руб. |
| 14 | 45243-95201-000 | Штифт - Pin (E7, e13, e40, ce1, ce17, ce28 ) (Pin) | | под заказ | 0 руб. |
| 15 | 09444-12001-000 | Пружина - Spring (E7, e13, e40, ce1, ce17, ce28) (Spring) | | под заказ | 0 руб. |
| 15 | 09448-12018-000 | (актуальный код замены) Запчасть снята с производства - The Spare Part Is Laid Off | | под заказ | 0 руб. |
| 15 | 09448-12018-000 | Пружина - Spring (Spring) | | под заказ | 0 руб. |
| 16 | 45244-95200-000 | Запчасть снята с производства - The Spare Part Is Laid Off (E7, e13, e40, ce1, ce17, ce28) (The Spare Part Is Laid Off) | | под заказ | 0 руб. |
| 17 | 09440-21005-000 | Запчасть снята с производства - The Spare Part Is Laid Off (E7, e13, e40, ce1, ce17, ce28) (The Spare Part Is Laid Off) | | под заказ | 0 руб. |
| 18 | 45252-96302-000 | Тяга рычага блокировки - Link, Release Lever (E7, e13, e40, ce1, ce17, ce28) (Link, Release Lever) | | под заказ | 650 руб. |
| 18 | 45252-96303-000 | (актуальный код замены) Тяга рычага блокировки - Link, Release Lever | | 4 шт | 650 руб. |
| 18 | 45252-96303-000 | Тяга рычага блокировки - Link, Release Lever (Link, release lever ) (Link, Release Lever) | | 4 шт | 650 руб. |
| 19 | 45242-95251-000 | Пластина блокировки реверса Рычаг - Plate, Reverse Lock Arm (Plate, reverse lock arm # E7, e13, e40, ce1, ce17, ce28 ) (Plate, Reverse Lock Arm) | | под заказ | 0 руб. |
| 20 | 45255-96300-000 | Ручка освобождающего рычага - Knob, Release Lever (E7, e13, e40, ce1, ce17, ce28) (Knob, Release Lever) | | под заказ | 610 руб. |
| 20 | 45255-96302-000 | (актуальный код замены) Ручка освобождающего рычага - Knob, Release Lever | | под заказ | 610 руб. |
| 20 | 45255-96302-000 | Ручка освобождающего рычага - Knob, Release Lever (Knob, release lever ) (Knob, Release Lever) | | под заказ | 610 руб. |
| 21 | 45257-93900-000 | Втулка рычага блокировки - Bush, Release Lever (Bush, release lever # E7, e13, e40, ce1, ce17, ce28 ) (Bush, Release Lever) | | под заказ | 0 руб. |
| 22 | 45260-95250-000 | Запчасть снята с производства - The Spare Part Is Laid Off (E7, e13, e40, ce1, ce17, ce28) (The Spare Part Is Laid Off) | | под заказ | 0 руб. |
| 23 | 45311-93900-02M | Кронштейн, Release Рычаг - Bracket, Release Lever (E7, e13, e40, ce1, ce17, ce28) (Bracket, Release Lever) | | под заказ | 0 руб. |
| 23 | 45311-93900-0ED | (актуальный код замены) Запчасть снята с производства - The Spare Part Is Laid Off | | под заказ | 0 руб. |
| 23 | 45311-93900-0ED | Кронштейн, Release Рычаг - Bracket, Release Lever (Bracket, release lever ) (Bracket, Release Lever) | | под заказ | 0 руб. |
| 24 | 09100-05011-000 | Запчасть снята с производства - The Spare Part Is Laid Off (Bolt (5*12); E7, e13, e40, ce1, ce17, ce28) (The Spare Part Is Laid Off) | | под заказ | 0 руб. |
| 25 | 09160-05010-000 | Шайба (5.5x12x0.8) - Washer (55x12x08) (E7, e13, e40, ce1, ce17, ce28) (Washer (5.5x12x0.8)) | | под заказ | 130 руб. |
| 25 | 09160-05029-000 | (актуальный код замены) Шайба (5.5x12x0.8) - Washer (5.5x12x0.8) | | 14 шт | 130 руб. |
| 25 | 09160-05029-000 | Шайба (5.5x12x0.8) - Washer (55x12x08) (Washer (5.5x12x0.8)) | | 14 шт | 130 руб. |
| 26 | 09160-04012-000 | Шайба (4.2x10x1) - Washer (42x10x1) (Washer (4.2x10x1) # Washer (4.2*10*1); E7, e13, e40, ce1, ce17, ce28 ) (Washer (4.2x10x1)) | | под заказ | 120 руб. |
| 27 | 09204-01001-000 | (E7, e13, e40, ce1, ce17, ce28) | | под заказ | нет сведений |
| 27 | 09204-01002-000 | Штифт - Pin (Cotter pin ) (Pin) | | 24 шт | 140 руб. |
| 28 | 09319-04001-000 | Втулка - Bush (E7, e13, e40, ce1, ce17, ce28 ) (Bush) | | под заказ | 160 руб. |
| 29 | 09440-04021-000 | Пружина - Spring (E7, e13, e40, ce1, ce17, ce28 ) (Spring) | | под заказ | 120 руб. |
| 30 | 09443-05013-000 | Пружина - Spring (E7, e13, e40, ce1, ce17, ce28 ) (Spring) | | 10 шт | 350 руб. |
| 31 | 09181-26006-000 | Запчасть снята с производства - The Spare Part Is Laid Off (Shim (0.3);) (The Spare Part Is Laid Off) | | под заказ | 0 руб. |
| 31 | 09181-26007-000 | Запчасть снята с производства - The Spare Part Is Laid Off (The Spare Part Is Laid Off) | | под заказ | 0 руб. |
Время выполнения запроса 2.7810909748077 сек. |
|