Подобрать оригинальные запчасти на подвесной двигатель Сузуки - Электрика
вконтакте

Контактный телефон: +7 (981) 121-46-93, +7 (800) 200-90-76 , Email: parts-katalog@yandex.ru, где купить

 
 

  Логин:

Пароль:

Регистрация

www.partskatalog.ru Все каталоги Запчасти Mercury Запчасти Suzuki Запчасти Tohatsu Запчасти Honda Контакты



УВАЖАЕМЫЕ КЛИЕНТЫ!
C 19 ДЕКАБРЯ 2025 ПО 02 МАРТА 2026 ГОДА ОТДЕЛ ЗАПЧАСТЕЙ И СЕРВИС РАБОТАТЬ НЕ БУДУТ
ПРОДАЖА ЛОДОЧНЫХ МОТОРОВ В ШТАТНОМ РЕЖИМЕ
ОБ ИЗМЕНЕНИЯХ В ГРАФИКЕ РАБОТЫ ЧИТАЙТЕ НА САЙТА



назад Раздел:   вперёд

Вернуться к выбору узлов мотора


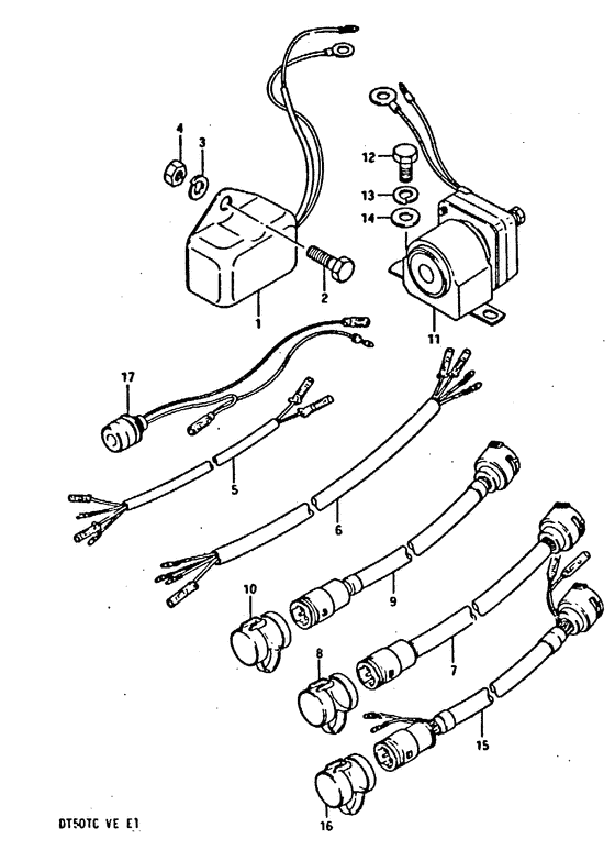
ДЕТАЛИРОВКА ДЛЯ МОДЕЛИ: SUZUKI DT50VE(E) E

Электрика


Год выпуска двигателя: 1984

Номер на
рисунке
АртикулНаименованиеQTYКол-во
на складе
Цена
132500-95721-000

Регулятор напряжения - Regulator Assy, Voltage (Regulator Assy, Voltage)

под заказ110400 руб.
132500-95722-000

   (актуальный код замены) Регулятор напряжения - Regulator Assy, Voltage

под заказ110400 руб.
132500-95722-000

Регулятор напряжения - Regulator Assy, Voltage (Regulator assy, voltage ) (Regulator Assy, Voltage)

под заказ110400 руб.
201107-06168-000

Болт - Bolt (Bolt)

под заказ150 руб.
201500-06167-000

   (актуальный код замены) Болт - Bolt

под заказ150 руб.
201500-06167-000

Болт - Bolt (Bolt, fuel cooler ) (Bolt)

под заказ150 руб.
201107-06358-000

Болт - Bolt (Bolt)

под заказ190 руб.
201500-06357-000

   (актуальный код замены) Болт - Bolt

под заказ190 руб.
201500-06357-000

Болт - Bolt (Bolt)

под заказ190 руб.
308321-21068-000

Шайба с блокировкой - Washer, Lock (Washer, Lock)

под заказ140 руб.
308321-01067-000

   (актуальный код замены) Шайба с блокировкой - Washer, Lock

под заказ140 руб.
308321-01067-000

Шайба с блокировкой - Washer, Lock (Washer, Lock)

под заказ140 руб.
408310-11068-000

Гайка - Nut (Nut)

под заказ140 руб.
408310-00067-000

   (актуальный код замены) Гайка - Nut

под заказ140 руб.
408310-00067-000

Гайка - Nut (Nut)

под заказ140 руб.
537853-95251-000

Запчасть снята с производства - The Spare Part Is Laid Off (Wiring harness, toggle switch;) (The Spare Part Is Laid Off)

под заказ0 руб.
636640-95500-000

Запчасть снята с производства - The Spare Part Is Laid Off (Wiring harness, relay control;) (The Spare Part Is Laid Off)

под заказ0 руб.
736620-95202-000

Удлинитель кабеля дистанционного управления (l: 5000) - Wire, Remocon Extension (l:5000) (Wire, Remocon Extension (l:5000))

под заказ17480 руб.
736620-87D20-000

   (актуальный код замены) Удлинитель кабеля дистанционного управления (l: 5000) - Wire, Remocon Extension (l:5000)

под заказ17480 руб.
736620-87D20-000

Удлинитель кабеля дистанционного управления (l: 5000) - Wire, Remocon Extension (l:5000) (Wiring harness, extension ) (Wire, Remocon Extension (l:5000))

под заказ17480 руб.
836631-94300-000

Колпачок на дистанционное управление Жгут проводов - Cap, Remote Control Harness (Cap, Remote Control Harness)

под заказ390 руб.
936620-95300-000

Удлинитель кабеля дистанционного управления (l: 2000) - Wire, Remocon Extension (l:2000) (Wire, Remocon Extension (l:2000))

под заказ12630 руб.
936620-95302-000

   (актуальный код замены) Удлинитель кабеля дистанционного управления (l: 2000) - Wire, Remocon Extension (l:2000)

под заказ12630 руб.
936620-95302-000

Удлинитель кабеля дистанционного управления (l: 2000) - Wire, Remocon Extension (l:2000) (Wiring harness, extension ) (Wire, Remocon Extension (l:2000))

под заказ12630 руб.
1036631-94300-000

Колпачок на дистанционное управление Жгут проводов - Cap, Remote Control Harness (Cap, Remote Control Harness)

под заказ390 руб.
1138410-94540-000

Реле трима, в сборе - Relay Assy, Trim (Trim relay assy # Relay, down in trim; E7, e13, e40 c:e1, e17, e28 ) (Relay Assy, Trim)

под заказ0 руб.
1209100-06113-000

Болт (6x16) - Bolt (6x16) (Bolt (6x16))

под заказ140 руб.
1309162-06001-000

Шайба с блокировкой - Washer, Lock (Washer, Lock)

под заказ160 руб.
1309162-06006-000

   (актуальный код замены) Шайба с блокировкой - Washer, Lock

под заказ160 руб.
1309162-06006-000

Шайба с блокировкой - Washer, Lock (Lock washer ) (Washer, Lock)

под заказ160 руб.
1409160-06015-000

Шайба (6.5x13x1.0) - Washer (65x13x10) (Washer (6.5x13x1.0))

под заказ120 руб.
1409160-06082-000

   (актуальный код замены) Шайба (6.5x13x1.0) - Washer (6.5x13x1.0)

7 шт150 руб.
1409160-06082-000

Шайба (6.5x13x1.0) - Washer (65x13x10) (Washer (6.5x13x1.0))

7 шт150 руб.
1536620-95320-000

Запчасть снята с производства - The Spare Part Is Laid Off (The Spare Part Is Laid Off)

под заказ0 руб.
1636631-94300-000

Колпачок на дистанционное управление Жгут проводов - Cap, Remote Control Harness (Cap, Remote Control Harness)

под заказ390 руб.
1737860-95210-000

(E7, e13, e40, c:e1, e17, e28)

под заказнет сведений
1737860-95324-000

Переключатель, Trim - Switch, Trim (Switch trim, up ) (Switch, Trim)

под заказ2790 руб.
1737870-95210-000

Переключатель трима, Dn - Trim Switch, Dn (E7, e13, e40, c:e1, e17, e28) (Trim Switch, Dn)

под заказ3700 руб.
1737870-95324-000

   (актуальный код замены) Переключатель трима, Dn - Trim Switch, Dn

под заказ3700 руб.
1737870-95324-000

Переключатель трима, Dn - Trim Switch, Dn (Trim Switch, Dn)

под заказ3700 руб.


Время выполнения запроса 3.4133920669556 сек.

 
 

данный сайт носит информационный характер и не является публичной офертой

склад запчастей для водомоторной техники