Оригинальные запчасти на двигатель Suzuki DT50KS/L/LL/UL - Electrical - Электрика
вконтакте

Контактный телефон: +7 (981) 121-46-93, +7 (800) 200-90-76 , Email: parts-katalog@yandex.ru, где купить

 
 

  Логин:

Пароль:

Регистрация

www.partskatalog.ru Все каталоги Запчасти Mercury Запчасти Suzuki Запчасти Tohatsu Запчасти Honda Контакты



УВАЖАЕМЫЕ КЛИЕНТЫ!
C 31 ОКТЯБРЯ 2025 ПО 10 НОЯБРЯ 2025 ГОДА РАБОТАТЬ НЕ БУДЕМ



назад Раздел:   вперёд

Вернуться к выбору узлов мотора


ДЕТАЛИРОВКА ДЛЯ МОДЕЛИ: SUZUKI DT50KRVF(VF/VG/VH) F

Электрика


Код модели двигателя: DT50KS/L/LL/UL

Год выпуска двигателя: 1985

Регион: General Export No.1 ,Код региона: P01

Цвет: Francois Whte №2Arctic Silver

Номер на
рисунке
АртикулНаименованиеQTYКол-во
на складе
Цена
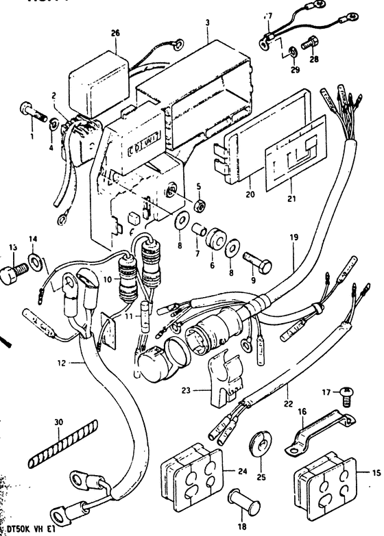
102112-05252-000

Винт - Screw (Screw)

под заказ120 руб.
102112-05257-000

   (актуальный код замены) Винт - Screw

под заказ120 руб.
102112-05257-000

Винт - Screw (Screw)

под заказ120 руб.
232800-95720-000

Выпрямитель в сборе - Rectifier Assy (Rectifier Assy)

под заказ10760 руб.
232800-95D02-000

   (актуальный код замены) Выпрямитель в сборе - Rectifier Assy

1 шт10760 руб.
232800-95D01-000

Выпрямитель в сборе - Rectifier Assy (Rectifier Assy)

под заказ10760 руб.
232800-95D02-000

   (актуальный код замены) Выпрямитель в сборе - Rectifier Assy

1 шт10760 руб.
332890-95300-000

Запчасть снята с производства - The Spare Part Is Laid Off (The Spare Part Is Laid Off)

под заказ0 руб.
408321-21052-000

Шайба с блокировкой - Washer, Lock (Washer, Lock)

под заказ140 руб.
408321-0105A-000

   (актуальный код замены) Шайба с блокировкой - Washer, Lock

под заказ140 руб.
408321-0105A-000

Шайба с блокировкой - Washer, Lock (Washer, Lock)

под заказ140 руб.
508310-11052-000

Гайка - Nut (Nut)

под заказ140 руб.
508310-00057-000

   (актуальный код замены) Гайка - Nut

под заказ140 руб.
508310-00057-000

Гайка - Nut (Nut)

под заказ140 руб.
609320-08001-000

Подушка - Cushion (Cushion ) (Cushion)

под заказ210 руб.
609320-08527-000

   (актуальный код замены) Подушка - Cushion

под заказ210 руб.
709180-06187-000

Проставка (6.1x8x9.5) - Spacer (61x8x95) (Spacer (6.1x8x9.5))

под заказ160 руб.
709180-06248-000

   (актуальный код замены) Проставка (6.1x8x9.5) - Spacer (6.1x8x9.5)

под заказ160 руб.
709180-06248-000

Проставка (6.1x8x9.5) - Spacer (61x8x95) (Spacer (6.1x8x9.5))

под заказ160 руб.
809160-06052-000

Шайба (6.5x16x1.2) - Washer (65x16x12) (Washer (6.5x16x1.2) # Washer (6.5x16x1.2); ) (Washer (6.5x16x1.2))

под заказ160 руб.
901107-06257-000

Болт - Bolt (Bolt)

под заказ150 руб.
901500-06257-000

   (актуальный код замены) Болт - Bolt

под заказ150 руб.
901500-06257-000

Болт - Bolt (Bolt)

под заказ150 руб.
1036740-94500-000

Запчасть снята с производства - The Spare Part Is Laid Off (The Spare Part Is Laid Off)

под заказ0 руб.
1036740-95300-000

Корпус предохранителя - Case Assy, Fuse (Case Assy, Fuse)

под заказ1720 руб.
1036740-95253-000

   (актуальный код замены) Корпус предохранителя - Case Assy, Fuse

1 шт1720 руб.
1036740-95253-000

Корпус предохранителя - Case Assy, Fuse (Case Assy, Fuse)

1 шт1720 руб.
1109481-20001-000

Предохранитель (20a) - Fuse (20a) (Fuse, 20a; ) (Fuse (20a))

30 шт180 руб.
1233810-95301-000

Запчасть снята с производства - The Spare Part Is Laid Off (The Spare Part Is Laid Off)

под заказ0 руб.
1309100-08090-000

Запчасть снята с производства - The Spare Part Is Laid Off (The Spare Part Is Laid Off)

под заказ0 руб.
1409160-08015-000

Шайба (8.5x16x1.2) - Washer (85x16x12) (Washer (8.5x16x1.2))

под заказ120 руб.
1409160-08082-000

   (актуальный код замены) Шайба (8.5x16x1.2) - Washer (8.5x16x1.2)

13 шт120 руб.
1409160-08082-000

Шайба (8.5x16x1.2) - Washer (85x16x12) (Washer (8.5x16x1.2))

13 шт120 руб.
1536656-95501-000

Пыльник кабеля - Grommet, Cable (Re1/re13/re17/he13) (Grommet, Cable)

под заказ1180 руб.
1536656-94701-000

   (актуальный код замены) Пыльник кабеля - Grommet, Cable

под заказ1180 руб.
1536656-94701-000

Пыльник кабеля - Grommet, Cable (Grommet, Cable)

под заказ1180 руб.
1636659-95500-000

Струбцина - Clamp (Model vf/vg) (Clamp)

под заказ0 руб.
1636659-95501-000

   (актуальный код замены) Запчасть снята с производства - The Spare Part Is Laid Off

под заказ0 руб.
1636659-95501-000

Струбцина - Clamp (Clamp)

под заказ0 руб.
1636659-95501-000

Струбцина - Clamp (Model vh ) (Clamp)

под заказ0 руб.
1709125-06067-000

Винт (6x16) - Screw (6x16) (Screw (6x16) # Screw; ) (Screw (6x16))

10 шт160 руб.
1836661-95210-000

Запчасть снята с производства - The Spare Part Is Laid Off (Cap, wire harness grommet; Od:10) (The Spare Part Is Laid Off)

под заказ0 руб.
1836663-94700-000

Запчасть снята с производства - The Spare Part Is Laid Off (Cap, wire harness grommet; Od:12) (The Spare Part Is Laid Off)

под заказ0 руб.
1936610-95321-000

Запчасть снята с производства - The Spare Part Is Laid Off (The Spare Part Is Laid Off)

под заказ0 руб.
2036650-95300-000

Крышка, Соединитель Box - Cover, Joint Box (Cover, Joint Box)

под заказ0 руб.
2136652-95320-000

Запчасть снята с производства - The Spare Part Is Laid Off (The Spare Part Is Laid Off)

под заказ0 руб.
2236645-95500-000

Запчасть снята с производства - The Spare Part Is Laid Off (Wire, trim ex read;) (The Spare Part Is Laid Off)

под заказ0 руб.
2336616-95301-000

Держатель коннектора - Holder, Connector (Holder, connector ) (Holder, Connector)

под заказ580 руб.
2436656-94701-000

Пыльник кабеля - Grommet, Cable (Grommet, Cable)

под заказ1180 руб.
2536656-94310-000

Запчасть снята с производства - The Spare Part Is Laid Off (Guide, buzzer lead; He13) (The Spare Part Is Laid Off)

под заказ0 руб.
2632900-95340-000

Модуль C.D.I. - Unit, Cdi (Unit, Cdi)

под заказ0 руб.
2736895-95300-000

Lead, Двигатель Заземление - Lead, Engine Ground (Lead, engine ground; ) (Lead, Engine Ground)

под заказ0 руб.
2801107-06127-000

Болт - Bolt (Bolt)

под заказ150 руб.
2801500-06127-000

   (актуальный код замены) Болт - Bolt

под заказ150 руб.
2801500-06127-000

Болт - Bolt (Bolt)

под заказ150 руб.
2908322-21067-000

Шайба - Washer (Washer)

под заказ140 руб.
2908322-01067-000

   (актуальный код замены) Шайба - Washer

10 шт160 руб.
2908322-01067-000

Шайба - Washer (Washer)

10 шт160 руб.
3033833-95500-000

Трубка провода переключателя (l: 250) - Tube, Switch Lead (l:250) (Tube, Switch Lead (l:250))

под заказ610 руб.
3033833-91J00-000

   (актуальный код замены) Трубка провода переключателя (l: 250) - Tube, Switch Lead (l:250)

под заказ610 руб.
3033833-91J00-000

Трубка провода переключателя (l: 250) - Tube, Switch Lead (l:250) (Tube, Switch Lead (l:250))

под заказ610 руб.


Время выполнения запроса 2.9442229270935 сек.

 
 

данный сайт носит информационный характер и не является публичной офертой

склад запчастей для водомоторной техники