Подобрать запчасти на лодочный мотор Suzuki DT50KS/L/LL/UL - Цилиндр трима / Trim cylinder
вконтакте

Контактный телефон: +7 (981) 121-46-93, +7 (800) 200-90-76 , Email: parts-katalog@yandex.ru, где купить

 
 

  Логин:

Пароль:

Регистрация

www.partskatalog.ru Все каталоги Запчасти Mercury Запчасти Suzuki Запчасти Tohatsu Запчасти Honda Контакты



УВАЖАЕМЫЕ КЛИЕНТЫ!
C 19 ДЕКАБРЯ 2025 ПО 02 МАРТА 2026 ГОДА ОТДЕЛ ЗАПЧАСТЕЙ И СЕРВИС РАБОТАТЬ НЕ БУДУТ
ПРОДАЖА ЛОДОЧНЫХ МОТОРОВ В ШТАТНОМ РЕЖИМЕ
ОБ ИЗМЕНЕНИЯХ В ГРАФИКЕ РАБОТЫ ЧИТАЙТЕ НА САЙТА



назад Раздел:   вперёд

Вернуться к выбору узлов мотора


ДЕТАЛИРОВКА ДЛЯ МОДЕЛИ: SUZUKI DT50KRVF(VF/VG/VH) F

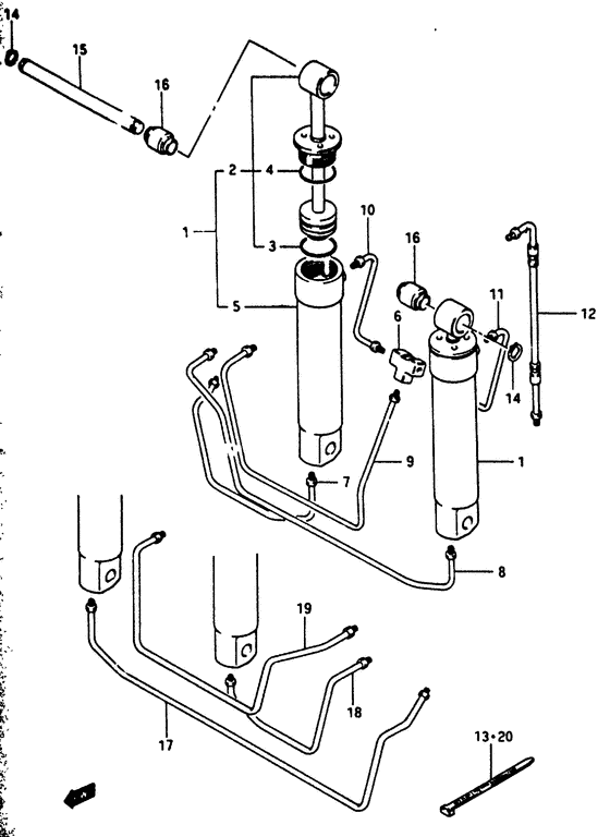
Цилиндр трима


Код модели двигателя: DT50KS/L/LL/UL

Год выпуска двигателя: 1985

Регион: General Export No.1 ,Код региона: P01

Цвет: Francois Whte №2Arctic Silver

Номер на
рисунке
АртикулНаименованиеQTYКол-во
на складе
Цена
148600-95200-02M

Запчасть снята с производства - The Spare Part Is Laid Off (Silver) (The Spare Part Is Laid Off)

под заказ0 руб.
148600-95201-0ED

   (актуальный код замены) Запчасть снята с производства - The Spare Part Is Laid Off

под заказ0 руб.
148600-95201-0ED

Запчасть снята с производства - The Spare Part Is Laid Off (The Spare Part Is Laid Off)

под заказ0 руб.
148600-95200-01T

Запчасть снята с производства - The Spare Part Is Laid Off (White) (The Spare Part Is Laid Off)

под заказ0 руб.
148600-95201-0ED

   (актуальный код замены) Запчасть снята с производства - The Spare Part Is Laid Off

под заказ0 руб.
148600-95201-0ED

Запчасть снята с производства - The Spare Part Is Laid Off (The Spare Part Is Laid Off)

под заказ0 руб.
248601-95200-000

Запчасть снята с производства - The Spare Part Is Laid Off (The Spare Part Is Laid Off)

под заказ0 руб.
348627-95510-000

Уплотнительное кольцо, Поршень - O Ring, Piston (O ring, piston ) (O Ring, Piston)

под заказ0 руб.
448633-95510-000

Уплотнительное кольцо, Head - O Ring, Head (O ring, head # U ring, head; ) (O Ring, Head)

под заказ360 руб.
548641-95200-000

Запчасть снята с производства - The Spare Part Is Laid Off (The Spare Part Is Laid Off)

под заказ0 руб.
648711-95510-000

Запчасть снята с производства - The Spare Part Is Laid Off (The Spare Part Is Laid Off)

под заказ0 руб.
748720-95200-000

Запчасть снята с производства - The Spare Part Is Laid Off (Tube, inlet, no.1;) (The Spare Part Is Laid Off)

под заказ0 руб.
848730-95200-000

Запчасть снята с производства - The Spare Part Is Laid Off (Tube, inlet, no.2;) (The Spare Part Is Laid Off)

под заказ0 руб.
948750-95202-000

Запчасть снята с производства - The Spare Part Is Laid Off (Tube, outlet, no.1;) (The Spare Part Is Laid Off)

под заказ0 руб.
1048760-95202-000

Запчасть снята с производства - The Spare Part Is Laid Off (Tube, outlet, no.2;) (The Spare Part Is Laid Off)

под заказ0 руб.
1148770-95202-000

Запчасть снята с производства - The Spare Part Is Laid Off (Tube, outlet, no.3;) (The Spare Part Is Laid Off)

под заказ0 руб.
1248790-95300-000

Запчасть снята с производства - The Spare Part Is Laid Off (Opt) (The Spare Part Is Laid Off)

под заказ0 руб.
1336632-95501-000

Струбцина (l: 250) - Clamp (l:250) (Clamp (l:250))

под заказ190 руб.
1309407-20405-000

   (актуальный код замены) Струбцина (l: 202) - Clamp (l:202)

под заказ190 руб.
1309407-25402-000

Струбцина (l: 250) - Clamp (l:250) (Clamp, tilt sw ) (Clamp (l:250))

под заказ350 руб.
1309407-25402-000

Струбцина (l: 250) - Clamp (l:250) (Clamp, tilt sw ) (Clamp (l:250))

под заказ350 руб.
1309407-25402-000

Струбцина (l: 250) - Clamp (l:250) (Clamp, tilt sw ) (Clamp (l:250))

под заказ350 руб.
1409380-12002-000

Пружинное кольцо - Ring, Snap (Circlip ) (Ring, Snap)

12 шт150 руб.
1548321-95200-000

Запчасть снята с производства - The Spare Part Is Laid Off (The Spare Part Is Laid Off)

под заказ0 руб.
1609319-12041-000

Втулка - Bush (Bush, piston rod ) (Bush)

2 шт0 руб.
1748720-95280-000

вход, Трубка №1 - Inlet, Tube No1 (Tube inlet, no.1; Opt:port side ) (Inlet, Tube No.1)

под заказ0 руб.
1848730-95280-000

Запчасть снята с производства - The Spare Part Is Laid Off (Opt:port side) (The Spare Part Is Laid Off)

под заказ0 руб.
1948750-95280-000

Запчасть снята с производства - The Spare Part Is Laid Off (Opt:port side) (The Spare Part Is Laid Off)

под заказ0 руб.
2036632-95501-000

Струбцина (l: 250) - Clamp (l:250) (Opt:port side) (Clamp (l:250))

под заказ190 руб.
2009407-20405-000

   (актуальный код замены) Струбцина (l: 202) - Clamp (l:202)

под заказ190 руб.
2009407-25402-000

Струбцина (l: 250) - Clamp (l:250) (Clamp, tilt sw ) (Clamp (l:250))

под заказ350 руб.
2009407-25402-000

Струбцина (l: 250) - Clamp (l:250) (Clamp, tilt sw ) (Clamp (l:250))

под заказ350 руб.
2009407-25402-000

Струбцина (l: 250) - Clamp (l:250) (Clamp, tilt sw ) (Clamp (l:250))

под заказ350 руб.


Время выполнения запроса 1.7573781013489 сек.

 
 

данный сайт носит информационный характер и не является публичной офертой

склад запчастей для водомоторной техники