Купить комплектующие на подвесной двигатель SUZUKI - Топливный насос - Fuel pump
вконтакте

Контактный телефон: +7 (981) 121-46-93, +7 (800) 200-90-76 , Email: parts-katalog@yandex.ru, где купить

 
 

  Логин:

Пароль:

Регистрация

www.partskatalog.ru Все каталоги Запчасти Mercury Запчасти Suzuki Запчасти Tohatsu Запчасти Honda Контакты



УВАЖАЕМЫЕ КЛИЕНТЫ!
C 19 ДЕКАБРЯ 2025 ПО 02 МАРТА 2026 ГОДА ОТДЕЛ ЗАПЧАСТЕЙ И СЕРВИС РАБОТАТЬ НЕ БУДУТ
ПРОДАЖА ЛОДОЧНЫХ МОТОРОВ В ШТАТНОМ РЕЖИМЕ
ОБ ИЗМЕНЕНИЯХ В ГРАФИКЕ РАБОТЫ ЧИТАЙТЕ НА САЙТА



назад Раздел:   вперёд

Вернуться к выбору узлов мотора


ДЕТАЛИРОВКА ДЛЯ МОДЕЛИ: SUZUKI DT50KTRVG(VF/VG/VH) G

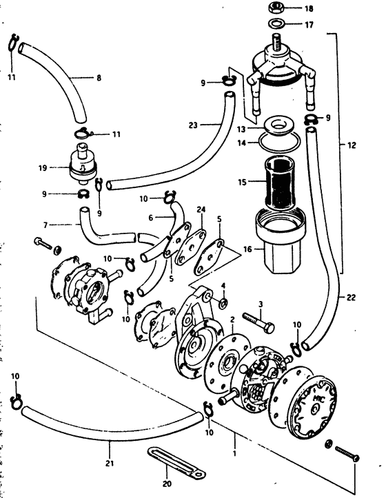
Топливный насос


Год выпуска двигателя: 1986

Номер на
рисунке
АртикулНаименованиеQTYКол-во
на складе
Цена
115100-95210-000

Запчасть снята с производства - The Spare Part Is Laid Off (The Spare Part Is Laid Off)

под заказ0 руб.
115100-95231-000

   (актуальный код замены) Запчасть снята с производства - The Spare Part Is Laid Off

под заказ0 руб.
215100-72812-000

Диафрагма Set - Diaphragm Set (Diaphragm Set)

под заказ4010 руб.
215100-7281V-000

   (актуальный код замены) Диафрагма Set - Diaphragm Set

под заказ4010 руб.
215100-7281V-000

Диафрагма Set - Diaphragm Set (Diaphragm Set)

под заказ4010 руб.
301107-06352-000

Болт - Bolt (Bolt)

под заказ190 руб.
301500-06357-000

   (актуальный код замены) Болт - Bolt

под заказ190 руб.
301500-06357-000

Болт - Bolt (Bolt)

под заказ190 руб.
408321-21062-000

Шайба с блокировкой - Washer, Lock (Washer, Lock)

под заказ140 руб.
408321-01067-000

   (актуальный код замены) Шайба с блокировкой - Washer, Lock

под заказ140 руб.
408321-01067-000

Шайба с блокировкой - Washer, Lock (Washer, Lock)

под заказ140 руб.
515321-99700-000

Прокладка топливного насоса (na) - Gasket, Fuel Pump (na) (Gasket, Fuel Pump (na))

под заказ360 руб.
515321-99710-000

   (актуальный код замены) Прокладка топливного насоса (na) - Gasket, Fuel Pump (na)

8 шт370 руб.
515321-99710-000

Прокладка топливного насоса (na) - Gasket, Fuel Pump (na) (Gasket, fuel pump ) (Gasket, Fuel Pump (na))

8 шт370 руб.
609343-05277-000

Шланг (5x9x600) - Hose (5x9x600) (L:540->420, gasoline) (Hose (5x9x600))

под заказ570 руб.
609352-50006-600

   (актуальный код замены) Шланг (5x9x600) - Hose (5x9x600)

1 шт570 руб.
609352-50903-600

Шланг (5x9x600) - Hose (5x9x600) (Hose (5x9x600))

под заказ570 руб.
609352-50006-600

   (актуальный код замены) Шланг (5x9x600) - Hose (5x9x600)

1 шт570 руб.
709343-05396-000

Шланг (5x9x600) - Hose (5x9x600) (L:120->45, gasoline) (Hose (5x9x600))

под заказ570 руб.
709352-50006-600

   (актуальный код замены) Шланг (5x9x600) - Hose (5x9x600)

1 шт570 руб.
709352-50903-600

Шланг (5x9x600) - Hose (5x9x600) (Hose (5x9x600))

под заказ570 руб.
709352-50006-600

   (актуальный код замены) Шланг (5x9x600) - Hose (5x9x600)

1 шт570 руб.
809343-07093-000

Шланг (7x11x2000) - Hose (7x11x2000) (L:655->230, gasoline) (Hose (7x11x2000))

под заказ2740 руб.
809352-70119-00B

   (актуальный код замены) Шланг (7x11x2000) - Hose (7x11x2000)

под заказ2740 руб.
809352-70113-00B

Шланг (7x11x2000) - Hose (7x11x2000) (Hose, drain (l:2000->50) ) (Hose (7x11x2000))

под заказ2740 руб.
809352-70119-00B

   (актуальный код замены) Шланг (7x11x2000) - Hose (7x11x2000)

под заказ2740 руб.
909401-08410-000

Зажим - Clip (Clip)

под заказ130 руб.
1009401-10410-000

Зажим - Clip (Clip ) (Clip)

под заказ170 руб.
1109401-11402-000

Зажим - Clip (Clip)

под заказ190 руб.
1109401-11403-000

   (актуальный код замены) Зажим - Clip

под заказ190 руб.
1109401-11403-000

Зажим - Clip (Clip ) (Clip)

под заказ190 руб.
1215410-93400-000

Топливный фильтр в сборе - Filter Assy, Fuel (Kerosene) (Filter Assy, Fuel)

под заказ2280 руб.
1215410-94401-000

   (актуальный код замены) Топливный фильтр в сборе - Filter Assy, Fuel

32 шт2280 руб.
1215410-94400-000

Топливный фильтр в сборе - Filter Assy, Fuel (Filter Assy, Fuel)

3 шт2280 руб.
1215410-94401-000

   (актуальный код замены) Топливный фильтр в сборе - Filter Assy, Fuel

32 шт2280 руб.
1315416-93400-000

Запчасть снята с производства - The Spare Part Is Laid Off (The Spare Part Is Laid Off)

под заказ0 руб.
1415415-93400-000

Уплотнительное кольцо - O Ring (O ring ) (O Ring)

под заказ290 руб.
1515412-93400-000

Фильтр Set - Filter Set (Filter Set)

под заказ1360 руб.
1515430-93412-000

   (актуальный код замены) Фильтр Set - Filter Set

под заказ1360 руб.
1515430-93410-000

Фильтр Set - Filter Set (Strainer set ) (Filter Set)

под заказ1360 руб.
1515430-93412-000

   (актуальный код замены) Фильтр Set - Filter Set

под заказ1360 руб.
1615413-93400-000

Cвыше - Cup (Cup ) (Cup)

под заказ0 руб.
1708321-21082-000

Шайба с блокировкой - Washer, Lock (Washer, Lock)

под заказ140 руб.
1708321-01087-000

   (актуальный код замены) Шайба с блокировкой - Washer, Lock

под заказ140 руб.
1708321-01087-000

Шайба с блокировкой - Washer, Lock (Washer, lock ) (Washer, Lock)

под заказ140 руб.
1808310-22082-000

Гайка - Nut (Nut)

под заказ140 руб.
1808310-00087-000

   (актуальный код замены) Гайка - Nut

под заказ140 руб.
1808310-00087-000

Гайка - Nut (Nut)

под заказ140 руб.
1915410-94350-000

Топливный фильтр - Filter, Fuel (Gasoline ) (Filter, Fuel)

под заказ1080 руб.
2009404-06203-000

Струбцина (l: 65) - Clamp (l:65) (Clamp (l:65))

под заказ100 руб.
2009404-06207-000

   (актуальный код замены) Струбцина (l: 65) - Clamp (l:65)

под заказ100 руб.
2009404-06207-000

Струбцина (l: 65) - Clamp (l:65) (Clamp (l:65))

под заказ100 руб.
2109343-05205-000

Шланг (5.3x10.5x600) - Hose (53x105x600) (L:360->300, kerosene) (Hose (5.3x10.5x600))

под заказ1160 руб.
2109355-53001-600

   (актуальный код замены) Шланг (5.3x10.5x600) - Hose (5.3x10.5x600)

под заказ1160 руб.
2109354-53103-600

Шланг (5.3x10.5x600) - Hose (53x105x600) (Hose (conn to filter) ) (Hose (5.3x10.5x600))

под заказ1160 руб.
2109355-53001-600

   (актуальный код замены) Шланг (5.3x10.5x600) - Hose (5.3x10.5x600)

под заказ1160 руб.
2209343-05290-000

Шланг (5.3x10.5x600) - Hose (53x105x600) (L:600->250, kerosene) (Hose (5.3x10.5x600))

под заказ1160 руб.
2209355-53001-600

   (актуальный код замены) Шланг (5.3x10.5x600) - Hose (5.3x10.5x600)

под заказ1160 руб.
2209354-53103-600

Шланг (5.3x10.5x600) - Hose (53x105x600) (Hose (conn to filter) ) (Hose (5.3x10.5x600))

под заказ1160 руб.
2209355-53001-600

   (актуальный код замены) Шланг (5.3x10.5x600) - Hose (5.3x10.5x600)

под заказ1160 руб.
2309343-05290-000

Шланг (5.3x10.5x600) - Hose (53x105x600) (L:600->445, kerosene) (Hose (5.3x10.5x600))

под заказ1160 руб.
2309355-53001-600

   (актуальный код замены) Шланг (5.3x10.5x600) - Hose (5.3x10.5x600)

под заказ1160 руб.
2309354-53103-600

Шланг (5.3x10.5x600) - Hose (53x105x600) (Hose (conn to filter) ) (Hose (5.3x10.5x600))

под заказ1160 руб.
2309355-53001-600

   (актуальный код замены) Шланг (5.3x10.5x600) - Hose (5.3x10.5x600)

под заказ1160 руб.
2415322-96000-000

Запчасть снята с производства - The Spare Part Is Laid Off (The Spare Part Is Laid Off)

под заказ0 руб.


Время выполнения запроса 2.4687778949738 сек.

 
 

данный сайт носит информационный характер и не является публичной офертой

склад запчастей для водомоторной техники