| |
 |
|
 |
Вернуться к выбору узлов мотора
ДЕТАЛИРОВКА ДЛЯ МОДЕЛИ: SUZUKI DT50KTRVH(VF/VG/VH) H
Переключатель трима
Год выпуска двигателя: 1987
Номер на рисунке | Артикул | Наименование | QTY | Кол-во на складе | Цена |
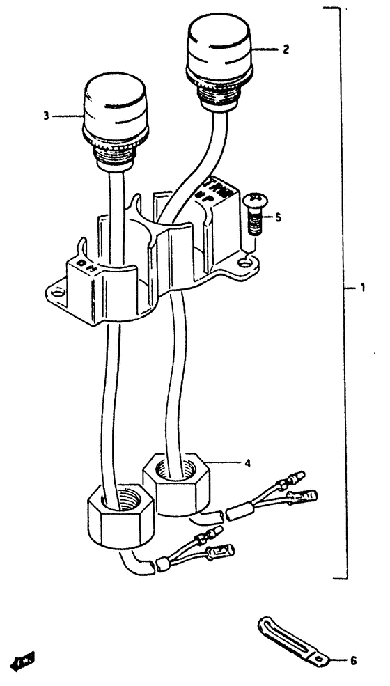
| 1 | 37850-95310-000 | Переключатель управления наклоном и тримом (l: 220) - Switch, Tilt & Trim (l:220) (Switch, Tilt & Trim (l:220)) | | под заказ | 0 руб. |
| 1 | 37850-95312-000 | (актуальный код замены) Запчасть снята с производства - The Spare Part Is Laid Off | | под заказ | 0 руб. |
| 1 | 37850-95312-000 | Переключатель управления наклоном и тримом (l: 220) - Switch, Tilt & Trim (l:220) (Switch assy, tilt & trim ) (Switch, Tilt & Trim (l:220)) | | под заказ | 0 руб. |
| 2 | 37860-95320-000 | Переключатель, Trim - Switch, Trim (Switch, Trim) | | под заказ | 2790 руб. |
| 2 | 37860-95324-000 | (актуальный код замены) Переключатель, Trim - Switch, Trim | | под заказ | 2790 руб. |
| 2 | 37860-95324-000 | Переключатель, Trim - Switch, Trim (Switch trim, up ) (Switch, Trim) | | под заказ | 2790 руб. |
| 3 | 37870-95320-000 | Переключатель трима, Dn - Trim Switch, Dn (Trim Switch, Dn) | | под заказ | 3700 руб. |
| 3 | 37870-95324-000 | (актуальный код замены) Переключатель трима, Dn - Trim Switch, Dn | | под заказ | 3700 руб. |
| 3 | 37870-95324-000 | Переключатель трима, Dn - Trim Switch, Dn (Trim Switch, Dn) | | под заказ | 3700 руб. |
| 4 | 09159-14014-000 | Гайка - Nut (Nut) | | 16 шт | 320 руб. |
| 5 | 03142-04129-000 | Винт - Screw (Screw) | | под заказ | 160 руб. |
| 5 | 03142-0412B-000 | (актуальный код замены) Винт - Screw | | под заказ | 160 руб. |
| 5 | 03142-0412B-000 | Винт - Screw (Screw) | | под заказ | 160 руб. |
| 6 | 09404-06204-000 | Струбцина (l: 65) - Clamp (l:65) (Clamp (l:65)) | | под заказ | 100 руб. |
| 6 | 09404-06207-000 | (актуальный код замены) Струбцина (l: 65) - Clamp (l:65) | | под заказ | 100 руб. |
| 6 | 09404-06207-000 | Струбцина (l: 65) - Clamp (l:65) (Clamp (l:65)) | | под заказ | 100 руб. |
Время выполнения запроса 0.89793014526367 сек. |
|