Подобрать оригинальные запчасти на подвесной двигатель SUZUKI DT50KS/L/LL/UL - Двигатель электростартера
вконтакте

Контактный телефон: +7 (981) 121-46-93, +7 (800) 200-90-76 , Email: parts-katalog@yandex.ru, где купить

 
 

  Логин:

Пароль:

Регистрация

www.partskatalog.ru Все каталоги Запчасти Mercury Запчасти Suzuki Запчасти Tohatsu Запчасти Honda Контакты



УВАЖАЕМЫЕ КЛИЕНТЫ!
C 19 ДЕКАБРЯ 2025 ПО 02 МАРТА 2026 ГОДА ОТДЕЛ ЗАПЧАСТЕЙ И СЕРВИС РАБОТАТЬ НЕ БУДУТ
ПРОДАЖА ЛОДОЧНЫХ МОТОРОВ В ШТАТНОМ РЕЖИМЕ
ОБ ИЗМЕНЕНИЯХ В ГРАФИКЕ РАБОТЫ ЧИТАЙТЕ НА САЙТА



назад Раздел:   вперёд

Вернуться к выбору узлов мотора


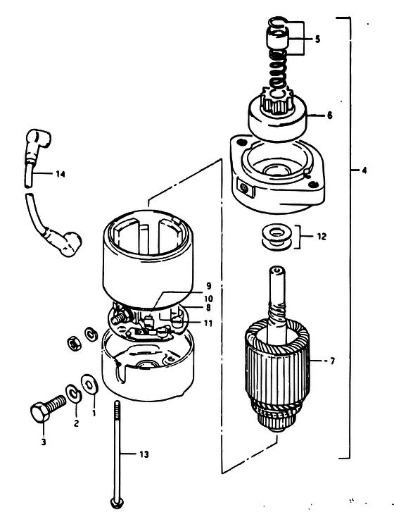
ДЕТАЛИРОВКА ДЛЯ МОДЕЛИ: SUZUKI DT50KTR VH/DT50KR VH/DT50KH VH

Двигатель электростартера


Код модели двигателя: DT50KS/L/LL/UL

Год выпуска двигателя: 1987

Регион: General Export No.1 ,Код региона: P01

Цвет: Francois Whte №2Arctic Silver

Номер на
рисунке
АртикулНаименованиеQTYКол-во
на складе
Цена
108322-11088-000

Шайба - Washer (Washer)

под заказ140 руб.
108322-01087-000

   (актуальный код замены) Шайба - Washer

под заказ140 руб.
108322-01087-000

Шайба - Washer (Lock washer ) (Washer)

под заказ140 руб.
208321-21088-000

Шайба с блокировкой - Washer, Lock (Washer, Lock)

под заказ140 руб.
208321-01087-000

   (актуальный код замены) Шайба с блокировкой - Washer, Lock

под заказ140 руб.
208321-01087-000

Шайба с блокировкой - Washer, Lock (Washer, lock ) (Washer, Lock)

под заказ140 руб.
301107-08258-000

Болт - Bolt (Bolt)

под заказ190 руб.
301500-08257-000

   (актуальный код замены) Болт - Bolt

под заказ190 руб.
301500-08257-000

Болт - Bolt (Bolt)

под заказ190 руб.
431100-95312-000

Двигатель электростартера в сборе - Motor Assy, Starting (Motor Assy, Starting)

под заказ0 руб.
431100-95313-000

   (актуальный код замены) Запчасть снята с производства - The Spare Part Is Laid Off

под заказ0 руб.
431100-95313-000

Двигатель электростартера в сборе - Motor Assy, Starting (Motor assy, starting ) (Motor Assy, Starting)

под заказ0 руб.
531312-94601-000

Комплект стопора шестерни - Stopper Set, Pinion (Stopper set, pinion # MODEL VG/VH ) (Stopper Set, Pinion)

под заказ1280 руб.
531312-95241-000

Комплект стопора шестерни - Stopper Set, Pinion (MODEL VF) (Stopper Set, Pinion)

под заказ1280 руб.
531312-94601-000

   (актуальный код замены) Комплект стопора шестерни - Stopper Set, Pinion

под заказ1280 руб.
531312-94601-000

Комплект стопора шестерни - Stopper Set, Pinion (Stopper set, pinion ) (Stopper Set, Pinion)

под заказ1280 руб.
631320-94510-000

Запчасть снята с производства - The Spare Part Is Laid Off (The Spare Part Is Laid Off)

под заказ0 руб.
631320-95240-000

   (актуальный код замены) Запчасть снята с производства - The Spare Part Is Laid Off

под заказ0 руб.
731310-95310-000

Запчасть снята с производства - The Spare Part Is Laid Off (The Spare Part Is Laid Off)

под заказ0 руб.
831173-95310-000

Держатель щетки - Holder Assy, Brush (Holder assy, brush ) (Holder Assy, Brush)

под заказ0 руб.
931131-95310-000

Щётка (+) - Brush (+) (Brush (+))

под заказ2640 руб.
1031132-95310-000

Щётка - Brush (Brush)

под заказ0 руб.
1031131-95241-000

   (актуальный код замены) Запчасть снята с производства - The Spare Part Is Laid Off

под заказ0 руб.
1031131-95241-000

Щётка - Brush (Brush (-) ) (Brush)

под заказ0 руб.
1131135-95310-000

Запчасть снята с производства - The Spare Part Is Laid Off (The Spare Part Is Laid Off)

под заказ0 руб.
1231360-95520-000

Установочная шайба - Washer Set (Washer kit ) (Washer Set)

под заказ0 руб.
1331281-95310-000

Запчасть снята с производства - The Spare Part Is Laid Off (The Spare Part Is Laid Off)

под заказ0 руб.
1433820-95301-000

Запчасть снята с производства - The Spare Part Is Laid Off (L:180) (The Spare Part Is Laid Off)

под заказ0 руб.
1433820-95302-000

   (актуальный код замены) Запчасть снята с производства - The Spare Part Is Laid Off

под заказ0 руб.


Время выполнения запроса 1.9157960414886 сек.

 
 

данный сайт носит информационный характер и не является публичной офертой

склад запчастей для водомоторной техники