Подобрать оригинальные запчасти на двигатель SUZUKI - Handle
вконтакте

Контактный телефон: +7 (981) 121-46-93, +7 (800) 200-90-76 , Email: parts-katalog@yandex.ru, где купить

 
 

  Логин:

Пароль:

Регистрация

www.partskatalog.ru Все каталоги Запчасти Mercury Запчасти Suzuki Запчасти Tohatsu Запчасти Honda Контакты



УВАЖАЕМЫЕ КЛИЕНТЫ!
C 19 ДЕКАБРЯ 2025 ПО 02 МАРТА 2026 ГОДА ОТДЕЛ ЗАПЧАСТЕЙ И СЕРВИС РАБОТАТЬ НЕ БУДУТ
ПРОДАЖА ЛОДОЧНЫХ МОТОРОВ В ШТАТНОМ РЕЖИМЕ
ОБ ИЗМЕНЕНИЯХ В ГРАФИКЕ РАБОТЫ ЧИТАЙТЕ НА САЙТА



назад Раздел:   вперёд

Вернуться к выбору узлов мотора


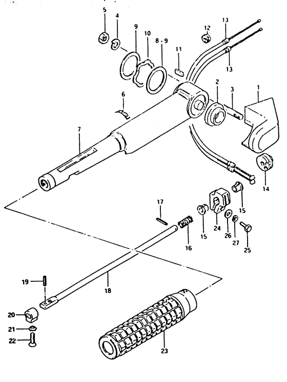
ДЕТАЛИРОВКА ДЛЯ МОДЕЛИ: SUZUKI DT50WJ(M/T) J

Handle


Год выпуска двигателя: 1988

Номер на
рисунке
АртикулНаименованиеQTYКол-во
на складе
Цена
163121-94302-01J

Запчасть снята с производства - The Spare Part Is Laid Off (The Spare Part Is Laid Off)

под заказ0 руб.
163121-94302-02M

   (актуальный код замены) Запчасть снята с производства - The Spare Part Is Laid Off

под заказ0 руб.
263114-94300-000

Прокладка крышки румпеля - Spacer, Handle Cover (Spacer, handle cover # Spacer, handle cover; ) (Spacer, Handle Cover)

под заказ680 руб.
263114-95L00-000

   (актуальный код замены) Прокладка крышки румпеля - Spacer, Handle Cover

7 шт800 руб.
309108-08036-000

Болт под шпильку - Bolt, Stud (Bolt, Stud)

под заказ3840 руб.
309108-08147-000

   (актуальный код замены) Болт под шпильку - Bolt, Stud

под заказ3840 руб.
309108-08147-000

Болт под шпильку - Bolt, Stud (Stud bolt ) (Bolt, Stud)

под заказ3840 руб.
409162-08003-000

Шайба с блокировкой - Washer, Lock (Washer, Lock)

под заказ160 руб.
409162-08007-000

   (актуальный код замены) Шайба с блокировкой - Washer, Lock

под заказ160 руб.
409162-08007-000

Шайба с блокировкой - Washer, Lock (Lock washer ) (Washer, Lock)

под заказ160 руб.
509140-08003-000

Гайка - Nut (Nut)

под заказ190 руб.
509140-08016-000

   (актуальный код замены) Гайка - Nut

под заказ190 руб.
509140-08023-XC0

Гайка - Nut (Nut)

14 шт190 руб.
663215-93101-000

Маркировка ручки румпеля - Mark, Handle Grip (Mark, Handle Grip)

под заказ320 руб.
663215-93110-000

   (актуальный код замены) Маркировка ручки румпеля - Mark, Handle Grip

под заказ320 руб.
663215-93110-000

Маркировка ручки румпеля - Mark, Handle Grip (Mark, handle grip ) (Mark, Handle Grip)

под заказ320 руб.
763111-93401-01J

Запчасть снята с производства - The Spare Part Is Laid Off (The Spare Part Is Laid Off)

под заказ0 руб.
763111-93402-02M

   (актуальный код замены) Запчасть снята с производства - The Spare Part Is Laid Off

под заказ0 руб.
909160-32004-000

Шайба (32.5x42x0.5) - Washer (325x42x05) (Washer (32.5x42x0.5) # Washer (32.5x42x0.5); ) (Washer (32.5x42x0.5))

под заказ230 руб.
1009164-32001-000

Запчасть снята с производства - The Spare Part Is Laid Off (The Spare Part Is Laid Off)

под заказ0 руб.
1163117-93400-000

Запчасть снята с производства - The Spare Part Is Laid Off (Protector, stop switch wire;) (The Spare Part Is Laid Off)

под заказ0 руб.
1209308-05015-000

Пыльник - Grommet (Grommet, lower cover # Grommet a+b=75; ) (Grommet)

под заказ250 руб.
1463222-95201-000

Запчасть снята с производства - The Spare Part Is Laid Off (The Spare Part Is Laid Off)

под заказ0 руб.
1563225-93200-000

Втулка тяги румпеля - Bush, Handle Rod (Bush, handle rod # Bushing; ) (Bush, Handle Rod)

14 шт480 руб.
1663226-93200-000

Пружина - Spring (Spring)

под заказ130 руб.
1609440-12027-000

   (актуальный код замены) Пружина - Spring

12 шт170 руб.
1609440-12027-000

Пружина - Spring (Spring)

12 шт170 руб.
1709205-03004-000

Стопор пружины (3x20) - Pin, Spring (3x20) (Pin, handle rod drum (l:20) # Pin, handle rod (l:20); ) (Pin, Spring (3x20))

под заказ120 руб.
1863221-93400-000

Запчасть снята с производства - The Spare Part Is Laid Off (The Spare Part Is Laid Off)

под заказ0 руб.
1963227-93200-000

Штифт, Handle Тяга - Pin, Handle Rod (Pin, handle rod # Pin, handle rod (l:14); ) (Pin, Handle Rod)

под заказ220 руб.
2063223-93200-000

Стопор тяги румпеля - Stopper, Handle Rod (Stopper, Handle Rod)

под заказ430 руб.
2063223-92D00-000

   (актуальный код замены) Стопор тяги румпеля - Stopper, Handle Rod

под заказ430 руб.
2063223-92D00-000

Стопор тяги румпеля - Stopper, Handle Rod (Stopper, handle rod ) (Stopper, Handle Rod)

под заказ430 руб.
2109163-06001-000

Шайба с блокировкой - Washer, Lock (Washer, Lock)

13 шт120 руб.
2209126-06004-000

Запчасть снята с производства - The Spare Part Is Laid Off (The Spare Part Is Laid Off)

под заказ0 руб.
2363210-93200-000

Рукоятка румпеля - Grip, Handle (Grip, Handle)

под заказ3390 руб.
2363210-93E30-000

   (актуальный код замены) Рукоятка румпеля - Grip, Handle

1 шт3390 руб.
2363210-93E30-000

Рукоятка румпеля - Grip, Handle (Grip, handle ) (Grip, Handle)

1 шт3390 руб.
2463241-94300-000

Запчасть снята с производства - The Spare Part Is Laid Off (Adjuster, handle grip;) (The Spare Part Is Laid Off)

под заказ0 руб.
2509100-06020-000

Болт (6x20) - Bolt (6x20) (Bolt (6x20))

под заказ0 руб.
2509100-06122-000

   (актуальный код замены) Запчасть снята с производства - The Spare Part Is Laid Off

под заказ0 руб.
2509100-06122-000

Болт (6x20) - Bolt (6x20) (Bolt (6x20))

под заказ0 руб.
2609160-06015-000

Шайба (6.5x13x1.0) - Washer (65x13x10) (Washer (6.5x13x1.0))

под заказ120 руб.
2609160-06082-000

   (актуальный код замены) Шайба (6.5x13x1.0) - Washer (6.5x13x1.0)

7 шт150 руб.
2609160-06082-000

Шайба (6.5x13x1.0) - Washer (65x13x10) (Washer (6.5x13x1.0))

7 шт150 руб.
2709162-06001-000

Шайба с блокировкой - Washer, Lock (Washer, Lock)

под заказ160 руб.
2709162-06006-000

   (актуальный код замены) Шайба с блокировкой - Washer, Lock

под заказ160 руб.
2709162-06006-000

Шайба с блокировкой - Washer, Lock (Lock washer ) (Washer, Lock)

под заказ160 руб.


Время выполнения запроса 1.9305830001831 сек.

 
 

данный сайт носит информационный характер и не является публичной офертой

склад запчастей для водомоторной техники