Купить запчасти на лодочный подвесной мотор Suzuki - Дистанционное управление
вконтакте

Контактный телефон: +7 (981) 121-46-93, +7 (800) 200-90-76 , Email: parts-katalog@yandex.ru, где купить

 
 

  Логин:

Пароль:

Регистрация

www.partskatalog.ru Все каталоги Запчасти Mercury Запчасти Suzuki Запчасти Tohatsu Запчасти Honda Контакты



УВАЖАЕМЫЕ КЛИЕНТЫ!
C 19 ДЕКАБРЯ 2025 ПО 02 МАРТА 2026 ГОДА ОТДЕЛ ЗАПЧАСТЕЙ И СЕРВИС РАБОТАТЬ НЕ БУДУТ
ПРОДАЖА ЛОДОЧНЫХ МОТОРОВ В ШТАТНОМ РЕЖИМЕ
ОБ ИЗМЕНЕНИЯХ В ГРАФИКЕ РАБОТЫ ЧИТАЙТЕ НА САЙТА



назад Раздел:   вперёд

Вернуться к выбору узлов мотора


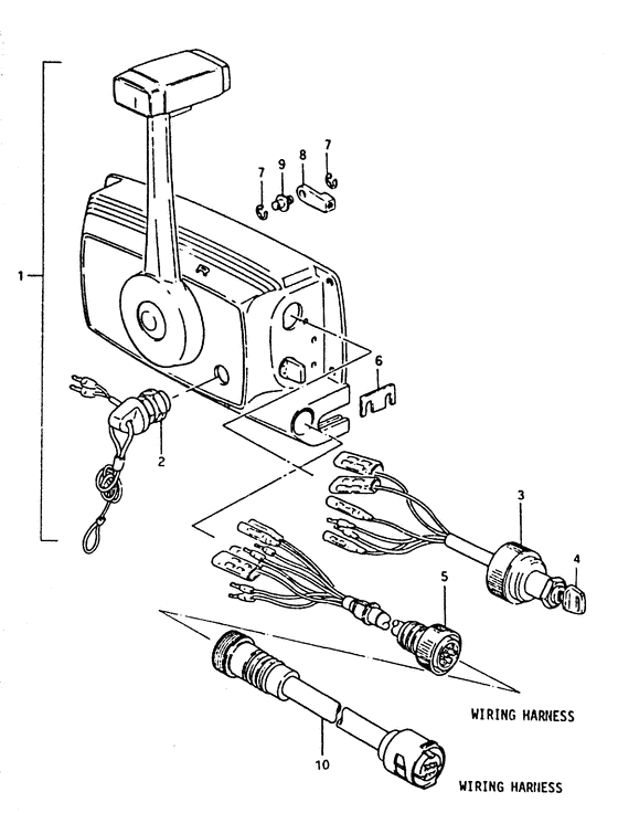
ДЕТАЛИРОВКА ДЛЯ МОДЕЛИ: SUZUKI DT50WJ(M/T) J

Дистанционное управление


Год выпуска двигателя: 1988

Номер на
рисунке
АртикулНаименованиеQTYКол-во
на складе
Цена
167200-95302-000

Запчасть снята с производства - The Spare Part Is Laid Off (T.s.k model tg to 67200-95303) (The Spare Part Is Laid Off)

под заказ0 руб.
167200-95303-000

   (актуальный код замены) Запчасть снята с производства - The Spare Part Is Laid Off

под заказ0 руб.
167200-95303-000

Запчасть снята с производства - The Spare Part Is Laid Off (T.s.k model tg) (The Spare Part Is Laid Off)

под заказ0 руб.
237820-95200-000

Аварийный выключатель, в сборе - Switch Assy, Emergency (Switch Assy, Emergency)

под заказ4710 руб.
237820-92E05-000

   (актуальный код замены) Аварийный выключатель, в сборе - Switch Assy, Emergency

1 шт4710 руб.
237820-92E04-000

Аварийный выключатель, в сборе - Switch Assy, Emergency (Switch Assy, Emergency)

под заказ4710 руб.
237820-92E05-000

   (актуальный код замены) Аварийный выключатель, в сборе - Switch Assy, Emergency

1 шт4710 руб.
237820-95201-000

Аварийный выключатель, в сборе - Switch Assy, Emergency (From 37820-95200) (Switch Assy, Emergency)

под заказ4710 руб.
237820-92E05-000

   (актуальный код замены) Аварийный выключатель, в сборе - Switch Assy, Emergency

1 шт4710 руб.
337110-95351-000

Выключатель зажигания - Switch Assy, Ignition (From 37110-95350) (Switch Assy, Ignition)

под заказ0 руб.
337110-95551-000

   (актуальный код замены) Запчасть снята с производства - The Spare Part Is Laid Off

под заказ0 руб.
337110-95551-000

Выключатель зажигания - Switch Assy, Ignition (Switch, ignition ) (Switch Assy, Ignition)

под заказ0 руб.
536630-95302-000

Запчасть снята с производства - The Spare Part Is Laid Off (The Spare Part Is Laid Off)

под заказ0 руб.
667272-95300-000

Запчасть снята с производства - The Spare Part Is Laid Off (holder, control cable;) (The Spare Part Is Laid Off)

под заказ0 руб.
767268-95300-000

Запчасть снята с производства - The Spare Part Is Laid Off (e ring;) (The Spare Part Is Laid Off)

под заказ0 руб.
867271-95300-000

Iend, Управляющие кабели - Iend, Control Cable (Eyeend, control cable # eyeend, control cable; ) (Iend, Control Cable)

под заказ0 руб.
967274-95300-000

Запчасть снята с производства - The Spare Part Is Laid Off (pin, eyeend connector);) (The Spare Part Is Laid Off)

под заказ0 руб.


Время выполнения запроса 1.0119600296021 сек.

 
 

данный сайт носит информационный характер и не является публичной офертой

склад запчастей для водомоторной техники