Комплектующие на лодочный мотор Suzuki DT50AS/L/LL модель 1992 года - Electrical
вконтакте

Контактный телефон: +7 (981) 121-46-93, +7 (800) 200-90-76 , Email: parts-katalog@yandex.ru, где купить

 
 

  Логин:

Пароль:

Регистрация

www.partskatalog.ru Все каталоги Запчасти Mercury Запчасти Suzuki Запчасти Tohatsu Запчасти Honda Контакты



УВАЖАЕМЫЕ КЛИЕНТЫ!
C 19 ДЕКАБРЯ 2025 ПО 02 МАРТА 2026 ГОДА ОТДЕЛ ЗАПЧАСТЕЙ И СЕРВИС РАБОТАТЬ НЕ БУДУТ
ПРОДАЖА ЛОДОЧНЫХ МОТОРОВ В ШТАТНОМ РЕЖИМЕ
ОБ ИЗМЕНЕНИЯХ В ГРАФИКЕ РАБОТЫ ЧИТАЙТЕ НА САЙТА



назад Раздел:   вперёд

Вернуться к выбору узлов мотора


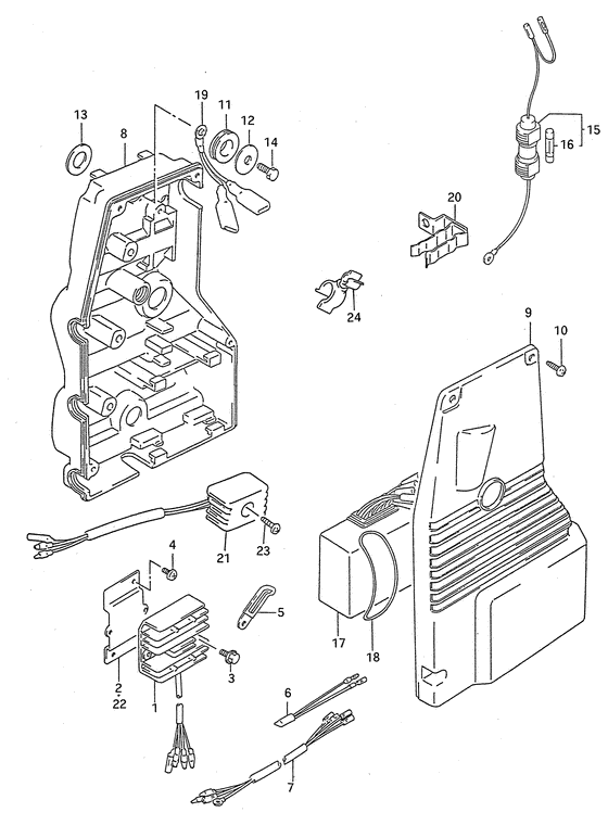
ДЕТАЛИРОВКА ДЛЯ МОДЕЛИ: SUZUKI DT50ATCN(E4) N

Электрика


Код модели двигателя: DT50AS/L/LL

Год выпуска двигателя: 1992

Регион: General Export No.1 ,Код региона: P01

Цвет: California Gray Metallic

Номер на
рисунке
АртикулНаименованиеQTYКол-во
на складе
Цена
132800-94610-000

Выпрямитель & Регулятор в сборе - Rectifier & Regulator Assy (Model:92, 93) (Rectifier & Regulator Assy)

под заказ15840 руб.
132800-94620-000

   (актуальный код замены) Выпрямитель & Регулятор в сборе - Rectifier & Regulator Assy

4 шт15840 руб.
132800-94620-000

Выпрямитель & Регулятор в сборе - Rectifier & Regulator Assy (Rect & regulator assy ) (Rectifier & Regulator Assy)

4 шт15840 руб.
232801-94702-000

Кронштейн выпрямителя в сборе - Bracket, Rectifier Assy (Bracket, rect & regulator # Bracket, rect & regulator; ) (Bracket, Rectifier Assy)

под заказ0 руб.
301550-06127-000

Болт - Bolt (Bolt, rect # Bolt, rect; ) (Bolt)

10 шт180 руб.
402112-05107-000

Винт - Screw (Screw, bracket # Screw, bracket; ) (Screw)

под заказ120 руб.
509404-08205-000

Струбцина (l: 45 T: 0.6) - Clamp (l:45 T:06) (Clamp (l:62) # Clamp, rect; ) (Clamp (l:45 T:0.6))

под заказ170 руб.
509404-08211-000

   (актуальный код замены) Струбцина (l: 45 T: 0.6) - Clamp (l:45 T:0.6)

под заказ170 руб.
636840-95D00-000

Lead, Тахометр - Lead, Tachometer (Lead, tachometer; ) (Lead, Tachometer)

под заказ0 руб.
736810-94601-000

Lead в сборе, Выпрямитель Ext - Lead Assy, Rectifier Ext (Lead assy, rectifier ) (Lead Assy, Rectifier Ext)

под заказ0 руб.
832890-94720-000

Держатель электрических частей - Holder, Electric Parts (Holder, electric parts ) (Holder, Electric Parts)

под заказ0 руб.
932891-94711-000

Запчасть снята с производства - The Spare Part Is Laid Off (The Spare Part Is Laid Off)

под заказ0 руб.
1003212-05163-000

Винт - Screw (Screw)

под заказ660 руб.
1013765-48GV0-000

   (актуальный код замены) Винт - Screw

под заказ660 руб.
1003212-0516B-000

Винт - Screw (Screw)

под заказ660 руб.
1013765-48GV0-000

   (актуальный код замены) Винт - Screw

под заказ660 руб.
1109320-12011-000

Подушка - Cushion (Cushion ) (Cushion)

под заказ150 руб.
1109320-12090-000

   (актуальный код замены) Подушка (11.8x25x7.5) - Cushion (11.8x25x7.5)

под заказ150 руб.
1209160-12090-000

Шайба (12.5x26x1.6) - Washer (125x26x16) (Washer (12.5x26x1.6);) (Washer (12.5x26x1.6))

под заказ150 руб.
1209160-12089-000

   (актуальный код замены) Шайба (12.5x26x1.6) - Washer (12.5x26x1.6)

под заказ150 руб.
1209160-12089-000

Шайба (12.5x26x1.6) - Washer (125x26x16) (Washer (12.5x26x1.6) ) (Washer (12.5x26x1.6))

под заказ150 руб.
1209160-12089-000

Шайба (12.5x26x1.6) - Washer (125x26x16) (Washer (12.5x26x1.6) # Washer (12.5x26x1.6); Model:98, 99 ) (Washer (12.5x26x1.6))

под заказ150 руб.
1309160-06054-000

Шайба (6.5x22x1.6) - Washer (65x22x16) (Washer (6.5x22x1.6) # Washer (6.5x22x1.6); ) (Washer (6.5x22x1.6))

под заказ120 руб.
1401550-06127-000

Болт - Bolt (Bolt, rect ) (Bolt)

10 шт180 руб.
1536740-94771-000

Корпус предохранителя - Case Assy, Fuse (Case Assy, Fuse)

под заказ4230 руб.
1609481-25001-000

Предохранитель (25a) - Fuse (25a) (Fuse, 25a # Fuse, 25a; ) (Fuse (25a))

под заказ220 руб.
1732900-94750-000

Модуль C.D.I. - Unit, Cdi (C.d.i unit ) (Unit, Cdi)

под заказ0 руб.
1809280-70005-000

Уплотнительное кольцо (d: 3.1, Id: 69.4) - O Ring (d:31, Id:694) (Band (d:3.1 id:69.4) # Band (d:3.1 id:69.4); ) (O Ring (d:3.1, Id:69.4))

под заказ520 руб.
1933445-94710-000

Lead, Катушка зажигания Earth - Lead, Ignition Coil Earth (Lead, ignition earth # Lead, ignition earth; ) (Lead, Ignition Coil Earth)

под заказ0 руб.
2036791-87E00-000

Держатель, Предохранитель Case - Holder, Fuse Case (Holder, fuse case # ~model:93 ) (Holder, Fuse Case)

под заказ0 руб.
2132800-95D01-000

Выпрямитель в сборе - Rectifier Assy (Rectifier assy; Model:94~99 ) (Rectifier Assy)

под заказ10760 руб.
2132800-95D02-000

   (актуальный код замены) Выпрямитель в сборе - Rectifier Assy

1 шт10760 руб.
2232801-94702-000

Кронштейн выпрямителя в сборе - Bracket, Rectifier Assy (Bracket, rect & regulator # Bracket, rectifier; Model:94~99 ) (Bracket, Rectifier Assy)

под заказ0 руб.
2302142-05257-000

Винт - Screw (Model:94~99 ) (Screw)

под заказ110 руб.
2409408-00045-000

Струбцина - Clamp (Holder, fuse case # Holder, fuse case; Model:94~99, ) (Clamp)

под заказ240 руб.


Время выполнения запроса 2.3820731639862 сек.

 
 

данный сайт носит информационный характер и не является публичной офертой

склад запчастей для водомоторной техники