| |
 |
|
 |
Вернуться к выбору узлов мотора
ДЕТАЛИРОВКА ДЛЯ МОДЕЛИ: SUZUKI DT50ATCS(E4) S
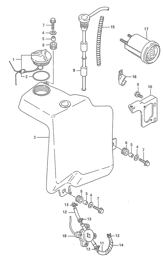
Масляный бак
Код модели двигателя: DT50AS/L/LL
Год выпуска двигателя: 1995
Регион: General Export No.1 ,Код региона: P01
Цвет: California Gray Metallic
Номер на рисунке | Артикул | Наименование | QTY | Кол-во на складе | Цена |
| 1 | 69200-95509-000 | Колпачок Set, Масляный бак Filler - Cap Set, Oil Tank Filler (Cap Set, Oil Tank Filler) | | под заказ | 0 руб. |
| 1 | 69201-95500-000 | (актуальный код замены) Запчасть снята с производства - The Spare Part Is Laid Off | | под заказ | 0 руб. |
| 1 | 69201-95500-000 | Колпачок Set, Масляный бак Filler - Cap Set, Oil Tank Filler (Cap, oil tank filler ) (Cap Set, Oil Tank Filler) | | под заказ | 0 руб. |
| 2 | 09280-41006-000 | Уплотнительное кольцо (d: 3.5, Id: 41.7) - O Ring (d:35, Id:417) (Gasket ) (O Ring (d:3.5, Id:41.7)) | | под заказ | 0 руб. |
| 3 | 69101-94700-000 | Tank Set, Oil - Tank Set, Oil (Tank, oil # Tank, oil; ) (Tank Set, Oil) | | под заказ | 0 руб. |
| 4 | 09160-06084-000 | Шайба (6.5x18x1.6) - Washer (65x18x16) (Washer (6.5x18x1.6)) | | 7 шт | 130 руб. |
| 5 | 09180-06310-000 | Проставка (6.5x10x10) - Spacer (65x10x10) (Spacer (6.8x10x10) # Spacer (6.8x10x10); ) (Spacer (6.5x10x10)) | | под заказ | 150 руб. |
| 6 | 09320-10008-000 | Подушка - Cushion (Cushion ) (Cushion) | | под заказ | 190 руб. |
| 6 | 09320-10075-000 | (актуальный код замены) Подушка - Cushion | | под заказ | 190 руб. |
| 7 | 01550-06257-000 | Болт - Bolt (Bolt) | | под заказ | 180 руб. |
| 8 | 01550-06167-000 | Болт - Bolt (Boltl; ) (Bolt) | | 9 шт | 210 руб. |
| 9 | 34860-94741-000 | Датчик в сборе, Oil Level - Sensor Assy, Oil Level (Switch assy, oil level # Switch assy, oil level; ) (Sensor Assy, Oil Level) | | под заказ | 0 руб. |
| 10 | 69311-94700-000 | Brace, Масляный бак - Brace, Oil Tank (Brace, Oil Tank) | | под заказ | 0 руб. |
| 11 | 09352-50903-600 | Шланг (5x9x600) - Hose (5x9x600) (Hose no.1 (5x9x300); L:600->10 ) (Hose (5x9x600)) | | под заказ | 570 руб. |
| 11 | 09352-50006-600 | (актуальный код замены) Шланг (5x9x600) - Hose (5x9x600) | | 1 шт | 570 руб. |
| 12 | 09352-50903-600 | Шланг (5x9x600) - Hose (5x9x600) (Hose no.2 (5x9x300); L:600->50 ) (Hose (5x9x600)) | | под заказ | 570 руб. |
| 12 | 09352-50006-600 | (актуальный код замены) Шланг (5x9x600) - Hose (5x9x600) | | 1 шт | 570 руб. |
| 13 | 09401-08411-000 | Зажим - Clip (Clip) | | 8 шт | 130 руб. |
| 14 | 16911-92E20-000 | Защита (9x11x540) - Protector (9x11x540) (Protector (9x11x540); L:540->0 ) (Protector (9x11x540)) | | под заказ | 810 руб. |
| 15 | 38423-95510-000 | Трубка провода переключателя (l: 250) - Tube, Switch Lead (l:250) (Tube; L:150->00) (Tube, Switch Lead (l:250)) | | под заказ | 610 руб. |
| 15 | 33833-91J00-000 | (актуальный код замены) Трубка провода переключателя (l: 250) - Tube, Switch Lead (l:250) | | под заказ | 610 руб. |
| 15 | 33833-91J00-000 | Трубка провода переключателя (l: 250) - Tube, Switch Lead (l:250) (Tube, Switch Lead (l:250)) | | под заказ | 610 руб. |
| 16 | 09403-12308-000 | Струбцина - Clamp (Clamp) | | под заказ | 290 руб. |
| 16 | 09403-12322-000 | (актуальный код замены) Струбцина - Clamp | | под заказ | 290 руб. |
| 17 | 34701-92X50-000 | Gauge Set, MonitУплотнительное кольцо - Gauge Set, Monito Ring (Indicator, oil & water warning # Indicator, oil & water warning; ) (Gauge Set, Monito Ring) | | под заказ | 0 руб. |
| 17 | 34700-92E11-000 | Gauge в сборе, MonitoКольцо - Gauge Assy, Monitoring (Indicator, monitoring # Indicator, monitoring; Model:94 ) (Gauge Assy, Monitoring) | | под заказ | 36960 руб. |
| 18 | 16250-94710-000 | Датчик, Oil - Sensor, Oil (Sensor, oil; ) (Sensor, Oil) | | под заказ | 4950 руб. |
Время выполнения запроса 1.6334228515625 сек. |
|