Подобрать оригинальные запчасти на лодочный подвесной мотор Suzuki DT50AS/L/LL модель 1995 года - Swivel bracket - Поворотный кронштейн
вконтакте

Контактный телефон: +7 (981) 121-46-93, +7 (800) 200-90-76 , Email: parts-katalog@yandex.ru, где купить

 
 

  Логин:

Пароль:

Регистрация

www.partskatalog.ru Все каталоги Запчасти Mercury Запчасти Suzuki Запчасти Tohatsu Запчасти Honda Контакты



УВАЖАЕМЫЕ КЛИЕНТЫ!
C 19 ДЕКАБРЯ 2025 ПО 02 МАРТА 2026 ГОДА ОТДЕЛ ЗАПЧАСТЕЙ И СЕРВИС РАБОТАТЬ НЕ БУДУТ
ПРОДАЖА ЛОДОЧНЫХ МОТОРОВ В ШТАТНОМ РЕЖИМЕ
ОБ ИЗМЕНЕНИЯХ В ГРАФИКЕ РАБОТЫ ЧИТАЙТЕ НА САЙТА



назад Раздел:   вперёд

Вернуться к выбору узлов мотора


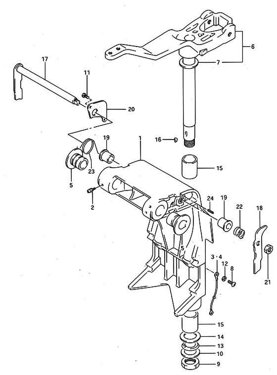
ДЕТАЛИРОВКА ДЛЯ МОДЕЛИ: SUZUKI DT50ATC S

Поворотный кронштейн


Код модели двигателя: DT50AS/L/LL

Год выпуска двигателя: 1995

Цвет: California Gray Metallic

Номер на
рисунке
АртикулНаименованиеQTYКол-во
на складе
Цена
143111-95E01-0ED

(->3111-95E41-0ED USED WITH 09160-05024 (2))

под заказнет сведений
109160-05024-000

Шайба (5.5x16x1.5) - Washer (55x16x15) (Washer (5.5x16x1.5))

под заказ120 руб.
143111-95E11-0ED

(->3111-95E51-0ED USED WITH 09160-05024 (2))

под заказнет сведений
109160-05024-000

Шайба (5.5x16x1.5) - Washer (55x16x15) (Washer (5.5x16x1.5))

под заказ120 руб.
222511-99010-000

Ниппель смазки - Nipple, Grease (Nipple, Grease)

под заказ340 руб.
222511-99011-000

   (актуальный код замены) Ниппель смазки - Nipple, Grease

9 шт400 руб.
222511-99011-000

Ниппель смазки - Nipple, Grease (Nipple, Grease)

9 шт400 руб.
336894-95301-000

Lead (l: 250) - Lead (l:250) (Lead (s) # TYPE:S ) (Lead (l:250))

под заказ0 руб.
436894-94401-000

Lead (l: 195) - Lead (l:195) (Lead (l, ll) # TYPE:L/LL/UL ) (Lead (l:195))

под заказ1170 руб.
543211-95510-000

Втулка струбцины поворотного вала - Bush, Clamp Shaft Swivel (Bush, clamp shaft swivel ) (Bush, Clamp Shaft Swivel)

под заказ0 руб.
643750-95254-0ED

Кронштейн рулевого управления (gray) - Bracket, Steering (gray) (Bracket, steering (l/ll) # <-3750-95253-0ED ) (Bracket, Steering (gray))

под заказ0 руб.
643750-95754-0ED

Кронштейн рулевого управления (gray) - Bracket, Steering (gray) (Bracket, steering (s) # <-3750-95753-0ED ) (Bracket, Steering (gray))

под заказ0 руб.
709160-25052-000

Запчасть снята с производства - The Spare Part Is Laid Off (The Spare Part Is Laid Off)

под заказ0 руб.
809125-05050-000

Винт (5x8) - Screw (5x8) (Screw (5x8))

под заказ150 руб.
909140-24010-000

Гайка - Nut (Nut)

под заказ0 руб.
1009160-25052-000

Запчасть снята с производства - The Spare Part Is Laid Off (The Spare Part Is Laid Off)

под заказ0 руб.
1109125-05050-000

Винт (5x8) - Screw (5x8) (Screw (5x8))

под заказ150 руб.
1209161-05114-000

Шайба (5.2x11x1) - Washer (52x11x1) (Washer (5.2x11.0x1.0) ) (Washer (5.2x11x1))

под заказ290 руб.
1309166-25007-000

Запчасть снята с производства - The Spare Part Is Laid Off (The Spare Part Is Laid Off)

под заказ0 руб.
1409181-26006-000

Запчасть снята с производства - The Spare Part Is Laid Off (The Spare Part Is Laid Off)

под заказ0 руб.
1509306-26005-000

Запчасть снята с производства - The Spare Part Is Laid Off (The Spare Part Is Laid Off)

под заказ0 руб.
1509307-26004-000

   (актуальный код замены) Запчасть снята с производства - The Spare Part Is Laid Off

под заказ0 руб.
1609420-05003-000

Ключ - Key (Key)

под заказ600 руб.
1741220-95E00-000

Запчасть снята с производства - The Spare Part Is Laid Off (The Spare Part Is Laid Off)

под заказ0 руб.
1841221-95E31-01T

Запчасть снята с производства - The Spare Part Is Laid Off (The Spare Part Is Laid Off)

под заказ0 руб.
1941224-95E01-000

Втулка тяги ограничителя наклона - Bush, Tilt Stopper Rod (Bush, tilt stopper rod ) (Bush, Tilt Stopper Rod)

под заказ570 руб.
2041227-95E00-000

Стопор, Пружина - Stopper, Spring (Stpper, spring ) (Stopper, Spring)

под заказ0 руб.
2109140-10032-000

Гайка - Nut (Nut)

10 шт160 руб.
2209440-19028-000

Пружина - Spring (Spring)

7 шт260 руб.
2309444-34001-000

Запчасть снята с производства - The Spare Part Is Laid Off (The Spare Part Is Laid Off)

под заказ0 руб.
2309448-34006-000

   (актуальный код замены) Запчасть снята с производства - The Spare Part Is Laid Off

под заказ0 руб.
2409205-06013-000

Стопор пружины (6x16) - Pin, Spring (6x16) (Pin, Spring (6x16))

под заказ150 руб.


Время выполнения запроса 1.1841218471527 сек.

 
 

данный сайт носит информационный характер и не является публичной офертой

склад запчастей для водомоторной техники