Подобрать запчасти на подвесной двигатель Сузуки DT50AS/L/LL модель 1995 года - Oil tank
вконтакте

Контактный телефон: +7 (981) 121-46-93, +7 (800) 200-90-76 , Email: parts-katalog@yandex.ru, где купить

 
 

  Логин:

Пароль:

Регистрация

www.partskatalog.ru Все каталоги Запчасти Mercury Запчасти Suzuki Запчасти Tohatsu Запчасти Honda Контакты



УВАЖАЕМЫЕ КЛИЕНТЫ!
C 19 ДЕКАБРЯ 2025 ПО 02 МАРТА 2026 ГОДА ОТДЕЛ ЗАПЧАСТЕЙ И СЕРВИС РАБОТАТЬ НЕ БУДУТ
ПРОДАЖА ЛОДОЧНЫХ МОТОРОВ В ШТАТНОМ РЕЖИМЕ
ОБ ИЗМЕНЕНИЯХ В ГРАФИКЕ РАБОТЫ ЧИТАЙТЕ НА САЙТА



назад Раздел:   вперёд

Вернуться к выбору узлов мотора


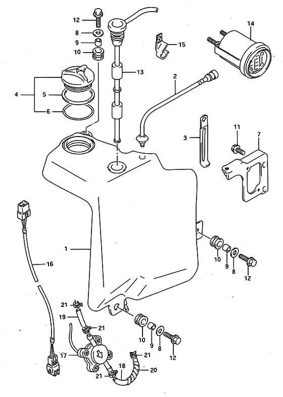
ДЕТАЛИРОВКА ДЛЯ МОДЕЛИ: SUZUKI DT50ATC S

Масляный бак


Код модели двигателя: DT50AS/L/LL

Год выпуска двигателя: 1995

Цвет: California Gray Metallic

Номер на
рисунке
АртикулНаименованиеQTYКол-во
на складе
Цена
169101-94700-000

Tank Set, Oil - Tank Set, Oil (Tank, oil ) (Tank Set, Oil)

под заказ0 руб.
269220-94700-000

Запчасть снята с производства - The Spare Part Is Laid Off (The Spare Part Is Laid Off)

под заказ0 руб.
309404-06434-000

Струбцина (l: 80 T: 1.0) - Clamp (l:80 T:10) (Clamp (l:80 T:1.0))

под заказ170 руб.
309404-06036-000

   (актуальный код замены) Струбцина (l: 80) - Clamp (l:80)

под заказ170 руб.
469201-95500-000

Колпачок Set, Масляный бак Filler - Cap Set, Oil Tank Filler (Cap, oil tank filler ) (Cap Set, Oil Tank Filler)

под заказ0 руб.
509280-41006-000

Уплотнительное кольцо (d: 3.5, Id: 41.7) - O Ring (d:35, Id:417) (Gasket ) (O Ring (d:3.5, Id:41.7))

под заказ0 руб.
669241-95510-000

Прокладка, Масляный бак Filler Колпачок - Gasket, Oil Tank Filler Cap (461092~ ) (Gasket, Oil Tank Filler Cap)

под заказ0 руб.
769311-94700-000

Brace, Масляный бак - Brace, Oil Tank (Brace, Oil Tank)

под заказ0 руб.
809160-06084-000

Шайба (6.5x18x1.6) - Washer (65x18x16) (Washer (6.5x18x1.6))

7 шт130 руб.
909180-06310-000

Проставка (6.5x10x10) - Spacer (65x10x10) (Spacer (6.8x10x10) # <-9180-06030 ) (Spacer (6.5x10x10))

под заказ150 руб.
1009320-10008-000

Подушка - Cushion (Cushion ) (Cushion)

под заказ190 руб.
1009320-10075-000

   (актуальный код замены) Подушка - Cushion

под заказ190 руб.
1102162-06167-000

Болт - Bolt (Bolt)

под заказ180 руб.
1101550-06167-000

   (актуальный код замены) Болт - Bolt

9 шт210 руб.
1101550-06167-000

Болт - Bolt (Bolt)

9 шт210 руб.
1202162-06257-000

Винт - Screw (Bolt ) (Screw)

7 шт150 руб.
1334860-94741-000

Датчик в сборе, Oil Level - Sensor Assy, Oil Level (Switch assy, oil level ) (Sensor Assy, Oil Level)

под заказ0 руб.
1434700-92E11-000

Gauge в сборе, MonitoКольцо - Gauge Assy, Monitoring (Indicator, monitoring ) (Gauge Assy, Monitoring)

под заказ36960 руб.
1509403-12308-000

Струбцина - Clamp (Clamp)

под заказ290 руб.
1509403-12322-000

   (актуальный код замены) Струбцина - Clamp

под заказ290 руб.
1636660-92E90-000

Провод, Monitor Gauge Ext (l: 2000) - Wire, Monitor Gauge Ext (l:2000) (Wire, monitor gauge ext # OPT ) (Wire, Monitor Gauge Ext (l:2000))

под заказ0 руб.
1636660-95610-000

Провод, Monitor Gauge Ext (l: 7200) - Wire, Monitor Gauge Ext (l:7200) (Wire, monitor gauge ext ) (Wire, Monitor Gauge Ext (l:7200))

под заказ0 руб.
1716250-94710-000

Датчик, Oil - Sensor, Oil (Sensor, Oil)

под заказ4950 руб.
1809352-50903-600

Шланг (5x9x600) - Hose (5x9x600) (L:600->25 ) (Hose (5x9x600))

под заказ570 руб.
1809352-50006-600

   (актуальный код замены) Шланг (5x9x600) - Hose (5x9x600)

1 шт570 руб.
1909352-50903-600

Шланг (5x9x600) - Hose (5x9x600) (L:600->50 ) (Hose (5x9x600))

под заказ570 руб.
1909352-50006-600

   (актуальный код замены) Шланг (5x9x600) - Hose (5x9x600)

1 шт570 руб.
2016911-92E20-000

Защита (9x11x540) - Protector (9x11x540) (Protector (9x11x540))

под заказ810 руб.
2109401-08411-000

Зажим - Clip (Clip)

8 шт130 руб.


Время выполнения запроса 5.6912438869476 сек.

 
 

данный сайт носит информационный характер и не является публичной офертой

склад запчастей для водомоторной техники