Найти запчасти на подвесной мотор Suzuki DT50AS/L/LL - Transmission
вконтакте

Контактный телефон: +7 (981) 121-46-93, +7 (800) 200-90-76 , Email: parts-katalog@yandex.ru, где купить

 
 

  Логин:

Пароль:

Регистрация

www.partskatalog.ru Все каталоги Запчасти Mercury Запчасти Suzuki Запчасти Tohatsu Запчасти Honda Контакты



УВАЖАЕМЫЕ КЛИЕНТЫ!
C 19 ДЕКАБРЯ 2025 ПО 02 МАРТА 2026 ГОДА ОТДЕЛ ЗАПЧАСТЕЙ И СЕРВИС РАБОТАТЬ НЕ БУДУТ
ПРОДАЖА ЛОДОЧНЫХ МОТОРОВ В ШТАТНОМ РЕЖИМЕ
ОБ ИЗМЕНЕНИЯХ В ГРАФИКЕ РАБОТЫ ЧИТАЙТЕ НА САЙТА



назад Раздел:   вперёд

Вернуться к выбору узлов мотора


ДЕТАЛИРОВКА ДЛЯ МОДЕЛИ: SUZUKI DT50ATC T

Трансмиссия


Код модели двигателя: DT50AS/L/LL

Год выпуска двигателя: 1996

Цвет: California Gray Metallic

Номер на
рисунке
АртикулНаименованиеQTYКол-во
на складе
Цена
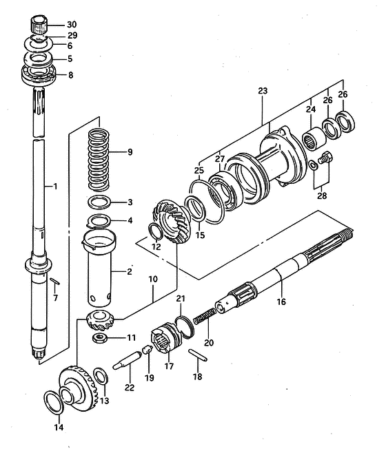
157110-94701-000

Запчасть снята с производства - The Spare Part Is Laid Off (L:816) (The Spare Part Is Laid Off)

под заказ0 руб.
157110-94711-000

Запчасть снята с производства - The Spare Part Is Laid Off (L:701) (The Spare Part Is Laid Off)

под заказ0 руб.
157110-94731-000

Запчасть снята с производства - The Spare Part Is Laid Off (L:892) (The Spare Part Is Laid Off)

под заказ0 руб.
257133-95300-000

Воротник, Трансмиссионное масло Помпа Направляющая - Collar, Gear Oil Pump Guide (Collar, gear oil pump ) (Collar, Gear Oil Pump Guide)

под заказ0 руб.
309160-27007-000

Запчасть снята с производства - The Spare Part Is Laid Off (OD:37, T:3.0) (The Spare Part Is Laid Off)

под заказ0 руб.
409167-28005-000

Запчасть снята с производства - The Spare Part Is Laid Off (OD:38, T:2.5) (The Spare Part Is Laid Off)

под заказ0 руб.
509160-32010-000

Запчасть снята с производства - The Spare Part Is Laid Off (OD:47, T:3.0) (The Spare Part Is Laid Off)

под заказ0 руб.
609181-30019-000

Регулировочная шайба (30x46x0.5) - Shim (30x46x05) (Shim (30x46x0.5))

под заказ0 руб.
609181-30213-000

   (актуальный код замены) Запчасть снята с производства - The Spare Part Is Laid Off

под заказ0 руб.
609181-30213-000

Регулировочная шайба (30x46x0.5) - Shim (30x46x05) (Shim (30x46x0.5))

под заказ0 руб.
609181-30024-000

Регулировочная шайба (30x46x1) - Shim (30x46x1) (Shim (30x46x1))

под заказ0 руб.
609181-30222-000

   (актуальный код замены) Запчасть снята с производства - The Spare Part Is Laid Off

под заказ0 руб.
609181-30222-000

Регулировочная шайба (30x46x1) - Shim (30x46x1) (Shim (30x46x1))

под заказ0 руб.
609181-30213-000

Регулировочная шайба (30x46x0.5) - Shim (30x46x05) (MODEL:97~99 ) (Shim (30x46x0.5))

под заказ0 руб.
609181-30215-000

Запчасть снята с производства - The Spare Part Is Laid Off (<-9181-30020) (The Spare Part Is Laid Off)

под заказ0 руб.
609181-30216-000

Запчасть снята с производства - The Spare Part Is Laid Off (<-9181-30021) (The Spare Part Is Laid Off)

под заказ0 руб.
609181-30218-000

Запчасть снята с производства - The Spare Part Is Laid Off (<-9181-30022) (The Spare Part Is Laid Off)

под заказ0 руб.
609181-30220-000

Запчасть снята с производства - The Spare Part Is Laid Off (<-9181-30023) (The Spare Part Is Laid Off)

под заказ0 руб.
609181-30222-000

Регулировочная шайба (30x46x1) - Shim (30x46x1) (MODEL:97~99 ) (Shim (30x46x1))

под заказ0 руб.
709205-03028-000

Стопор пружины (3x14) - Pin, Spring (3x14) (Pin, driveshaft spring # <-9205-03028 ) (Pin, Spring (3x14))

под заказ170 руб.
809269-30009-000

Подшипник (30x47x5) - Bearing (30x47x5) (Bearing, driveshaft (30x62x16) ) (Bearing (30x47x5))

под заказ0 руб.
909440-27010-000

Пружина - Spring (Spring, driveshaft ) (Spring)

под заказ0 руб.
1057301-95852-000

Комплект шестерёнок - Pinion & Gear Set (Pinion/gear set # <-7301-95851 ) (Pinion & Gear Set)

под заказ0 руб.
1109140-14024-000

Гайка - Nut (Nut)

18 шт270 руб.
1209160-25046-000

Запчасть снята с производства - The Spare Part Is Laid Off (The Spare Part Is Laid Off)

под заказ0 руб.
1209160-25047-000

Запчасть снята с производства - The Spare Part Is Laid Off (The Spare Part Is Laid Off)

под заказ0 руб.
1209160-25048-000

Шайба (25.4x31x2) - Washer (254x31x2) (Washer (25.4x31x2))

под заказ0 руб.
1209160-25049-000

Запчасть снята с производства - The Spare Part Is Laid Off (The Spare Part Is Laid Off)

под заказ0 руб.
1209160-25050-000

Шайба (25.4x31x2.2) - Washer (254x31x22) (Washer (25.4x31x2.2))

под заказ0 руб.
1209160-25051-000

Шайба (25.4x31x2.3) - Washer (254x31x23) (Washer (25.4x31x2.3))

под заказ0 руб.
1309160-22029-000

Шайба (22x30x2.5) - Washer (22x30x25) (FORWARD ) (Washer (22x30x2.5))

под заказ0 руб.
1408211-35451-000

Шайба - Washer (Shim (35x45x1.0) ) (Washer)

19 шт290 руб.
1408221-35455-000

Регулировочная шайба - Shim (Shim (35x45x0.5) ) (Shim)

17 шт270 руб.
1408221-35456-000

Регулировочная шайба - Shim (Shim (35x45x0.8) ) (Shim)

7 шт240 руб.
1409181-35131-000

Регулировочная шайба (35x46x0.6) - Shim (35x46x06) (Shim (35x45x0.6) ) (Shim (35x46x0.6))

8 шт300 руб.
1409181-35132-000

Регулировочная шайба (35x46x0.7) - Shim (35x46x07) (Shim (35x46x0.7) ) (Shim (35x46x0.7))

20 шт360 руб.
1409181-35136-000

Регулировочная шайба (35x46x0.9) - Shim (35x46x09) (Shim (35x45x0.9) ) (Shim (35x46x0.9))

11 шт240 руб.
1508221-40505-000

Запчасть снята с производства - The Spare Part Is Laid Off (The Spare Part Is Laid Off)

под заказ0 руб.
1509181-40158-000

   (актуальный код замены) Запчасть снята с производства - The Spare Part Is Laid Off

под заказ0 руб.
1509181-40158-000

Запчасть снята с производства - The Spare Part Is Laid Off (The Spare Part Is Laid Off)

под заказ0 руб.
1509181-40159-000

Регулировочная шайба (40x50x0.6) - Shim (40x50x06) (Shim (t:0.6) ) (Shim (40x50x0.6))

под заказ0 руб.
1509181-40160-000

Запчасть снята с производства - The Spare Part Is Laid Off (The Spare Part Is Laid Off)

под заказ0 руб.
1509181-40162-000

Запчасть снята с производства - The Spare Part Is Laid Off (The Spare Part Is Laid Off)

под заказ0 руб.
1509181-40016-000

Регулировочная шайба (40x50x0.6) - Shim (40x50x06) (Shim (40x50x0.6))

под заказ0 руб.
1509181-40159-000

   (актуальный код замены) Запчасть снята с производства - The Spare Part Is Laid Off

под заказ0 руб.
1509181-40159-000

Регулировочная шайба (40x50x0.6) - Shim (40x50x06) (Shim (t:0.6) ) (Shim (40x50x0.6))

под заказ0 руб.
1509181-40017-000

Запчасть снята с производства - The Spare Part Is Laid Off (The Spare Part Is Laid Off)

под заказ0 руб.
1509181-40160-000

   (актуальный код замены) Запчасть снята с производства - The Spare Part Is Laid Off

под заказ0 руб.
1657610-95301-000

Вал гребного винта - Shaft, Propeller (Shaft, Propeller)

под заказ0 руб.
1757621-95302-000

Переключатель собачки сцепления - Shifter, Clutch Dog (Shifter, clutch dog # <-7621-95301 ) (Shifter, Clutch Dog)

под заказ0 руб.
1809202-06024-000

Запчасть снята с производства - The Spare Part Is Laid Off (The Spare Part Is Laid Off)

под заказ0 руб.
1909209-09006-000

Запчасть снята с производства - The Spare Part Is Laid Off (The Spare Part Is Laid Off)

под заказ0 руб.
2009440-09017-000

Запчасть снята с производства - The Spare Part Is Laid Off (The Spare Part Is Laid Off)

под заказ0 руб.
2109440-40001-000

Пружина - Spring (Spring, dog ) (Spring)

под заказ0 руб.
2257631-95310-000

Запчасть снята с производства - The Spare Part Is Laid Off (The Spare Part Is Laid Off)

под заказ0 руб.
2356120-95320-0ED

Запчасть снята с производства - The Spare Part Is Laid Off (The Spare Part Is Laid Off)

под заказ0 руб.
2409263-25041-000

Подшипник (25x33x25) - Bearing (25x33x25) (Bearing, propeller shaft ) (Bearing (25x33x25))

под заказ0 руб.
2509280-88001-000

Уплотнительное кольцо (d: 3.1, Id: 82.5) - O Ring (d:31, Id:825) (O Ring (d:3.1, Id:82.5))

под заказ0 руб.
2609282-25001-000

Сальник (25x38x8) - Seal, Oil (25x38x8) (Oil seal (d:5.0) ) (Seal, Oil (25x38x8))

93 шт660 руб.
26SK09282-25001

   (не оригинальный аналог) Сальник гребного вала Skipper для Suzuki Модели техники: DF70-90

0 шт157 руб.
2708113-60087-000

Подшипник - Bearing (Bearing, reverse gear ) (Bearing)

8 шт3620 руб.
27SK08113-60087

   (не оригинальный аналог) Подшипник шестерни заднего хода Skipper для Suzuki DT50/90/100, DF60-70, DF70A-90A

0 шт1091 руб.
2809117-08047-000

Болт (8x30) - Bolt (8x30) (Bolt (8x30))

10 шт520 руб.
2909387-29001-000

Стопорное кольцо - Circlip (Ring, drive shaft bush # TYPE:LL ) (Circlip)

под заказ0 руб.
3057130-94301-000

Втулка вала передачи - Bush, Drive Shaft (Bush, dirve shaft # TYPE:LL ) (Bush, Drive Shaft)

11 шт1000 руб.


Время выполнения запроса 3.9165329933167 сек.

 
 

данный сайт носит информационный характер и не является публичной офертой

склад запчастей для водомоторной техники