Подобрать запчасти на подвесной двигатель Suzuki DT50AS/L/LL модель 1997 года - Соединитель дросселя
вконтакте

Контактный телефон: +7 (981) 121-46-93, +7 (800) 200-90-76 , Email: parts-katalog@yandex.ru, где купить

 
 

  Логин:

Пароль:

Регистрация

www.partskatalog.ru Все каталоги Запчасти Mercury Запчасти Suzuki Запчасти Tohatsu Запчасти Honda Контакты



УВАЖАЕМЫЕ КЛИЕНТЫ!
C 19 ДЕКАБРЯ 2025 ПО 02 МАРТА 2026 ГОДА ОТДЕЛ ЗАПЧАСТЕЙ И СЕРВИС РАБОТАТЬ НЕ БУДУТ
ПРОДАЖА ЛОДОЧНЫХ МОТОРОВ В ШТАТНОМ РЕЖИМЕ
ОБ ИЗМЕНЕНИЯХ В ГРАФИКЕ РАБОТЫ ЧИТАЙТЕ НА САЙТА



назад Раздел:   вперёд

Вернуться к выбору узлов мотора


ДЕТАЛИРОВКА ДЛЯ МОДЕЛИ: SUZUKI DT50ATC V

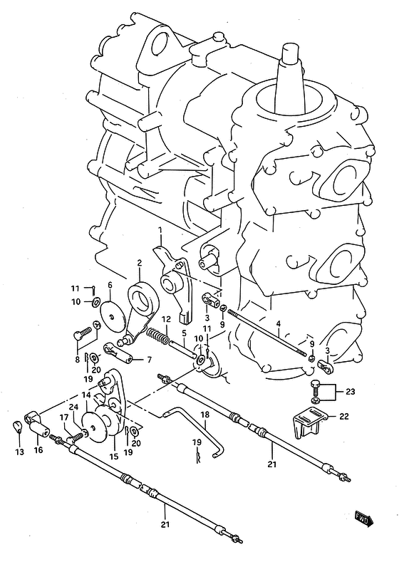
Соединитель дросселя


Код модели двигателя: DT50AS/L/LL

Год выпуска двигателя: 1997

Цвет: California Gray Metallic

Номер на
рисунке
АртикулНаименованиеQTYКол-во
на складе
Цена
119121-94701-000

Запчасть снята с производства - The Spare Part Is Laid Off (The Spare Part Is Laid Off)

под заказ0 руб.
219122-94701-000

(->9122-94702 USED WITH 08322-01067 09385-06003)

под заказнет сведений
208322-01067-000

Шайба - Washer (Washer)

10 шт160 руб.
209385-06003-000

Зажим - Clip (Clip)

под заказ0 руб.
219122-94702-000

Рукоятка дроссельной заслонки Управление - Arm, Throttle Control (Arm, throttle control ) (Arm, Throttle Control)

под заказ1210 руб.
219122-94702-000

Рукоятка дроссельной заслонки Управление - Arm, Throttle Control (Arm, throttle control # MODEL:95~99 ) (Arm, Throttle Control)

под заказ1210 руб.
319131-95502-000

Коннектор - Connector (Connector, oil pump no.2 ) (Connector)

21 шт530 руб.
416411-94400-000

Тяга, Масляный насос Управление - Rod, Oil Pump Control (Rod, throttle lever ) (Rod, Oil Pump Control)

под заказ0 руб.
519137-94700-000

Штифт, Рычаг дросселя Демпфер - Pin, Throttle Lever Damper (Pin, throttle lever damper ) (Pin, Throttle Lever Damper)

под заказ0 руб.
619211-94700-000

Шайба, Сцепление Управление Рычаг - Washer, Clutch Control Arm (Washer, throttle lever ) (Washer, Clutch Control Arm)

под заказ0 руб.
767466-95200-000

Коннектор - Connector (Connector, throttle cable ) (Connector)

18 шт560 руб.
801570-06167-000

Болт - Bolt (MODEL:97~99 ) (Bolt)

под заказ190 руб.
809117-06040-000

Болт (6x15) - Bolt (6x15) (Bolt (6x15))

под заказ310 руб.
809117-06040-XC0

   (актуальный код замены) Болт (6x15) - Bolt (6x15)

30 шт310 руб.
809117-06040-XC0

Болт (6x15) - Bolt (6x15) (Bolt (6x15))

30 шт310 руб.
909140-05005-000

Гайка - Nut (Nut)

10 шт270 руб.
1009160-06082-000

Шайба (6.5x13x1.0) - Washer (65x13x10) (Washer (6.5x13x1.0))

7 шт150 руб.
1109204-01002-000

Штифт - Pin (Cotter pin ) (Pin)

24 шт140 руб.
1209440-09021-000

Пружина - Spring (Spring)

под заказ0 руб.
1319113-95300-000

Колпачок, Коннектор - Cap, Connector (Cap, Connector)

под заказ0 руб.
1419211-94700-000

Шайба, Сцепление Управление Рычаг - Washer, Clutch Control Arm (Washer, throttle lever ) (Washer, Clutch Control Arm)

под заказ0 руб.
1523211-94702-000

Запчасть снята с производства - The Spare Part Is Laid Off (<-3211-94701) (The Spare Part Is Laid Off)

под заказ0 руб.
1667467-95201-000

Коннектор, Remote Кабели - Connector, Remote Cable (Connector, Remote Cable)

под заказ0 руб.
1701570-06167-000

Болт - Bolt (Bolt)

под заказ190 руб.
1823111-94701-000

Запчасть снята с производства - The Spare Part Is Laid Off (<-3111-94700) (The Spare Part Is Laid Off)

под заказ0 руб.
1909385-06003-000

Зажим - Clip (Clip)

под заказ0 руб.
2008322-01067-000

Шайба - Washer (Washer)

10 шт160 руб.
2167320-95540-000

Тросик дистанционного управления (10f: 3.1m) - Cable Assy, Remocon (10f:31m) (Cable Assy, Remocon (10f:3.1m))

под заказ6340 руб.
2167320-93J10-000

   (актуальный код замены) Тросик дистанционного управления (10f: 3.1m) - Cable Assy, Remocon (10f:3.1m)

под заказ6340 руб.
2167320-93J10-000

Тросик дистанционного управления (10f: 3.1m) - Cable Assy, Remocon (10f:31m) (Cable Assy, Remocon (10f:3.1m))

под заказ6340 руб.
2167320-95560-000

Тросик дистанционного управления (12f: 3.7m) - Cable Assy, Remocon (12f:37m) (Cable Assy, Remocon (12f:3.7m))

под заказ6920 руб.
2167320-93J20-000

   (актуальный код замены) Тросик дистанционного управления (12f: 3.7m) - Cable Assy, Remocon (12f:3.7m)

под заказ6920 руб.
2167320-93J20-000

Тросик дистанционного управления (12f: 3.7m) - Cable Assy, Remocon (12f:37m) (Cable Assy, Remocon (12f:3.7m))

под заказ6920 руб.
2167320-95580-000

Тросик дистанционного управления (14f: 4.2m) - Cable Assy, Remocon (14f:42m) (Cable Assy, Remocon (14f:4.2m))

под заказ7490 руб.
2167320-93J30-000

   (актуальный код замены) Тросик дистанционного управления (14f: 4.2m) - Cable Assy, Remocon (14f:4.2m)

3 шт7490 руб.
2167320-93J30-000

Тросик дистанционного управления (14f: 4.2m) - Cable Assy, Remocon (14f:42m) (Cable Assy, Remocon (14f:4.2m))

3 шт7490 руб.
2167320-95600-000

Тросик дистанционного управления (16f: 4.8m) - Cable Assy, Remocon (16f:48m) (Cable Assy, Remocon (16f:4.8m))

под заказ8020 руб.
2167320-93J40-000

   (актуальный код замены) Тросик дистанционного управления (16f: 4.8m) - Cable Assy, Remocon (16f:4.8m)

под заказ8020 руб.
2167320-93J40-000

Тросик дистанционного управления (16f: 4.8m) - Cable Assy, Remocon (16f:48m) (Cable Assy, Remocon (16f:4.8m))

под заказ8020 руб.
2167320-95620-000

Тросик дистанционного управления (18f: 5.4m) - Cable Assy, Remocon (18f:54m) (Cable Assy, Remocon (18f:5.4m))

под заказ8600 руб.
2167320-93J50-000

   (актуальный код замены) Тросик дистанционного управления (18f: 5.4m) - Cable Assy, Remocon (18f:5.4m)

под заказ8600 руб.
2167320-93J50-000

Тросик дистанционного управления (18f: 5.4m) - Cable Assy, Remocon (18f:54m) (Cable Assy, Remocon (18f:5.4m))

под заказ8600 руб.
2267271-95213-000

Держатель кабеля дистанционного управления - Holder, Remocon Cable (Holder, remo-cont cable ) (Holder, Remocon Cable)

под заказ0 руб.
2309116-06092-000

Болт (6x15) - Bolt (6x15) (Bolt (6x15))

под заказ230 руб.
2309116-06094-000

   (актуальный код замены) Болт (6x15) - Bolt (6x15)

20 шт270 руб.
2309116-06094-000

Болт (6x15) - Bolt (6x15) (Bolt (6x15))

20 шт270 руб.


Время выполнения запроса 2.8811509609222 сек.

 
 

данный сайт носит информационный характер и не является публичной офертой

склад запчастей для водомоторной техники