Подобрать оригинальные запчасти на мотор Suzuki DT50AS/L/LL - Кронштейн транца - Clamp bracket
вконтакте

Контактный телефон: +7 (981) 121-46-93, +7 (800) 200-90-76 , Email: parts-katalog@yandex.ru, где купить

 
 

  Логин:

Пароль:

Регистрация

www.partskatalog.ru Все каталоги Запчасти Mercury Запчасти Suzuki Запчасти Tohatsu Запчасти Honda Контакты



УВАЖАЕМЫЕ КЛИЕНТЫ!
C 19 ДЕКАБРЯ 2025 ПО 02 МАРТА 2026 ГОДА ОТДЕЛ ЗАПЧАСТЕЙ И СЕРВИС РАБОТАТЬ НЕ БУДУТ
ПРОДАЖА ЛОДОЧНЫХ МОТОРОВ В ШТАТНОМ РЕЖИМЕ
ОБ ИЗМЕНЕНИЯХ В ГРАФИКЕ РАБОТЫ ЧИТАЙТЕ НА САЙТА



назад Раздел:   вперёд

Вернуться к выбору узлов мотора


ДЕТАЛИРОВКА ДЛЯ МОДЕЛИ: SUZUKI DT50ATC W

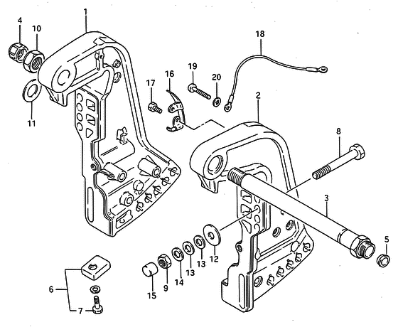
Кронштейн транца


Код модели двигателя: DT50AS/L/LL

Год выпуска двигателя: 1998

Цвет: California Gray Metallic

Номер на
рисунке
АртикулНаименованиеQTYКол-во
на складе
Цена
141111-95602-0ED

Запчасть снята с производства - The Spare Part Is Laid Off (<-1111-95601-0ED) (The Spare Part Is Laid Off)

под заказ0 руб.
241121-95610-0ED

Запчасть снята с производства - The Spare Part Is Laid Off (The Spare Part Is Laid Off)

под заказ0 руб.
241121-94582-0ED

   (актуальный код замены) Запчасть снята с производства - The Spare Part Is Laid Off

под заказ0 руб.
341130-95540-000

Труба кронштейна транца - Shaft, Clamp Bracket (<-1130-95520) (Shaft, Clamp Bracket)

под заказ0 руб.
341130-95541-000

   (актуальный код замены) Запчасть снята с производства - The Spare Part Is Laid Off

под заказ0 руб.
341130-95541-000

Труба кронштейна транца - Shaft, Clamp Bracket (Shaft, Clamp Bracket)

под заказ0 руб.
441151-94500-000

Колпачок кронштейна транца Вал - Cap, Clamp Bracket Shaft (Cap, Clamp Bracket Shaft)

под заказ280 руб.
541152-94500-000

Заглушка, Кронштейн транца Вал - Plug, Clamp Bracket Shaft (Plug, clamp bracket shaft ) (Plug, Clamp Bracket Shaft)

под заказ290 руб.
655320-95310-000

Защитный цинковый анод - Zinc Set, Protection (Zinc Set, Protection)

под заказ1320 руб.
655320-95311-000

   (актуальный код замены) Защитный цинковый анод - Zinc Set, Protection

16 шт1320 руб.
655320-95311-000

Защитный цинковый анод - Zinc Set, Protection (Zinc Set, Protection)

16 шт1320 руб.
709116-06092-000

Болт (6x15) - Bolt (6x15) (Bolt (6x15))

под заказ230 руб.
709116-06094-000

   (актуальный код замены) Болт (6x15) - Bolt (6x15)

20 шт270 руб.
709116-06094-000

Болт (6x15) - Bolt (6x15) (Bolt (6x15))

20 шт270 руб.
809100-12039-000

под заказнет сведений
809100-12093-000

Болт (12x100) - Bolt (12x100) (Bolt (12x100))

6 шт1330 руб.
809159-12014-000

Гайка - Nut (Nut)

18 шт370 руб.
909140-12028-000

Гайка - Nut (Nut)

под заказ350 руб.
1009159-22003-000

Гайка - Nut (Nut)

под заказ1950 руб.
1009159-22006-000

   (актуальный код замены) Гайка - Nut

8 шт1950 руб.
1009159-22006-000

Гайка - Nut (Nut)

8 шт1950 руб.
1109160-22046-000

Запчасть снята с производства - The Spare Part Is Laid Off (The Spare Part Is Laid Off)

под заказ0 руб.
1209160-12044-000

Шайба (12.5x35x3.2) - Washer (125x35x32) (Washer (12.5x35x3.2) ) (Washer (12.5x35x3.2))

12 шт260 руб.
1309160-12066-000

Шайба (12.5x22x2.5) - Washer (125x22x25) (Washer (12.5x22x2.5) ) (Washer (12.5x22x2.5))

19 шт150 руб.
1409162-12005-000

Шайба с блокировкой - Washer, Lock (Lock washer (12.2x21.5x3) ) (Washer, Lock)

под заказ160 руб.
1541153-94500-000

Колпачок транцевого болта - Cap, Transom Bolt (Cap, Transom Bolt)

2 шт370 руб.
1641241-95502-000

Направляющая, Tilt Lock Рычаг - Guide, Tilt Lock Lever (Guide, Tilt Lock Lever)

под заказ0 руб.
1641241-95503-000

   (актуальный код замены) Запчасть снята с производства - The Spare Part Is Laid Off

под заказ0 руб.
1641241-95503-000

Направляющая, Tilt Lock Рычаг - Guide, Tilt Lock Lever (Guide, Tilt Lock Lever)

под заказ0 руб.
1709100-05011-000

Запчасть снята с производства - The Spare Part Is Laid Off (The Spare Part Is Laid Off)

под заказ0 руб.
1836894-95201-000

Lead (l: 165) - Lead (l:165) (<-6894-95200 ) (Lead (l:165))

под заказ1170 руб.
1909125-05050-000

Винт (5x8) - Screw (5x8) (Screw (5x8))

под заказ150 руб.
2009161-05114-000

Шайба (5.2x11x1) - Washer (52x11x1) (Washer (5.2x11.0x1.0) ) (Washer (5.2x11x1))

под заказ290 руб.


Время выполнения запроса 0.80788803100586 сек.

 
 

данный сайт носит информационный характер и не является публичной офертой

склад запчастей для водомоторной техники