| |
 |
|
 |
Вернуться к выбору узлов мотора
ДЕТАЛИРОВКА ДЛЯ МОДЕЛИ: SUZUKI DT50ATC X
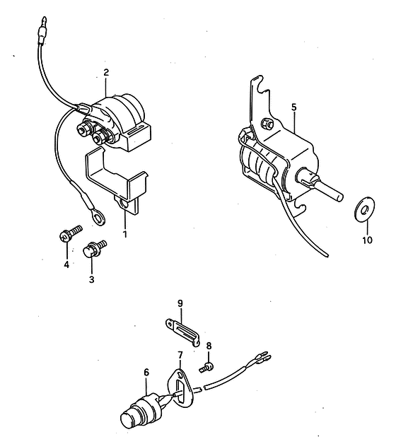
Электромагнитный дроссель
Код модели двигателя: DT50AS/L/LL
Год выпуска двигателя: 1999
Цвет: California Gray Metallic
Номер на рисунке | Артикул | Наименование | QTY | Кол-во на складе | Цена |
| 1 | 38412-94500-000 | Запчасть снята с производства - The Spare Part Is Laid Off (The Spare Part Is Laid Off) | | под заказ | 0 руб. |
| 1 | 38412-94700-000 | Кронштейн, Trim Реле - Bracket, Trim Relay (Bracket, trim relay # MODEL:95~99 ) (Bracket, Trim Relay) | | под заказ | 0 руб. |
| 2 | 31800-94401-000 | Реле в сборе, Двигатель электростартера - Relay Assy, Starting Motor (Relay, starter # <-1800-94400 ) (Relay Assy, Starting Motor) | | 2 шт | 14140 руб. |
| 3 | 01580-06167-000 | Болт - Bolt (~MODEL:97 ) (Bolt) | | под заказ | 210 руб. |
| 4 | 02112-36167-000 | Винт - Screw (MODEL:98, 99 ) (Screw) | | под заказ | 170 руб. |
| 5 | 38600-95520-000 | Соленоид заслонки - Solenoid Assy, Choke (Solenoid assy, choke # <-8600-95510 ) (Solenoid Assy, Choke) | | под заказ | 0 руб. |
| 6 | 34850-94600-000 | Датчик перегрева - Sensor Assy, Heat (<-4850-94710) (Sensor Assy, Heat) | | под заказ | 9220 руб. |
| 6 | 34850-94610-000 | (актуальный код замены) Датчик перегрева - Sensor Assy, Heat | | под заказ | 9220 руб. |
| 6 | 34850-94610-000 | Датчик перегрева - Sensor Assy, Heat (Sensor Assy, Heat) | | под заказ | 9220 руб. |
| 7 | 34853-94700-000 | Sвышеporter, Датчик температуры двигателя - Supporter, Engine Temp Sensor (Suporter, engine temp ) (Supporter, Engine Temp Sensor) | | под заказ | 350 руб. |
| 8 | 09125-06069-000 | Винт (6x12) - Screw (6x12) (Screw (6x12)) | | под заказ | 180 руб. |
| 9 | 09404-06432-000 | Струбцина (l: 65) - Clamp (l:65) (Clamp (l:80) ) (Clamp (l:65)) | | 8 шт | 170 руб. |
| 9 | 09404-06039-000 | (актуальный код замены) Струбцина (l: 65) - Clamp (l:65) | | под заказ | 170 руб. |
| 9 | 09404-08205-000 | Струбцина (l: 45 T: 0.6) - Clamp (l:45 T:06) (Clamp (l:62) ) (Clamp (l:45 T:0.6)) | | под заказ | 170 руб. |
| 9 | 09404-08211-000 | (актуальный код замены) Струбцина (l: 45 T: 0.6) - Clamp (l:45 T:0.6) | | под заказ | 170 руб. |
| 10 | 08322-01087-000 | Шайба - Washer (Lock washer ) (Washer) | | под заказ | 140 руб. |
Время выполнения запроса 0.89549589157104 сек. |
|