| |
 |
|
 |
Вернуться к выбору узлов мотора
ДЕТАЛИРОВКА ДЛЯ МОДЕЛИ: SUZUKI DT50ATC X
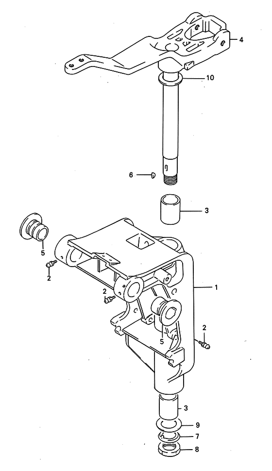
Поворотный кронштейн
Код модели двигателя: DT50AS/L/LL
Год выпуска двигателя: 1999
Цвет: California Gray Metallic
Номер на рисунке | Артикул | Наименование | QTY | Кол-во на складе | Цена |
| 1 | 43111-95252-0ED | Запчасть снята с производства - The Spare Part Is Laid Off (The Spare Part Is Laid Off) | | под заказ | 0 руб. |
| 1 | 43111-95752-0ED | Запчасть снята с производства - The Spare Part Is Laid Off (The Spare Part Is Laid Off) | | под заказ | 0 руб. |
| 2 | 22511-99010-000 | Ниппель смазки - Nipple, Grease (<-2511-99003) (Nipple, Grease) | | под заказ | 340 руб. |
| 2 | 22511-99011-000 | (актуальный код замены) Ниппель смазки - Nipple, Grease | | 9 шт | 400 руб. |
| 2 | 22511-99011-000 | Ниппель смазки - Nipple, Grease (Nipple, Grease) | | 9 шт | 400 руб. |
| 3 | 09306-26005-000 | Запчасть снята с производства - The Spare Part Is Laid Off (The Spare Part Is Laid Off) | | под заказ | 0 руб. |
| 3 | 09307-26004-000 | (актуальный код замены) Запчасть снята с производства - The Spare Part Is Laid Off | | под заказ | 0 руб. |
| 4 | 43750-95254-0ED | Кронштейн рулевого управления (gray) - Bracket, Steering (gray) (Bracket, steering (l/ll) # <-3750-95253-0ED ) (Bracket, Steering (gray)) | | под заказ | 0 руб. |
| 4 | 43750-95754-0ED | Кронштейн рулевого управления (gray) - Bracket, Steering (gray) (Bracket, steering (s) # <-3750-95753-0ED ) (Bracket, Steering (gray)) | | под заказ | 0 руб. |
| 5 | 43211-95250-000 | Втулка струбцины поворотного вала - Bush, Clamp Shaft Swivel (Bush, swivel ) (Bush, Clamp Shaft Swivel) | | под заказ | 0 руб. |
| 6 | 09420-05003-000 | Ключ - Key (Key) | | под заказ | 600 руб. |
| 7 | 09166-25007-000 | Запчасть снята с производства - The Spare Part Is Laid Off (The Spare Part Is Laid Off) | | под заказ | 0 руб. |
| 8 | 09140-24010-000 | Гайка - Nut (Nut) | | под заказ | 0 руб. |
| 9 | 09181-26006-000 | Запчасть снята с производства - The Spare Part Is Laid Off (The Spare Part Is Laid Off) | | под заказ | 0 руб. |
| 10 | 09160-25052-000 | Запчасть снята с производства - The Spare Part Is Laid Off (The Spare Part Is Laid Off) | | под заказ | 0 руб. |
Время выполнения запроса 0.6068639755249 сек. |
|