Купить комплектующие на подвесной лодочный двигатель Suzuki - Электрика / Electrical
вконтакте

Контактный телефон: +7 (981) 121-46-93, +7 (800) 200-90-76 , Email: parts-katalog@yandex.ru, где купить

 
 

  Логин:

Пароль:

Регистрация

www.partskatalog.ru Все каталоги Запчасти Mercury Запчасти Suzuki Запчасти Tohatsu Запчасти Honda Контакты



УВАЖАЕМЫЕ КЛИЕНТЫ!
C 19 ДЕКАБРЯ 2025 ПО 02 МАРТА 2026 ГОДА ОТДЕЛ ЗАПЧАСТЕЙ И СЕРВИС РАБОТАТЬ НЕ БУДУТ
ПРОДАЖА ЛОДОЧНЫХ МОТОРОВ В ШТАТНОМ РЕЖИМЕ
ОБ ИЗМЕНЕНИЯХ В ГРАФИКЕ РАБОТЫ ЧИТАЙТЕ НА САЙТА



назад Раздел:   вперёд

Вернуться к выбору узлов мотора


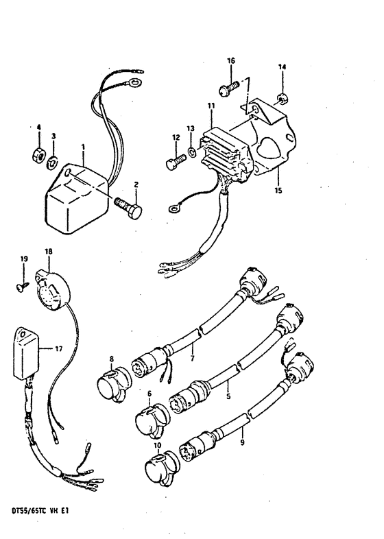
ДЕТАЛИРОВКА ДЛЯ МОДЕЛИ: SUZUKI DT55CVF(F/G/Y) F

Электрика


Год выпуска двигателя: 1985

Номер на
рисунке
АртикулНаименованиеQTYКол-во
на складе
Цена
132500-95722-000

Регулятор напряжения - Regulator Assy, Voltage (Regulator assy, voltage # Regulator assy, voltage; ) (Regulator Assy, Voltage)

под заказ110400 руб.
201107-06122-000

Болт - Bolt (Bolt)

под заказ150 руб.
201500-06127-000

   (актуальный код замены) Болт - Bolt

под заказ150 руб.
201500-06127-000

Болт - Bolt (Bolt)

под заказ150 руб.
308321-21062-000

Шайба с блокировкой - Washer, Lock (Washer, Lock)

под заказ140 руб.
308321-01067-000

   (актуальный код замены) Шайба с блокировкой - Washer, Lock

под заказ140 руб.
308321-01067-000

Шайба с блокировкой - Washer, Lock (Washer, Lock)

под заказ140 руб.
408310-11062-000

Гайка - Nut (Nut)

под заказ140 руб.
408310-00067-000

   (актуальный код замены) Гайка - Nut

под заказ140 руб.
408310-00067-000

Гайка - Nut (Nut)

под заказ140 руб.
536620-95203-000

Удлинитель кабеля дистанционного управления (l: 5000) - Wire, Remocon Extension (l:5000) (L:5000) (Wire, Remocon Extension (l:5000))

под заказ17480 руб.
536620-87D20-000

   (актуальный код замены) Удлинитель кабеля дистанционного управления (l: 5000) - Wire, Remocon Extension (l:5000)

под заказ17480 руб.
536620-87D20-000

Удлинитель кабеля дистанционного управления (l: 5000) - Wire, Remocon Extension (l:5000) (Wiring harness, extension ) (Wire, Remocon Extension (l:5000))

под заказ17480 руб.
636631-94300-000

Колпачок на дистанционное управление Жгут проводов - Cap, Remote Control Harness (Cap, Remote Control Harness)

под заказ390 руб.
736620-95302-000

Удлинитель кабеля дистанционного управления (l: 2000) - Wire, Remocon Extension (l:2000) (Wiring harness, extension # Wiring harness, extension s; L:2000 ) (Wire, Remocon Extension (l:2000))

под заказ12630 руб.
736620-87D20-000

Удлинитель кабеля дистанционного управления (l: 5000) - Wire, Remocon Extension (l:5000) (Wiring harness, extension # Wiring harness, extension; L:5000 ) (Wire, Remocon Extension (l:5000))

под заказ17480 руб.
836631-94300-000

Колпачок на дистанционное управление Жгут проводов - Cap, Remote Control Harness (Cap, Remote Control Harness)

под заказ390 руб.
936620-95320-000

Запчасть снята с производства - The Spare Part Is Laid Off (L:5000) (The Spare Part Is Laid Off)

под заказ0 руб.
1036631-94300-000

Колпачок на дистанционное управление Жгут проводов - Cap, Remote Control Harness (Cap, Remote Control Harness)

под заказ390 руб.
1132800-94700-000

Запчасть снята с производства - The Spare Part Is Laid Off (Regulator assy, voltage;) (The Spare Part Is Laid Off)

под заказ0 руб.
1201107-06202-000

Болт - Bolt (Bolt)

под заказ150 руб.
1201500-06207-000

   (актуальный код замены) Болт - Bolt

под заказ150 руб.
1201500-06207-000

Болт - Bolt (Bolt)

под заказ150 руб.
1308321-21062-000

Шайба с блокировкой - Washer, Lock (Washer, Lock)

под заказ140 руб.
1308321-01067-000

   (актуальный код замены) Шайба с блокировкой - Washer, Lock

под заказ140 руб.
1308321-01067-000

Шайба с блокировкой - Washer, Lock (Washer, Lock)

под заказ140 руб.
1408310-11062-000

Гайка - Nut (Nut)

под заказ140 руб.
1408310-00067-000

   (актуальный код замены) Гайка - Nut

под заказ140 руб.
1408310-00067-000

Гайка - Nut (Nut)

под заказ140 руб.
1532590-94700-000

Кронштейн, Voltage Регулятор - Bracket, Voltage Regulator (Bracket, Voltage Regulator)

под заказ0 руб.
1602152-06127-000

Винт - Screw (Screw)

под заказ190 руб.
1602112-16127-000

   (актуальный код замены) Винт - Screw

под заказ190 руб.
1602112-16127-000

Винт - Screw (Screw, wiring harness ) (Screw)

под заказ190 руб.
1838500-94700-000

Предупреждающий зуммер - Buzzer Set, Warning (Dt55h) (Buzzer Set, Warning)

под заказ10280 руб.
1838500-92X52-000

   (актуальный код замены) Предупреждающий зуммер - Buzzer Set, Warning

под заказ10280 руб.
1838500-92X50-000

Предупреждающий зуммер - Buzzer Set, Warning (Buzzer Set, Warning)

под заказ10280 руб.
1838500-92X52-000

   (актуальный код замены) Предупреждающий зуммер - Buzzer Set, Warning

под заказ10280 руб.
1903142-05209-000

Винт - Screw (Dt55h) (Screw)

под заказ200 руб.
1903142-0520B-000

   (актуальный код замены) Винт - Screw

под заказ200 руб.
1903142-0520B-000

Винт - Screw (Screw)

под заказ200 руб.


Время выполнения запроса 1.3451321125031 сек.

 
 

данный сайт носит информационный характер и не является публичной офертой

склад запчастей для водомоторной техники