Купить оригинальные запчасти SUZUKI DT55MS/L/UL - Electrical - Электрика
вконтакте

Контактный телефон: +7 (981) 121-46-93, +7 (800) 200-90-76 , Email: parts-katalog@yandex.ru, где купить

 
 

  Логин:

Пароль:

Регистрация

www.partskatalog.ru Все каталоги Запчасти Mercury Запчасти Suzuki Запчасти Tohatsu Запчасти Honda Контакты

назад Раздел:   вперёд

Вернуться к выбору узлов мотора


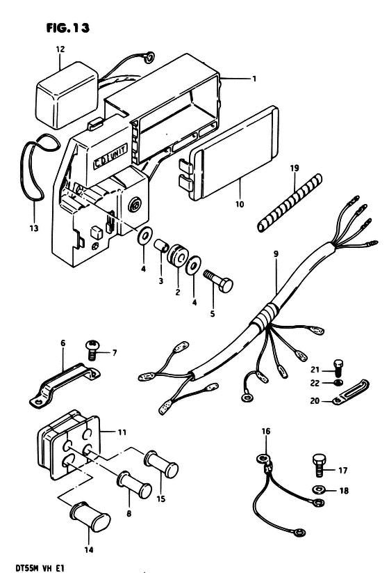
ДЕТАЛИРОВКА ДЛЯ МОДЕЛИ: SUZUKI DT55M VF

Электрика


Код модели двигателя: DT55MS/L/UL

Год выпуска двигателя: 1985

Цвет: Francois Whte №2Arctic Silver

Номер на
рисунке
АртикулНаименованиеQTYКол-во
на складе
Цена
132890-95300-000

Запчасть снята с производства - The Spare Part Is Laid Off (The Spare Part Is Laid Off)

под заказ0 руб.
209320-08001-000

Подушка - Cushion (Cushion ) (Cushion)

под заказ210 руб.
209320-08527-000

   (актуальный код замены) Подушка - Cushion

под заказ210 руб.
309180-06187-000

Проставка (6.1x8x9.5) - Spacer (61x8x95) (Spacer (6.1x8x9.5))

под заказ160 руб.
309180-06248-000

   (актуальный код замены) Проставка (6.1x8x9.5) - Spacer (6.1x8x9.5)

под заказ160 руб.
309180-06248-000

Проставка (6.1x8x9.5) - Spacer (61x8x95) (Spacer (6.1x8x9.5))

под заказ160 руб.
409160-06052-000

Шайба (6.5x16x1.2) - Washer (65x16x12) (Washer (6.5x16x1.2) ) (Washer (6.5x16x1.2))

под заказ160 руб.
501107-06252-000

Болт - Bolt (Bolt)

под заказ150 руб.
501500-06257-000

   (актуальный код замены) Болт - Bolt

под заказ150 руб.
501500-06257-000

Болт - Bolt (Bolt)

под заказ150 руб.
636659-95501-000

Струбцина - Clamp (Clamp)

под заказ0 руб.
709125-06067-000

Винт (6x16) - Screw (6x16) (Screw (6x16) ) (Screw (6x16))

10 шт160 руб.
836661-95210-000

Запчасть снята с производства - The Spare Part Is Laid Off (The Spare Part Is Laid Off)

под заказ0 руб.
936610-95220-000

Запчасть снята с производства - The Spare Part Is Laid Off (The Spare Part Is Laid Off)

под заказ0 руб.
936610-95340-000

   (актуальный код замены) Запчасть снята с производства - The Spare Part Is Laid Off

под заказ0 руб.
1036650-95300-000

Крышка, Соединитель Box - Cover, Joint Box (Cover, Joint Box)

под заказ0 руб.
1136656-94701-000

Пыльник кабеля - Grommet, Cable (Grommet, Cable)

под заказ1180 руб.
1232900-95340-000

Модуль C.D.I. - Unit, Cdi (Unit, Cdi)

под заказ0 руб.
1309280-52001-000

Уплотнительное кольцо (d: 3, Id: 52.5) - O Ring (d:3, Id:525) (O ring, crankcase ) (O Ring (d:3, Id:52.5))

под заказ220 руб.
1436662-95210-000

Колпачок, Жгут проводов Пыльник - Cap, Harness Grommet (Cap, battery cable ) (Cap, Harness Grommet)

под заказ0 руб.
1536663-94700-000

Запчасть снята с производства - The Spare Part Is Laid Off (The Spare Part Is Laid Off)

под заказ0 руб.
1636895-95300-000

Lead, Двигатель Заземление - Lead, Engine Ground (Lead, Engine Ground)

под заказ0 руб.
1701107-06122-000

Болт - Bolt (Bolt)

под заказ150 руб.
1701500-06127-000

   (актуальный код замены) Болт - Bolt

под заказ150 руб.
1701500-06127-000

Болт - Bolt (Bolt)

под заказ150 руб.
1808322-21062-000

Шайба - Washer (Washer)

под заказ140 руб.
1808322-01067-000

   (актуальный код замены) Шайба - Washer

10 шт160 руб.
1808322-01067-000

Шайба - Washer (Washer)

10 шт160 руб.
1933833-95500-000

Трубка провода переключателя (l: 250) - Tube, Switch Lead (l:250) (Tube, Switch Lead (l:250))

под заказ610 руб.
1933833-91J00-000

   (актуальный код замены) Трубка провода переключателя (l: 250) - Tube, Switch Lead (l:250)

под заказ610 руб.
1933833-91J00-000

Трубка провода переключателя (l: 250) - Tube, Switch Lead (l:250) (Tube, Switch Lead (l:250))

под заказ610 руб.
2009404-06204-000

Струбцина (l: 65) - Clamp (l:65) (Clamp (l:65))

под заказ100 руб.
2009404-06207-000

   (актуальный код замены) Струбцина (l: 65) - Clamp (l:65)

под заказ100 руб.
2009404-06207-000

Струбцина (l: 65) - Clamp (l:65) (Clamp (l:65))

под заказ100 руб.
2101107-06122-000

Болт - Bolt (Bolt)

под заказ150 руб.
2101500-06127-000

   (актуальный код замены) Болт - Bolt

под заказ150 руб.
2101500-06127-000

Болт - Bolt (Bolt)

под заказ150 руб.
2208321-21062-000

Шайба с блокировкой - Washer, Lock (Washer, Lock)

под заказ140 руб.
2208321-01067-000

   (актуальный код замены) Шайба с блокировкой - Washer, Lock

под заказ140 руб.
2208321-01067-000

Шайба с блокировкой - Washer, Lock (Washer, Lock)

под заказ140 руб.


Время выполнения запроса 1.6519000530243 сек.

 
 

данный сайт носит информационный характер и не является публичной офертой

склад запчастей для водомоторной техники