| |
 |
|
 |
Вернуться к выбору узлов мотора
ДЕТАЛИРОВКА ДЛЯ МОДЕЛИ: SUZUKI DT55M VF
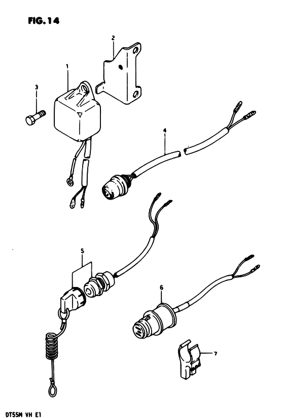
Электрика
Код модели двигателя: DT55MS/L/UL
Год выпуска двигателя: 1985
Цвет: Francois Whte №2Arctic Silver
Номер на рисунке | Артикул | Наименование | QTY | Кол-во на складе | Цена |
| 1 | 32910-95310-000 | Запчасть снята с производства - The Spare Part Is Laid Off (The Spare Part Is Laid Off) | | под заказ | 0 руб. |
| 2 | 32915-95300-000 | Запчасть снята с производства - The Spare Part Is Laid Off (The Spare Part Is Laid Off) | | под заказ | 0 руб. |
| 3 | 01534-06127-000 | Болт - Bolt (Bolt) | | под заказ | 180 руб. |
| 3 | 01550-06127-000 | (актуальный код замены) Болт - Bolt | | 10 шт | 180 руб. |
| 3 | 01550-06127-000 | Болт - Bolt (Bolt, rect ) (Bolt) | | 10 шт | 180 руб. |
| 4 | 37800-98550-000 | Переключатель в сборе, Stop - Switch Assy, Stop (Switch Assy, Stop) | | под заказ | 0 руб. |
| 4 | 37800-98572-000 | (актуальный код замены) Запчасть снята с производства - The Spare Part Is Laid Off | | под заказ | 0 руб. |
| 4 | 37800-98572-000 | Переключатель в сборе, Stop - Switch Assy, Stop (Switch assy, engine stop ) (Switch Assy, Stop) | | под заказ | 0 руб. |
| 5 | 37820-94420-000 | Аварийный выключатель, в сборе - Switch Assy, Emergency (Switch Assy, Emergency) | | под заказ | 0 руб. |
| 5 | 37820-94461-000 | (актуальный код замены) Запчасть снята с производства - The Spare Part Is Laid Off | | под заказ | 0 руб. |
| 5 | 37820-94460-000 | Аварийный выключатель, в сборе - Switch Assy, Emergency (Switch assy, emergency ) (Switch Assy, Emergency) | | под заказ | 0 руб. |
| 5 | 37820-94461-000 | (актуальный код замены) Запчасть снята с производства - The Spare Part Is Laid Off | | под заказ | 0 руб. |
| 6 | 39601-95201-000 | Запчасть снята с производства - The Spare Part Is Laid Off (The Spare Part Is Laid Off) | | под заказ | 0 руб. |
| 7 | 36616-95301-000 | Держатель коннектора - Holder, Connector (Holder, connector ) (Holder, Connector) | | под заказ | 580 руб. |
Время выполнения запроса 0.94049286842346 сек. |
|