Найти запчасти на лодочный мотор Suzuki DT55S/L/LL/UL модель 1986 года - Electrical
вконтакте

Контактный телефон: +7 (981) 121-46-93, +7 (800) 200-90-76 , Email: parts-katalog@yandex.ru, где купить

 
 

  Логин:

Пароль:

Регистрация

www.partskatalog.ru Все каталоги Запчасти Mercury Запчасти Suzuki Запчасти Tohatsu Запчасти Honda Контакты



УВАЖАЕМЫЕ КЛИЕНТЫ!
C 19 ДЕКАБРЯ 2025 ПО 02 МАРТА 2026 ГОДА ОТДЕЛ ЗАПЧАСТЕЙ И СЕРВИС РАБОТАТЬ НЕ БУДУТ
ПРОДАЖА ЛОДОЧНЫХ МОТОРОВ В ШТАТНОМ РЕЖИМЕ
ОБ ИЗМЕНЕНИЯХ В ГРАФИКЕ РАБОТЫ ЧИТАЙТЕ НА САЙТА



назад Раздел:   вперёд

Вернуться к выбору узлов мотора


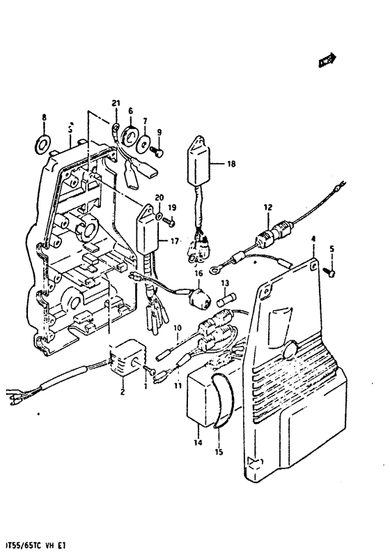
ДЕТАЛИРОВКА ДЛЯ МОДЕЛИ: SUZUKI DT55CVG(F/G/Y) G

Электрика


Код модели двигателя: DT55S/L/LL/UL

Год выпуска двигателя: 1986

Регион: General Export No.1 ,Код региона: P01

Номер на
рисунке
АртикулНаименованиеQTYКол-во
на складе
Цена
103212-05259-000

Винт - Screw (Screw)

под заказ190 руб.
103212-0525B-000

   (актуальный код замены) Винт - Screw

под заказ190 руб.
103212-0525B-000

Винт - Screw (Screw)

под заказ190 руб.
232800-95720-000

Выпрямитель в сборе - Rectifier Assy (Rectifier Assy)

под заказ10760 руб.
232800-95D02-000

   (актуальный код замены) Выпрямитель в сборе - Rectifier Assy

1 шт10760 руб.
232800-95D01-000

Выпрямитель в сборе - Rectifier Assy (Rectifier Assy)

под заказ10760 руб.
232800-95D02-000

   (актуальный код замены) Выпрямитель в сборе - Rectifier Assy

1 шт10760 руб.
332890-94701-000

Запчасть снята с производства - The Spare Part Is Laid Off (The Spare Part Is Laid Off)

под заказ0 руб.
432891-94700-000

Запчасть снята с производства - The Spare Part Is Laid Off (The Spare Part Is Laid Off)

под заказ0 руб.
503212-05165-000

Винт - Screw (Screw)

под заказ660 руб.
513765-48GV0-000

   (актуальный код замены) Винт - Screw

под заказ660 руб.
503212-0516B-000

Винт - Screw (Screw)

под заказ660 руб.
513765-48GV0-000

   (актуальный код замены) Винт - Screw

под заказ660 руб.
609320-12011-000

Подушка - Cushion (Cushion ) (Cushion)

под заказ150 руб.
609320-12090-000

   (актуальный код замены) Подушка (11.8x25x7.5) - Cushion (11.8x25x7.5)

под заказ150 руб.
709160-12020-000

Шайба (12.5x26x1.6) - Washer (125x26x16) (Washer (12.5x26x1.6))

под заказ150 руб.
709160-12089-000

   (актуальный код замены) Шайба (12.5x26x1.6) - Washer (12.5x26x1.6)

под заказ150 руб.
709160-12089-000

Шайба (12.5x26x1.6) - Washer (125x26x16) (Washer (12.5x26x1.6) ) (Washer (12.5x26x1.6))

под заказ150 руб.
809160-06054-000

Шайба (6.5x22x1.6) - Washer (65x22x16) (Washer (6.5x22x1.6) ) (Washer (6.5x22x1.6))

под заказ120 руб.
901107-06167-000

Болт - Bolt (Bolt)

под заказ150 руб.
901500-06167-000

   (актуальный код замены) Болт - Bolt

под заказ150 руб.
901500-06167-000

Болт - Bolt (Bolt, fuel cooler ) (Bolt)

под заказ150 руб.
1036740-94710-000

Запчасть снята с производства - The Spare Part Is Laid Off (Dt55h) (The Spare Part Is Laid Off)

под заказ0 руб.
1036740-94760-000

   (актуальный код замены) Запчасть снята с производства - The Spare Part Is Laid Off

под заказ0 руб.
1036740-94720-000

Запчасть снята с производства - The Spare Part Is Laid Off (Model vg, vh) (The Spare Part Is Laid Off)

под заказ0 руб.
1136740-94750-000

Запчасть снята с производства - The Spare Part Is Laid Off (Model vf) (The Spare Part Is Laid Off)

под заказ0 руб.
1236740-87D00-000

Запчасть снята с производства - The Spare Part Is Laid Off (Model vg, vh) (The Spare Part Is Laid Off)

под заказ0 руб.
1309401-20001-000

под заказнет сведений
1432900-94700-000

Запчасть снята с производства - The Spare Part Is Laid Off (Model vf) (The Spare Part Is Laid Off)

под заказ0 руб.
1432900-94710-000

Запчасть снята с производства - The Spare Part Is Laid Off (Model vg, vh) (The Spare Part Is Laid Off)

под заказ0 руб.
1432900-94711-000

   (актуальный код замены) Запчасть снята с производства - The Spare Part Is Laid Off

под заказ0 руб.
1432900-94711-000

Запчасть снята с производства - The Spare Part Is Laid Off (The Spare Part Is Laid Off)

под заказ0 руб.
1509280-70004-000

Уплотнительное кольцо (d: 3.53, Id: 69.44) - O Ring (d:353, Id:6944) (O Ring (d:3.53, Id:69.44))

под заказ280 руб.
1637930-94701-000

Запчасть снята с производства - The Spare Part Is Laid Off (The Spare Part Is Laid Off)

под заказ0 руб.
1637930-94706-000

   (актуальный код замены) Запчасть снята с производства - The Spare Part Is Laid Off

под заказ0 руб.
1737875-94602-000

Запчасть снята с производства - The Spare Part Is Laid Off (Model vf) (The Spare Part Is Laid Off)

под заказ0 руб.
1837875-94610-000

Запчасть снята с производства - The Spare Part Is Laid Off (Model vg, @r37875-94611) (The Spare Part Is Laid Off)

под заказ0 руб.
1837875-94611-000

   (актуальный код замены) Запчасть снята с производства - The Spare Part Is Laid Off

под заказ0 руб.
1837875-94630-000

Запчасть снята с производства - The Spare Part Is Laid Off (Model vh) (The Spare Part Is Laid Off)

под заказ0 руб.
1837875-94611-000

Запчасть снята с производства - The Spare Part Is Laid Off (Model vh:dt55h) (The Spare Part Is Laid Off)

под заказ0 руб.
1903212-05169-000

Винт - Screw (Screw)

под заказ660 руб.
1913765-48GV0-000

   (актуальный код замены) Винт - Screw

под заказ660 руб.
1903212-0516B-000

Винт - Screw (Screw)

под заказ660 руб.
1913765-48GV0-000

   (актуальный код замены) Винт - Screw

под заказ660 руб.
2008322-21052-000

Шайба - Washer (Washer)

под заказ140 руб.
2008322-01057-000

   (актуальный код замены) Шайба - Washer

под заказ140 руб.
2008322-01057-000

Шайба - Washer (Washer, front hook holder ) (Washer)

под заказ140 руб.
2133445-94700-000

Lead, Катушка зажигания Earth - Lead, Ignition Coil Earth (Lead, Ignition Coil Earth)

под заказ0 руб.
2133445-94710-000

   (актуальный код замены) Запчасть снята с производства - The Spare Part Is Laid Off

под заказ0 руб.
2133445-94710-000

Lead, Катушка зажигания Earth - Lead, Ignition Coil Earth (Lead, ignition earth ) (Lead, Ignition Coil Earth)

под заказ0 руб.


Время выполнения запроса 2.5424020290375 сек.

 
 

данный сайт носит информационный характер и не является публичной офертой

склад запчастей для водомоторной техники