Комплектующие на подвесной двигатель SUZUKI DT55S/L/LL/UL - Electrical
вконтакте

Контактный телефон: +7 (981) 121-46-93, +7 (800) 200-90-76 , Email: parts-katalog@yandex.ru, где купить

 
 

  Логин:

Пароль:

Регистрация

www.partskatalog.ru Все каталоги Запчасти Mercury Запчасти Suzuki Запчасти Tohatsu Запчасти Honda Контакты



УВАЖАЕМЫЕ КЛИЕНТЫ!
C 19 ДЕКАБРЯ 2025 ПО 02 МАРТА 2026 ГОДА ОТДЕЛ ЗАПЧАСТЕЙ И СЕРВИС РАБОТАТЬ НЕ БУДУТ
ПРОДАЖА ЛОДОЧНЫХ МОТОРОВ В ШТАТНОМ РЕЖИМЕ
ОБ ИЗМЕНЕНИЯХ В ГРАФИКЕ РАБОТЫ ЧИТАЙТЕ НА САЙТА



назад Раздел:   вперёд

Вернуться к выбору узлов мотора


ДЕТАЛИРОВКА ДЛЯ МОДЕЛИ: SUZUKI DT55CVG(F/G/Y) G

Электрика


Код модели двигателя: DT55S/L/LL/UL

Год выпуска двигателя: 1986

Регион: General Export No.1 ,Код региона: P01

Номер на
рисунке
АртикулНаименованиеQTYКол-во
на складе
Цена
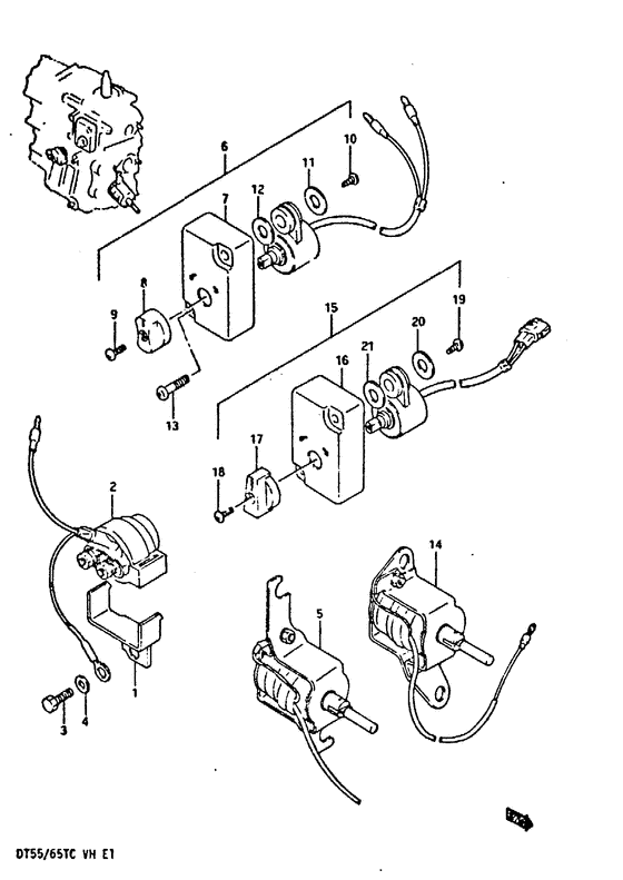
138412-94500-000

Запчасть снята с производства - The Spare Part Is Laid Off (Bracket, starting relay;) (The Spare Part Is Laid Off)

под заказ0 руб.
231800-94400-000

Реле в сборе, Двигатель электростартера - Relay Assy, Starting Motor (Relay Assy, Starting Motor)

под заказ12960 руб.
231800-94401-000

   (актуальный код замены) Реле в сборе, Двигатель электростартера - Relay Assy, Starting Motor

2 шт14140 руб.
231800-94401-000

Реле в сборе, Двигатель электростартера - Relay Assy, Starting Motor (Relay, starter ) (Relay Assy, Starting Motor)

2 шт14140 руб.
301107-06167-000

Болт - Bolt (Bolt)

под заказ150 руб.
301500-06167-000

   (актуальный код замены) Болт - Bolt

под заказ150 руб.
301500-06167-000

Болт - Bolt (Bolt, fuel cooler ) (Bolt)

под заказ150 руб.
408321-21067-000

Шайба с блокировкой - Washer, Lock (Washer, Lock)

под заказ140 руб.
408321-01067-000

   (актуальный код замены) Шайба с блокировкой - Washer, Lock

под заказ140 руб.
408321-01067-000

Шайба с блокировкой - Washer, Lock (Washer, Lock)

под заказ140 руб.
538600-95510-000

Соленоид заслонки - Solenoid Assy, Choke (Dt55) (Solenoid Assy, Choke)

под заказ0 руб.
538600-95520-000

   (актуальный код замены) Запчасть снята с производства - The Spare Part Is Laid Off

под заказ0 руб.
538600-95520-000

Соленоид заслонки - Solenoid Assy, Choke (Solenoid assy, choke ) (Solenoid Assy, Choke)

под заказ0 руб.
637920-94701-000

Запчасть снята с производства - The Spare Part Is Laid Off (Model vf) (The Spare Part Is Laid Off)

под заказ0 руб.
737925-94700-000

Запчасть снята с производства - The Spare Part Is Laid Off (The Spare Part Is Laid Off)

под заказ0 руб.
837922-94700-000

Запчасть снята с производства - The Spare Part Is Laid Off (The Spare Part Is Laid Off)

под заказ0 руб.
902112-04087-000

Винт - Screw (Screw)

под заказ90 руб.
1003212-05129-000

Винт - Screw (Screw)

под заказ190 руб.
1003212-0512B-000

   (актуальный код замены) Винт - Screw

под заказ190 руб.
1003212-0512B-000

Винт - Screw (Screw)

под заказ190 руб.
1109160-05024-000

Шайба (5.5x16x1.5) - Washer (55x16x15) (Washer (5.5x16x1.5))

под заказ120 руб.
1208322-11107-000

Шайба - Washer (Washer)

под заказ140 руб.
1208322-01107-000

   (актуальный код замены) Шайба - Washer

под заказ140 руб.
1208322-01107-000

Шайба - Washer (Washer, throttle drum ) (Washer)

под заказ140 руб.
1302112-05254-000

Винт (5x25) - Screw (5x25) (Screw (5x25))

под заказ120 руб.
1309125-05066-000

   (актуальный код замены) Винт (5x25) - Screw (5x25)

под заказ120 руб.
1309125-05066-000

Винт (5x25) - Screw (5x25) (Screw (5x25))

под заказ120 руб.
1438600-95555-000

Соленоид заслонки - Solenoid Assy, Choke (Solenoid assy, choke # Dt65 ) (Solenoid Assy, Choke)

под заказ0 руб.
1537920-94710-000

Выключатель зажигания Timing - Switch Assy, Ignition Timing (Switch assy, ignition timing # Model vg, vh ) (Switch Assy, Ignition Timing)

под заказ0 руб.
1637925-94700-000

Запчасть снята с производства - The Spare Part Is Laid Off (The Spare Part Is Laid Off)

под заказ0 руб.
1737922-94610-000

Ручка - Knob (Knob)

под заказ660 руб.
1802112-04087-000

Винт - Screw (Screw)

под заказ90 руб.
1903212-05129-000

Винт - Screw (Screw)

под заказ190 руб.
1903212-0512B-000

   (актуальный код замены) Винт - Screw

под заказ190 руб.
1903212-0512B-000

Винт - Screw (Screw)

под заказ190 руб.
2009160-05024-000

Шайба (5.5x16x1.5) - Washer (55x16x15) (Washer (5.5x16x1.5))

под заказ120 руб.
2108322-11107-000

Шайба - Washer (Washer)

под заказ140 руб.
2108322-01107-000

   (актуальный код замены) Шайба - Washer

под заказ140 руб.
2108322-01107-000

Шайба - Washer (Washer, throttle drum ) (Washer)

под заказ140 руб.


Время выполнения запроса 2.2954511642456 сек.

 
 

данный сайт носит информационный характер и не является публичной офертой

склад запчастей для водомоторной техники