Оригинальные запчасти на подвесной двигатель Suzuki DT55S/L/LL/UL модель 1986 года - Двигатель электростартера / Starting motor
вконтакте

Контактный телефон: +7 (981) 121-46-93, +7 (800) 200-90-76 , Email: parts-katalog@yandex.ru, где купить

 
 

  Логин:

Пароль:

Регистрация

www.partskatalog.ru Все каталоги Запчасти Mercury Запчасти Suzuki Запчасти Tohatsu Запчасти Honda Контакты



УВАЖАЕМЫЕ КЛИЕНТЫ!
C 19 ДЕКАБРЯ 2025 ПО 02 МАРТА 2026 ГОДА ОТДЕЛ ЗАПЧАСТЕЙ И СЕРВИС РАБОТАТЬ НЕ БУДУТ
ПРОДАЖА ЛОДОЧНЫХ МОТОРОВ В ШТАТНОМ РЕЖИМЕ
ОБ ИЗМЕНЕНИЯХ В ГРАФИКЕ РАБОТЫ ЧИТАЙТЕ НА САЙТА



назад Раздел:   вперёд

Вернуться к выбору узлов мотора


ДЕТАЛИРОВКА ДЛЯ МОДЕЛИ: SUZUKI DT55C VG/DT55TC VG/DT55HTC VG

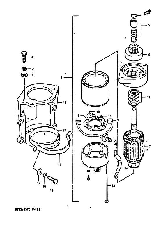
Двигатель электростартера


Код модели двигателя: DT55S/L/LL/UL

Год выпуска двигателя: 1986

Номер на
рисунке
АртикулНаименованиеQTYКол-во
на складе
Цена
108322-21082-000

Шайба - Washer (Washer)

под заказ140 руб.
108322-01087-000

   (актуальный код замены) Шайба - Washer

под заказ140 руб.
108322-01087-000

Шайба - Washer (Lock washer ) (Washer)

под заказ140 руб.
208321-21082-000

Шайба с блокировкой - Washer, Lock (Washer, Lock)

под заказ140 руб.
208321-01087-000

   (актуальный код замены) Шайба с блокировкой - Washer, Lock

под заказ140 руб.
208321-01087-000

Шайба с блокировкой - Washer, Lock (Washer, lock ) (Washer, Lock)

под заказ140 руб.
301107-08252-000

Болт - Bolt (Bolt)

под заказ190 руб.
301500-08257-000

   (актуальный код замены) Болт - Bolt

под заказ190 руб.
301500-08257-000

Болт - Bolt (Bolt)

под заказ190 руб.
431100-94702-000

Двигатель электростартера в сборе - Motor Assy, Starting (Motor assy, starting ) (Motor Assy, Starting)

под заказ0 руб.
531312-94600-000

Комплект стопора шестерни - Stopper Set, Pinion (Stopper Set, Pinion)

под заказ1280 руб.
531312-94601-000

   (актуальный код замены) Комплект стопора шестерни - Stopper Set, Pinion

под заказ1280 руб.
531312-94601-000

Комплект стопора шестерни - Stopper Set, Pinion (Stopper set, pinion ) (Stopper Set, Pinion)

под заказ1280 руб.
631320-95240-000

Запчасть снята с производства - The Spare Part Is Laid Off (The Spare Part Is Laid Off)

под заказ0 руб.
731310-94600-000

Запчасть снята с производства - The Spare Part Is Laid Off (The Spare Part Is Laid Off)

под заказ0 руб.
831173-95310-000

Держатель щетки - Holder Assy, Brush (Holder assy, brush ) (Holder Assy, Brush)

под заказ0 руб.
931131-95310-000

Щётка (+) - Brush (+) (Brush (+))

под заказ2640 руб.
1031132-95310-000

Щётка - Brush (Brush)

под заказ0 руб.
1031131-95241-000

   (актуальный код замены) Запчасть снята с производства - The Spare Part Is Laid Off

под заказ0 руб.
1031131-95241-000

Щётка - Brush (Brush (-) ) (Brush)

под заказ0 руб.
1131135-95310-000

Запчасть снята с производства - The Spare Part Is Laid Off (The Spare Part Is Laid Off)

под заказ0 руб.
1231360-95520-000

Установочная шайба - Washer Set (Washer kit ) (Washer Set)

под заказ0 руб.
1331281-94700-000

Болт - Bolt (Bolt)

под заказ0 руб.
1433820-94703-000

Кабель от клеммы ПЛЮС к реле - Cable, Plus Term To Relay (L:150) (Cable, Plus Term To Relay)

под заказ1430 руб.
1433820-89E01-000

   (актуальный код замены) Кабель от клеммы ПЛЮС к реле - Cable, Plus Term To Relay

под заказ1430 руб.
1433820-89E01-000

Кабель от клеммы ПЛЮС к реле - Cable, Plus Term To Relay (Cable assy, starting sub ) (Cable, Plus Term To Relay)

под заказ1430 руб.
1531911-94701-02M

Кронштейн, Стартер - Bracket, Starter (Bracket, Starter)

под заказ0 руб.
1531911-94701-0ED

   (актуальный код замены) Запчасть снята с производства - The Spare Part Is Laid Off

под заказ0 руб.
1531911-94701-0ED

Кронштейн, Стартер - Bracket, Starter (Bracket, starting motor ) (Bracket, Starter)

под заказ0 руб.
1608321-21088-000

Шайба с блокировкой - Washer, Lock (Washer, Lock)

под заказ140 руб.
1608321-01087-000

   (актуальный код замены) Шайба с блокировкой - Washer, Lock

под заказ140 руб.
1608321-01087-000

Шайба с блокировкой - Washer, Lock (Washer, lock ) (Washer, Lock)

под заказ140 руб.
1708322-11088-000

Шайба - Washer (Washer)

под заказ140 руб.
1708322-01087-000

   (актуальный код замены) Шайба - Washer

под заказ140 руб.
1708322-01087-000

Шайба - Washer (Lock washer ) (Washer)

под заказ140 руб.
1801107-08258-000

Болт - Bolt (Bolt)

под заказ190 руб.
1801500-08257-000

   (актуальный код замены) Болт - Bolt

под заказ190 руб.
1801500-08257-000

Болт - Bolt (Bolt)

под заказ190 руб.
1931912-94700-000

Ремешок, Стартер - Band, Starter (Band, Starter)

под заказ0 руб.
1931912-94701-000

   (актуальный код замены) Запчасть снята с производства - The Spare Part Is Laid Off

под заказ0 руб.
1931912-94701-000

Ремешок, Стартер - Band, Starter (Band, Starter)

под заказ0 руб.
2031918-94701-000

Демпфер, Стартер - Damper, Starter (Damper, Starter)

под заказ0 руб.


Время выполнения запроса 2.2409889698029 сек.

 
 

данный сайт носит информационный характер и не является публичной офертой

склад запчастей для водомоторной техники