| |
 |
|
 |
Вернуться к выбору узлов мотора
ДЕТАЛИРОВКА ДЛЯ МОДЕЛИ: SUZUKI DT55M VG
Опции : Электрика
Код модели двигателя: DT55MS/L/UL
Год выпуска двигателя: 1986
Цвет: Francois Whte №2Arctic Silver
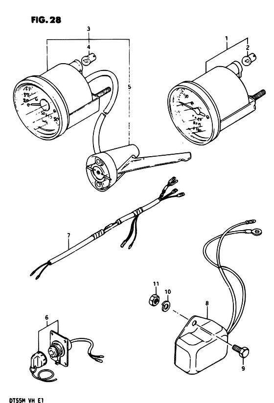
Номер на рисунке | Артикул | Наименование | QTY | Кол-во на складе | Цена |
| 1 | 34200-95512-000 | Тахометр в сборе - Tachometer Assy (Tachometer Assy) | | под заказ | 30240 руб. |
| 1 | 34200-92E02-000 | (актуальный код замены) Тахометр в сборе - Tachometer Assy | | под заказ | 30240 руб. |
| 1 | 34200-92E02-000 | Тахометр в сборе - Tachometer Assy (Tachometer Assy) | | под заказ | 30240 руб. |
| 2 | 09471-12001-000 | Лампочка (12v3.4w, Stanley, A72a) - Bulb (12v34w, Stanley, A72a) (Bulb (12v, 3.4w) ) (Bulb (12v3.4w, Stanley, A72a)) | | под заказ | 210 руб. |
| 3 | 34100-95502-000 | Спидометр в сборе - Speedometer Assy (Speedometer Assy) | | под заказ | 0 руб. |
| 4 | 09471-12001-000 | Лампочка (12v3.4w, Stanley, A72a) - Bulb (12v34w, Stanley, A72a) (Bulb (12v, 3.4w) ) (Bulb (12v3.4w, Stanley, A72a)) | | под заказ | 210 руб. |
| 5 | 34190-95500-000 | Датчик спидометра - Sender, Speedometer (Sender, Speedometer) | | под заказ | 8260 руб. |
| 6 | 34108-94500-000 | Запчасть снята с производства - The Spare Part Is Laid Off (The Spare Part Is Laid Off) | | под заказ | 0 руб. |
| 6 | 34108-94510-000 | (актуальный код замены) Запчасть снята с производства - The Spare Part Is Laid Off | | под заказ | 0 руб. |
| 7 | 34109-94500-000 | Lead, Прибор Удлинитель (l: 1600) - Lead, Meter Extension (l:1600) (Lead, meter extension ) (Lead, Meter Extension (l:1600)) | | под заказ | 0 руб. |
| 8 | 32500-95722-000 | Регулятор напряжения - Regulator Assy, Voltage (Regulator assy, voltage ) (Regulator Assy, Voltage) | | под заказ | 110400 руб. |
| 9 | 01107-06162-000 | Болт - Bolt (Bolt) | | под заказ | 180 руб. |
| 9 | 01550-06167-000 | (актуальный код замены) Болт - Bolt | | 9 шт | 210 руб. |
| 9 | 01550-06167-000 | Болт - Bolt (Bolt) | | 9 шт | 210 руб. |
| 9 | 01107-06352-000 | Болт - Bolt (Bolt) | | под заказ | 190 руб. |
| 9 | 01500-06357-000 | (актуальный код замены) Болт - Bolt | | под заказ | 190 руб. |
| 9 | 01500-06357-000 | Болт - Bolt (Bolt) | | под заказ | 190 руб. |
| 10 | 08321-21062-000 | Шайба с блокировкой - Washer, Lock (Washer, Lock) | | под заказ | 140 руб. |
| 10 | 08321-01067-000 | (актуальный код замены) Шайба с блокировкой - Washer, Lock | | под заказ | 140 руб. |
| 10 | 08321-01067-000 | Шайба с блокировкой - Washer, Lock (Washer, Lock) | | под заказ | 140 руб. |
| 11 | 08310-11062-000 | Гайка - Nut (Nut) | | под заказ | 140 руб. |
| 11 | 08310-00067-000 | (актуальный код замены) Гайка - Nut | | под заказ | 140 руб. |
| 11 | 08310-00067-000 | Гайка - Nut (Nut) | | под заказ | 140 руб. |
Время выполнения запроса 3.5194869041443 сек. |
|