Запчасти на мотор SUZUKI DT55S/L/LL/UL модель 1987 года - Кронштейн транца
вконтакте

Контактный телефон: +7 (981) 121-46-93, +7 (800) 200-90-76 , Email: parts-katalog@yandex.ru, где купить

 
 

  Логин:

Пароль:

Регистрация

www.partskatalog.ru Все каталоги Запчасти Mercury Запчасти Suzuki Запчасти Tohatsu Запчасти Honda Контакты



УВАЖАЕМЫЕ КЛИЕНТЫ!
C 19 ДЕКАБРЯ 2025 ПО 02 МАРТА 2026 ГОДА ОТДЕЛ ЗАПЧАСТЕЙ И СЕРВИС РАБОТАТЬ НЕ БУДУТ
ПРОДАЖА ЛОДОЧНЫХ МОТОРОВ В ШТАТНОМ РЕЖИМЕ
ОБ ИЗМЕНЕНИЯХ В ГРАФИКЕ РАБОТЫ ЧИТАЙТЕ НА САЙТА



назад Раздел:   вперёд

Вернуться к выбору узлов мотора


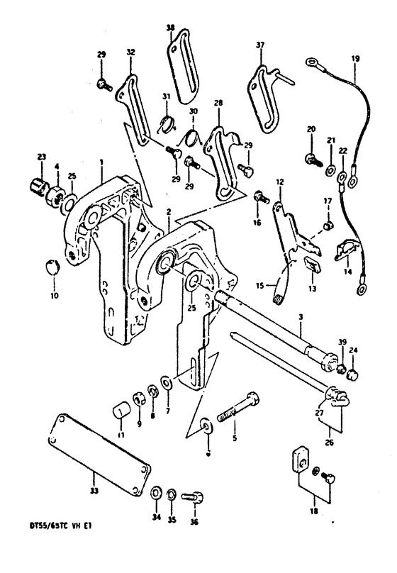
ДЕТАЛИРОВКА ДЛЯ МОДЕЛИ: SUZUKI DT55CVH(F/G/Y) H

Кронштейн транца


Код модели двигателя: DT55S/L/LL/UL

Год выпуска двигателя: 1987

Регион: General Export No.1 ,Код региона: P01

Номер на
рисунке
АртикулНаименованиеQTYКол-во
на складе
Цена
141111-95252-02M

(Dt55, ~503039 dt65, ~503133 @r41111-95253-02m w/0910, 0-22046)

под заказ0 руб.
109111-10028-000

Запчасть снята с производства - The Spare Part Is Laid Off (The Spare Part Is Laid Off)

под заказ0 руб.
109140-10031-000

Гайка - Nut (Nut)

10 шт160 руб.
109162-10005-000

Шайба с блокировкой - Washer, Lock (Lock washer ) (Washer, Lock)

под заказ130 руб.
141111-95272-0ED

Кронштейн правого зажима - Bracket, Clamp Stbd (Bracket, clamp stbd ) (Bracket, Clamp Stbd)

под заказ0 руб.
141111-95260-02M

(Dt55, 603040~604448 dt65, 603134~604558 @r41111-95261-02m, w/09160-22046)

под заказ0 руб.
109111-10028-000

Запчасть снята с производства - The Spare Part Is Laid Off (The Spare Part Is Laid Off)

под заказ0 руб.
109140-10031-000

Гайка - Nut (Nut)

10 шт160 руб.
109162-10005-000

Шайба с блокировкой - Washer, Lock (Lock washer ) (Washer, Lock)

под заказ130 руб.
141111-95272-0ED

Кронштейн правого зажима - Bracket, Clamp Stbd (Bracket, clamp stbd ) (Bracket, Clamp Stbd)

под заказ0 руб.
141111-95261-02M

(Dt55 604449-605119 dt65 604559~60, 5016 @r41111-95280-02m)

под заказ0 руб.
109111-10028-000

Запчасть снята с производства - The Spare Part Is Laid Off (The Spare Part Is Laid Off)

под заказ0 руб.
109140-10031-000

Гайка - Nut (Nut)

10 шт160 руб.
109162-10005-000

Шайба с блокировкой - Washer, Lock (Lock washer ) (Washer, Lock)

под заказ130 руб.
141111-95272-0ED

Кронштейн правого зажима - Bracket, Clamp Stbd (Bracket, clamp stbd ) (Bracket, Clamp Stbd)

под заказ0 руб.
141111-95280-02M

(Dt55, 705120~ dt65, 705017~)

под заказ0 руб.
109111-10028-000

Запчасть снята с производства - The Spare Part Is Laid Off (The Spare Part Is Laid Off)

под заказ0 руб.
109140-10031-000

Гайка - Nut (Nut)

10 шт160 руб.
109162-10005-000

Шайба с блокировкой - Washer, Lock (Lock washer ) (Washer, Lock)

под заказ130 руб.
141111-95272-0ED

Кронштейн правого зажима - Bracket, Clamp Stbd (Bracket, clamp stbd ) (Bracket, Clamp Stbd)

под заказ0 руб.
241121-95253-02M

(Dt55, ~503039 dt65, ~503133 @r41121-95254-02m w/0916, 0-22046)

под заказнет сведений
209160-22046-000

Запчасть снята с производства - The Spare Part Is Laid Off (The Spare Part Is Laid Off)

под заказ0 руб.
241130-95292-000

Труба кронштейна транца - Shaft, Clamp Bracket (Shaft, Clamp Bracket)

под заказ0 руб.
241121-95260-02M

(Dt55 603040~604448 dt65 603134~60, 4558 @r41121-95261-02m w/09160-22, 046)

под заказнет сведений
209160-22046-000

Запчасть снята с производства - The Spare Part Is Laid Off (The Spare Part Is Laid Off)

под заказ0 руб.
241130-95292-000

Труба кронштейна транца - Shaft, Clamp Bracket (Shaft, Clamp Bracket)

под заказ0 руб.
241121-95261-02M

(Dt55 604449-605119 dt65 604559~60, 5016 @r41121-95280-02m w/41130-95, 270)

под заказнет сведений
241130-95292-000

Труба кронштейна транца - Shaft, Clamp Bracket (Shaft, Clamp Bracket)

под заказ0 руб.
241121-95280-02M

Запчасть снята с производства - The Spare Part Is Laid Off (Dt55, 705120~ dt65, 705017~) (The Spare Part Is Laid Off)

под заказ0 руб.
241121-95281-0ED

   (актуальный код замены) Запчасть снята с производства - The Spare Part Is Laid Off

под заказ0 руб.
341130-95252-000

Запчасть снята с производства - The Spare Part Is Laid Off (Model vf @r41130-95260) (The Spare Part Is Laid Off)

под заказ0 руб.
341130-95280-000

   (актуальный код замены) Запчасть снята с производства - The Spare Part Is Laid Off

под заказ0 руб.
341130-95260-000

Запчасть снята с производства - The Spare Part Is Laid Off (Model vg) (The Spare Part Is Laid Off)

под заказ0 руб.
341130-95280-000

   (актуальный код замены) Запчасть снята с производства - The Spare Part Is Laid Off

под заказ0 руб.
341130-95270-000

Труба кронштейна транца - Shaft, Clamp Bracket (Model vh) (Shaft, Clamp Bracket)

под заказ0 руб.
341130-95292-000

   (актуальный код замены) Запчасть снята с производства - The Spare Part Is Laid Off

под заказ0 руб.
341130-95292-000

Труба кронштейна транца - Shaft, Clamp Bracket (Shaft, Clamp Bracket)

под заказ0 руб.
409159-22003-000

Гайка - Nut (Nut)

под заказ1950 руб.
409159-22006-000

   (актуальный код замены) Гайка - Nut

8 шт1950 руб.
409159-22006-000

Гайка - Nut (Nut)

8 шт1950 руб.
509100-12039-000

под заказнет сведений
509100-12093-000

Болт (12x100) - Bolt (12x100) (Bolt (12x100))

6 шт1330 руб.
509159-12014-000

Гайка - Nut (Nut)

18 шт370 руб.
609160-12044-000

Шайба (12.5x35x3.2) - Washer (125x35x32) (Washer (12.5x35x3.2) ) (Washer (12.5x35x3.2))

12 шт260 руб.
709160-12066-000

Шайба (12.5x22x2.5) - Washer (125x22x25) (Washer (12.5x22x2.5) ) (Washer (12.5x22x2.5))

19 шт150 руб.
809162-12005-000

Шайба с блокировкой - Washer, Lock (Lock washer (12.2x21.5x3) ) (Washer, Lock)

под заказ160 руб.
909140-12028-000

Гайка - Nut (Nut)

под заказ350 руб.
1009250-12006-000

Колпачок (od: 20) - Cap (od:20) (Cap, clamp bracket; ) (Cap (od:20))

под заказ160 руб.
1009250-12016-000

   (актуальный код замены) Колпачок (od: 20) - Cap (od:20)

под заказ160 руб.
1141153-94500-000

Колпачок транцевого болта - Cap, Transom Bolt (Cap, Transom Bolt)

2 шт370 руб.
1241222-95260-02M

Запчасть снята с производства - The Spare Part Is Laid Off (The Spare Part Is Laid Off)

под заказ0 руб.
1241222-95260-0ED

   (актуальный код замены) Запчасть снята с производства - The Spare Part Is Laid Off

под заказ0 руб.
1341225-94400-000

Резинка блокировки наклона Рычаг - Rubber, Tilt Lock Arm (Rubber, tilt lock lever # Rubber, tilt lock lever; ) (Rubber, Tilt Lock Arm)

под заказ340 руб.
1441227-95250-000

Запчасть снята с производства - The Spare Part Is Laid Off (The Spare Part Is Laid Off)

под заказ0 руб.
1541228-95250-000

Пружина фиксатора наклона Рычаг - Spring, Tilt Lock Arm (Spring, tilt lock arm ) (Spring, Tilt Lock Arm)

под заказ0 руб.
1609111-12008-000

Запчасть снята с производства - The Spare Part Is Laid Off (The Spare Part Is Laid Off)

под заказ0 руб.
1709321-06024-000

Запчасть снята с производства - The Spare Part Is Laid Off (The Spare Part Is Laid Off)

под заказ0 руб.
1855320-95310-000

Защитный цинковый анод - Zinc Set, Protection (Zinc, protection;) (Zinc Set, Protection)

под заказ1320 руб.
1855320-95311-000

   (актуальный код замены) Защитный цинковый анод - Zinc Set, Protection

16 шт1320 руб.
1855320-95311-000

Защитный цинковый анод - Zinc Set, Protection (Zinc Set, Protection)

16 шт1320 руб.
1936894-95200-000

Lead (l: 165) - Lead (l:165) (L:165) (Lead (l:165))

под заказ1170 руб.
1936894-95201-000

   (актуальный код замены) Lead (l: 165) - Lead (l:165)

под заказ1170 руб.
1936894-95201-000

Lead (l: 165) - Lead (l:165) (Lead (l:165))

под заказ1170 руб.
2009125-05050-000

Винт (5x8) - Screw (5x8) (Screw (5x8))

под заказ150 руб.
2109161-05014-000

Шайба (5.2x11x1) - Washer (52x11x1) (Washer (5.2x11x1))

под заказ290 руб.
2109161-05114-000

   (актуальный код замены) Шайба (5.2x11x1) - Washer (5.2x11x1)

под заказ290 руб.
2109161-05114-000

Шайба (5.2x11x1) - Washer (52x11x1) (Washer (5.2x11.0x1.0) ) (Washer (5.2x11x1))

под заказ290 руб.
2236894-94400-000

Lead (l: 195) - Lead (l:195) (Lead (l:195))

под заказ1170 руб.
2236894-94401-000

   (актуальный код замены) Lead (l: 195) - Lead (l:195)

под заказ1170 руб.
2236894-94401-000

Lead (l: 195) - Lead (l:195) (Lead (l, ll) ) (Lead (l:195))

под заказ1170 руб.
2341151-94500-000

Колпачок кронштейна транца Вал - Cap, Clamp Bracket Shaft (Cap, clamp bracket shaft; ) (Cap, Clamp Bracket Shaft)

под заказ280 руб.
2441152-94500-000

Заглушка, Кронштейн транца Вал - Plug, Clamp Bracket Shaft (Plug, clamp bracket shaft # Plug, clamp bracket shaft; ) (Plug, Clamp Bracket Shaft)

под заказ290 руб.
2509160-22046-000

Запчасть снята с производства - The Spare Part Is Laid Off (55:604449~ 65:604559~) (The Spare Part Is Laid Off)

под заказ0 руб.
2645420-95250-000

Запчасть снята с производства - The Spare Part Is Laid Off (Dt55c/65c) (The Spare Part Is Laid Off)

под заказ0 руб.
2709441-21002-000

Пружина - Spring (Dt55c/65c ) (Spring)

под заказ220 руб.
2841222-95202-02M

Запчасть снята с производства - The Spare Part Is Laid Off (Dt55c/65c) (The Spare Part Is Laid Off)

под заказ0 руб.
2841200-95200-000

   (актуальный код замены) Запчасть снята с производства - The Spare Part Is Laid Off

под заказ0 руб.
2841200-95200-000

Запчасть снята с производства - The Spare Part Is Laid Off (The Spare Part Is Laid Off)

под заказ0 руб.
2909111-12008-000

Запчасть снята с производства - The Spare Part Is Laid Off (Dt55c/65c) (The Spare Part Is Laid Off)

под заказ0 руб.
3009448-27010-000

Запчасть снята с производства - The Spare Part Is Laid Off (Dt55c/65c) (The Spare Part Is Laid Off)

под заказ0 руб.
3109448-27011-000

Пружина - Spring (Dt55c/65c ) (Spring)

под заказ0 руб.
3241223-95203-02M

Запчасть снята с производства - The Spare Part Is Laid Off (Dt55c/65c) (The Spare Part Is Laid Off)

под заказ0 руб.
3241223-95210-0ED

   (актуальный код замены) Запчасть снята с производства - The Spare Part Is Laid Off

под заказ0 руб.
3341311-95250-02M

Пластина кронштейна транца - Plate, Clamp Bracket (Dt55c/65c) (Plate, Clamp Bracket)

под заказ0 руб.
3341311-95250-0ED

   (актуальный код замены) Запчасть снята с производства - The Spare Part Is Laid Off

под заказ0 руб.
3341311-95250-0ED

Пластина кронштейна транца - Plate, Clamp Bracket (Plate, Clamp Bracket)

под заказ0 руб.
3409160-10040-000

Шайба (10.5x19x2) - Washer (105x19x2) (Dt55c/65c) (Washer (10.5x19x2))

под заказ120 руб.
3409160-10082-000

   (актуальный код замены) Шайба (10.5x19x2) - Washer (10.5x19x2)

19 шт120 руб.
3409160-10082-000

Шайба (10.5x19x2) - Washer (105x19x2) (Washer ) (Washer (10.5x19x2))

19 шт120 руб.
3509162-10005-000

Шайба с блокировкой - Washer, Lock (Lock washer # Dt55c/65c ) (Washer, Lock)

под заказ130 руб.
3609100-10220-000

Болт (10x35) - Bolt (10x35) (Bolt (10x35) # Bolt (10*35); Dt55c/65c ) (Bolt (10x35))

под заказ1040 руб.
3741222-95250-02M

Рычаг Set, Tilt Lock (gray) - Arm Set, Tilt Lock (gray) (Dt55h:opt) (Arm Set, Tilt Lock (gray))

под заказ0 руб.
3741200-95810-0ED

   (актуальный код замены) Запчасть снята с производства - The Spare Part Is Laid Off

под заказ0 руб.
3741200-95810-0ED

Рычаг Set, Tilt Lock (gray) - Arm Set, Tilt Lock (gray) (Arm Set, Tilt Lock (gray))

под заказ0 руб.
3841223-95250-02M

Запчасть снята с производства - The Spare Part Is Laid Off (Dt55h:opt) (The Spare Part Is Laid Off)

под заказ0 руб.
3841223-95251-0ED

   (актуальный код замены) Запчасть снята с производства - The Spare Part Is Laid Off

под заказ0 руб.
3941161-95250-000

Запчасть снята с производства - The Spare Part Is Laid Off (Opt, model vg) (The Spare Part Is Laid Off)

под заказ0 руб.
3941161-94400-000

Сальник рулевого кабеля - Seal, Steering Cable (Seal, steering cable # Opt, model vh ) (Seal, Steering Cable)

16 шт1530 руб.


Время выполнения запроса 3.5241219997406 сек.

 
 

данный сайт носит информационный характер и не является публичной офертой

склад запчастей для водомоторной техники