Купить оригинальные запчасти на подвесной двигатель Suzuki DT55S/L/LL/UL модель 1987 года - Поворотный кронштейн / Swivel bracket
вконтакте

Контактный телефон: +7 (981) 121-46-93, +7 (800) 200-90-76 , Email: parts-katalog@yandex.ru, где купить

 
 

  Логин:

Пароль:

Регистрация

www.partskatalog.ru Все каталоги Запчасти Mercury Запчасти Suzuki Запчасти Tohatsu Запчасти Honda Контакты



УВАЖАЕМЫЕ КЛИЕНТЫ!
C 19 ДЕКАБРЯ 2025 ПО 02 МАРТА 2026 ГОДА ОТДЕЛ ЗАПЧАСТЕЙ И СЕРВИС РАБОТАТЬ НЕ БУДУТ
ПРОДАЖА ЛОДОЧНЫХ МОТОРОВ В ШТАТНОМ РЕЖИМЕ
ОБ ИЗМЕНЕНИЯХ В ГРАФИКЕ РАБОТЫ ЧИТАЙТЕ НА САЙТА



назад Раздел:   вперёд

Вернуться к выбору узлов мотора


ДЕТАЛИРОВКА ДЛЯ МОДЕЛИ: SUZUKI DT55CVH(F/G/Y) H

Поворотный кронштейн


Код модели двигателя: DT55S/L/LL/UL

Год выпуска двигателя: 1987

Регион: General Export No.1 ,Код региона: P01

Номер на
рисунке
АртикулНаименованиеQTYКол-во
на складе
Цена
143111-95752-02M

Запчасть снята с производства - The Spare Part Is Laid Off (The Spare Part Is Laid Off)

под заказ0 руб.
143111-95752-0ED

   (актуальный код замены) Запчасть снята с производства - The Spare Part Is Laid Off

под заказ0 руб.
143111-95760-02M

Запчасть снята с производства - The Spare Part Is Laid Off (Dt55h) (The Spare Part Is Laid Off)

под заказ0 руб.
143111-95760-0ED

   (актуальный код замены) Запчасть снята с производства - The Spare Part Is Laid Off

под заказ0 руб.
143111-95252-02M

Запчасть снята с производства - The Spare Part Is Laid Off (The Spare Part Is Laid Off)

под заказ0 руб.
143111-95252-0ED

   (актуальный код замены) Запчасть снята с производства - The Spare Part Is Laid Off

под заказ0 руб.
143111-95261-02M

Запчасть снята с производства - The Spare Part Is Laid Off (Dt55h) (The Spare Part Is Laid Off)

под заказ0 руб.
143111-95220-0ED

   (актуальный код замены) Запчасть снята с производства - The Spare Part Is Laid Off

под заказ0 руб.
222511-99001-000

Ниппель смазки - Nipple, Grease (Nipple, Grease)

под заказ340 руб.
222511-99011-000

   (актуальный код замены) Ниппель смазки - Nipple, Grease

9 шт400 руб.
222511-99011-000

Ниппель смазки - Nipple, Grease (Nipple, Grease)

9 шт400 руб.
309306-26005-000

Запчасть снята с производства - The Spare Part Is Laid Off (The Spare Part Is Laid Off)

под заказ0 руб.
309307-26004-000

   (актуальный код замены) Запчасть снята с производства - The Spare Part Is Laid Off

под заказ0 руб.
443750-95750-02M

Кронштейн рулевого управления (gray) - Bracket, Steering (gray) (Bracket, Steering (gray))

под заказ0 руб.
443750-95754-0ED

   (актуальный код замены) Запчасть снята с производства - The Spare Part Is Laid Off

под заказ0 руб.
443750-95754-0ED

Кронштейн рулевого управления (gray) - Bracket, Steering (gray) (Bracket, steering (s) ) (Bracket, Steering (gray))

под заказ0 руб.
443750-95250-02M

Кронштейн рулевого управления (gray) - Bracket, Steering (gray) (Bracket, Steering (gray))

под заказ0 руб.
443750-95254-0ED

   (актуальный код замены) Запчасть снята с производства - The Spare Part Is Laid Off

под заказ0 руб.
443750-95254-0ED

Кронштейн рулевого управления (gray) - Bracket, Steering (gray) (Bracket, steering (l/ll) ) (Bracket, Steering (gray))

под заказ0 руб.
543211-95250-000

Втулка струбцины поворотного вала - Bush, Clamp Shaft Swivel (Bush, swivel # Bush, swivel; ) (Bush, Clamp Shaft Swivel)

под заказ0 руб.
609420-05003-000

Ключ - Key (Key)

под заказ600 руб.
709166-25007-000

Запчасть снята с производства - The Spare Part Is Laid Off (Washer;) (The Spare Part Is Laid Off)

под заказ0 руб.
809140-24010-000

Гайка - Nut (Nut)

под заказ0 руб.
909181-26006-000

Запчасть снята с производства - The Spare Part Is Laid Off (Shim (0.3);) (The Spare Part Is Laid Off)

под заказ0 руб.
909181-26007-000

Запчасть снята с производства - The Spare Part Is Laid Off (The Spare Part Is Laid Off)

под заказ0 руб.
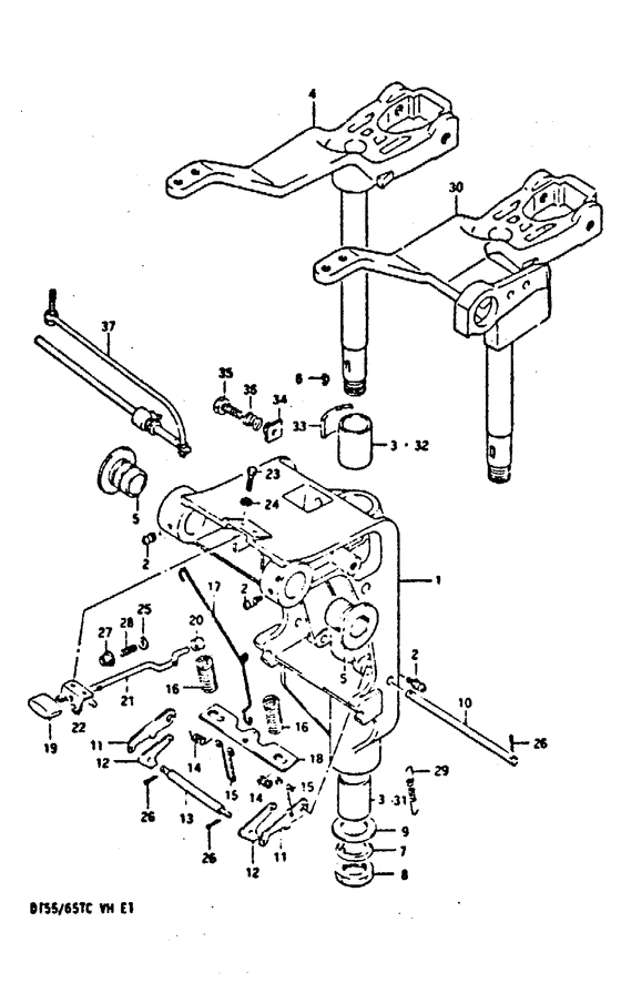
1045245-95201-000

Вал блокировки задней передачи Рычаг - Shaft, Reverse Lock Arm (Dt55c/65c) (Shaft, Reverse Lock Arm)

под заказ0 руб.
1045245-95202-000

   (актуальный код замены) Запчасть снята с производства - The Spare Part Is Laid Off

под заказ0 руб.
1045245-95202-000

Вал блокировки задней передачи Рычаг - Shaft, Reverse Lock Arm (Shaft, reverse lock arm ) (Shaft, Reverse Lock Arm)

под заказ0 руб.
1145241-95202-000

Запчасть снята с производства - The Spare Part Is Laid Off (Dt55c/65c) (The Spare Part Is Laid Off)

под заказ0 руб.
1245231-95201-000

Запчасть снята с производства - The Spare Part Is Laid Off (Dt55c/65c) (The Spare Part Is Laid Off)

под заказ0 руб.
1345243-95201-000

Штифт - Pin (Dt55c/65c ) (Pin)

под заказ0 руб.
1409444-12001-000

Пружина - Spring (Dt55c/65c) (Spring)

под заказ0 руб.
1409448-12018-000

   (актуальный код замены) Запчасть снята с производства - The Spare Part Is Laid Off

под заказ0 руб.
1409448-12018-000

Пружина - Spring (Spring)

под заказ0 руб.
1545244-95200-000

Запчасть снята с производства - The Spare Part Is Laid Off (Dt55c/65c) (The Spare Part Is Laid Off)

под заказ0 руб.
1609440-21005-000

Запчасть снята с производства - The Spare Part Is Laid Off (Dt55c/65c) (The Spare Part Is Laid Off)

под заказ0 руб.
1745252-96302-000

Тяга рычага блокировки - Link, Release Lever (Dt55c/65c) (Link, Release Lever)

под заказ650 руб.
1745252-96303-000

   (актуальный код замены) Тяга рычага блокировки - Link, Release Lever

4 шт650 руб.
1745252-96303-000

Тяга рычага блокировки - Link, Release Lever (Link, release lever ) (Link, Release Lever)

4 шт650 руб.
1845242-95251-000

Пластина блокировки реверса Рычаг - Plate, Reverse Lock Arm (Plate, reverse lock arm # Dt55c/65c ) (Plate, Reverse Lock Arm)

под заказ0 руб.
1945255-96300-000

Ручка освобождающего рычага - Knob, Release Lever (Dt55c/66c) (Knob, Release Lever)

под заказ610 руб.
1945255-96302-000

   (актуальный код замены) Ручка освобождающего рычага - Knob, Release Lever

под заказ610 руб.
1945255-96302-000

Ручка освобождающего рычага - Knob, Release Lever (Knob, release lever ) (Knob, Release Lever)

под заказ610 руб.
2045257-93900-000

Втулка рычага блокировки - Bush, Release Lever (Bush, release lever # Dt55c/65c ) (Bush, Release Lever)

под заказ0 руб.
2145260-95250-000

Запчасть снята с производства - The Spare Part Is Laid Off (Dt55c/65c) (The Spare Part Is Laid Off)

под заказ0 руб.
2245311-93900-02M

Кронштейн, Release Рычаг - Bracket, Release Lever (Dt55c/65c) (Bracket, Release Lever)

под заказ0 руб.
2245311-93900-0ED

   (актуальный код замены) Запчасть снята с производства - The Spare Part Is Laid Off

под заказ0 руб.
2245311-93900-0ED

Кронштейн, Release Рычаг - Bracket, Release Lever (Bracket, release lever ) (Bracket, Release Lever)

под заказ0 руб.
2309100-05011-000

Запчасть снята с производства - The Spare Part Is Laid Off (Bolt (5*12); Dt55c/65c) (The Spare Part Is Laid Off)

под заказ0 руб.
2409160-05010-000

Шайба (5.5x12x0.8) - Washer (55x12x08) (Dt55c/65c) (Washer (5.5x12x0.8))

под заказ130 руб.
2409160-05029-000

   (актуальный код замены) Шайба (5.5x12x0.8) - Washer (5.5x12x0.8)

14 шт130 руб.
2409160-05029-000

Шайба (5.5x12x0.8) - Washer (55x12x08) (Washer (5.5x12x0.8))

14 шт130 руб.
2509160-04012-000

Шайба (4.2x10x1) - Washer (42x10x1) (Washer (4.2x10x1) # Washer (4.2*10*1); Dt55c/65c ) (Washer (4.2x10x1))

под заказ120 руб.
2609204-01001-000

(Dt55c/65c)

под заказнет сведений
2609204-01002-000

Штифт - Pin (Cotter pin ) (Pin)

24 шт140 руб.
2709319-04001-000

Втулка - Bush (Dt55c/65c ) (Bush)

под заказ160 руб.
2809440-04021-000

Пружина - Spring (Dt55c/65c ) (Spring)

под заказ120 руб.
2909443-05013-000

Пружина - Spring (Dt55c/65c ) (Spring)

10 шт350 руб.
3043750-95760-02M

Запчасть снята с производства - The Spare Part Is Laid Off (Dt55h) (The Spare Part Is Laid Off)

под заказ0 руб.
3043750-95761-02M

   (актуальный код замены) Запчасть снята с производства - The Spare Part Is Laid Off

под заказ0 руб.
3043750-95260-02M

Запчасть снята с производства - The Spare Part Is Laid Off (Dt55h) (The Spare Part Is Laid Off)

под заказ0 руб.
3043750-95261-02M

   (актуальный код замены) Запчасть снята с производства - The Spare Part Is Laid Off

под заказ0 руб.
3109306-26005-000

Запчасть снята с производства - The Spare Part Is Laid Off (Bush, steering lower; Dt55h) (The Spare Part Is Laid Off)

под заказ0 руб.
3109307-26004-000

   (актуальный код замены) Запчасть снята с производства - The Spare Part Is Laid Off

под заказ0 руб.
3209306-26006-000

Запчасть снята с производства - The Spare Part Is Laid Off (Bush, steering upper; Dt55h) (The Spare Part Is Laid Off)

под заказ0 руб.
3209307-26004-000

   (актуальный код замены) Запчасть снята с производства - The Spare Part Is Laid Off

под заказ0 руб.
3343411-94300-000

Регулировка рулевой системы - Adjuster, Steering (Adjuster, steering # Dt55h ) (Adjuster, Steering)

под заказ0 руб.
3443421-96301-000

Втулка, Регулятор Болт - Bush, Adjuster Bolt (Dt55h) (Bush, Adjuster Bolt)

под заказ970 руб.
3443421-96302-000

   (актуальный код замены) Втулка, Регулятор Болт - Bush, Adjuster Bolt

1 шт970 руб.
3443421-96302-000

Втулка, Регулятор Болт - Bush, Adjuster Bolt (Bush, Adjuster Bolt)

1 шт970 руб.
3509119-08044-000

Болт - Bolt (Bolt (8x23) # Bolt; Dt55h ) (Bolt)

под заказ0 руб.
3609440-13045-000

Запчасть снята с производства - The Spare Part Is Laid Off (Dt55h) (The Spare Part Is Laid Off)

под заказ0 руб.
3743770-95201-000

Регулятор в сборе, Рулевая система - Adjuster Assy, Steering (Adjustor, steering # Opt ) (Adjuster Assy, Steering)

под заказ0 руб.


Время выполнения запроса 1.7330131530762 сек.

 
 

данный сайт носит информационный характер и не является публичной офертой

склад запчастей для водомоторной техники