Найти запчасти на подвесной лодочный двигатель Suzuki DT55MS/L/UL - Engine holder - Основание двигателя
вконтакте

Контактный телефон: +7 (981) 121-46-93, +7 (800) 200-90-76 , Email: parts-katalog@yandex.ru, где купить

 
 

  Логин:

Пароль:

Регистрация

www.partskatalog.ru Все каталоги Запчасти Mercury Запчасти Suzuki Запчасти Tohatsu Запчасти Honda Контакты



УВАЖАЕМЫЕ КЛИЕНТЫ!
C 19 ДЕКАБРЯ 2025 ПО 02 МАРТА 2026 ГОДА ОТДЕЛ ЗАПЧАСТЕЙ И СЕРВИС РАБОТАТЬ НЕ БУДУТ
ПРОДАЖА ЛОДОЧНЫХ МОТОРОВ В ШТАТНОМ РЕЖИМЕ
ОБ ИЗМЕНЕНИЯХ В ГРАФИКЕ РАБОТЫ ЧИТАЙТЕ НА САЙТА



назад Раздел:   вперёд

Вернуться к выбору узлов мотора


ДЕТАЛИРОВКА ДЛЯ МОДЕЛИ: SUZUKI DT55MVH(VF/VG/VH) H

Основание двигателя


Код модели двигателя: DT55MS/L/UL

Год выпуска двигателя: 1987

Регион: General Export No.1 ,Код региона: P01

Цвет: Francois Whte №2Arctic Silver

Номер на
рисунке
АртикулНаименованиеQTYКол-во
на складе
Цена
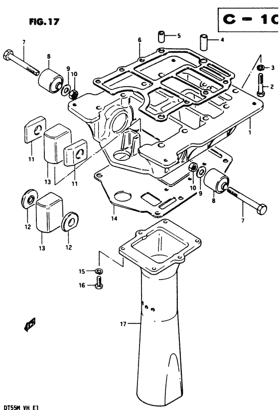
151111-95210-02M

Запчасть снята с производства - The Spare Part Is Laid Off (The Spare Part Is Laid Off)

под заказ0 руб.
151111-95210-0ED

   (актуальный код замены) Запчасть снята с производства - The Spare Part Is Laid Off

под заказ0 руб.
151111-95210-01T

Запчасть снята с производства - The Spare Part Is Laid Off (The Spare Part Is Laid Off)

под заказ0 руб.
151111-95210-0ED

   (актуальный код замены) Запчасть снята с производства - The Spare Part Is Laid Off

под заказ0 руб.
209100-08224-000

Болт (8x35) - Bolt (8x35) (Bolt (8x35);) (Bolt (8x35))

под заказ470 руб.
209100-08224-XC0

   (актуальный код замены) Болт (8x35) - Bolt (8x35)

40 шт470 руб.
209100-08224-XC0

Болт (8x35) - Bolt (8x35) (Bolt (8x35))

40 шт470 руб.
309162-08007-000

Шайба с блокировкой - Washer, Lock (Lock washer ) (Washer, Lock)

под заказ160 руб.
409206-11005-000

Штифт (8.4x11x20) - Pin (84x11x20) (Pin (8.4x11x20))

под заказ540 руб.
409206-11017-000

   (актуальный код замены) Штифт (8.4x11x20) - Pin (8.4x11x20)

под заказ540 руб.
409206-11017-000

Штифт (8.4x11x20) - Pin (84x11x20) (Pin (8.4x11x20) ) (Pin (8.4x11x20))

под заказ540 руб.
509205-11001-000

Штифт (8.4x11x14) - Pin (84x11x14) (Pin (8.4x11x14))

под заказ410 руб.
509206-11004-000

   (актуальный код замены) Штифт (8.4x11x14) - Pin (8.4x11x14)

под заказ410 руб.
509206-11004-000

Штифт (8.4x11x14) - Pin (84x11x14) (Pin, gear case no.2 ) (Pin (8.4x11x14))

под заказ410 руб.
651211-95210-000

Прокладка основания двигателя - Gasket, Engine Holder (Gasket, Engine Holder)

под заказ0 руб.
651211-95260-000

   (актуальный код замены) Запчасть снята с производства - The Spare Part Is Laid Off

под заказ0 руб.
651211-95260-000

Прокладка основания двигателя - Gasket, Engine Holder (Gasket, engine holder ) (Gasket, Engine Holder)

под заказ0 руб.
709100-10208-000

Болт (10x70) - Bolt (10x70) (Bolt (10x70))

под заказ1380 руб.
854130-95500-000

Креплениеing, вышеr - Mounting, Upr (Mount, upper ) (Mounting, Upr)

под заказ0 руб.
909160-10082-000

Шайба (10.5x19x2) - Washer (105x19x2) (Washer # Washer (10.5x19x2); ) (Washer (10.5x19x2))

19 шт120 руб.
1009140-10031-000

Гайка - Nut (Nut)

10 шт160 руб.
1154136-95200-000

Стопор, вышеr Крепление - Stopper, Upr Mount (Stopper, upper mount # Stopper, upper mount (s); ) (Stopper, Upr Mount)

под заказ0 руб.
1254136-95501-000

Запчасть снята с производства - The Spare Part Is Laid Off (Stopper, upper mount (l/ll/ul);) (The Spare Part Is Laid Off)

под заказ0 руб.
1354135-95200-000

Креплениеing, вышеr Thrust - Mounting, Upr Thrust (Mount, upper thrust ) (Mounting, Upr Thrust)

под заказ0 руб.
1452113-95300-000

Запчасть снята с производства - The Spare Part Is Laid Off (~601442) (The Spare Part Is Laid Off)

под заказ0 руб.
1452113-95360-000

   (актуальный код замены) Запчасть снята с производства - The Spare Part Is Laid Off

под заказ0 руб.
1452113-95360-000

Запчасть снята с производства - The Spare Part Is Laid Off (The Spare Part Is Laid Off)

под заказ0 руб.
1452113-95310-000

Запчасть снята с производства - The Spare Part Is Laid Off (601443~) (The Spare Part Is Laid Off)

под заказ0 руб.
1452113-95360-000

   (актуальный код замены) Запчасть снята с производства - The Spare Part Is Laid Off

под заказ0 руб.
1452113-95360-000

Запчасть снята с производства - The Spare Part Is Laid Off (The Spare Part Is Laid Off)

под заказ0 руб.
1509162-06006-000

Шайба с блокировкой - Washer, Lock (Lock washer ) (Washer, Lock)

под заказ160 руб.
1609100-06122-000

Болт (6x20) - Bolt (6x20) (Bolt (6x20); ) (Bolt (6x20))

под заказ0 руб.
1714211-95351-000

Запчасть снята с производства - The Spare Part Is Laid Off (Tube, exhaust (s);) (The Spare Part Is Laid Off)

под заказ0 руб.
1714211-95372-000

   (актуальный код замены) Запчасть снята с производства - The Spare Part Is Laid Off

под заказ0 руб.
1714211-95342-000

Выхлопная труба - Tube, Exhaust (Tube, Exhaust)

под заказ0 руб.
1714211-95362-000

   (актуальный код замены) Запчасть снята с производства - The Spare Part Is Laid Off

под заказ0 руб.
1714211-95362-000

Выхлопная труба - Tube, Exhaust (Tube, Exhaust)

под заказ0 руб.
1714211-95370-000

Запчасть снята с производства - The Spare Part Is Laid Off (Model vh:e7) (The Spare Part Is Laid Off)

под заказ0 руб.
1714211-95372-000

   (актуальный код замены) Запчасть снята с производства - The Spare Part Is Laid Off

под заказ0 руб.
1714211-95360-000

Выхлопная труба - Tube, Exhaust (Model vh:e7) (Tube, Exhaust)

под заказ0 руб.
1714211-95362-000

   (актуальный код замены) Запчасть снята с производства - The Spare Part Is Laid Off

под заказ0 руб.
1714211-95362-000

Выхлопная труба - Tube, Exhaust (Tube, Exhaust)

под заказ0 руб.


Время выполнения запроса 8.3967411518097 сек.

 
 

данный сайт носит информационный характер и не является публичной офертой

склад запчастей для водомоторной техники