Купить оригинальные запчасти на подвесной лодочный мотор Suzuki DT55S/L/LL/UL - Опции : Электрика
вконтакте

Контактный телефон: +7 (981) 121-46-93, +7 (800) 200-90-76 , Email: parts-katalog@yandex.ru, где купить

 
 

  Логин:

Пароль:

Регистрация

www.partskatalog.ru Все каталоги Запчасти Mercury Запчасти Suzuki Запчасти Tohatsu Запчасти Honda Контакты



УВАЖАЕМЫЕ КЛИЕНТЫ!
C 19 ДЕКАБРЯ 2025 ПО 02 МАРТА 2026 ГОДА ОТДЕЛ ЗАПЧАСТЕЙ И СЕРВИС РАБОТАТЬ НЕ БУДУТ
ПРОДАЖА ЛОДОЧНЫХ МОТОРОВ В ШТАТНОМ РЕЖИМЕ
ОБ ИЗМЕНЕНИЯХ В ГРАФИКЕ РАБОТЫ ЧИТАЙТЕ НА САЙТА



назад Раздел:   вперёд

Вернуться к выбору узлов мотора


ДЕТАЛИРОВКА ДЛЯ МОДЕЛИ: SUZUKI DT55C VH/DT55TC VH/DT55HTC VH

Опции : Электрика


Код модели двигателя: DT55S/L/LL/UL

Год выпуска двигателя: 1987

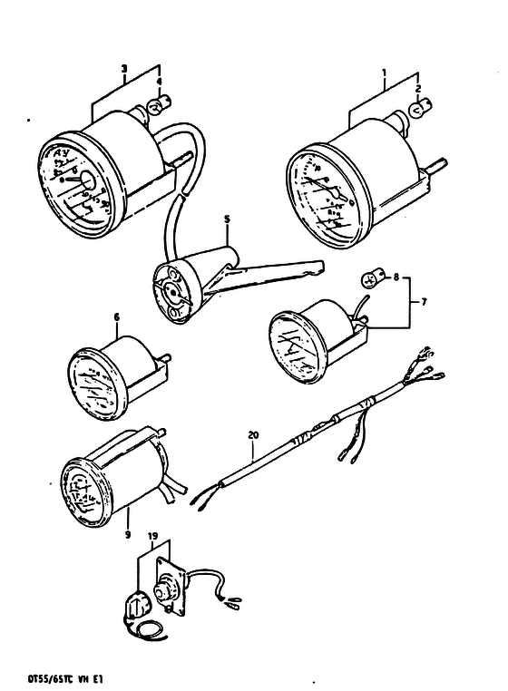
Номер на
рисунке
АртикулНаименованиеQTYКол-во
на складе
Цена
134200-87D00-000

Запчасть снята с производства - The Spare Part Is Laid Off (MODEL VH) (The Spare Part Is Laid Off)

под заказ0 руб.
134200-87D51-000

   (актуальный код замены) Запчасть снята с производства - The Spare Part Is Laid Off

под заказ0 руб.
134200-94601-000

Тахометр в сборе - Tachometer Assy (Tachometer Assy)

под заказ30240 руб.
134200-92E02-000

   (актуальный код замены) Тахометр в сборе - Tachometer Assy

под заказ30240 руб.
134200-92E02-000

Тахометр в сборе - Tachometer Assy (Tachometer Assy)

под заказ30240 руб.
209471-12001-000

Лампочка (12v3.4w, Stanley, A72a) - Bulb (12v34w, Stanley, A72a) (Bulb (12v, 3.4w) ) (Bulb (12v3.4w, Stanley, A72a))

под заказ210 руб.
334100-95502-000

Спидометр в сборе - Speedometer Assy (Speedometer Assy)

под заказ0 руб.
409471-12001-000

Лампочка (12v3.4w, Stanley, A72a) - Bulb (12v34w, Stanley, A72a) (Bulb (12v, 3.4w) ) (Bulb (12v3.4w, Stanley, A72a))

под заказ210 руб.
534190-95500-000

Датчик спидометра - Sender, Speedometer (Sender, Speedometer)

под заказ8260 руб.
634500-95502-000

Запчасть снята с производства - The Spare Part Is Laid Off (The Spare Part Is Laid Off)

под заказ0 руб.
634500-95510-000

Запчасть снята с производства - The Spare Part Is Laid Off (The Spare Part Is Laid Off)

под заказ0 руб.
634500-95511-000

   (актуальный код замены) Запчасть снята с производства - The Spare Part Is Laid Off

под заказ0 руб.
734600-95504-000

Запчасть снята с производства - The Spare Part Is Laid Off (The Spare Part Is Laid Off)

под заказ0 руб.
809471-12001-000

Лампочка (12v3.4w, Stanley, A72a) - Bulb (12v34w, Stanley, A72a) (Bulb (12v, 3.4w) ) (Bulb (12v3.4w, Stanley, A72a))

под заказ210 руб.
934800-87D00-000

Запчасть снята с производства - The Spare Part Is Laid Off (MODEL VH TCEL:OPT) (The Spare Part Is Laid Off)

под заказ0 руб.
934800-87D10-000

   (актуальный код замены) Запчасть снята с производства - The Spare Part Is Laid Off

под заказ0 руб.
934800-95521-000

Запчасть снята с производства - The Spare Part Is Laid Off (MODEL VF, VG TCEL:OPT) (The Spare Part Is Laid Off)

под заказ0 руб.
934800-87D10-000

   (актуальный код замены) Запчасть снята с производства - The Spare Part Is Laid Off

под заказ0 руб.


Время выполнения запроса 1.6261131763458 сек.

 
 

данный сайт носит информационный характер и не является публичной офертой

склад запчастей для водомоторной техники