Запчасти на лодочный мотор Suzuki DT55MS/L/UL - Clutch lever
вконтакте

Контактный телефон: +7 (981) 121-46-93, +7 (800) 200-90-76 , Email: parts-katalog@yandex.ru, где купить

 
 

  Логин:

Пароль:

Регистрация

www.partskatalog.ru Все каталоги Запчасти Mercury Запчасти Suzuki Запчасти Tohatsu Запчасти Honda Контакты



УВАЖАЕМЫЕ КЛИЕНТЫ!
C 19 ДЕКАБРЯ 2025 ПО 02 МАРТА 2026 ГОДА ОТДЕЛ ЗАПЧАСТЕЙ И СЕРВИС РАБОТАТЬ НЕ БУДУТ
ПРОДАЖА ЛОДОЧНЫХ МОТОРОВ В ШТАТНОМ РЕЖИМЕ
ОБ ИЗМЕНЕНИЯХ В ГРАФИКЕ РАБОТЫ ЧИТАЙТЕ НА САЙТА



назад Раздел:   вперёд

Вернуться к выбору узлов мотора


ДЕТАЛИРОВКА ДЛЯ МОДЕЛИ: SUZUKI DT55M VH

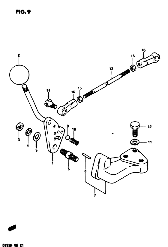
Рычаг сцепления


Код модели двигателя: DT55MS/L/UL

Год выпуска двигателя: 1987

Цвет: Francois Whte №2Arctic Silver

Номер на
рисунке
АртикулНаименованиеQTYКол-во
на складе
Цена
121110-95212-000

Запчасть снята с производства - The Spare Part Is Laid Off (The Spare Part Is Laid Off)

под заказ0 руб.
221116-95210-000

Запчасть снята с производства - The Spare Part Is Laid Off (The Spare Part Is Laid Off)

под заказ0 руб.
309159-08059-000

Гайка - Nut (Nut, clutch lever ) (Nut)

13 шт390 руб.
409162-08007-000

Шайба с блокировкой - Washer, Lock (Lock washer ) (Washer, Lock)

под заказ160 руб.
509160-08014-000

Шайба (8.5x23x1.5) - Washer (85x23x15) (Washer (8.5x23x1.5))

под заказ210 руб.
509160-08081-000

   (актуальный код замены) Шайба (8.5x23x1.5) - Washer (8.5x23x1.5)

4 шт210 руб.
509160-08081-000

Шайба (8.5x23x1.5) - Washer (85x23x15) (Washer, clutch lever ) (Washer (8.5x23x1.5))

4 шт210 руб.
621211-95211-000

Сцепление Вал Рычаг - Shaft, Clutch Lever (Shaft, Clutch Lever)

под заказ0 руб.
621211-95212-000

   (актуальный код замены) Запчасть снята с производства - The Spare Part Is Laid Off

под заказ0 руб.
621211-95212-000

Сцепление Вал Рычаг - Shaft, Clutch Lever (Shaft, clutch lever ) (Shaft, Clutch Lever)

под заказ0 руб.
721150-95213-01T

Кронштейн, Рычаг сцепления (gray) - Bracket, Clutch Lever (gray) (Bracket, Clutch Lever (gray))

под заказ0 руб.
721150-95214-0ED

   (актуальный код замены) Запчасть снята с производства - The Spare Part Is Laid Off

под заказ0 руб.
721150-95214-0ED

Кронштейн, Рычаг сцепления (gray) - Bracket, Clutch Lever (gray) (Bracket, clutch lever ) (Bracket, Clutch Lever (gray))

под заказ0 руб.
721150-95213-02M

Кронштейн, Рычаг сцепления (gray) - Bracket, Clutch Lever (gray) (Bracket, Clutch Lever (gray))

под заказ0 руб.
721150-95214-0ED

   (актуальный код замены) Запчасть снята с производства - The Spare Part Is Laid Off

под заказ0 руб.
721150-95214-0ED

Кронштейн, Рычаг сцепления (gray) - Bracket, Clutch Lever (gray) (Bracket, clutch lever ) (Bracket, Clutch Lever (gray))

под заказ0 руб.
809205-05014-000

Стопор пружины (5x18) - Pin, Spring (5x18) (Pin, clutch lever (l:18) ) (Pin, Spring (5x18))

под заказ180 руб.
909260-10005-000

Шарик - Ball (Steel ball ) (Ball)

4 шт210 руб.
1009440-07021-000

Пружина - Spring (Spring, clutch notch ) (Spring)

под заказ160 руб.
1109162-08007-000

Шайба с блокировкой - Washer, Lock (Lock washer ) (Washer, Lock)

под заказ160 руб.
1209100-08090-000

Запчасть снята с производства - The Spare Part Is Laid Off (8X16) (The Spare Part Is Laid Off)

под заказ0 руб.
1323115-95300-000

Тяга рычага сцепления - Link, Clutch Lever (Link, Clutch Lever)

под заказ0 руб.
1409111-06021-000

Болт (6x17) - Bolt (6x17) (Bolt (6x17))

под заказ860 руб.
1409111-06064-000

   (актуальный код замены) Болт (6x17) - Bolt (6x17)

15 шт860 руб.
1409111-06064-000

Болт (6x17) - Bolt (6x17) (Bolt, clutch control arm ) (Bolt (6x17))

15 шт860 руб.
1509140-05001-000

Гайка - Nut (Nut)

под заказ220 руб.
1509140-05005-000

   (актуальный код замены) Гайка - Nut

10 шт270 руб.
1509140-05005-000

Гайка - Nut (Nut)

10 шт270 руб.
1623312-95210-000

Коннектор тяги сцепления №2 - Connector, Clutch Link No2 (Connector, clutch link ) (Connector, Clutch Link No.2)

под заказ0 руб.


Время выполнения запроса 0.79888892173767 сек.

 
 

данный сайт носит информационный характер и не является публичной офертой

склад запчастей для водомоторной техники