Оригинальные запчасти на подвесной двигатель Suzuki - Поворотный кронштейн
вконтакте

Контактный телефон: +7 (981) 121-46-93, +7 (800) 200-90-76 , Email: parts-katalog@yandex.ru, где купить

 
 

  Логин:

Пароль:

Регистрация

www.partskatalog.ru Все каталоги Запчасти Mercury Запчасти Suzuki Запчасти Tohatsu Запчасти Honda Контакты



УВАЖАЕМЫЕ КЛИЕНТЫ!
C 19 ДЕКАБРЯ 2025 ПО 02 МАРТА 2026 ГОДА ОТДЕЛ ЗАПЧАСТЕЙ И СЕРВИС РАБОТАТЬ НЕ БУДУТ
ПРОДАЖА ЛОДОЧНЫХ МОТОРОВ В ШТАТНОМ РЕЖИМЕ
ОБ ИЗМЕНЕНИЯХ В ГРАФИКЕ РАБОТЫ ЧИТАЙТЕ НА САЙТА



назад Раздел:   вперёд

Вернуться к выбору узлов мотора


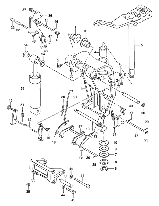
ДЕТАЛИРОВКА ДЛЯ МОДЕЛИ: SUZUKI DT55CRQLK(E1) K

Поворотный кронштейн


Год выпуска двигателя: 1989

Номер на
рисунке
АртикулНаименованиеQTYКол-во
на складе
Цена
143111-95530-0ED

Поворотный кронштейн - Bracket, Swivel (Bracket, Swivel)

под заказ0 руб.
222511-99010-000

Ниппель смазки - Nipple, Grease (Nipple, grease;) (Nipple, Grease)

под заказ340 руб.
222511-99011-000

   (актуальный код замены) Ниппель смазки - Nipple, Grease

9 шт400 руб.
222511-99011-000

Ниппель смазки - Nipple, Grease (Nipple, Grease)

9 шт400 руб.
343211-95510-000

Втулка струбцины поворотного вала - Bush, Clamp Shaft Swivel (Bush, clamp shaft swivel ) (Bush, Clamp Shaft Swivel)

под заказ0 руб.
443711-95500-000

Втулка рулевой системы - Bush, Steering (Bush, Steering)

под заказ0 руб.
543750-95254-0ED

Кронштейн рулевого управления (gray) - Bracket, Steering (gray) (Bracket, steering (l/ll) ) (Bracket, Steering (gray))

под заказ0 руб.
609140-24010-000

Гайка - Nut (Nut)

под заказ0 руб.
709160-25052-000

Запчасть снята с производства - The Spare Part Is Laid Off (The Spare Part Is Laid Off)

под заказ0 руб.
809166-25007-000

Запчасть снята с производства - The Spare Part Is Laid Off (Washer;) (The Spare Part Is Laid Off)

под заказ0 руб.
909181-26006-000

Запчасть снята с производства - The Spare Part Is Laid Off (The Spare Part Is Laid Off)

под заказ0 руб.
1109420-05003-000

Ключ - Key (Key)

под заказ600 руб.
1241220-95501-0ED

Запчасть снята с производства - The Spare Part Is Laid Off (The Spare Part Is Laid Off)

под заказ0 руб.
1345420-95500-000

Штифт блокировки наклона - Pin, Tilt Lock (Pin, Tilt Lock)

под заказ0 руб.
1345420-9550V-000

   (актуальный код замены) Запчасть снята с производства - The Spare Part Is Laid Off

под заказ0 руб.
1409441-24002-000

Запчасть снята с производства - The Spare Part Is Laid Off (The Spare Part Is Laid Off)

под заказ0 руб.
1509111-12007-000

Запчасть снята с производства - The Spare Part Is Laid Off (Bolt, (r);) (The Spare Part Is Laid Off)

под заказ0 руб.
1609111-10045-000

Болт (10x20.8) - Bolt (10x208) (Bolt (10x20.8))

под заказ630 руб.
1745230-95510-000

Рычаг блокировки реверса - Arm, Reverse Lock (Arm, reverse lock ) (Arm, Reverse Lock)

под заказ0 руб.
1845241-95500-000

Тяга правого рычага блокировки реверса - Link, Reverse Lock Arm Stbd (Link, reverse lock arm, stbd # Link, reverse lock arm, stbd; ) (Link, Reverse Lock Arm Stbd)

под заказ0 руб.
1945242-95500-000

Тяга левого рычага блокировки реверса - Link, Reverse Lock Arm Port (Link, reverse lock arm, port # Link, reverse lock arm, port; ) (Link, Reverse Lock Arm Port)

под заказ0 руб.
2045244-95500-000

Запчасть снята с производства - The Spare Part Is Laid Off (The Spare Part Is Laid Off)

под заказ0 руб.
2145251-95500-000

Тяга рычага блокировки - Link, Release Lever (Link, release lever ) (Link, Release Lever)

под заказ0 руб.
2209100-08227-000

Болт (8x27) - Bolt (8x27) (Bolt (8x27))

под заказ0 руб.
2309140-08016-000

Гайка - Nut (Nut)

под заказ190 руб.
2309140-08023-XC0

Гайка - Nut (Nut)

14 шт190 руб.
2409162-08007-000

Шайба с блокировкой - Washer, Lock (Lock washer ) (Washer, Lock)

под заказ160 руб.
2509160-08082-000

Шайба (8.5x16x1.2) - Washer (85x16x12) (Washer (8.5x16x1.2))

13 шт120 руб.
2609200-06050-000

Запчасть снята с производства - The Spare Part Is Laid Off (The Spare Part Is Laid Off)

под заказ0 руб.
2709200-08044-000

Запчасть снята с производства - The Spare Part Is Laid Off (The Spare Part Is Laid Off)

под заказ0 руб.
2809204-01002-000

Штифт - Pin (Cotter pin # Pin; ) (Pin)

24 шт140 руб.
2909204-01002-000

Штифт - Pin (Cotter pin # Pin; ) (Pin)

24 шт140 руб.
3009443-05013-000

Пружина - Spring (Spring)

10 шт350 руб.
3109443-14065-000

Запчасть снята с производства - The Spare Part Is Laid Off (The Spare Part Is Laid Off)

под заказ0 руб.
3241230-95500-000

Запчасть снята с производства - The Spare Part Is Laid Off (The Spare Part Is Laid Off)

под заказ0 руб.
3345255-95500-000

Ручка освобождающего рычага - Knob, Release Lever (Knob, release lever # Knob, release lever; ) (Knob, Release Lever)

под заказ460 руб.
3445320-95502-000

Запчасть снята с производства - The Spare Part Is Laid Off (The Spare Part Is Laid Off)

под заказ0 руб.
3547211-95500-0ED

Запчасть снята с производства - The Spare Part Is Laid Off (The Spare Part Is Laid Off)

под заказ0 руб.
3645324-95501-000

Пластина, Release Рычаг - Plate, Release Lever (Model:91~94 ) (Plate, Release Lever)

под заказ0 руб.
3709117-06040-000

Болт (6x15) - Bolt (6x15) (Bolt, release plate; Model:91~94) (Bolt (6x15))

под заказ310 руб.
3709117-06040-XC0

   (актуальный код замены) Болт (6x15) - Bolt (6x15)

30 шт310 руб.
3709117-06040-XC0

Болт (6x15) - Bolt (6x15) (Bolt (6x15))

30 шт310 руб.
3847221-95501-000

Запчасть снята с производства - The Spare Part Is Laid Off (The Spare Part Is Laid Off)

под заказ0 руб.
3909100-05011-000

Запчасть снята с производства - The Spare Part Is Laid Off (The Spare Part Is Laid Off)

под заказ0 руб.
4048321-94510-000

Вал наклона Цилиндр вышеr - Shaft, Tilt Cylinder Upr (Shaft, upper # Shaft, upper; ) (Shaft, Tilt Cylinder Upr)

под заказ0 руб.
4109100-10264-000

Болт (10x80) - Bolt (10x80) (Bolt (l:80) # Bolt (l:80); ) (Bolt (10x80))

под заказ1010 руб.
4209100-10157-000

Болт (10x45) - Bolt (10x45) (Bolt (l:45);) (Bolt (10x45))

под заказ1810 руб.
4209100-10157-XC0

   (актуальный код замены) Болт (10x45) - Bolt (10x45)

под заказ1810 руб.
4209100-10157-XC0

Болт (10x45) - Bolt (10x45) (Bolt (10x45))

под заказ1810 руб.
4309160-06090-000

Шайба (6.5x13x1.0) - Washer (65x13x10) (Washer (6.5x13x1.0))

под заказ120 руб.
4309160-06082-000

   (актуальный код замены) Шайба (6.5x13x1.0) - Washer (6.5x13x1.0)

7 шт150 руб.
4309160-06082-000

Шайба (6.5x13x1.0) - Washer (65x13x10) (Washer (6.5x13x1.0))

7 шт150 руб.
4409162-10005-000

Шайба с блокировкой - Washer, Lock (Lock washer ) (Washer, Lock)

под заказ130 руб.
4509209-05019-000

Штифт - Pin (Pin)

под заказ0 руб.
4609204-01002-000

Штифт - Pin (Cotter pin # Pin; ) (Pin)

24 шт140 руб.
4709319-05003-000

Втулка - Bush (Bush)

под заказ0 руб.
4809319-05004-000

Втулка - Bush (Bush)

под заказ0 руб.
4909319-06005-000

Втулка - Bush (Bush)

под заказ0 руб.
5009380-16003-000

Пружинное кольцо - Ring, Snap (Ring, Snap)

под заказ230 руб.
5109443-12039-000

Пружина - Spring (Spring)

под заказ410 руб.
5209320-06012-000

Подушка - Cushion (Cushion, release lever # Cushion, release lever; Model:91~94 ) (Cushion)

под заказ420 руб.
5347400-95511-0ED

Цилиндр в сборе, Gas (gray) - Cylinder Assy, Gas (gray) (Cylinder Assy, Gas (gray))

под заказ0 руб.
5409306-16003-000

Втулка - Bush (Bush, cylinder upper # Bush, cylinder upper; ) (Bush)

под заказ0 руб.


Время выполнения запроса 2.6578938961029 сек.

 
 

данный сайт носит информационный характер и не является публичной офертой

склад запчастей для водомоторной техники