Оригинальные запчасти на лодочный мотор SUZUKI модель 1989 года - Power unit
вконтакте

Контактный телефон: +7 (981) 121-46-93, +7 (800) 200-90-76 , Email: parts-katalog@yandex.ru, где купить

 
 

  Логин:

Пароль:

Регистрация

www.partskatalog.ru Все каталоги Запчасти Mercury Запчасти Suzuki Запчасти Tohatsu Запчасти Honda Контакты



УВАЖАЕМЫЕ КЛИЕНТЫ!
C 19 ДЕКАБРЯ 2025 ПО 02 МАРТА 2026 ГОДА ОТДЕЛ ЗАПЧАСТЕЙ И СЕРВИС РАБОТАТЬ НЕ БУДУТ
ПРОДАЖА ЛОДОЧНЫХ МОТОРОВ В ШТАТНОМ РЕЖИМЕ
ОБ ИЗМЕНЕНИЯХ В ГРАФИКЕ РАБОТЫ ЧИТАЙТЕ НА САЙТА



назад Раздел:   вперёд

Вернуться к выбору узлов мотора


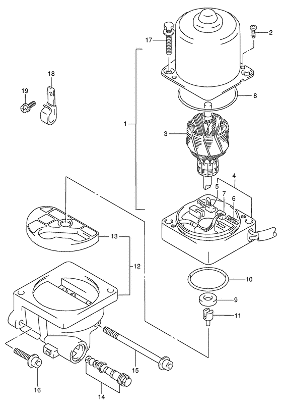
ДЕТАЛИРОВКА ДЛЯ МОДЕЛИ: SUZUKI DT55K(E1) K

Power unit


Год выпуска двигателя: 1989

Номер на
рисунке
АртикулНаименованиеQTYКол-во
на складе
Цена
138100-95E01-0ED

Двигатель гидроподъёма лодочного мотора (gray) - Motor Assy, Ptt (gray) (Motor assy, ptt (gray) ) (Motor Assy, Ptt (gray))

под заказ0 руб.
231111-95E00-000

Винт - Screw (Screw)

под заказ440 руб.
231111-87D60-000

   (актуальный код замены) Винт - Screw

под заказ440 руб.
231111-87D60-000

Винт - Screw (Screw)

под заказ440 руб.
331311-95E00-000

Якорь - Armature (Armature)

под заказ0 руб.
431173-95E01-000

Держатель щетки - Holder Assy, Brush (Holder assy, brush ) (Holder Assy, Brush)

под заказ0 руб.
531133-95E00-000

Щётка - Brush (Brush)

под заказ1620 руб.
631135-97E00-000

Пружина - Spring (Spring)

2 шт580 руб.
731136-95E00-000

Размыкатель - Breaker (Breaker)

под заказ8160 руб.
731136-94910-000

   (актуальный код замены) Размыкатель - Breaker

под заказ8160 руб.
731136-94900-000

Размыкатель - Breaker (Breaker assy ) (Breaker)

под заказ8160 руб.
731136-94910-000

   (актуальный код замены) Размыкатель - Breaker

под заказ8160 руб.
831123-87D60-000

Уплотнительное кольцо - O Ring (O Ring)

20 шт1690 руб.
933799-97E00-000

Сальник - Seal, Oil (Oil seal ) (Seal, Oil)

6 шт2550 руб.
1048585-95E00-000

Уплотнительное кольцо - O Ring (O Ring)

6 шт430 руб.
1148583-95E00-000

Соединение привода - Joint, Drive (Joint, Drive)

под заказ1080 руб.
1248502-95E00-000

Помпа в сборе - Pump Assy (Pump Assy)

под заказ0 руб.
1348582-95E00-000

Фильтр - Filter (Filter)

под заказ3890 руб.
1348582-95E01-000

   (актуальный код замены) Фильтр - Filter

под заказ3890 руб.
1348582-95E01-000

Фильтр - Filter (Filter)

под заказ3890 руб.
1448864-95E00-000

Клапан в сборе, ручной - Valve Assy, Manual (Valve set, manual ) (Valve Assy, Manual)

под заказ0 руб.
1548862-95E00-000

Болт - Bolt (Bolt)

под заказ1360 руб.
1648862-95E10-000

Болт - Bolt (Bolt)

под заказ1360 руб.
1731281-95E00-000

Сквозной болт - Bolt, Through (Bolt, Through)

под заказ0 руб.
1809403-17304-000

Струбцина - Clamp (Clamp, ptt cable ) (Clamp)

под заказ0 руб.
1809403-17313-000

   (актуальный код замены) Запчасть снята с производства - The Spare Part Is Laid Off

под заказ0 руб.
1902162-06127-000

Винт - Screw (Screw)

под заказ150 руб.


Время выполнения запроса 3.1019699573517 сек.

 
 

данный сайт носит информационный характер и не является публичной офертой

склад запчастей для водомоторной техники