Комплектующие на лодочный подвесной мотор Suzuki DT55S/L/LL - Масляный бак
вконтакте

Контактный телефон: +7 (981) 121-46-93, +7 (800) 200-90-76 , Email: parts-katalog@yandex.ru, где купить

 
 

  Логин:

Пароль:

Регистрация

www.partskatalog.ru Все каталоги Запчасти Mercury Запчасти Suzuki Запчасти Tohatsu Запчасти Honda Контакты



УВАЖАЕМЫЕ КЛИЕНТЫ!
C 19 ДЕКАБРЯ 2025 ПО 02 МАРТА 2026 ГОДА ОТДЕЛ ЗАПЧАСТЕЙ И СЕРВИС РАБОТАТЬ НЕ БУДУТ
ПРОДАЖА ЛОДОЧНЫХ МОТОРОВ В ШТАТНОМ РЕЖИМЕ
ОБ ИЗМЕНЕНИЯХ В ГРАФИКЕ РАБОТЫ ЧИТАЙТЕ НА САЙТА



назад Раздел:   вперёд

Вернуться к выбору узлов мотора


ДЕТАЛИРОВКА ДЛЯ МОДЕЛИ: SUZUKI DT55TCK(E1) K

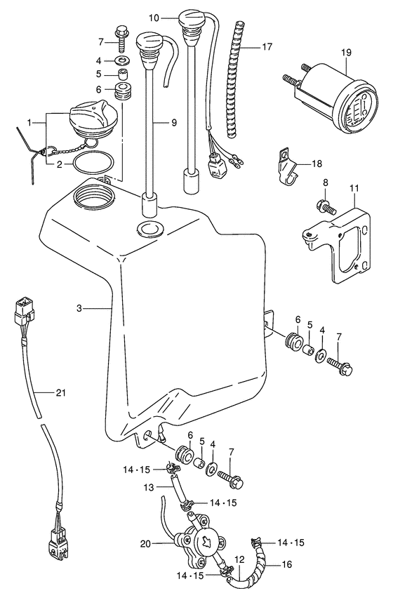
Масляный бак


Код модели двигателя: DT55S/L/LL

Год выпуска двигателя: 1989

Регион: General Export No.1 ,Код региона: P01

Номер на
рисунке
АртикулНаименованиеQTYКол-во
на складе
Цена
169200-95509-000

Колпачок Set, Масляный бак Filler - Cap Set, Oil Tank Filler (Cap Set, Oil Tank Filler)

под заказ0 руб.
169201-95500-000

   (актуальный код замены) Запчасть снята с производства - The Spare Part Is Laid Off

под заказ0 руб.
169201-95500-000

Колпачок Set, Масляный бак Filler - Cap Set, Oil Tank Filler (Cap, oil tank filler ) (Cap Set, Oil Tank Filler)

под заказ0 руб.
209280-41006-000

Уплотнительное кольцо (d: 3.5, Id: 41.7) - O Ring (d:35, Id:417) (Gasket # O ring; ) (O Ring (d:3.5, Id:41.7))

под заказ0 руб.
369110-94701-000

Tank Set, Oil - Tank Set, Oil (Tank Set, Oil)

под заказ0 руб.
369101-94700-000

   (актуальный код замены) Запчасть снята с производства - The Spare Part Is Laid Off

под заказ0 руб.
369101-94700-000

Tank Set, Oil - Tank Set, Oil (Tank, oil ) (Tank Set, Oil)

под заказ0 руб.
409160-06084-000

Шайба (6.5x18x1.6) - Washer (65x18x16) (Washer (6.5x18x1.6))

7 шт130 руб.
509180-06310-000

Проставка (6.5x10x10) - Spacer (65x10x10) (Spacer (6.8x10x10) # Spacer (6.8x10x10); ) (Spacer (6.5x10x10))

под заказ150 руб.
609320-10008-000

Подушка - Cushion (Cushion ) (Cushion)

под заказ190 руб.
609320-10075-000

   (актуальный код замены) Подушка - Cushion

под заказ190 руб.
701550-06257-000

Болт - Bolt (Bolt)

под заказ180 руб.
801550-06167-000

Болт - Bolt (Bolt)

9 шт210 руб.
934860-94700-000

Запчасть снята с производства - The Spare Part Is Laid Off (Dt55htc) (The Spare Part Is Laid Off)

под заказ0 руб.
1034860-94741-000

Датчик в сборе, Oil Level - Sensor Assy, Oil Level (Switch assy, oil level # Switch assy, oil level; ) (Sensor Assy, Oil Level)

под заказ0 руб.
1169311-94700-000

Brace, Масляный бак - Brace, Oil Tank (Brace, Oil Tank)

под заказ0 руб.
1209351-50803-600

Шланг (5x8x1000) - Hose (5x8x1000) (Hose no.1 (5x8x300); Model:88~90, l:600->10) (Hose (5x8x1000))

под заказ360 руб.
1209351-50803-00A

   (актуальный код замены) Шланг (5x8x1000) - Hose (5x8x1000)

под заказ360 руб.
1209351-50803-00A

Шланг (5x8x1000) - Hose (5x8x1000) (Hose (5x8x1000))

под заказ360 руб.
1209352-50903-600

Шланг (5x9x600) - Hose (5x9x600) (Hose no.1 (5x9x300); Model:91~93, l:600->10 ) (Hose (5x9x600))

под заказ570 руб.
1209352-50006-600

   (актуальный код замены) Шланг (5x9x600) - Hose (5x9x600)

1 шт570 руб.
1309351-50803-600

Шланг (5x8x1000) - Hose (5x8x1000) (Hose no.2 (5x8x300); Model:88~90, l:600->50) (Hose (5x8x1000))

под заказ360 руб.
1309351-50803-00A

   (актуальный код замены) Шланг (5x8x1000) - Hose (5x8x1000)

под заказ360 руб.
1309351-50803-00A

Шланг (5x8x1000) - Hose (5x8x1000) (Hose (5x8x1000))

под заказ360 руб.
1309352-50903-600

Шланг (5x9x600) - Hose (5x9x600) (Hose no.2 (5x9x300); Model:91~93, l:600->50 ) (Hose (5x9x600))

под заказ570 руб.
1309352-50006-600

   (актуальный код замены) Шланг (5x9x600) - Hose (5x9x600)

1 шт570 руб.
1409401-08409-000

Зажим - Clip (Clip; Model:88~90 ) (Clip)

под заказ160 руб.
1509401-08411-000

Зажим - Clip (Model:91~94 ) (Clip)

8 шт130 руб.
1616911-92E20-000

Защита (9x11x540) - Protector (9x11x540) (Protector (9x11x540); L:540->0 ) (Protector (9x11x540))

под заказ810 руб.
1738423-95510-000

Трубка провода переключателя (l: 250) - Tube, Switch Lead (l:250) (Tube; L:150->00) (Tube, Switch Lead (l:250))

под заказ610 руб.
1733833-91J00-000

   (актуальный код замены) Трубка провода переключателя (l: 250) - Tube, Switch Lead (l:250)

под заказ610 руб.
1733833-91J00-000

Трубка провода переключателя (l: 250) - Tube, Switch Lead (l:250) (Tube, Switch Lead (l:250))

под заказ610 руб.
1809403-12308-000

Струбцина - Clamp (Clamp)

под заказ290 руб.
1809403-12322-000

   (актуальный код замены) Струбцина - Clamp

под заказ290 руб.
1934701-92X50-000

Gauge Set, MonitУплотнительное кольцо - Gauge Set, Monito Ring (Indicator, oil & water warning # Indicator, oil & water warning; ) (Gauge Set, Monito Ring)

под заказ0 руб.
1934700-92E11-000

Gauge в сборе, MonitoКольцо - Gauge Assy, Monitoring (Indicator, monitoring # Gauge assy, monitoring; Model:93, 94, ) (Gauge Assy, Monitoring)

под заказ36960 руб.
2016250-94710-000

Датчик, Oil - Sensor, Oil (Sensor, oil; ) (Sensor, Oil)

под заказ4950 руб.
2136660-94690-000

Провод, Индикатор Ext - Wire, Indicator Ext (Wire, indicator ext # Opt, l:2000 ) (Wire, Indicator Ext)

под заказ0 руб.


Время выполнения запроса 1.7320449352264 сек.

 
 

данный сайт носит информационный характер и не является публичной офертой

склад запчастей для водомоторной техники