Найти запчасти на лодочный мотор Suzuki модель 1990 года - Fuel tank
вконтакте

Контактный телефон: +7 (981) 121-46-93, +7 (800) 200-90-76 , Email: parts-katalog@yandex.ru, где купить

 
 

  Логин:

Пароль:

Регистрация

www.partskatalog.ru Все каталоги Запчасти Mercury Запчасти Suzuki Запчасти Tohatsu Запчасти Honda Контакты



УВАЖАЕМЫЕ КЛИЕНТЫ!
C 19 ДЕКАБРЯ 2025 ПО 02 МАРТА 2026 ГОДА ОТДЕЛ ЗАПЧАСТЕЙ И СЕРВИС РАБОТАТЬ НЕ БУДУТ
ПРОДАЖА ЛОДОЧНЫХ МОТОРОВ В ШТАТНОМ РЕЖИМЕ
ОБ ИЗМЕНЕНИЯХ В ГРАФИКЕ РАБОТЫ ЧИТАЙТЕ НА САЙТА



назад Раздел:   вперёд

Вернуться к выбору узлов мотора


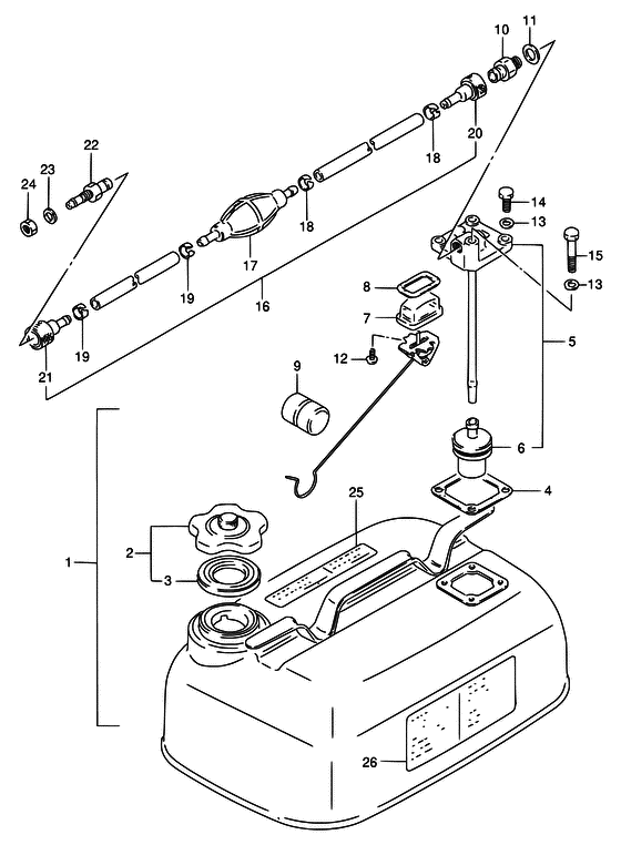
ДЕТАЛИРОВКА ДЛЯ МОДЕЛИ: SUZUKI DT55HTCL L

Топливный бак


Год выпуска двигателя: 1990

Номер на
рисунке
АртикулНаименованиеQTYКол-во
на складе
Цена
165800-95872-000

Запчасть снята с производства - The Spare Part Is Laid Off (6 U.S GAL./5 IMP.GAL) (The Spare Part Is Laid Off)

под заказ0 руб.
265510-98512-000

Крышка горловины топливного бака, в сборе - Cap Assy, Fuel Tank (<-5510-98511) (Cap Assy, Fuel Tank)

под заказ0 руб.
265510-92D00-000

   (актуальный код замены) Запчасть снята с производства - The Spare Part Is Laid Off

под заказ0 руб.
265510-92D00-000

Крышка горловины топливного бака, в сборе - Cap Assy, Fuel Tank (Cap assy, separate tank ) (Cap Assy, Fuel Tank)

под заказ0 руб.
365561-98502-000

Запчасть снята с производства - The Spare Part Is Laid Off (The Spare Part Is Laid Off)

под заказ0 руб.
465871-93010-000

Прокладка, Fuel Gauge - Gasket, Fuel Gauge (Gasket, fuel gauge ) (Gasket, Fuel Gauge)

под заказ240 руб.
565850-95520-000

Запчасть снята с производства - The Spare Part Is Laid Off (The Spare Part Is Laid Off)

под заказ0 руб.
665830-95500-000

Фильтр - Filter (Filter)

под заказ1180 руб.
765853-93001-000

Топливный фильтр Gauge - Strainer, Fuel Gauge (Strainer, Fuel Gauge)

под заказ0 руб.
865854-93001-000

Прокладка - Gasket (Gasket)

под заказ0 руб.
965864-95200-000

Запчасть снята с производства - The Spare Part Is Laid Off (The Spare Part Is Laid Off)

под заказ0 руб.
1065740-95500-000

Разъем топливного коннектора - Plug, Fuel Connector (Connector, fuel ) (Plug, Fuel Connector)

под заказ2720 руб.
1065740-95501-000

   (актуальный код замены) Разъем топливного коннектора - Plug, Fuel Connector

под заказ2720 руб.
1109168-12001-000

Прокладка (12.5x20x1) - Gasket (125x20x1) (Gasket ) (Gasket (12.5x20x1))

под заказ220 руб.
1202112-04107-000

Винт - Screw (Screw)

под заказ120 руб.
1308322-01067-000

Шайба - Washer (Washer)

10 шт160 руб.
1401550-06167-000

Болт - Bolt (Bolt)

9 шт210 руб.
1501500-06403-000

Болт - Bolt (Bolt)

под заказ190 руб.
1501500-0640B-000

   (актуальный код замены) Болт - Bolt

под заказ190 руб.
1501500-0640B-000

Болт - Bolt (Bolt)

под заказ190 руб.
1665700-95523-000

Топливный шланг (от бака до коннектора) - Hose, Fuel (tank To Conn) (->5700-87D17) (Hose, Fuel (tank To Conn))

под заказ6530 руб.
1665700-87DL2-000

   (актуальный код замены) Топливный шланг (от бака до коннектора) - Hose, Fuel (tank To Conn)

под заказ6530 руб.
1665700-87DL0-000

Топливный шланг (от бака до коннектора) - Hose, Fuel (tank To Conn) (Hose, Fuel (tank To Conn))

под заказ6530 руб.
1665700-87DL2-000

   (актуальный код замены) Топливный шланг (от бака до коннектора) - Hose, Fuel (tank To Conn)

под заказ6530 руб.
1765770-95540-000

Запчасть снята с производства - The Spare Part Is Laid Off (<-5770-95522) (The Spare Part Is Laid Off)

под заказ0 руб.
1765770-95541-000

   (актуальный код замены) Запчасть снята с производства - The Spare Part Is Laid Off

под заказ0 руб.
1865781-95520-000

Зажим - Clip (Clip)

под заказ360 руб.
1965781-98500-000

Зажим топливного шланга - Clip, Fuel Hose (<-9401-13402 ) (Clip, Fuel Hose)

9 шт350 руб.
2065750-95500-000

Разъём топливного шланга - Socket, Fuel Hose (Socket, fuel hose (in) # <-5750-95510 ) (Socket, Fuel Hose)

под заказ3700 руб.
2065750-95501-000

   (актуальный код замены) Разъём топливного шланга - Socket, Fuel Hose

2 шт3700 руб.
20SF80211-4

   (не оригинальный аналог) Коннектор топливный SUNFINE тип Suzuki, Mercury, Evinrude, Tohatsu, 10мм 3GF-70281-0

под заказ1880 руб.
2165750-98505-000

Разъём топливного шланга - Socket, Fuel Hose (Socket, fuel hose (out) ) (Socket, Fuel Hose)

2 шт3240 руб.
2165750-98506-000

   (актуальный код замены) Разъём топливного шланга - Socket, Fuel Hose

под заказ3240 руб.
2265720-98520-000

Разъем топливного коннектора - Plug, Fuel Connector (Plug, Fuel Connector)

под заказ3170 руб.
2265720-985L1-000

   (актуальный код замены) Разъем топливного коннектора - Plug, Fuel Connector

5 шт3950 руб.
22SK65720-98520

   (не оригинальный аналог) Коннектор топливный Skipper для Suzuki DT2-65, DF9.9-15 "папа", 6 мм

0 шт836 руб.
22SF80210-1

   (не оригинальный аналог) Адаптер топливный SUNFINE тип Suzuki, 7.5мм, 6720-98521

под заказ1270 руб.
2265720-985L1-000

Разъем топливного коннектора - Plug, Fuel Connector (Plug, Fuel Connector)

5 шт3950 руб.
2308321-01107-000

Шайба с блокировкой - Washer, Lock (Lock washer ) (Washer, Lock)

9 шт140 руб.
2408310-00107-000

Гайка - Nut (Nut)

под заказ170 руб.
2565317-95220-000

Запчасть снята с производства - The Spare Part Is Laid Off (The Spare Part Is Laid Off)

под заказ0 руб.
2665316-93304-000

Запчасть снята с производства - The Spare Part Is Laid Off (The Spare Part Is Laid Off)

под заказ0 руб.


Время выполнения запроса 1.6839160919189 сек.

 
 

данный сайт носит информационный характер и не является публичной офертой

склад запчастей для водомоторной техники