Купить комплектующие на лодочный подвесной мотор SUZUKI модель 1990 года - Oil pump
вконтакте

Контактный телефон: +7 (981) 121-46-93, +7 (800) 200-90-76 , Email: parts-katalog@yandex.ru, где купить

 
 

  Логин:

Пароль:

Регистрация

www.partskatalog.ru Все каталоги Запчасти Mercury Запчасти Suzuki Запчасти Tohatsu Запчасти Honda Контакты



УВАЖАЕМЫЕ КЛИЕНТЫ!
C 19 ДЕКАБРЯ 2025 ПО 02 МАРТА 2026 ГОДА ОТДЕЛ ЗАПЧАСТЕЙ И СЕРВИС РАБОТАТЬ НЕ БУДУТ
ПРОДАЖА ЛОДОЧНЫХ МОТОРОВ В ШТАТНОМ РЕЖИМЕ
ОБ ИЗМЕНЕНИЯХ В ГРАФИКЕ РАБОТЫ ЧИТАЙТЕ НА САЙТА



назад Раздел:   вперёд

Вернуться к выбору узлов мотора


ДЕТАЛИРОВКА ДЛЯ МОДЕЛИ: SUZUKI DT55CRQL L

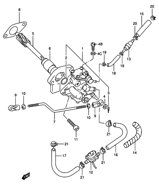
Масляный насос


Год выпуска двигателя: 1990

Номер на
рисунке
АртикулНаименованиеQTYКол-во
на складе
Цена
116100-94742-000

Запчасть снята с производства - The Spare Part Is Laid Off (<-6100-94741) (The Spare Part Is Laid Off)

под заказ0 руб.
216198-87D00-000

Уплотнительное кольцо, Масляный насос - O Ring, Oil Pump (O Ring, Oil Pump)

под заказ180 руб.
316195-87D00-000

Штифт, Защелка - Pin, Snap (Pin, Snap)

под заказ250 руб.
413432-33100-000

Шайба - Washer (Washer)

под заказ330 руб.
416091-94900-000

Болт - Bolt (Bolt)

под заказ390 руб.
416092-92440-000

Прокладка - Gasket (Gasket)

под заказ0 руб.
516331-95304-000

Шестерня масляного насоса - Gear, Oil Pump Driven (Gear, driven ) (Gear, Oil Pump Driven)

под заказ0 руб.
616340-94700-000

Фиксатор, Масляный насос - Retainer, Oil Pump (Retainer, Oil Pump)

под заказ0 руб.
616340-94710-000

   (актуальный код замены) Запчасть снята с производства - The Spare Part Is Laid Off

под заказ0 руб.
616340-94710-000

Фиксатор, Масляный насос - Retainer, Oil Pump (Retainer, oil pump ) (Retainer, Oil Pump)

под заказ0 руб.
616340-94710-000

Фиксатор, Масляный насос - Retainer, Oil Pump (Retainer, oil pump # MODEL:99 ) (Retainer, Oil Pump)

под заказ0 руб.
716411-94710-000

Запчасть снята с производства - The Spare Part Is Laid Off (The Spare Part Is Laid Off)

под заказ0 руб.
816731-95520-000

Прокладка масляного насоса - Gasket, Oil Pump (Gasket, oil pump retainer # <-6731-95510 ) (Gasket, Oil Pump)

под заказ0 руб.
919131-95502-000

Коннектор - Connector (Connector, oil pump no.2 ) (Connector)

21 шт530 руб.
1009140-05005-000

Гайка - Nut (Nut)

10 шт270 руб.
1107130-06307-000

Болт - Bolt (Bolt)

под заказ260 руб.
1216250-94710-000

Датчик, Oil - Sensor, Oil (Sensor, Oil)

под заказ4950 руб.
1316710-92E01-000

Контрольный клапан (single) - Valve, Check (single) (MODEL:99 ) (Valve, Check (single))

под заказ2060 руб.
1316710-94641-000

Контрольный клапан Oil (double) - Valve, Check Oil (double) (<-6710-94630 ) (Valve, Check Oil (double))

под заказ3580 руб.
1416911-92E20-000

Защита (9x11x540) - Protector (9x11x540) (L:540->0 ) (Protector (9x11x540))

под заказ810 руб.
1509351-50803-600

Шланг (5x8x1000) - Hose (5x8x1000) (L:600->0) (Hose (5x8x1000))

под заказ360 руб.
1509351-50803-00A

   (актуальный код замены) Шланг (5x8x1000) - Hose (5x8x1000)

под заказ360 руб.
1509351-50803-00A

Шланг (5x8x1000) - Hose (5x8x1000) (Hose (5x8x1000))

под заказ360 руб.
1609352-50903-600

Шланг (5x9x600) - Hose (5x9x600) (L:600->25 ) (Hose (5x9x600))

под заказ570 руб.
1609352-50006-600

   (актуальный код замены) Шланг (5x9x600) - Hose (5x9x600)

1 шт570 руб.
1709352-50903-600

Шланг (5x9x600) - Hose (5x9x600) (L:600->50 ) (Hose (5x9x600))

под заказ570 руб.
1709352-50006-600

   (актуальный код замены) Шланг (5x9x600) - Hose (5x9x600)

1 шт570 руб.
1809355-25705-600

Шланг (2.5x7x600) - Hose (25x7x600) (Hose, out no.4 (2.5x7x300) # L:600->0 ) (Hose (2.5x7x600))

под заказ680 руб.
1809355-25001-600

   (актуальный код замены) Шланг - Hose

под заказ680 руб.
1909401-06405-000

Зажим - Clip (Clip)

под заказ160 руб.
2009401-07403-000

Зажим - Clip (Clip)

под заказ160 руб.
2009401-08409-000

   (актуальный код замены) Зажим - Clip

под заказ160 руб.
2009401-08409-000

Зажим - Clip (Clip)

под заказ160 руб.
2109401-08411-000

Зажим - Clip (Clip)

8 шт130 руб.


Время выполнения запроса 0.90758395195007 сек.

 
 

данный сайт носит информационный характер и не является публичной офертой

склад запчастей для водомоторной техники