Запчасти на мотор Suzuki модель 1990 года - Opt : panel switch / Опции : panel Переключатель
вконтакте

Контактный телефон: +7 (981) 121-46-93, +7 (800) 200-90-76 , Email: parts-katalog@yandex.ru, где купить

 
 

  Логин:

Пароль:

Регистрация

www.partskatalog.ru Все каталоги Запчасти Mercury Запчасти Suzuki Запчасти Tohatsu Запчасти Honda Контакты

назад Раздел:   вперёд

Вернуться к выбору узлов мотора


ДЕТАЛИРОВКА ДЛЯ МОДЕЛИ: SUZUKI DT55CRQL L

Опции : panel Переключатель


Год выпуска двигателя: 1990

Номер на
рисунке
АртикулНаименованиеQTYКол-во
на складе
Цена
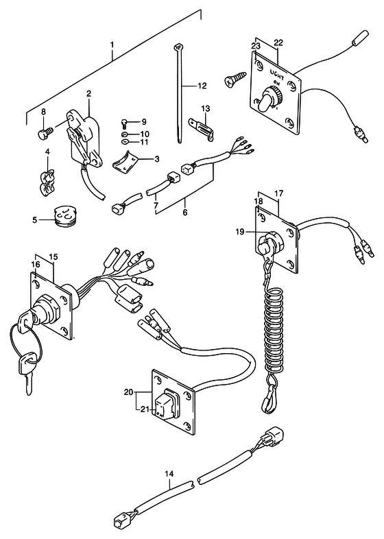
134804-94701-000

Запчасть снята с производства - The Spare Part Is Laid Off (<-4804-94700) (The Spare Part Is Laid Off)

1 шт0 руб.
134804-94711-000

Датчик Set, Trim - Sender Set, Trim (Sender set, trim # MODEL:95~99 ) (Sender Set, Trim)

под заказ27120 руб.
234801-94700-000

Запчасть снята с производства - The Spare Part Is Laid Off (The Spare Part Is Laid Off)

под заказ0 руб.
234801-94710-000

Датчик трима - Sender Assy, Trim (MODEL:95~99 ) (Sender Assy, Trim)

под заказ26880 руб.
334802-95301-000

Соединитель, Ptt - Attachment, Ptt (FOR 34804-94701) (Attachment, Ptt)

под заказ0 руб.
334802-95302-000

   (актуальный код замены) Запчасть снята с производства - The Spare Part Is Laid Off

под заказ0 руб.
334802-95302-000

Соединитель, Ptt - Attachment, Ptt (Attachment, trim sender ) (Attachment, Ptt)

под заказ0 руб.
434803-94500-000

Пыльник, Датчик трима Reed - Grommet, Trim Sender Reed (Grommet, sender lead # FOR 34804-94701 ) (Grommet, Trim Sender Reed)

под заказ0 руб.
536658-95600-000

Пыльник, Прибор & Sw Кабели - Grommet, Meter & Sw Cable (<-6658-95610 ) (Grommet, Meter & Sw Cable)

под заказ0 руб.
636680-92E00-000

Провод, Прибор Ext / adp (l: 7000) - Wire, Meter Ext/adp (l:7000) (Wire assy, trim meter ext ) (Wire, Meter Ext/adp (l:7000))

под заказ0 руб.
736682-92E00-000

Провод указателя трима (l: 6500) - Wire, Trim Meter Ext (l:6500) (Wire, trim gauge ext ) (Wire, Trim Meter Ext (l:6500))

2 шт10800 руб.
809100-06113-000

Болт (6x16) - Bolt (6x16) (Bolt (6x16))

под заказ140 руб.
909100-06131-000

Болт (6x12) - Bolt (6x12) (FOR 34804-94701 ) (Bolt (6x12))

под заказ160 руб.
1009162-06006-000

Шайба с блокировкой - Washer, Lock (Lock washer # FOR 34804-94701 ) (Washer, Lock)

под заказ160 руб.
1109160-06082-000

Шайба (6.5x13x1.0) - Washer (65x13x10) (FOR 34804-94701 ) (Washer (6.5x13x1.0))

7 шт150 руб.
1209407-14403-000

Струбцина (l: 125) - Clamp (l:125) (Clamp, spark plug cap ) (Clamp (l:125))

под заказ170 руб.
1209407-14407-000

Струбцина (l: 145) - Clamp (l:145) (Band # MODEL:95~99 ) (Clamp (l:145))

9 шт230 руб.
1309404-06432-000

Струбцина (l: 65) - Clamp (l:65) (Clamp (l:80) ) (Clamp (l:65))

8 шт170 руб.
1309404-06039-000

   (актуальный код замены) Струбцина (l: 65) - Clamp (l:65)

под заказ170 руб.
1436660-94400-000

Удлинитель провода датчиков (l: 6500) - Wire, Sender Ext (l:6500) (Wire, sender ext l # L:6500 ) (Wire, Sender Ext (l:6500))

под заказ0 руб.
1436660-94480-000

Удлинитель провода датчиков (l: 2000) - Wire, Sender Ext (l:2000) (Wire, sender ext s # L:2000 ) (Wire, Sender Ext (l:2000))

под заказ7490 руб.
1537100-92E00-000

Панель выключателя зажигания, в сборе - Panel Assy, Ignition Switch (Panel Assy, Ignition Switch)

под заказ10610 руб.
1537100-99E01-000

   (актуальный код замены) Панель выключателя зажигания, в сборе - Panel Assy, Ignition Switch

под заказ10610 руб.
1537100-99E00-000

Панель выключателя зажигания, в сборе - Panel Assy, Ignition Switch (Ignition switch set ) (Panel Assy, Ignition Switch)

под заказ10610 руб.
1537100-99E01-000

   (актуальный код замены) Панель выключателя зажигания, в сборе - Panel Assy, Ignition Switch

под заказ10610 руб.
1637139-92E00-000

Панель выключателя зажигания - Panel, Ignition Switch (Panel, Ignition Switch)

под заказ3920 руб.
1637139-92E01-000

   (актуальный код замены) Панель выключателя зажигания - Panel, Ignition Switch

под заказ3920 руб.
1637139-92E01-000

Панель выключателя зажигания - Panel, Ignition Switch (Panel, ignition switch ) (Panel, Ignition Switch)

под заказ3920 руб.
1737803-92E00-000

Панель аварийного выключателя двигателяitch - Panel Assy, Emergency Switch (Panel Assy, Emergency Switch)

под заказ7400 руб.
1737803-99E06-000

   (актуальный код замены) Панель аварийного выключателя двигателяitch - Panel Assy, Emergency Switch

под заказ7400 руб.
1737803-99E04-000

Панель аварийного выключателя двигателяitch - Panel Assy, Emergency Switch (Panel Assy, Emergency Switch)

под заказ7400 руб.
1737803-99E06-000

   (актуальный код замены) Панель аварийного выключателя двигателяitch - Panel Assy, Emergency Switch

под заказ7400 руб.
1837825-92E00-000

Панель аварийного выключателя двигателя - Panel, Emergency Sw (Panel, Emergency Sw)

под заказ3920 руб.
1937826-92E00-000

Гайка - Nut (Nut)

под заказ740 руб.
2037805-92E00-000

Панель управления гидроподъемом, в сборе - Panel Assy, Ptt Sw (Panel assy, ptt sw ) (Panel Assy, Ptt Sw)

под заказ10900 руб.
2137855-92E00-000

Панель управления гидроподъемом - Panel, Ptt Sw (Panel, Ptt Sw)

под заказ4080 руб.
2137855-99E00-000

   (актуальный код замены) Панель управления гидроподъемом - Panel, Ptt Sw

под заказ4080 руб.
2137855-99E00-000

Панель управления гидроподъемом - Panel, Ptt Sw (Panel, Ptt Sw)

под заказ4080 руб.
2237210-92E00-000

Панель выключателя освещения, в сбореitch - Panel Assy, Lighting Switch (Panel Assy, Lighting Switch)

под заказ9750 руб.
2237210-93J00-000

   (актуальный код замены) Панель выключателя освещения, в сбореitch - Panel Assy, Lighting Switch

под заказ9750 руб.
2237210-93J00-000

Панель выключателя освещения, в сбореitch - Panel Assy, Lighting Switch (Panel Assy, Lighting Switch)

под заказ9750 руб.
2337212-92E00-000

Запчасть снята с производства - The Spare Part Is Laid Off (The Spare Part Is Laid Off)

под заказ0 руб.


Время выполнения запроса 3.3303020000458 сек.

 
 

данный сайт носит информационный характер и не является публичной офертой

склад запчастей для водомоторной техники