Подобрать запчасти на подвесной двигатель Suzuki DT55S/L/LL модель 1990 года - Carburetor
вконтакте

Контактный телефон: +7 (981) 121-46-93, +7 (800) 200-90-76 , Email: parts-katalog@yandex.ru, где купить

 
 

  Логин:

Пароль:

Регистрация

www.partskatalog.ru Все каталоги Запчасти Mercury Запчасти Suzuki Запчасти Tohatsu Запчасти Honda Контакты



УВАЖАЕМЫЕ КЛИЕНТЫ!
C 19 ДЕКАБРЯ 2025 ПО 02 МАРТА 2026 ГОДА ОТДЕЛ ЗАПЧАСТЕЙ И СЕРВИС РАБОТАТЬ НЕ БУДУТ
ПРОДАЖА ЛОДОЧНЫХ МОТОРОВ В ШТАТНОМ РЕЖИМЕ
ОБ ИЗМЕНЕНИЯХ В ГРАФИКЕ РАБОТЫ ЧИТАЙТЕ НА САЙТА



назад Раздел:   вперёд

Вернуться к выбору узлов мотора


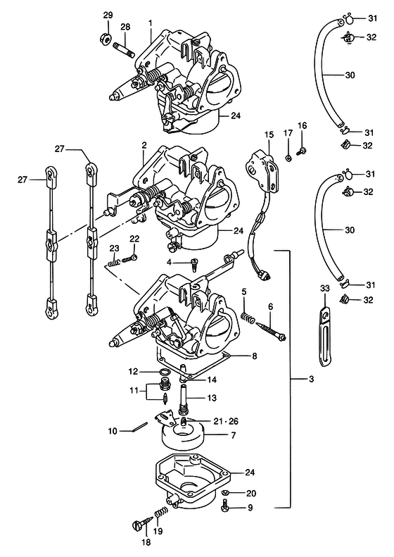
ДЕТАЛИРОВКА ДЛЯ МОДЕЛИ: SUZUKI DT55TC L

Карбюратор


Код модели двигателя: DT55S/L/LL

Год выпуска двигателя: 1990

Номер на
рисунке
АртикулНаименованиеQTYКол-во
на складе
Цена
113201-947A0-000

Запчасть снята с производства - The Spare Part Is Laid Off (MODEL:88, <-3201-94730) (The Spare Part Is Laid Off)

под заказ0 руб.
113201-947F0-000

Карбюратор в сборе, Top - Carburetor Assy, Top (MODEL:89~98, 910738~ <-3201-94752) (Carburetor Assy, Top)

под заказ0 руб.
113201-947F1-000

   (актуальный код замены) Запчасть снята с производства - The Spare Part Is Laid Off

под заказ0 руб.
113201-947F1-000

Карбюратор в сборе, Top - Carburetor Assy, Top (Carburetor Assy, Top)

под заказ0 руб.
213202-947A0-000

Запчасть снята с производства - The Spare Part Is Laid Off (MODEL:88, <-3202-94730) (The Spare Part Is Laid Off)

под заказ0 руб.
213202-947C0-000

Запчасть снята с производства - The Spare Part Is Laid Off (MODEL:89, ~911317) (The Spare Part Is Laid Off)

под заказ0 руб.
213202-947F1-000

Карбюратор в сборе, 2nd - Carburetor Assy, 2nd (Carburetor assy, 2nd # MODEL:89~98, 911318~ <-3202-94755 ) (Carburetor Assy, 2nd)

под заказ0 руб.
313203-947A0-000

Запчасть снята с производства - The Spare Part Is Laid Off (MODEL:88 <-3203-94730) (The Spare Part Is Laid Off)

под заказ0 руб.
313203-947C0-000

Запчасть снята с производства - The Spare Part Is Laid Off (MODEL:89, ~910131 <-3203-94752) (The Spare Part Is Laid Off)

под заказ0 руб.
313203-947F1-000

   (актуальный код замены) Запчасть снята с производства - The Spare Part Is Laid Off

под заказ0 руб.
313203-947F1-000

Запчасть снята с производства - The Spare Part Is Laid Off (The Spare Part Is Laid Off)

под заказ0 руб.
313203-947F0-000

Запчасть снята с производства - The Spare Part Is Laid Off (MODEL:89~98, 131001~ <-3203-94755) (The Spare Part Is Laid Off)

под заказ0 руб.
313203-947F1-000

   (актуальный код замены) Запчасть снята с производства - The Spare Part Is Laid Off

под заказ0 руб.
313203-947F1-000

Запчасть снята с производства - The Spare Part Is Laid Off (The Spare Part Is Laid Off)

под заказ0 руб.
409492-75001-000

Контрольная форсунка (75) - Jet, Pilot (75) (Pilot jet (75) # MODEL:88 ) (Jet, Pilot (75))

под заказ960 руб.
409492-77001-000

Контрольная форсунка (77.5) - Jet, Pilot (775) (Jet, pilot 77.5 # MODEL:89~98 ) (Jet, Pilot (77.5))

под заказ1260 руб.
513271-93311-000

Пружина - Spring (Spring, air screw ) (Spring)

1 шт350 руб.
613269-93311-000

Винт контроля воздуха - Screw, Pilot Air (Screw, pilot air ) (Screw, Pilot Air)

под заказ810 руб.
713250-93012-000

Поплавок - Float (Float)

под заказ1950 руб.
813251-93320-000

Прокладка поплавковой камеры - Gasket, Float Cahmber (Gasket, float chamber # <-3251-93310 ) (Gasket, Float Cahmber)

под заказ840 руб.
913249-95520-000

Запчасть снята с производства - The Spare Part Is Laid Off (The Spare Part Is Laid Off)

под заказ0 руб.
1013254-93010-000

Стопор поплавка - Pin, Float (Pin, Float)

под заказ240 руб.
1013254-98300-000

   (актуальный код замены) Стопор поплавка - Pin, Float

под заказ240 руб.
1013254-98300-000

Стопор поплавка - Pin, Float (Pin, float ) (Pin, Float)

под заказ240 руб.
1113370-28110-000

Игольчатый клапан, в сборе - Valve Assy, Needle (Valve assy, needle ) (Valve Assy, Needle)

4 шт4350 руб.
1213392-58600-000

Прокладка седла клапана - Gasket, Valve Seat (Gasket, valve seat ) (Gasket, Valve Seat)

1 шт150 руб.
1313236-94400-000

Главная форсунка - Nozzle, Main (Nozzle, Main)

под заказ2790 руб.
1413237-94400-000

Nozzle - Nozzle (Nozzle)

1 шт450 руб.
1537810-94611-000

Датчик, Клапан дросселя - Sensor, Throttle Valve (Sensor assy, throttle lever # MODEL:88 ) (Sensor, Throttle Valve)

под заказ9460 руб.
1537810-95605-000

Датчик, Клапан дросселя - Sensor, Throttle Valve (MODEL:89~98, <-7810-95604) (Sensor, Throttle Valve)

под заказ0 руб.
1537810-95606-000

   (актуальный код замены) Запчасть снята с производства - The Spare Part Is Laid Off

под заказ11620 руб.
1537810-95606-000

Датчик, Клапан дросселя - Sensor, Throttle Valve (Sensor assy, throttle lever ) (Sensor, Throttle Valve)

под заказ11620 руб.
1602112-04087-000

Винт - Screw (Screw)

под заказ90 руб.
1708321-01043-000

Шайба с блокировкой - Washer, Lock (Washer, Lock)

под заказ140 руб.
1708321-0104A-000

   (актуальный код замены) Шайба с блокировкой - Washer, Lock

под заказ140 руб.
1708321-0104A-000

Шайба с блокировкой - Washer, Lock (Washer, Lock)

под заказ140 руб.
1813616-94500-000

Болт - Bolt (Screw ) (Bolt)

под заказ0 руб.
1913271-93311-000

Пружина - Spring (Spring, air screw ) (Spring)

1 шт350 руб.
2008321-01057-000

Шайба с блокировкой - Washer, Lock (Washer, Lock)

под заказ140 руб.
2008321-0105A-000

   (актуальный код замены) Шайба с блокировкой - Washer, Lock

под заказ140 руб.
2008321-0105A-000

Шайба с блокировкой - Washer, Lock (Washer, Lock)

под заказ140 руб.
2109491-24026-000

Главная форсунка (120) - Jet, Main (120) (MODEL:89~98 <-9491-24012 ) (Jet, Main (120))

под заказ1460 руб.
2213267-93900-000

Винт - Screw (Screw, throttle ) (Screw)

под заказ320 руб.
2313268-96111-000

Пружина, Дроссель Винт - Spring, Throttle Screw (Spring, throttle screw ) (Spring, Throttle Screw)

под заказ350 руб.
2413240-94600-000

Chamber в сборе, Поплавок (#1-#3) - Chamber Assy, Float (#1-#3) (Chamber, float # <-3245-94700 <-3245-94710 ) (Chamber Assy, Float (#1-#3))

под заказ6150 руб.
2609491-21019-000

Главная форсунка (107.5) - Jet, Main (1075) (Jet, main (#107.5) # OPT <-9491-21020 ) (Jet, Main (107.5))

под заказ1040 руб.
2609491-22011-000

Главная форсунка (112.5) - Jet, Main (1125) (Jet, main 112.5 # OPT ) (Jet, Main (112.5))

под заказ680 руб.
2609491-24023-000

Главная форсунка (122.5) - Jet, Main (1225) (OPT ) (Jet, Main (122.5))

под заказ1460 руб.
2609491-25014-000

Главная форсунка (125) - Jet, Main (125) (Jet, main 125 # OPT, <-9491-25002 ) (Jet, Main (125))

2 шт1110 руб.
2713510-94700-000

Тяга управления дросселем - Rod, Throttle Control (Rod, throttle & choke ) (Rod, Throttle Control)

под заказ0 руб.
2801411-08207-000

Болт под шпильку - Bolt, Stud (Bolt, Stud)

под заказ130 руб.
2801411-0820A-000

   (актуальный код замены) Болт под шпильку - Bolt, Stud

под заказ130 руб.
2801411-0820A-000

Болт под шпильку - Bolt, Stud (Bolt, Stud)

под заказ130 руб.
2908316-10087-000

Гайка - Nut (Nut)

14 шт170 руб.
3009352-50903-600

Шланг (5x9x600) - Hose (5x9x600) (L:600->20 ) (Hose (5x9x600))

под заказ570 руб.
3009352-50006-600

   (актуальный код замены) Шланг (5x9x600) - Hose (5x9x600)

1 шт570 руб.
3109401-08410-000

Зажим - Clip (MODEL:88~90 ) (Clip)

под заказ130 руб.
3209401-08411-000

Зажим - Clip (MODEL:91~99 ) (Clip)

8 шт130 руб.
3309404-06432-000

Струбцина (l: 65) - Clamp (l:65) (Clamp (l:80) # <-9404-06202 ) (Clamp (l:65))

8 шт170 руб.
3309404-06039-000

   (актуальный код замены) Струбцина (l: 65) - Clamp (l:65)

под заказ170 руб.
3413910-94701-000

Carb.Ремонтный комплект (dt55 / 75 / 115) - Carbrepair Kit (dt55/75/115) (Repair kit, carburetor # OPT, NOT SHOWN <-3910-94700 ) (Carb.repair Kit (dt55/75/115))

под заказ5480 руб.


Время выполнения запроса 1.2090919017792 сек.

 
 

данный сайт носит информационный характер и не является публичной офертой

склад запчастей для водомоторной техники