Комплектующие на подвесной двигатель Suzuki DT55S/L/LL - Carburetor - Карбюратор
вконтакте

Контактный телефон: +7 (981) 121-46-93, +7 (800) 200-90-76 , Email: parts-katalog@yandex.ru, где купить

 
 

  Логин:

Пароль:

Регистрация

www.partskatalog.ru Все каталоги Запчасти Mercury Запчасти Suzuki Запчасти Tohatsu Запчасти Honda Контакты



УВАЖАЕМЫЕ КЛИЕНТЫ!
C 19 ДЕКАБРЯ 2025 ПО 02 МАРТА 2026 ГОДА ОТДЕЛ ЗАПЧАСТЕЙ И СЕРВИС РАБОТАТЬ НЕ БУДУТ
ПРОДАЖА ЛОДОЧНЫХ МОТОРОВ В ШТАТНОМ РЕЖИМЕ
ОБ ИЗМЕНЕНИЯХ В ГРАФИКЕ РАБОТЫ ЧИТАЙТЕ НА САЙТА



назад Раздел:   вперёд

Вернуться к выбору узлов мотора


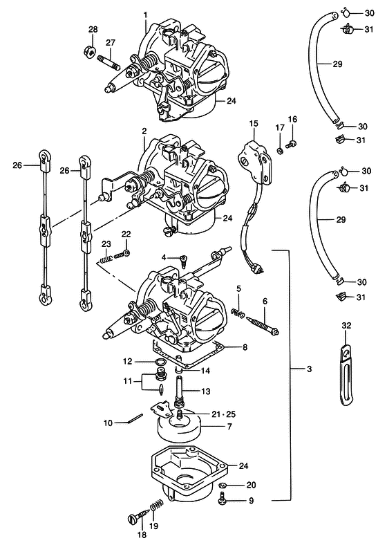
ДЕТАЛИРОВКА ДЛЯ МОДЕЛИ: SUZUKI DT55TC L

Карбюратор


Код модели двигателя: DT55S/L/LL

Год выпуска двигателя: 1990

Номер на
рисунке
АртикулНаименованиеQTYКол-во
на складе
Цена
113201-947B0-000

Запчасть снята с производства - The Spare Part Is Laid Off (MODEL:88, <-3201-94740) (The Spare Part Is Laid Off)

под заказ0 руб.
113201-947E0-000

Карбюратор, Top - Carburetor, Top (MODEL:89, 90 <-3201-94761) (Carburetor, Top)

под заказ0 руб.
113201-947G0-000

   (актуальный код замены) Запчасть снята с производства - The Spare Part Is Laid Off

под заказ0 руб.
113201-947G0-000

Карбюратор, Top - Carburetor, Top (Carburetor assy, top ) (Carburetor, Top)

под заказ0 руб.
113201-947G0-000

Карбюратор, Top - Carburetor, Top (Carburetor assy, top # MODEL:91~99 <-3201-94771 ) (Carburetor, Top)

под заказ0 руб.
213202-947B0-000

Запчасть снята с производства - The Spare Part Is Laid Off (MODEL:88 <-3202-94740) (The Spare Part Is Laid Off)

под заказ0 руб.
213202-947D0-000

Запчасть снята с производства - The Spare Part Is Laid Off (MODEL:89, 908874~909989) (The Spare Part Is Laid Off)

под заказ0 руб.
213202-947E0-000

Карбюратор в сборе, 2nd - Carburetor Assy, 2nd (MODEL:89, 90, 909990~ <-3202-94763) (Carburetor Assy, 2nd)

под заказ0 руб.
213202-947G1-000

   (актуальный код замены) Запчасть снята с производства - The Spare Part Is Laid Off

под заказ0 руб.
213202-947G1-000

Карбюратор в сборе, 2nd - Carburetor Assy, 2nd (Carburetor assy, 2nd ) (Carburetor Assy, 2nd)

под заказ0 руб.
213202-947G1-000

Карбюратор в сборе, 2nd - Carburetor Assy, 2nd (Carburetor assy, 2nd # MODEL:91~99 <-3202-947G0 ) (Carburetor Assy, 2nd)

под заказ0 руб.
313203-94761-000

Запчасть снята с производства - The Spare Part Is Laid Off (MODEL:89, 908874~909989) (The Spare Part Is Laid Off)

под заказ0 руб.
313203-947D0-000

   (актуальный код замены) Запчасть снята с производства - The Spare Part Is Laid Off

под заказ0 руб.
313203-947B0-000

Запчасть снята с производства - The Spare Part Is Laid Off (MODEL:88, <-3203-94740) (The Spare Part Is Laid Off)

под заказ0 руб.
313203-947E0-000

Карбюратор, 3rd - Carburetor, 3rd (MODEL:89, 90, 909990~ <-3203-94763) (Carburetor, 3rd)

под заказ0 руб.
313203-947G0-000

   (актуальный код замены) Запчасть снята с производства - The Spare Part Is Laid Off

под заказ0 руб.
313203-947G0-000

Карбюратор, 3rd - Carburetor, 3rd (Carburetor assy, 3rd ) (Carburetor, 3rd)

под заказ0 руб.
313203-947G0-000

Карбюратор, 3rd - Carburetor, 3rd (Carburetor assy, 3rd # MODEL:91~99 <-3203-94771 ) (Carburetor, 3rd)

под заказ0 руб.
409492-77001-000

Контрольная форсунка (77.5) - Jet, Pilot (775) (Jet, pilot 77.5 # MODEL:88 ) (Jet, Pilot (77.5))

под заказ1260 руб.
409492-80005-000

Контрольная форсунка (80) - Jet, Pilot (80) (Jet, pilot (80) # MODEL:89~99 ) (Jet, Pilot (80))

под заказ1260 руб.
513271-93311-000

Пружина - Spring (Spring, air screw ) (Spring)

1 шт350 руб.
613269-95210-000

Винт контроля воздуха - Screw, Pilot Air (Adjustor ) (Screw, Pilot Air)

под заказ810 руб.
713250-93012-000

Поплавок - Float (Float)

под заказ1950 руб.
813251-95220-000

Прокладка поплавковой камеры - Gasket, Float Cahmber (<-3251-95210 ) (Gasket, Float Cahmber)

под заказ840 руб.
913249-95520-000

Запчасть снята с производства - The Spare Part Is Laid Off (The Spare Part Is Laid Off)

под заказ0 руб.
1013254-93010-000

Стопор поплавка - Pin, Float (Pin, Float)

под заказ240 руб.
1013254-98300-000

   (актуальный код замены) Стопор поплавка - Pin, Float

под заказ240 руб.
1013254-98300-000

Стопор поплавка - Pin, Float (Pin, float ) (Pin, Float)

под заказ240 руб.
1113370-28110-000

Игольчатый клапан, в сборе - Valve Assy, Needle (Valve assy, needle ) (Valve Assy, Needle)

4 шт4350 руб.
1213392-58600-000

Прокладка седла клапана - Gasket, Valve Seat (Gasket, valve seat ) (Gasket, Valve Seat)

1 шт150 руб.
1313236-94740-000

Запчасть снята с производства - The Spare Part Is Laid Off (MODEL:88) (The Spare Part Is Laid Off)

под заказ0 руб.
1313236-94760-000

Запчасть снята с производства - The Spare Part Is Laid Off (MODEL:89~99) (The Spare Part Is Laid Off)

под заказ0 руб.
1413237-94400-000

Nozzle - Nozzle (MODEL:88 ) (Nozzle)

1 шт450 руб.
1413237-94760-000

Nozzle - Nozzle (Main nozzle, no.2 # MODEL:89~99 ) (Nozzle)

под заказ0 руб.
1537810-94601-000

Датчик, Клапан дросселя - Sensor, Throttle Valve (Sensor assy, throttle lever # MODEL:88 ) (Sensor, Throttle Valve)

под заказ0 руб.
1537810-95605-000

Датчик, Клапан дросселя - Sensor, Throttle Valve (MODEL:89~99, <-7810-95604) (Sensor, Throttle Valve)

под заказ0 руб.
1537810-95606-000

   (актуальный код замены) Запчасть снята с производства - The Spare Part Is Laid Off

под заказ11620 руб.
1537810-95606-000

Датчик, Клапан дросселя - Sensor, Throttle Valve (Sensor assy, throttle lever ) (Sensor, Throttle Valve)

под заказ11620 руб.
1602112-04087-000

Винт - Screw (Screw)

под заказ90 руб.
1708321-01043-000

Шайба с блокировкой - Washer, Lock (Washer, Lock)

под заказ140 руб.
1708321-0104A-000

   (актуальный код замены) Шайба с блокировкой - Washer, Lock

под заказ140 руб.
1708321-0104A-000

Шайба с блокировкой - Washer, Lock (Washer, Lock)

под заказ140 руб.
1813616-94500-000

Болт - Bolt (Screw ) (Bolt)

под заказ0 руб.
1913271-93311-000

Пружина - Spring (Spring, air screw ) (Spring)

1 шт350 руб.
2008321-01057-000

Шайба с блокировкой - Washer, Lock (Washer, Lock)

под заказ140 руб.
2008321-0105A-000

   (актуальный код замены) Шайба с блокировкой - Washer, Lock

под заказ140 руб.
2008321-0105A-000

Шайба с блокировкой - Washer, Lock (Washer, Lock)

под заказ140 руб.
2109491-30010-000

Главная форсунка (150) - Jet, Main (150) (Jet, main (#150) # MODEL:88 ) (Jet, Main (150))

1 шт970 руб.
2109491-31003-000

Контрольная форсунка (155) - Jet, Pilot (155) (MODEL:89, 908891~909776) (Jet, Pilot (155))

под заказ0 руб.
2109491-31014-000

   (актуальный код замены) Запчасть снята с производства - The Spare Part Is Laid Off

под заказ0 руб.
2109491-31014-000

Контрольная форсунка (155) - Jet, Pilot (155) (Jet, Pilot (155))

под заказ0 руб.
2109491-32006-000

Главная форсунка (160) - Jet, Main (160) (MODEL:89~99, 909777~) (Jet, Main (160))

под заказ1120 руб.
2109491-32012-000

   (актуальный код замены) Главная форсунка (160) - Jet, Main (160)

2 шт1120 руб.
2109491-32012-000

Главная форсунка (160) - Jet, Main (160) (Jet, main (160) ) (Jet, Main (160))

2 шт1120 руб.
2213534-95D00-000

Винт - Screw (<-3267-95D00 ) (Screw)

под заказ470 руб.
2313268-96111-000

Пружина, Дроссель Винт - Spring, Throttle Screw (Spring, throttle screw ) (Spring, Throttle Screw)

под заказ350 руб.
2413245-95210-000

Поплавковая камера - Chamber, Float (Chamber assy, float # <-3245-94770 ) (Chamber, Float)

под заказ0 руб.
2509491-28011-000

Главная форсунка (140) - Jet, Main (140) (Jet, main (#140) # OPT, <-9491-28007 ) (Jet, Main (140))

под заказ1110 руб.
2509491-29006-000

Главная форсунка (145) - Jet, Main (145) (Jet, main (145) # OPT ) (Jet, Main (145))

под заказ990 руб.
2509491-33004-000

Главная форсунка (165) - Jet, Main (165) (Jet, main (#165) # OPT, <-9491-33001 ) (Jet, Main (165))

под заказ880 руб.
2613510-94700-000

Тяга управления дросселем - Rod, Throttle Control (Rod, throttle & choke ) (Rod, Throttle Control)

под заказ0 руб.
2701411-08207-000

Болт под шпильку - Bolt, Stud (Bolt, Stud)

под заказ130 руб.
2701411-0820A-000

   (актуальный код замены) Болт под шпильку - Bolt, Stud

под заказ130 руб.
2701411-0820A-000

Болт под шпильку - Bolt, Stud (Bolt, Stud)

под заказ130 руб.
2808316-10087-000

Гайка - Nut (Nut)

14 шт170 руб.
2909352-50903-600

Шланг (5x9x600) - Hose (5x9x600) (L:600->35 ) (Hose (5x9x600))

под заказ570 руб.
2909352-50006-600

   (актуальный код замены) Шланг (5x9x600) - Hose (5x9x600)

1 шт570 руб.
3009401-08410-000

Зажим - Clip (MODEL:88~90 ) (Clip)

под заказ130 руб.
3109401-08411-000

Зажим - Clip (MODEL:91~99 ) (Clip)

8 шт130 руб.
3209404-06432-000

Струбцина (l: 65) - Clamp (l:65) (Clamp (l:80) ) (Clamp (l:65))

8 шт170 руб.
3209404-06039-000

   (актуальный код замены) Струбцина (l: 65) - Clamp (l:65)

под заказ170 руб.
3313910-94400-000

Ремкомплект карбюратора - Repair Kit, Carburetor (Repair kit, carburetor # OPT, NOT SHOWN ) (Repair Kit, Carburetor)

1 шт4470 руб.


Время выполнения запроса 3.3328959941864 сек.

 
 

данный сайт носит информационный характер и не является публичной офертой

склад запчастей для водомоторной техники